vetus BPSPE Series-Parallel Switch

Introduction
By installing the series-parallel switch:
- The 12 Volt batteries are connected in series while operating in order to provide the necessary 24 Volt for the bow thruster.
- The 12 Volt batteries are connected in parallel and coupled to the 12 volt charging system while charging.
The series-parallel switch has been manufactured so as to allow easy connection to a VETUS 24 V bow thruster.
If an isolating switch (# 15) is fitted in the charging wire the battery sets can be separated if charging is not carried out for a long time in order to prevent excessive discharging.
If the batteries (12 Volt) that have been installed for the bow propeller are also used for other loads the following must be taken into account:
both batteries will supply current to 12 Volt loads via the charging wires and the charge current contacts of the series-parallel switch.
WARNING!
The maximum continuous current through the charge current contacts of the series-parallel switch may not be more than 100 A. Therefore, never use these batteries as starter batteries and never connect an anchor winch to these batteries!
Operating
The bow propeller can be operated as described in the ‘User Instructions’ in Chapter ‘Use’ after installing the series-parallel switch. The series-parallel switch operates automatically as soon as the bow propeller is operated and then switches off with a delay afterwards.
Installation
WARNING!
Disconnect all battery wires if an existing installation is to be extended with the series-parallel switch and 2 extra batteries. Then install the series-parallel and the batteries and wires as described in these instructions.
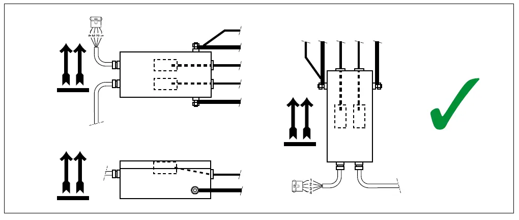
Fit the series-parallel switch as close as possible to the batteries and the bow propeller in one of the illustrated positions in order to keep the main circuit wires as short as possible. See the wiring diagrams for how to connect the circuit.
Batteries
Total battery capacity: see the manual for the bow thruster.
Use batteries of the same type, capacity and length of service. Position the batteries as close as possible to the bow propeller; this allows the main circuit wires to be kept short so that there will be little voltage loss.
Main circuit wires
Use main circuit wires of sufficient cross-section.
A main switch and a fuse must be fitted in the + wire to the bow propeller.
Connect the main circuit wires and make sure that the main switch is set to ‘OFF’.
Charging wires
Use charging wires of sufficient cross-section.
Connect the charging wires.
Do not connect the alternator wire to terminal 51 on the series-parallel switch yet.
If the same alternator is also to be used for a battery set that is not connected through the series-parallel switch the charging circuits must be separated by a battery isolator.
Control wires
Only connect the control wire to the panel.
Do not connect the control wire to the bow propeller yet.
Check
After installing carry out the following checks:
- Check once more that all wires have been installed as shown in the diagram!
- Use a voltmeter to check that there is a voltage of 12 Volt between the plus (+) of battery 1 and the minus (-) of battery 2.
Repeat this measurement between the plus (+) of battery 2 and the minus (-) of battery 1. - Switch on the control panel and operate the direction switch; the series-parallel switch will be switched on.
Use a voltmeter to check that there is a voltage of 24 Volt between the plus (+) of battery 2 and the minus (-) of battery 1. - Connect the control wire to the bow propeller and operate the direction switch. The relay on the bow propeller must now be operated.
Now connect the charging wire from the alternator to terminal 51(+ALT) on the series-parallel switch, switch on the main switch of the bow propeller and check that the bow propeller operates properly.
Technical data
- Contacts : 1 x Normally open,
Max. current, continuous, not switching : 400 A
Max. current during 60 sec. : 1000 A
2 x Normally closed,
Max. charging current, continuous : 100 A
Max. charging current, intermittent at 20% duty
cycle : 150 A - Coil data : Voltage : 12 V DC
Current : 2.4 A
Principal dimensions
Positioning



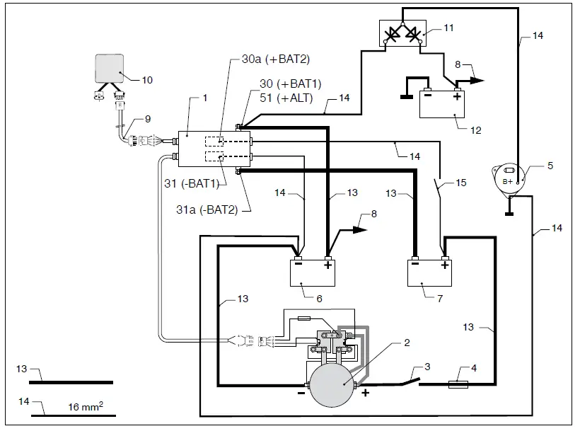
Wiring diagrams
- Series-parallel switch
- Bow thruster 24 Volt
- Main switch bow thruster
- Main fuse, please refer to bow thruster manual for size
- Alternator
- Battery 1
- Battery 2
- To 12 Volt load
- Extension cable
- Control panel
- Battery isolator
- Battery for 12 Volt load only
- Main circuit wires, please refer to bow thruster manual for diameter
- Charging wires
- Isolating switch
Fokkerstraat 571 – 3125 BD Schiedam – The Netherlands
Tel.: +31 (0)88 4884700 – [email protected] – www.vetus.com
Printed in the Netherlands
020560.01 2022-08


















