vetus WWCP Waste Water Control Panel

Introduction
This control panel for the Waste Water installation uses LEDs to show four different levels in the waste water tank 25%, 50%, 75%, and 100% full. If the tank is full, the red 100% LED will flash. The control panel has a lock to prevent the pump from being switched on by accident. The lock is switched off by pressing a combination of keys, after which the pump can be switched on either automatically or manually. If automatic tank monitoring AUTO mode is switched on, the waste water tank will empty automatically when it is full. The pump will switch off automatically when the waste water tank is empty to prevent it continuing to run when dry. The panel must be connected to a Vetus level sensor fitted in the waste water tank. Suitable sensors are sensors with a float arm, art. code: WWSENSORA, and the analogue ultrasonic sensor, art. code: SENSORA.
The digital ultrasonic sensor art code SENSORD is not suitable
The panel has an extra output which can be used to power a relay used to interrupt the power to the toilet and/or a water pump. This relay is powered when the tank is 90% full. If an electrically operated shut-off valve is installed, this can also be connected to the panel. When the tank is 90% full, the valve will first be opened automatically and then the waste water pump will be switched on. A LED on the panel shows when the shut-off valve is closed (if this is connected. If the maximum liquid level is reached incidentally and/or for a short period due to the movements of the boat, such peaks will be ignored. The level must be at maximum for a longer period and ir-respective of the circumstances before the shut-off valve and the waste water pump are engaged. The control panel is supplied without the extras, such as the waste water pump, shut-off valve and level sensor.
NOTE
Carry out the Set up procedure before bringing the panel into use.
Operating instructions
Function of the LEDs
![]() | Off | the panel is switched off. | |
| Green | the panel is switched on. | ||
![]() | Green flashing | the battery voltage is less than 8 Volts. | |
![]() | Off | – | |
| Green | the pump cycle is set to manual operation | ||
![]() | Off | the auto mode is not switched on. | |
| Green | the auto mode is switched on. | ||
![]()
| Electrically operated shut-off valve with status feedback | Manually operated shut- off valve without status feedback | |
| Off | – | ||
| Green | the shut-off valve is closed. | – | |
| Green flashing | the shut-off valve is either opening or closing. | the pump cycle is active. | |
| the shut-off valve is opened. | |||
| Red | opening or closing has not been successful within 40 seconds. | – | |
![]() | Green | the pump is switched on. | |
| Red | the pump is switched on but the level in the tank has not dropped by 10% within the set time. | ||
The LEDs have different functions during set up; see 4 Set-up procedure.
Switching on or off
The panel is switched on or off by using the key . The level in the waste water tank is indicated after switching on. Levels 25%, 50% and 75% are shown with a green LED. The red 100% LED will come on at 90%. The red 100% LED will flash when the level is higher than 95%.
Unlock locked keyboard
A lock is built in to prevent unwanted operation of the switched off first before the pump function can be set or used keys. This lock must be do this, press and hold both keys in simultaneously for 5 seconds. The lock will be disengaged for 10 seconds after the peep sounds and the keys can then be operated.
Pumping the waste water tank empty
Installation with an electrically operated shut-off valve fitted with status feedback:
Automatic emptying

- Unlock the keyboard.
- Press key to set the panel to AUTO mode.
The pump cycle will be started automatically when the level in the tank has reached 95%. First the shut-off valve will open and then the pump will switch on. The pump will remain switched on for some time after the tank has been pumped empty, see finishing time. The shut-off valve will close when the pump has been switched off.
Switching off AUTO mode
Press the key to switch AUTO mode off again. It is not necessary to unlock the keyboard first. If the key is pressed while the tank is being emptied, the automatic pump cycle will be stopped and the shut-off valve closed.
Manual emptying

- Unlock the keyboard.
- Press key to start the pump cycle.
- First the shut-off valve will open and then the pump will switch on.
- The pump will remain switched on for some time after the tank has been pumped empty, see finishing time.
- The shut off valve will close when the pump has been switched off.
- If the key is pressed while the tank is being emptied, the pump cycle will be stopped and the shut off valve closed.
Installation with a manually operated shut-off valve without status feedback

- Unlock the keyboard.
- Open the shut-off valve.
- Press the M key to start the pump cycle.
NOTE
The pump will begin to work after 40 seconds have passed. The shut-off valve can still be opened during this time. The pump will remain switched on for some time after the tank has been pumped empty. Close the shut-off valve after the pump has been switched off.
WARNING
Because the shut-off valve does not have status feedback, it is very important to properly check that the shut-off valve is open before starting to pump the tank empty.
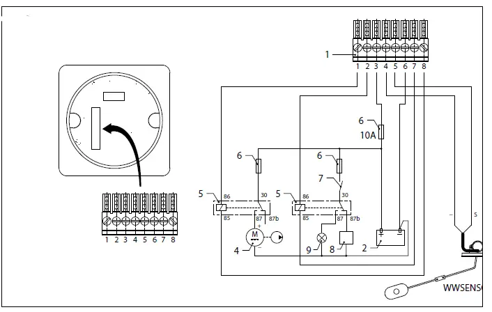
Installation
Connect the panel as shown in the wiring diagrams. The following must be connected to the 8 pin connector the power supply the sensor 12 or 24 Volt. Fit a 10A fuse in the positive (+) wire a sensor with float arm WWSENSORA an analogue ultrasonic sensor. The digital ultrasonic sensor (SENSORD) is not suitable. It is recommended not to fit the sensor in the tank until after the set up procedure has been completed.
The pump And the relay
A pump with power consumption less than 10 A can be connected di-rectly to the panel a relay must be used if the pump uses more than 10 A this can switch off a toilet and/or switch on a warning light when the tank is full. An electrically operated shut-off valve can be connected to the 5-pin connector.
Set up procedure
The panel must be set up after it has been connected
The set up procedure will be exited automatically if no key is pressed for more than a minute, or by pressing the on/off key. Always start the set up procedure from the beginning, even if only one setting has to be changed. 



Product Description

- On/Off key
- On LED
- Manual operation key
- Manual Operation LED
- Auto key
- Auto LED
- Tank level LEDs
- Key key
- Shut-off valve key
- Key key
- Pump LED
Wiring diagrams



Dimensions principals


























