Service Manual
Model
BLF7451
UL Part Number
6909610100
BLF7451 Prism Electric Fireplace
IMPORTANT SAFETY INFORMATION: Always read this manual first before attempting to service this fireplace. For your safety, always comply with all warnings and safety instructions contained in this manual to prevent personal injury or property damage.
Always use a qualified technician or service agency to repair this fireplace.
NOTE: Procedures and techniques that are considered important enough to emphasize.
CAUTION: Procedures and techniques which, if not carefully followed, will result in damage to the equipment.
WARNING: Procedures and techniques which, if not carefully followed, will expose the user to the risk of fire, serious injury, or death.
Operation

WARNING: This electric firebox must be properly in- stalled before it is used.
The unit can be controlled by either the manual controls which are located on the upper right of the fireplace or the remote (Figure 1 & 2).
The fireplace is supplied with an IR multifunction remote control.
! NOTE: To operate correctly, the remote control must be pointed towards the Floating DisplayTM .
A .
Standby
Turns the unit On and Off.
→ Activated by pressing the Standby button on the remote or the unit.
- The unit will turn on with the same functions that it was set to when it was turned Off and the intake temperature will be indicated on the Floating DisplayTM
NOTE: When any button is pressed the intake temperature will be displayed on the Floating Display TM for 5 seconds.
B .
Flame Effects
Turns the flame effect On and Off.
→ Activated by pressing the
button on the remote.
C .
Heat ON/OFF
Turns the heater On and Off.
→ Activated by pressing the
button on the unit or the remote.
- Indicated by the
icon and the intake temperature being displayed on the Floating Display TM , for 5 seconds before turning off.
NOTE: After the heater is switched off, there is a 60 second fan delay, where the fan will continue running before turning off.
NOTE: The unit can be operated in Heat Only Mode. When the unit is only running with the heater, the
icon will continuously be displayed on the Floating DisplayTM
NOTE: The heater may emit a slight, harmless odor when first used. This odor is a normal condition caused by initial heating of internal heater parts and will not occur again.
D & E .
Thermostat Controls
Adjusts the temperature set point to your individual requirements. Once the desired set temperature is reached the heater will turn off. The heater will cycle on and off to maintain the desired set temperature. The default temperature setting is 72°F (22°C).
→ Adjusted by pressing the
to decrease the set point and the
to increase the set point on the unit or the remote.
- The Floating DisplayTM will indicate the temperature set point as it is adjusted.
NOTE: Holding the
and the
buttons down for two seconds, on the unit, will change the temperature from °C to °F, or vice versa.
Disable Heat
If desired, depending on the season, the heater on the unit can be disabled. The unit will operate in the same fashion, with remainder of the controls.
Pressing the
and
buttons on the manual controls at the same time and holding for 2 seconds will disable and enable the heater.
NOTE: When the heater has been disabled and either the
or the
is pressed the Floating DisplayTM will indicate “–”.
F .
Color Themes
Different presets of ambient lighting color combinations contained in the unit.
→ Changed by repeatedly pressing the corresponding button on the remote or the unit.
- Cycles through the different preset ambient lighting settings of the unit, this includes different combinations of colours of the flame base and media lighting.
NOTE: The last theme of the cycle is a prism where the unit cycles through a variety of colours. Pressing the
button stops the cycling and holds the unit on the preferred color, indicated by a “U” – Unfreeze or a “F” – Freeze on the display.
G .
Brightness
Changes the brightness of the lights in the unit.
→ Adjusted by repeatedly pressing the corresponding button on the remote.
- Indicated by the second digit on the Floating Display™ changing to show: “H” (high), and “L” (low).
H .
Sleep Timer
The Sleep Timer can be set to automatically shut off the fireplace after a preset time (from 30 minutes to 8 hours).
→ To set the timer press the timer
button on the remote, repeatedly, until the desired time is displayed.
• The Floating DisplayTM will display the different times as it is adjusted. Once the timer has begun, pressing the
button will display the time remaining before the unit turns Off.
NOTE: The Sleep Timer can be cancelled at any time bpressing the button repeatedly until the sleep timer displays nothing.
Resetting the Temperature Cutoff Switch
Should the heater overheat, an automatic cut out will turn the whole unit off and it will not come back on without being reset. It can be reset by turning the unit off at the main disconnect panel and waiting 5 minutes before turning the unit back on.
CAUTION: If you need to continuously reset the heater, unplug the unit and call technical support at 1-888-346-7539.
Remote Control Battery Replacement (Figure 2)
To replace the battery:
- Slide battery cover open on the remote control.
- Correctly install one 3 Volt (CR2032 [longer life] or CR2025) battery in the battery holder.
- Close the battery cover.
Battery must be recycled or disposed of properly.
Check with your Local Authority or Retailer for recycling advice in your area
Maintenance
WARNING: Disconnect power and allow heater to cool before attempting any maintenance or cleaning to reduce the risk of fire, electric shock or damage to persons.
NOTE: The fireplace should not be operated with an accumulation of dust or dirt on or in the unit, as this can cause a build up of heat and eventual damage. For this reason the heater must be inspected regularly, depending upon conditions and at least at yearly intervals.
Partially Reflective Glass Cleaning
The partially reflective glass is cleaned in the factory during the assembly operation. During shipment, installation, handling, etc., the partially reflective glass may collect dust particles; these can be removed by dusting lightly with a clean dry cloth.
To remove fingerprints or other marks, the partially reflective glass can be cleaned with a damp cloth. The partially reflective glass should be completely dried with a lint free cloth to prevent water spots.
To prevent scratching, do not use abrasive cleaners.
Fireplace Surface Cleaning
Use only a damp cloth to clean painted surfaces of the fireplace. Do not use abrasive cleaners. Servicing Except for installation and cleaning described in this manual, an authorized service representative should perform any other servicing.
Exploded parts diagram

Replacement Parts List
- Element. . . . . . . . . . . . . . . . . . . . . . . . 2200510700RP
- Partially Reflective Glass* ………. 5902510100RP
- Blower Assembly. . . . . . . . . . . . . . . . . 5300160300RP
- Front Glass . . . . . . . . . . . . . . . . . . . . . 6908730100RP
- Flicker Motor . . . . . . . . . . . . . . . . . . . . 2000500100RP
- Flicker Rod . . . . . . . . . . . . . . . . . . . . . 5902490100RP
- Cutout . . . . . . . . . . . . . . . . . . . . . . . . . 2300201600RP
- Display / Control Board (MOD 0-C) . . 3001640100RP
MOD D . . . . . . . . . . . . . . . . . . . . . . . . . . . . 500001934 - Flame LED (3 per unit) ………… 3000830200RP
MOD D . . . . . . . . . . . . . . . . . . . . . . . . . . . . 500001933 - Switch Board. . . . . . . . . . . . . . . . . . . . 3001520100RP
- Remote Control ……………… 6700520200RP
- Media LED …………………. 3001570300RP
- Thermistor …………………. 3001560400RP
(For Mod 0 send instruction sheet 7214470100 with thermistor) - Relay Board ……………….. 3001630100RP
- LED Driver (Controls 2 LEDs) MOD 0-C 3000810100RP
- LED Driver (Controls 1 LED) MOD 0-C 3000810200RP
- Mounting Kit ……………….. 9600760100RP
- AC/DC Adapter 1.5 Amp. ………. 2100250100RP
- AC/DC Adapter 3 Amp (MOD D). . . . . 2100250600RP
- Power Board (MOD D) ………… 3001720100RP
- Medium Acrylic Media (2 req’d) …… 1400150100RP
- Large Acrylic Media. . . . . . . . . . . . . . . 1400130300RP
Accessories
River Rocks . . . . . . . . . . . . . . . . . . . . . . . . . . . . . DFS1314
Driftwood Accessory Kit. . . . . . . . . . . . . . . . LF74DWS-KIT
* Send 9600820200RP (suction cups) if required to assist with partially reflective glass
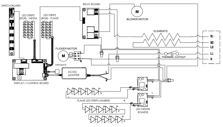
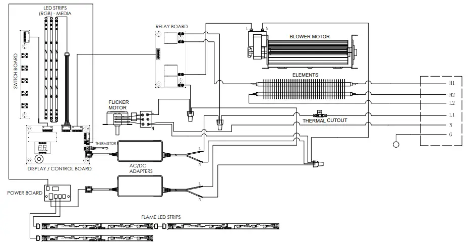
Wiring Diagram
MOD 0-C

MOD D

Preparation for service
NOTE: All components are replaceable from the front of the fireplace while the unit is mounted on the wall, with the exception of replacement of the power cord.
NOTE: If the power cord needs replacing or if the unit needs to be removed from the wall for any other reason please begin service by following the “PREPARATION FOR SERVICE” instructions, then move on to the section “INSTRUCTIONS FOR REMOVING FROM WALL”.
Tools Required: Philips head screwdriver
WARNING: Disconnect power before attempting any maintenance or cleaning to reduce the risk of electric shock or injury to persons.
CAUTION: If unit was operating prior to servicing allow at least 10 minutes for lights and heating elements to cool off to avoid accidental burning of skin.
- Disconnect power source.
• Unplug the fireplace from the outlet.
• If unit has been hard wired for power or outlet is not accessible from the front, turn the breaker off at the electrical panel. - Remove the front glass assembly by removing the 4 screws (1 on the left and 1 on the right side and 1 on either side of the top front vent opening). These screws secure the front glass panel to the inside of the fireplace. (Figure 4)
- Lift the front glass assembly off of the 4 mounts located between the outer and inner casing of the fireplace: 2 on the left and 2 on the right. (Figure 3) Carefully place the glass assembly aside in a safe location.
- Proceed to the instructions within this manual relating to the repair being performed – see Table of Contents for page number.


Instructions for removing from wall
WARNING: Disconnect power before attempting any maintenance or cleaning to reduce the risk of electric shock or injury to persons.
CAUTION: If unit was operating prior to servicing allow at least 10 minutes for lights and heating elements to cool off to avoid accidental burning of skin.
NOTE: Only required for replacement of the power cord or removal for service.
CAUTION: Follow “Preparation for Service” instructions before proceeding.
Mounting – The fireplace may be mounted in one of 2 methods:
- Surface Mount
- Flush Mount (completely in the wall)
Identify the type of mounting and follow the appropriate instructions in the following pages.
CAUTION: Two people will be required for removal and re-installation of the fireplace. The unit is approx. 74 ⁵/16 ”w x 19 ¹/2”h x 7”d. Weight is approximately 130 lbs.
CAUTION: To prevent injury or damage, turn off the breaker in your electrical panel prior to attempting to remove this unit off the wall.
NOTE: If fireplace is hard wired directly to the electrical panel, and there is not enough slack in the wires within the wall to reach your work area, remove the electrical junction box cover located on the bottom right by removing the 1 screw on the front of the cover. Lift the cover off and set aside. Disconnect the 3 wire connectors connected to the power source, taking note of their original configuration.
Surface Mount
(Figure 6)
Tools Required: Phillips head screwdriver
CAUTION: Follow “Preparation for Service” instructions before proceeding.
- Remove the decorative acrylic ember-bed pieces from the media tray, which lies along the bottom of the interior Partially Reflective Glass. A medium sized container such as a bucket or a box will be needed to keep the acrylic ember-bed pieces together.
- On the bottom of the unit remove the securing screw from the L-bracket. (Figure 5)
- With one person on either end of the unit lift the unit up and off of the wall.
- Carefully lay the unit down on a solid flat surface with the front of the unit facing up.
NOTE: If the surface you are using as a work area on is a finished surface that is prone to scratches (i.e. hardwood flooring), it is recommended that a protective barrier be used underneath, (i.e. cloth, cardboard, thick plastic). - Proceed to the instructions within this manual relating to the repair being performed – see Table of Contents for page number.
- Once repair is complete, reassemble in the reverse order as above.

Flush Mount – Complete In-wall
(Figure 7)
Tools Required: Phillips head screwdriver
CAUTION: Follow “Preparation for Service” instructions before proceeding.
- Remove the decorative acrylic ember-bed pieces from the media tray, which lies along the bottom of the interior Partially Reflective Glass. A medium sized container such as a bucket or a box will be needed to keep the acrylic ember-bed pieces together.
- Locate and remove the 4 mounting screws inside the unit located on left and right side towards the front. There are 2 screws per side, going from the side panels out into the side of the wall stud that frames the fireplace. (Figure 7)
CAUTION: The unit should be supported while removing the screws to prevent the unit from falling. - Remove the fireplace out of the opening by slightly lifting and pulling forward.
- Carefully lay the unit down on a solid flat surface with the front of the unit facing up.
NOTE: If the surface you are using as a work area is a finished surface that is prone to scratches (i.e. hardwood flooring), it is recommended that a protective barrier be used underneath, (i.e. cloth, cardboard, thick plastic). - Proceed to the instructions within this manual relating to the repair being performed – see Table of Contents for page number.
- Once repair is complete, reassemble in the reverse order as above.


Switchboard Replacement
WARNING: Disconnect power before attempting any maintenance or cleaning to reduce the risk of electric shock or injury to persons.
CAUTION: If unit was operating prior to servicing allow at least 10 minutes for lights and heating elements to cool off to avoid accidental burning of skin.
Tools required: Phillips head screwdriver.
Needle nosed pliers Wire snips
CAUTION: Follow “Preparation for Service” instructions before proceeding.
- Remove the 2 screws that secure the controls assembly (Figure 8), located at the top of the mirror on the right side of the unit.
- Slide the controls assembly out toward the front of the unit.
CAUTION: Ensure that the assembly is removed carefully, ensuring that no wires are caught or over strained. - Locate the switchboard (Figure 9).
- Disconnect the wiring harness from the switchboard.
- Remove the switchboard by loosening the nuts on the spacer stands.
- Install the new switchboard on the space stands.
- Reconnect the wire harness onto the back of the switchboard in its original configuration.
- Reassemble in the reverse order as above.
CAUTION: When re-installing, be sure the wires are guided and tucked into the proper openings along the right side so they are not pinched and allows enough space to reinstall the panel.

Relay Board Replacement
WARNING: Disconnect power before attempting any maintenance or cleaning to reduce the risk of electric shock or injury to persons.
CAUTION: If unit was operating prior to servicing allow at least 10 minutes for lights and heating elements to cool off to avoid accidental burning of skin.
Tools required: Phillips head screwdriver. Needle nosed pliers.
CAUTION: Follow “Preparation for Service” instructions before proceeding.
- Remove the 2 screws that secure the controls assembly (Figure 8), located at the top of the mirror on the right side of the unit.
- Slide the controls assembly out toward the front of the unit.
CAUTION: Ensure that the assembly is removed carefully, ensuring that no wires are caught or over strained. - Locate the relay board (Figure 9).
- Transfer the wiring connections from the existing receiver to the new relay board.
! NOTE: Using a flat head screwdriver gently pry between the end of the connectors and the board to release the wires. - Remove the relay board off the plastic mounts by pinching the plastic mounting tabs with pliers. Pull the old board off.
- Line up the holes on the board and gently press the new board onto the mounts. Make sure the board is secure.
- Reassemble in the reverse order as above.
CAUTION: When re-installing, be sure the wires are guided and tucked into the proper openings along the right side so they are not pinched and allows enough space to reinstall the panel.
LED Driver Board Replacement
WARNING: Disconnect power before attempting any maintenance or cleaning to reduce the risk of electric shock or injury to persons.
CAUTION: If unit was operating prior to servicing allow at least 10 minutes for lights and heating elements to cool off to avoid accidental burning of skin.
Tools required: Phillips head screwdriver Needle nosed pliers Wire snips
CAUTION: Follow “Preparation for Service” instructions before proceeding.
- Remove the 2 screws that secure the controls assembly (Figure 8), located at the top of the mirror on the right side of the unit.
- Slide the controls assembly out toward the front of the unit.
CAUTION: Ensure that the assembly is removed carefully, ensuring that no wires are caught or over strained. - Locate the defective LED driver board (Figure 9).
- Transfer the wiring connections from the existing driver board to the new driver board.
NOTE: Using a flat head screwdriver gently pry between the end of the connectors and the board to release the wires. - Remove the LED driver board off the plastic mounts by pinching the plastic mounting tabs with needle nose pliers. Pull the old board off.
- Line up the holes on the driver board and gently press the new board onto the mounts. Make sure the board is secure.
- Reassemble in the reverse order as above.
CAUTION: When re-installing, be sure the wires are guided and tucked into the proper openings along the right side so they are not pinched and allows enough space to reinstall the panel.

AD/DC Adapter Replacement
WARNING: Disconnect power before attempting any maintenance or cleaning to reduce the risk of electric shock or injury to persons.
CAUTION: If unit was operating prior to servicing allow at least 10 minutes for lights and heating elements to cool off to avoid accidental burning of skin.
Tools required: Phillips head screwdriver
CAUTION: Follow “Preparation for Service” instructions before proceeding.
Tools required: Phillips head screwdriver
- Remove the decorative acrylic ember-bed pieces from the media tray, which lies along the bottom of the interior Partially Reflective Glass. A medium sized container such as a bucket or a box will be needed to keep the acrylic ember-bed pieces together.
- Remove the 2 screws, that secure the controls assembly (Figure 8), located at the top of the mirror on the right side of the unit.
- Remove the Partially Reflective Glass retaining brackets by removing the 3 screws on each bracket, located on the left and right side of the Partially Reflective Glass. (Figure 10)
- Remove the Partially Reflective Glass. Carefully place the glass assembly aside in a safe location.
- Slide the controls assembly out toward the front of the unit.
CAUTION: Ensure that the assembly is removed carefully, ensuring that no wires are caught or over strained. - Locate the defective AC/DC adapter (Figure 9).
- Disconnect wires going to the wire connectors and the wires that are attached to the display / control board. (Figure 10)
NOTE: Using a flat head screwdriver gently pry between the end of the connectors and the board to release the wires. - Remove the four screws that secure the AC/DC adapter bracket to the controls assembly.
- Install the new AC/DC adapter and install all wiring connections.
- Reassemble in the reverse order as above.
CAUTION: When re-installing, be sure the wires are guided and tucked into the proper openings along the right side so they are not pinched and allows enough space to reinstall the panel.
Display/Control Board Replacement
WARNING: Disconnect power before attempting any maintenance or cleaning to reduce the risk of electric shock or injury to persons.
CAUTION: If unit was operating prior to servicing allow at least 10 minutes for lights and heating elements to cool off to avoid accidental burning of skin.
Tools required: Phillips head screwdriver
CAUTION: Follow “Preparation for Service” instructions before proceeding.
Tools required: Phillips head screwdriver
- Remove the decorative acrylic ember-bed pieces from the media tray, which lies along the bottom of the interior Partially Reflective Glass.
A medium sized container such as a bucket or a box will be needed to keep the acrylic ember-bed pieces together. - Remove the Partially Reflective Glass retaining brackets by removing the 3 screws on each bracket, located on the left and right side of the Partially Reflective Glass. (Figure 10)
- Remove the Partially Reflective Glass. Carefully place the glass assembly aside in a safe location.
- Slide the controls assembly out toward the front of the unit.
CAUTION: Ensure that the assembly is removed carefully, ensuring that no wires are caught or over strained. - Locate the defective display/control board (Figure 10).
NOTE: Using a flat head screwdriver gently pry between the end of the connectors and the board to release the wires. - Remove the display/control board off the plastic mounts by pinching the plastic mounting tabs with needle nose pliers. Pull the old board off.
- Line up the holes on the new board and gently press the new board onto the mounts. Make sure the board is secure.
- Reassemble in the reverse order as above.
CAUTION: When re-installing, be sure the wires are guided and tucked into the proper openings along the right side so they are not pinched and allows enough space to reinstall the panel.

Flicker Motor Replacement
WARNING: Disconnect power before attempting any maintenance or cleaning to reduce the risk of electric shock or injury to persons.
CAUTION: If unit was operating prior to servicing allow at least 10 minutes for lights and heating elements to cool off to avoid accidental burning of skin.
Tools required: Phillips head screwdriver Short handled Phillips head screwdriver
CAUTION: Follow “Preparation for Service” instructions before proceeding.
- Remove the decorative acrylic ember-bed pieces from the media tray, which lies along the bottom of the interior Partially Reflective Glass. A medium sized container such as a bucket or a box will be needed to keep the acrylic ember-bed pieces together.
- Remove the Partially Reflective Glass retaining brackets by removing the 3 screws on each brackets, located on the left and right side of the Partially Reflective Glass. (Figure 10)
- Remove the Partially Reflective Glass. Carefully place the glass assembly aside in a safe location.
- In the bottom right hand of the unit, remove the two screws and the front access cover. (Figure 11)
- In the media tray, remove the two screws on either end and the one on the side wall, to remove the clear media tray and the front panel. (Figure 12)
! NOTE: Tip the front panel forward then lift out of the unit. - Remove the 2 screws holding the flicker motor to the mounting bracket. Gently pull the motor away from the flicker rod. (Figure 11)
- Carefully remove the entire assembly.
- Remove the flicker motor wires from the terminal block by loosening the 3 small Phillips screws holding each wire in place then gently pulling the wires out of the terminal block – noting their original locations.
- Properly orient the new flicker motor onto the bracket and re-attach with the 2 mounting screws.
- Reassemble in the reverse order as above.
CAUTION: When removing and replacing the flicker motor try to keep any slight bending of the flicker rod minimal so as to not damage it. If flicker rod is damaged, it should be replaced to ensure proper operation.
CAUTION: When re-installing, be sure the wires are guided and tucked into the proper openings along the right side so they are not pinched and allows enough space to reinstall the panels.
Flicker Rod Replacement
WARNING: Disconnect power before attempting any maintenance or cleaning to reduce the risk of electric shock or injury to persons.
CAUTION: If unit was operating prior to servicing allow at least 10 minutes for lights and heating elements to cool off to avoid accidental burning of skin.
Tools required: Phillips head screwdriver Short handled Phillips head screwdriver
CAUTION: Follow “Preparation for Service” instructions before proceeding.
- Remove the decorative acrylic ember-bed pieces from the media tray, which lies along the bottom of the interior Partially Reflective Glass. A medium sized container such as a bucket or a box will be needed to keep the acrylic ember-bed pieces together.
- Remove the Partially Reflective Glass retaining brackets by removing the 3 screws on each brackets, located on the left and right side of the Partially Reflective Glass. (Figure 10)
- Remove the Partially Reflective Glass. Carefully place the glass assembly aside in a safe location.
- In the bottom right hand of the unit, remove the two screws and the front access cover. (Figure 11)
- In the media tray, remove the two screws on either end and the one on the side wall, to remove the clear media tray and the front panel. (Figure 12)
NOTE: Tip the front panel forward then lift out of the unit. 6. Remove the flicker rod by holding the gasket and sliding it to the left. This will disengage it from the motor.
It will then be possible to remove it out of the opening. - Reassemble in the reverse order as above.
CAUTION: When removing and replacing the flicker motor try to keep any slight bending of the flicker rod minimal so as to not damage it. If flicker rod is damaged, it should be replaced to ensure proper operation.
CAUTION: When re-installing, be sure the wires are guided and tucked into the proper openings along the right side so they are not pinched and allows enough space to reinstall the panels.
Media LED Replacement
WARNING: Disconnect power before attempting any maintenance or cleaning to reduce the risk of electric shock or injury to persons.
CAUTION: If unit was operating prior to servicing allow at least 10 minutes for lights and heating elements to cool off to avoid accidental burning of skin.
Tools required: Phillips head screwdriver Wire Snips
CAUTION: Follow “Preparation for Service” instructions before proceeding.
- Remove the decorative acrylic ember-bed pieces from the media tray, which lies along the bottom of the interior Partially Reflective Glass. A medium sized container such as a bucket or a box will be needed to keep the acrylic ember-bed pieces together.
- Remove the Partially Reflective Glass retaining brackets by removing the 3 screws on each brackets, located on the left and right side of the Partially Reflective Glass. (Figure 10)
- Remove the Partially Reflective Glass. Carefully place the glass assembly aside in a safe location.
- In the bottom right hand of the unit, remove the two screws and the front access cover. (Figure 11)
- In the media tray, remove the two screws on either end and the one on the side wall, to remove the clear media tray and the front panel. (Figure 12)
- Locate the LED strip that needs to be replaced.
- Disconnect the wire from the board by pulling gently on the connector at the end. Make note of which ends have the markings “IN” and “OUT”.
- Remove the board from the mounting bracket by pressing in the center of the standoffs to release them.
- Line up the holes on the board and gently press the new board onto the mounts. Make sure the board is secure. Ensure that the “OUT” connector is toward the right hand side of the unit.
- Reconnect the connectors to the boards.
- Reassemble in the reverse order as above.

Flame LED Replacement
WARNING: Disconnect power before attempting any maintenance or cleaning to reduce the risk of electric shock or injury to persons.
CAUTION: If unit was operating prior to servicing allow at least 10 minutes for lights and heating elements to cool off to avoid accidental burning of skin.
Tools required: Phillips head screwdriver Wire Snips
CAUTION: Follow “Preparation for Service” instructions before proceeding.
- Remove the decorative acrylic ember-bed pieces from the media tray, which lies along the bottom of the interior Partially Reflective Glass. A medium sized container such as a bucket or a box will be needed to keep the acrylic ember-bed pieces together.
- Remove the Partially Reflective Glass retaining brackets by removing the 3 screws on each brackets, located on the left and right side of the Partially Reflective Glass. (Figure 10)
- Remove the Partially Reflective Glass. Carefully place the glass assembly aside in a safe location.
- In the bottom right hand of the unit, remove the two screws and the front access cover. (Figure 11)
- In the media tray, remove the two screws on either end and the one on the side wall, to remove the clear media tray and the front panel. (Figure 12)
NOTE: The media tray screws are shorter than the other firebox screws - Remove the four screws that secure the media tray retaining bracket. Unplug the two connectors to the media bed lights and set the bracket aside.
- Remove the flicker rod. This can be done by sliding it to the left which will disengage it from the flicker motor
CAUTION: When removing the flicker rod, try to keep any slight bending minimal so as to not damage it. If flicker rod is damaged, it should be replaced to ensure proper operation. - Locate the LED strip that needs to be replaced.
- Cut the two wire that lead to the defective board.
- Remove the board from the mounting bracket by pressing in the center of the standoffs to release them.
- Line up the holes on the board and gently press the new board onto the mounts. Make sure the board is secure.
- Reconnect the wire to the new board using the supplied wire nuts and tape.
- Reassemble in the reverse order as above, ensuring that the connectors for the media bed lights are reconnected.
High Temperature Cutout Replacement
WARNING: Disconnect power before attempting any maintenance or cleaning to reduce the risk of electric shock or injury to persons.
CAUTION: If unit was operating prior to servicing allow at least 10 minutes for lights and heating elements to cool off to avoid accidental burning of skin.
Tools required: Phillips head screwdriver Needle nosed pliers
CAUTION: Follow “Preparation for Service” instructions before proceeding.
- Remove the decorative acrylic ember-bed pieces from the media tray, which lies along the bottom of the interior Partially Reflective Glass. A medium sized container such as a bucket or a box will be needed to keep the acrylic ember-bed pieces together.
- Remove the Partially Reflective Glass by removing the 2 screws on each retaining bracket, located on the left and right side of the Partially Reflective Glass. (Figure 10)
- Remove the Partially Reflective Glass. Carefully place the glass assembly aside in a safe location.
- Remove the heating cover by removing the 4 screws: 2 on the left and 2 on the right of the tray. (Figure 13)
- Locate the high temperature cutout and remove the mounting screw.
- Remove the 2 screws, that secure the controls assembly (Figure 8), located at the top of the mirror on the right side of the unit.
- Slide the controls assembly out toward the front of the unit.
CAUTION: Ensure that the assembly is removed carefully, ensuring that no wires are caught or over strained. - Disconnect the wiring connections noting their original locations.
NOTE: Using a flat head screwdriver gently pry between the end of the connectors and the board to release the wires. - Properly orient the new high temperature cutout and connect all of the wiring connections.
- Reassemble in the reverse order as above.
Element Replacement
WARNING: Disconnect power before attempting any maintenance or cleaning to reduce the risk of electric shock or injury to persons.
CAUTION: If unit was operating prior to servicing allow at least 10 minutes for lights and heating elements to cool off to avoid accidental burning of skin.
Tools required: Phillips head screwdriver. Needle nosed pliers.
CAUTION: Follow “Preparation for Service” instructions before proceeding.
- Remove the decorative acrylic ember-bed pieces from the media tray, which lies along the bottom of the interior Partially Reflective Glass. A medium sized container such as a bucket or a box will be needed to keep the acrylic ember-bed pieces together.
- Remove the Partially Reflective Glass by removing the 2 screws on each retaining bracket, located on the left and right side of the Partially Reflective Glass. (Figure 10)
- Remove the Partially Reflective Glass. Carefully place the glass assembly aside in a safe location.
- Remove the heating cover by removing the 4 screws: 2 on the left and 2 on the right of the tray. (Figure 13)
- Disconnect wires from the ends of the elements noting their original locations.
NOTE: Using a flat head screwdriver gently pry between the end of the connectors and the element to release the wires.
NOTE: Some of the wires may have a “piggy-back” connector that allows a second wire to connect to the same prong as the first wire. Try and keep the “piggyback” connection together when pulling the wires off the element. - Place the element and the housing on a work surface. From the top panel of the heating assembly housing, remove the 4 screws that hold the element cover to the housing panel.
- Install the new element on the housing using the 6 screws previously removed.
- Reassemble in the reverse order as above, ensuring that the element wires a reconnected in their original locations.
CAUTION: When re-installing covers and panels, be sure the wires are guided and tucked into the proper openings along the right side so they are not pinched and allows enough space to reinstall panel.

Blower Replacement
WARNING: Disconnect power before attempting any maintenance or cleaning to reduce the risk of electric shock or injury to persons.
CAUTION: If unit was operating prior to servicing allow at least 10 minutes for lights and heating elements to cool off to avoid accidental burning of skin.
Tools required: Phillips head screwdriver. Needle nosed pliers.
CAUTION: Follow “Preparation for Service” instructions before proceeding.
- Remove the decorative acrylic ember-bed pieces from the media tray, which lies along the bottom of the interior Partially Reflective Glass. A medium sized container such as a bucket or a box will be needed to keep the acrylic ember-bed pieces together.
- Remove the Partially Reflective Glass by removing the 2 screws on each retaining bracket, located on the left and right side of the Partially Reflective Glass. (Figure 10)
- Remove the Partially Reflective Glass. Carefully place the glass assembly aside in a safe location.
- Remove the heating cover by removing the 4 screws: 2 on the left and 2 on the right of the tray. (Figure 13)
- Remove the 2 screws, that secure the controls assembly (Figure 8), located at the top of the mirror on the right side of the unit.
- Slide the controls assembly out toward the front of the unit.
CAUTION: Ensure that the assembly is removed carefully, ensuring that no wires are caught or over strained. - Remove the 2 screws, that secure the cover panel (Figure 13), located at the top of the mirror on the left side of the unit. You may need to move aside the black fabric (flocking) to access these screws.
- Remove the the 5 screws on of the heater/blower assembly (3 on the left, 2 on the right), and gently lower the assembly so that the top can be viewed.
CAUTION: When removing the blower assembly mounting screws, support the assembly to prevent any damage to the unit. - Remove the 6 screws (3 sets) that secure the blower to the assembly (Figure 14).
- Disconnect the wiring connections noting their original locations.
NOTE: Using a flat head screwdriver gently pry between the end of the connectors and the blower/fan to release the wires. - Properly orient the new blower/fan assembly and connect all of the wiring connections.
- Reassemble in the reverse order as above.

Thermistor Replacement
WARNING: Disconnect power before attempting any maintenance or cleaning to reduce the risk of electric shock or injury to persons.
CAUTION: If unit was operating prior to servicing allow at least 10 minutes for lights and heating elements to cool off to avoid accidental burning of skin.
Tools required: Phillips head screwdriver Needle nosed pliers
CAUTION: Follow “Preparation for Service” instructions before proceeding.
- Remove the decorative glass ember-bed pieces from the media tray. A medium sized container such as a bucket or a box will be needed to keep the glass ember-bed pieces together.
- Remove the Partially Reflective Glass by removing the 3 screws on each retaining bracket; (2 brackets in total), located on the left and right side of the Partially Reflective Glass. (Figure 1)
CAUTION: Once the brackets have been removed ensure that the partially reflective glass is held securely to ensure that it does not fall out of the unit. - Attach the provided suction cups to the glass, so that they can both be easily reached. Holding both suction cup handles, tilt the glass forward and lift out. Carefully place the glass aside in a safe location.
- Remove the left cover panel. The panel is secured to the unit with two screws on the bottom surface.
- Locate the thermistor, attached to the standoff secured to the top panel of the unit and cut the tie wrap to allow removal of the thermistor from the unit.
- Loosely wrap the provided tie wrap through the hole in the bottom of the standoff.
- On the display / control board, disconnect the existing thermistor, labelled “CNZ-TEMP” and connect the new thermistor.
- Run the new thermistor wire to the side of the unitwhere the old thermistor was installed, allowing the wire to sit in the flame panel trough.
- Feed the thermistor through the tie wrap until the end is approximately 1.5 in. (3.8 cm) from the top of the unit.
- Tighten the tie wrap until it is securely holding, not pinching, the thermistor wire.
- Reacquire power to the unit to ensure that the new thermistor is installed correctly, the ambiant temperature will be displayed on the display/control board, then turn power off.
- Reassemble the unit in the reverse order.

Troubleshooting Guide
| PROBLEM | CAUSE | SOLUTION |
| General | ||
| Circuit breaker trips or fuse blows when unit is turned on | Short in unit wiring. | Trace wiring in unit. |
| Improper circuit current rating | Additional appliances may exceed the current rating of the circuit breaker or fuse. Plug unit into another outlet or install unit on a dedicated 15 amp circuit. | |
| Lights dim in room while the unit is on | Unit is drawing close to circuit current rating | Move the unit to another outlet or install unit on a dedicated 15 amp circuit |
| Appearance | ||
| Fireplace does not turn on with the manual controls | Improper operation | Refer to Operation section |
| No incoming voltage from the electrical wall socket | Ensure unit is plugged in if applicable.Check fuse/ breaker Panel | |
| Loose wiring | Check wiring connections | |
| Defective switchboard | Replace the switchboard assembly | |
| Defective AC/DC Adapter | Replace the AC/DC Adapter | |
| Defective display/control board | Replace the display/control assembly | |
| Fireplace does not turn on with the Remote Control | Improper operation | Refer to Operation section |
| The batteries in the remote control are dead. | Install new battery into the remote control. | |
| Defective remote control | Replace the remote control | |
| Defective display/control board | Replace the display/control board | |
| Flame Frozen | Loose wiring | Check wiring connections |
| Defective flicker motor | Replace flicker motor | |
| Defective display/control board assembly | Replace the display/control assembly | |
| Flame is not visible | Loose wiring | Check wiring connections |
| Flame LED light assembly is not working | Replace flame LED light assembly | |
| LED driver board is defective | Replace appropriate driver board (controls 1 amber LED strip or 2 amber LED strips) | |
| Defective display/control board | Replace the display/control board | |
| Flame Shudder | Defective flicker motor | Replace flicker motor |
| Media bed does not light up consistently | Build up of static electricity in unit | Unplug the unit for 1 minute then plug the unit back in. |
| Media bed does not light up | Loose wiring | Check wiring connections |
| Media LED light assembly is not working | Replace media LED light assembly | |
| Defective display/control board | Replace the display/control board | |
| Media bed lighting comes on by itself | Defective display/control board | Replace the display/control board |
| PROBLEM | CAUSE | SOLUTION |
| Heater | ||
| Heater is not turning on. but flame effect is still functioning | Improper operation | Refer to Operation section; ensure the heat is turned on. the set temperature is above the ambient temperature. and the heat is not deactivated. |
| Loose wiring | Trace wiring in unit | |
| Defective display/control board | Replace the display/control board | |
| Defective relay board | Replace the relay board | |
| Defective heating element | Replace heating element | |
| Heater is turning off after a couple of minutes of opera- lion | Improper operation | Refer to Operation section; ensure that the set temperature is above the ambient temperature |
| Build up of dirt/dust | Ensure that exterior intake louvers and firebox cavity are free of dirt/dust. Clean with compressed air if needed. | |
| Defective blower | Replace blower | |
| Heater emits an odor | Normal operation | The heater emits an odor for a brief period after the heater is initially turned on. The heater is burning off any dust accumulated during manufacturing or operation. |
| Defective heating element | Replace heating element | |
| Heater fan turns On but heater lacks heat | Loose wiring | Trace wiring in unit |
| Defective heating element | Replace heating element | |
| Heating element is glowing red | Normal Operation | Small glowing sections of the element are considered normal. |
| Defective blower | If larger glowing sections are causing the heater to trip the thermal cutout, unplug unit, discontinue use and replace the blower | |
| Heater fan runs continuously | Loose wiring | Trace wiring in unit |
| Defective display/control board | Replace the display/control board | |
| Defective relay board | Replace relay board | |
| Noise | ||
| Excessive noise with the heater on | Dirty blower or heater intake/exhaust | Ensure that exterior intake louvers and firebox cavity are free of dirt/dust. |
| Defective blower | Replace blower | |
| Grinding or excessive noise with the heater off | Flicker rod hitting or rubbing against internal components | Ensure rod is straight and mounted property in the bracket. spinning freely away from other components. Replace if necessary. |
| Defective flicker motor | Replace flicker motor | |
| REV | PCN | DATE |
| 0 | – | 5-Jan-16 |
| 1 | – | 19-SEP-19 |
| 2 | – | 4-Nov-19 |
| 3 | – | 6-Dec-19 |
| 4 | – | 30-MAR-21 |
| 05 | ECO-000339 | 16-NOV-21 |
| 06 | – | 26-APR-23 |
1-888-346-7539
www.dimplex.com
In keeping with our policy of continuous product improvement, we reserve the right to make changes without notice.
© 2023 Glen Dimplex Americas
www.dimplex.com
















