Dimplex BLF5051 Wall Mounted Electric Fireplace

Product Information
- Model: BLF5051
- UL Part Number: 6909520100
- Manufacturer: Dimplex North America Limited
- Address: 1367 Industrial Road, Cambridge ON Canada N1R 7G8
- Contact Number: 1-888-346-7539
- Website: www.dimplex.com
This product is an electric firebox that can be controlled manually or with a multifunction remote control. It has the following features:
- Standby button to turn the unit on and off
- Flame effect button to turn the flame effect on and off
- Heat ON/OFF button to cycle the unit through low heat, high
heat, and off settings - Intake temperature display on the On Screen Display
- Heater control buttons to increase or decrease the set point
temperature - Color themes button to change the ambient lighting color
combinations of the flame base and media lighting
Product Usage Instructions
Safety Instructions: Always read the service manual before attempting to service this fireplace. Comply with all warnings and safety instructions in the manual to prevent personal injury or property damage.
Installation: Properly install the electric firebox before using it.
Manual Control Usage:
- To turn the unit on and off, press the Standby button on the upper right of the fireplace or use the remote control.
- To turn the flame effect on and off, press the corresponding button on the unit or remote control.
- To cycle the unit through low heat, high heat, and off settings, press the Heat ON/OFF button on the unit or remote control.
- The intake temperature will be displayed on the On Screen Display when any button is pressed for 5 seconds.
- Use the heater control buttons to increase or decrease the set point temperature.
- Pressing the Heat ON/OFF button on the unit or remote control will activate Heat Only Mode. The icon will continuously be displayed on the On Screen Display.
- After the heater is switched off, the fan will continue running for 60 seconds before turning off.
- To disable and enable the heater, press and hold the and buttons on the unit at the same time for 2 seconds.
Remote Control Usage:
- Point the remote towards the Floating DisplayTM for proper operation.
- The remote control has all the same functions as the manual controls.
- Activate the desired function by pressing the corresponding button on the remote.
Ambient Lighting:
- Press the Color Themes button on the unit or remote control to change the ambient lighting color combinations of the flame base and media lighting.
- Repeatedly pressing the Color Themes button will cycle through different presets of color combinations. The last theme of the cycle is a prism where the unit cycles through a variety of colors.
- Pressing the Color Themes button again will stop the cycling and hold the unit on the preferred color. The display will indicate U – Unfreeze or F – Freeze.
IMPORTANT SAFETY INFORMATION: Always read this manual first before attempting to service this fireplace. For your safety, always comply with all warnings and safety instructions contained in this manual to prevent personal injury or property damage.
Dimplex North America Limited
1367 Industrial Road Cambridge ON Canada N1R 7G8
1-888-346-7539 www.dimplex.com
In keeping with our policy of continuous product development, we reserve the right to make changes without notice. © 2015 Dimplex North America Limited
Always use a qualified technician or service agency to repair this fireplace.
NOTE: Procedures and techniques that are considered important enough to emphasize.
CAUTION: Procedures and techniques which, if not carefully followed, will result in damage to the equipment.
WARNING: Procedures and techniques which, if not carefully followed, will expose the user to the risk of fire, serious injury, or death.
OPERATION

WARNING: This electric firebox must be properly in-stalled before it is used.
The unit can be controlled by either the manual controls which are located on the upper right of the fireplace or the remote (Figure 1 & 12).
The fireplace is supplied with an IR multifunction remote control.
NOTE: To operate correctly, the remote control must be pointed towards the Floating DisplayTM.
- A.
Standby
Turns the unit On and Off.
Activated by pressing the Standby button on the remote or the unit.
The unit will turn on with the same functions that it was set to when it was turned Off and the intake temperature will be indicated on the On Screen Display.
NOTE: When any button is pressed the intake tem-perature will be displayed on the On Screen Display for 5 seconds. - B.
Flame Effects
Turns the flame effect On and Off.- Activated by pressing the
button on the remote.
- Activated by pressing the
- C.
Heat ON/OFF
Cycles the unit sequentially through the 3 settings: Low Heat, High Heat and Off.- Activated by pressing the
button on the unit or the remote. - Indicated by the
icon and the intake temperature be-ing displayed on the On Screen Display, for 5 seconds before turning off. - ! NOTE: After the heater is switched off, there is a 60 second fan delay, where the fan will continue running be-fore turning off.
- ! NOTE: The unit can be operated in Heat Only Mode. When the unit is only running with the heater, the
icon will continuously be displayed on the On Screen Display. - ! NOTE: The heater may emit a slight, harmless odor when first used. This odor is a normal condition caused by initial heating of internal heater parts and will not occur again.
- Activated by pressing the

- D & E.
Thermostat Controls
Adjusts the temperature set point to your individual require-ments. Once the desired set temperature is reached the heater will turn off. The heater will cycle on and off to main-tain the desired set temperature. The default temperature setting is 72°F (22°C).- Adjusted by pressing the
to decrease the set point and the
to increase the set point on the unit or the remote - • The On Screen Display will indicate the temperature set point as it is adjusted.
! NOTE: Holding the
and the
buttons down for two seconds, on the unit, will change the temperature from°C to °F, or vice versa.
- Adjusted by pressing the
- Disable Heat
- If desired, depending on the season, the heater on the unit can be disabled. The unit will operate in the same fashion, with remainder of the controls.
Pressing the
buttons on the unit at the same time and holding for 2 seconds will disable and enable the heater. - NOTE: When the heater has been disabled and either the
or the
is pressed the On Screen Display will indicate “–”.
- If desired, depending on the season, the heater on the unit can be disabled. The unit will operate in the same fashion, with remainder of the controls.
- F. Color Themes
Different presets of ambient lighting color combinations contained in the unit.- Changed by repeatedly pressing the corresponding but-ton on the remote or the unit.
- Cycles through the different preset ambient lighting set-tings of the unit, this includes different combinations of colours of the flame base and media lighting.
! NOTE: The last theme of the cycle is a prism where the unit cycles through a variety of colours. Pressing the
button stops the cycling and holds the unit on the preferred color, indicated by a “U” – Unfreeze or a “F” – Freeze on the display.
- G.
Brightness
Changes the brightness of the lights in the unit.- Adjusted by repeatedly pressing the corresponding button on the remote.
- Indicated by the second digit on the Floating Display™ changing to show: “H” (high), and “L” (low).
- H.
Sleep Timer
The Sleep Timer can be set to automatically shut off the fireplace after a preset time (from 30 minutes to 8 hours).- To set the timer press the timer button on either the remote or the unit, repeatedly, until the desired time is displayed.
- • The On Screen Display will display the different times as it is adjusted. Once the timer has begun, pressing the button will display the time remaining before the unit turns Off.
! NOTE: The Sleep Timer can be cancelled at any time by pressing
the button repeatedly until the sleep timer displays nothing.
Resetting the Temperature Cutoff Switch
Should the heater overheat, an automatic cut out will turn the heater off and it will not come back on without being reset. It can be reset by unplugging the unit and waiting 5 minutes before plugging the unit back in.
CAUTION: If you need to continuously reset the heater, unplug the unit and call technical support at 1-888-346-7539.
Remote Control Battery Replacement
To replace the battery:
- Slide battery cover open on the remote control.
- Correctly install one 3 Volt (CR2032 [longer life] or CR2025) battery in the battery holder.
- Close the battery cover.
Battery must be recycled or disposed of properly. Check with your Local Authority or Retailer for recycling advice in your area. Battery must be recycled or disposed of properly. Check with your Local Authority or Retailer for recycling advice in your area.
MAINTENANCE
WARNING: Disconnect power and allow heater to cool before attempting any maintenance or cleaning to reduce the risk of fire, electric shock or damage to persons.
NOTE: The fireplace should not be operated with an accumulation of dust or dirt on or in the unit, as this can cause a build-up of heat and eventual damage. For this reason the heater must be inspected regularly, depending upon conditions and at least at yearly intervals.
Partially Reflective Glass Cleaning
The partially reflective glass is cleaned in the factory during the assembly operation. During shipment, installation, handling, etc., the partially reflective glass may collect dust particles; these can be removed by dusting lightly with a clean dry cloth.
To remove fingerprints or other marks, the partially reflective glass can be cleaned with a damp cloth. The partially reflective glass should be completely dried with a lint-free cloth to prevent water spots. To prevent scratching, do not use abrasive cleaners.
Fireplace Surface Cleaning
Use only a damp cloth to clean painted surfaces of the fireplace. Do not use abrasive cleaners.
Servicing
Except for installation and cleaning described in this manual, an authorized service representative should perform any other servicing.
EXPLODED PARTS DIAGRAM

Replacement Parts List
- Element ……………………2200510500RP
- Partially Reflective Glass ……….5901920100RP
- Blower …………………….5300260100RP
- Front Glass …………………5901930100RP
- Power Cord Mod 0 ……………4100040900RP
Mod A ……………4100190400RP - Flicker Motor ………………..2000500100RP
- Flicker Assembly …………….5901910100RP
- Cutout …………………….2300201700RP
- LED Light Panel ……………..3000830200RP
- Switch Board ………………..3001480100RP
- LED Driver Board …………….3000810100RP
- Remote Control ………………6700520200RP
- Floating Display™ Assembly …….3001470100RP
- Media LED Light Assembly ………3001330500RP
- Electronics Junction Board ………3001490100RP
- Main Control Board ……………3001260200RP
- Thermistor …………………3001380200RP
- Relay Board ………………..3001360100RP
- Hardware Kit ………………..9600350100RP
- Large Ice Chunk Media …………1400130200RP
- Small Ice Crystal Media ………..1400150100RP
- Front Glass Mounting Hardware …. .9600420100RP
OEM Accessory
River Rocks ………………………..DFS1314 Driftwood Accessory Kit …………….LF50DWS-KIT
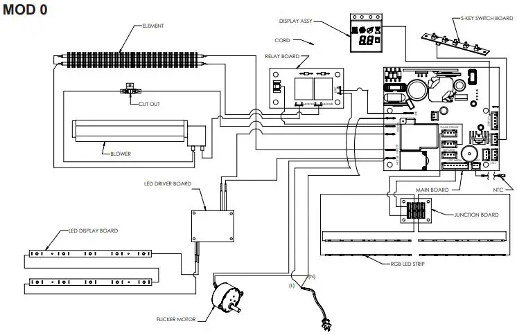
WIRING DIAGRAM
MOD 0

MOD A

PREPARATION FOR SERVICE
NOTE: All components are replaceable from the front of the fireplace while the unit is mounted on the wall, with the exception of replacement of the power cord.
NOTE: If the power cord needs replacing or if the unit needs to be removed from the wall for any other reason please begin service by following the “PREPARATION FOR SERVICE” instructions, then move on to the section “IN-STRUCTIONS FOR REMOVING FROM WALL”.
Tools Required: Philips head screwdriver
WARNING: Disconnect power before attempting any maintenance or cleaning to reduce the risk of electric shock or damage to persons.
CAUTION: If unit was operating prior to servicing allow at least 10 minutes for lights and heating elements to cool off to avoid accidental burning of skin.
- Disconnect power source.
• Unplug the fireplace from the outlet.
• If unit has been hardwired for power or outlet is not accessible from the front, turn the breaker off at the electrical panel. - Remove the front glass assembly by removing the 2 screws (1 on the left and 1 on the right side, located just inside the top front vent opening). These screws secure the front glass panel to the inside of the fire-place. (Figure 4)
- Lift the front glass assembly off of the 4 mounts located between the outer and inner casing of the fireplace: 2 on the left and 2 on the right. (Figure 3) Carefully place the glass assembly aside in a safe location.
- Remove the decorative glass ember-bed pieces from the media tray, which lies along the bottom of the inter-ior Partially Reflective Glass. A medium sized container such as a bucket or a box will be needed to keep the glass ember-bed pieces together.
- Remove the Partially Reflective Glass by removing the 2 screws on each bracket; (2-brackets in total), located on the left and right side of the Partially Reflective Glass.
- With one hand gently supporting the Partially Reflective Glass, carefully pry the Partially Reflective Glass for-ward from the upper half so that it begins to tilt forward from the top. Grasp the Partially Reflective Glass from the sides and carefully lift it up and out from the front of the fireplace. Set it aside in a safe place.
CAUTION: Partially Reflective Glass is not tempered.
Do not bump or drop the Partially Reflective Glass to avoid breakage and personal injury. - Proceed to the instructions within this manual relating to the repair being performed – see Table of Contents for page number.


INSTRUCTIONS FOR REMOVING FROM WALL
WARNING: Disconnect power before attempting any maintenance or cleaning to reduce the risk of electric shock or damage to persons.
CAUTION: If unit was operating prior to servicing allow at least 10 minutes for lights and heating elements to cool off to avoid accidental burning of skin.
NOTE: Only required for replacement of the power cord or removal from service.
CAUTION: Follow “Preparation for Service” instructions before proceeding. Mounting – The fireplace may be mounted in one of 3 methods:
- Surface Mount
- Recess Mount (partially in the wall)
- Flush Mount (completely in the wall)
Identify the type of mounting and follow the appropriate instructions in the following pages. (See Figure 5 for the top and side profile view with measurements of the back panel).
CAUTION: Two people will be required for removal and re-installation of the fireplace. The unit is approx. 50 5/16”w x 19 1/2”h x 7”d. Weight is approximately 75lbs.
NOTE: If fireplace is hard wired directly to the electrical panel, and there is not enough slack in the wires within the wall to reach your work area, remove the electrical junc-tion box cover located on the bottom right by removing the 1 screw on the front of the cover. Lift the cover off and set aside. Disconnect the 3 wire connectors connected to the power source, taking note of their original configuration.

Surface Mount
(Figure 6)
Tools Required: Philips head screwdriver
CAUTION: Follow “Preparation for Service” instructions before proceeding.
- Partially unscrew the rear mounting screws that are holding the fireplace to the wall along the back panel of the unit. Support the weight of the fireplace when loosening the screws so unit does not fall off the wall unexpectedly.
! NOTE: Be sure to take note of which keyhole mount openings were used for positioning the fireplace so that it can be re-placed in the same location when service is complete. (Figure 6) - Take the fireplace off the wall by carefully lifting the fireplace off the mounting screws so they line up to the larger part of the keyhole openings and pull forward. Carefully lay the unit down on a solid flat surface with the front of the unit facing up.
! NOTE: If the surface you are using as a work area on is a finished surface that is prone to scratches (i.e. hard-wood flooring), it is recommended that a protective barrier be used underneath, (i.e. cloth, cardboard, thick plastic). - Proceed to the instructions within this manual relating to the repair being performed – see Table of Contents for page number.
- Once repair is complete, reassemble in the reverse order as above.

Recessed Mount – Partial In-wall
(Figure 7)
Tools Required: Philips head screwdriver
CAUTION: Follow “Preparation for Service” instructions before proceeding.
- Remove the 4 mounting screws located approximately 3 inches deep in the space between the outer and inner casing on the left and right hand side. There are 2 screws per side, upper and lower going into a stud. (Figure 8)

CAUTION: The fireplace should be supported while removing the screws to prevent the unit from falling. - Remove the fireplace out of the opening by slightly lift-ing and pulling forward.
- Carefully lay the unit down on a solid flat surface with the front of the unit facing up.
! NOTE: If the surface you are using as a work area is a finished surface that is prone to scratches (i.e. hardwood flooring), it is recommended that a protective barrier be used underneath, (i.e. cloth, cardboard, thick plastic). - Proceed to the instructions within this manual relating to the repair being performed – see Table of Contents for page number.
- Once repair is complete, reassemble in the reverse order as above.

Flush Mount – Complete In-wall
(Figure 9)
Tools Required: Philips head screwdriver
CAUTION: Follow “Preparation for Service” instructions before proceeding.
- Locate and remove the 4 mounting screws inside the unit located on left and right side towards the front. There are 2 screws per side, going from the side panels out into the side of the wall stud that frames the fireplace. (Figure 9)
- Remove the fireplace out of the opening by slightly lift-ing and pulling forward.
Carefully lay the unit down on a solid flat surface with the front of the unit facing up.
! NOTE: If the surface you are using as a work area is a finished surface that is prone to scratches (i.e. hardwood flooring), it is recommended that a protective barrier be used underneath, (i.e. cloth, cardboard, thick plastic). - Proceed to the instructions within this manual relating to the repair being performed – see Table of Contents for page number.
- Once repair is complete, reassemble in the reverse order as above.

LED LIGHT STRIPS REPLACEMENT
WARNING: Disconnect power before attempting any maintenance or cleaning to reduce the risk of electric shock or damage to persons.
CAUTION: If unit was operating prior to servicing allow at least 10 minutes for lights and heating elements to cool off to avoid accidental burning of skin.
Tools required: Phillips head screwdriver
Wire snips
CAUTION: Follow “Preparation for Service” instructions before proceeding.
- Remove the plastic media tray by removing the 6
- Remove the plastic media tray by removing the 6 screws: 3 on the left and 3 on the right of the tray.
(Figure 10) - Partially release the lower face panel, by removing the screw on the left side and on the right side of the panel, inside the unit. Pull the front panel forward from the topside by approximately 2” inches. There are 3 additional screws located underneath the front face but do not need to be removed. There should be enough “give” to allow the panel to pull slightly forward.
- The tray has a small lip that goes underneath and slightly up behind the Partially Reflective Glass – from the front edge, pull the tray up and forward to take it out of the fireplace.
- Locate the LED media strip to be replaced.
- Remove the LED strips by pushing in the center of the stand-off to release the inner stand. The inner stand can then be removed from the unit and the LED strip can be pulled off of the remaining part.
- Install the new board onto the unit and reinstall the in-ner stand into the standoffs to secure the LED strip to the unit.
- Trace the connector from the board location to the elec-tronics junction board, remove the old connection and replace with the new connector.
- Ensure that all cords are replaced in the same manner as prior to the service.
- Reassemble in the reverse order as above.
LED MEDIA STRIPS REPLACEMENT
- WARNING: Disconnect power before attempting any maintenance or cleaning to reduce the risk of electric shock or damage to persons.
CAUTION: If unit was operating prior to servicing allow at least 10 minutes for lights and heating elements to cool off to avoid accidental burning of skin.
Tools required: Phillips head screwdriver
Wire snips
CAUTION: Follow “Preparation for Service” instructions before proceeding.
- Remove the plastic media tray by removing the 6 screws: 3 on the left and 3 on the right of the tray.
(Figure 10) - Partially release the lower face panel, by removing the screw on the left side and on the right side of the panel, inside the unit. Pull the front panel forward from the topside by approximately 2” inches. There are 3 additional screws located underneath the front face but do not need to be removed. There should be enough “give” to allow the panel to pull slightly forward.
- The tray has a small lip that goes underneath and slightly up behind the Partially Reflective Glass – from the front edge, pull the tray up and forward to take it out of the fireplace.
- Locate the LED media strip to be replaced.
- Remove the LED strips by pushing in the center of the stand-off to release the inner stand. The inner stand can then be removed from the unit and the LED strip can be pulled off of the remaining part.
- Install the new board onto the unit and reinstall the in-ner stand into the standoffs to secure the LED strip to the unit.
- Trace the connector from the board location to the elec-tronics junction board, remove the old connection and replace with the new connector.
- Ensure that all cords are replaced in the same manner as prior to the service.
- Reassemble in the reverse order as above.
WARNING: Disconnect power before attempting any maintenance or cleaning to reduce the risk of electric shock or damage to persons.
CAUTION: If unit was operating prior to servicing allow at least 10 minutes for lights and heating elements to cool off to avoid accidental burning of skin.
Tools required: Phillips head screwdriver
Wire snips
CAUTION: Follow “Preparation for Service” instructions before proceeding.
- Locate the Electronics Junction board. (Figure 12)
- Remove the board by pinching the plastic mounting tabs with needle nose pliers. Pull the old board off.
- Install the new board onto the unit.
- Transfer the connections from the old board to the new board.

- Ensure that all cords are replaced in the same manner as prior to the service.
- Reassemble in the reverse order as above.
FLOATING DISPLAY ASSEMBLY REPLACEMENT
WARNING: Disconnect power before attempting any maintenance or cleaning to reduce the risk of electric shock or damage to persons.
CAUTION: If unit was operating prior to servicing allow at least 10 minutes for lights and heating elements to cool off to avoid accidental burning of skin.
Tools required: Phillips head screwdriver
CAUTION: Follow “Preparation for Service” instructions before proceeding.
- Locate the floating display assembly. (Figure 12)
- Remove the 2 screws securing the board to the mount-ing bracket.
- Install the new board onto the unit.
- Trace the connector from the assembly location to the electronics junction board, remove the old connection and replace with the new connector.
- Ensure that all cords are replaced in the same manner as prior to the service.
- Reassemble in the reverse order as above.
LED DRIVER BOARD REPLACEMENT
WARNING: Disconnect power before attempting any maintenance or cleaning to reduce the risk of electric shock or damage to persons.
CAUTION: If unit was operating prior to servicing allow at least 10 minutes for lights and heating elements to cool off to avoid accidental burning of skin.
Tools required: Phillips head screwdriver

CAUTION: Follow “Preparation for Service” instructions before proceeding.
- In the upper right hand corner of the unit, above the floating display board, locate the control board cover panel and remove the 2 securing screws. (Figure 11)
- Locate the LED driver board. (Figure 12)
- Remove the board by pinching the plastic mounting tabs with needle nose pliers. Pull the old board off.
- Install the new board onto the unit.
- Transfer the connections from the old board to the new board.
- Ensure that all cords are replaced in the same manner as prior to the service.
- Reassemble in the reverse order as above.
MAIN CONTROL BOARD REPLACEMENT
WARNING: Disconnect power before attempting any maintenance or cleaning to reduce the risk of electric shock or damage to persons.
CAUTION: If unit was operating prior to servicing allow at least 10 minutes for lights and heating elements to cool off to avoid accidental burning of skin.
Tools required: Phillips head screwdriver
CAUTION: Follow “Preparation for Service” instructions before proceeding.
- In the upper right hand corner of the unit, above the floating display board, locate the control board cover panel and remove the 2 securing screws. (Figure 11)
- Locate the main control board. (Figure 12)
- Remove the board by pinching the plastic mounting tabs with needle nose pliers. Pull the old board off.
- Install the new board onto the unit.
- Transfer the connections from the old board to the new board.
- Ensure that all cords are replaced in the same manner as prior to the service.
- Reassemble in the reverse order as above.
RELAY BOARD REPLACEMENT
WARNING: Disconnect power before attempting any maintenance or cleaning to reduce the risk of electric shock or damage to persons.
CAUTION: If unit was operating prior to servicing allow at least 10 minutes for lights and heating elements to cool off to avoid accidental burning of skin.
Tools required: Phillips head screwdriver
CAUTION: Follow “Preparation for Service” instructions before proceeding.
- In the upper right hand corner of the unit, above the floating display board, locate the control board cover panel and remove the 2 securing screws. (Figure 11)
Locate the relay board. (Figure 12) - Remove the board by pinching the plastic mounting tabs with needle nose pliers. Pull the old board off.
- Install the new board onto the unit.
- Transfer the connections from the old board to the new board.
- Ensure that all cords are replaced in the same manner as prior to the service.
- Reassemble in the reverse order as above.
THERMISTOR REPLACEMENT
WARNING: Disconnect power before attempting any maintenance or cleaning to reduce the risk of electric shock or damage to persons.
CAUTION: If unit was operating prior to servicing allow at least 10 minutes for lights and heating elements to cool off to avoid accidental burning of skin.
Tools required: Phillips head screwdriver
CAUTION: Follow “Preparation for Service” instructions before proceeding.
- In the upper right hand corner of the unit, above the floating display board, locate the control board cover panel and remove the 2 securing screws. (Figure 11)
- Locate the thermistor on the outside of the control board housing, to the right. (Figure 12)
- Remove the board by pinching the plastic mounting tabs with needle nose pliers. Pull the old board off.
- Install the new board onto the unit.
- Follow the cable back to the main control board and disconnect the old thermistor and connect the new cable.
- Ensure that all cords are replaced in the same manner as prior to the service.
- Reassemble in the reverse order as above.
SWITCHBOARD REPLACEMENT
WARNING: Disconnect power before attempting any maintenance or cleaning to reduce the risk of electric shock or damage to persons.
CAUTION: If unit was operating prior to servicing allow at least 10 minutes for lights and heating elements to cool off to avoid accidental burning of skin
Tools required:
- Phillips head screwdriver
- Small adjustable wrench
CAUTION: Follow “Preparation for Service” instructions before proceeding.
- In the upper right hand corner of the unit, above the floating display board, locate the switchboard cover panel and remove the 5 securing screws – 3 along the bottom front edge and 2 on either end. (Figure 11)
- Locate the switchboard. (Figure 12)
- Remove the 2 small nuts securing the switchboard to the unit, on either end.
- Install the new board onto the unit.
- Transfer the connection from the old board to the new board.
- Ensure that all cords are replaced in the same manner as prior to the service.
- Reassemble in the reverse order as above.
FLICKER MOTOR/FLICKER ROD REPLACEMENT
WARNING: Disconnect power before attempting any maintenance or cleaning to reduce the risk of electric shock or damage to persons.
CAUTION: If unit was operating prior to servicing allow at least 10 minutes for lights and heating elements to cool off to avoid accidental burning of skin.
Tools required:
- Phillips head screwdriver Short handled
- Phillips head screwdriver
CAUTION: Follow “Preparation for Service” instructions before proceeding.
- Remove the plastic media tray by removing the 6 screws: 3 on the left and 3 on the right of the tray.
(Figure 10) - Partially release the lower face panel, by removing the screw on the left side and on the right side of the panel, inside the unit. Pull the front panel forward from the topside by approximately 2” inches. There are 3 additional screws located underneath the front face but do not need to be removed. There should be enough “give” to allow the panel to pull slightly forward.
- The tray has a small lip that goes underneath and slightly up behind the Partially Reflective Glass – from the front edge, pull the tray up and forward to take it out of the fireplace.
- Remove the 2 screws that secure the media tray support to the unit and lift the tray support out being cautious of the media LED light strip wiring.
- Remove the electrical junction box cover located on the bottom right hand side by removing the screw on the small mounting-flange on the front face of the junction box cover.
- Carefully slide the electrical box to the right to release the securing tabs, as wires are fed through the strain reliefs on the cover and are connected within.
- a) If the new and old flicker motors have 3 wires: dis-connect the wiring connections from the terminal block noting their original locations and install the new motor similarly.
b) If the old flicker motor has 3 wires and the new flicker motor has 2 wires: disconnect the wiring con-nections and the capacitor, install the 2 wires in the two holes where the capacitor was installed.
c) If the old and new flicker motors both have two wires, cut the wires approximately 1 in (25.4 mm) from the hole that the wires pass to the top of the unit, strip off 1/2 in (12.7 mm) the end of each wire and insert the end of the wire from the flicker motor and the wire from the unit (ensure the colours correspond), into the provided connectors and with pliers squeeze to make the connection. - Remove the 2 screws holding the flicker motor to the mounting bracket. Gently pull the motor away from the
flicker rod.
CAUTION: When removing and replacing the flicker mo-tor try to keep any slight bending of the flicker rod minimal so as to not damage it. If flicker rod is damaged, it should be replaced to ensure proper operation. - Properly orient the new flicker motor onto the motor bracket and re-attach with the 2 mounting screws.
- Reassemble in the reverse order as above.
ELEMENT REPLACEMENT
WARNING: Disconnect power before attempting any maintenance or cleaning to reduce the risk of electric shock or damage to persons.
CAUTION: If unit was operating prior to servicing allow at least 10 minutes for lights and heating elements to cool off to avoid accidental burning of skin.
Tools required: Phillips head screwdriverShort handled Phillips head screwdriver Needle nosed pliers.
Wire Snips
3/8” ratchet or wrench
CAUTION: Follow “Preparation for Service” instructions before proceeding.
- Remove the 5 screws that secure the angled switch housing cover located just below the Remote Switch-board on the top right. Remove cover and set aside.
- Loosen the front panel that spans across the top front facia. To do so, locate the 4 screws: 2 on the left and 2 right on the angled part behind the facia. This peice can be removed by turning it 90 degrees and allowing the glass mounting screw slide through the slot in the backside of the panel.
- Remove the heating assembly cover in the top center by removing the 6 screws on the side brackets: 3 on the left and 3 on the right (at the front). Wires from the switch housing are connected through this piece, so carefully move it farther down in the body of the unit, to give some room to access the heating assembly hous-ing.
- Release the top panel of the heating assembly hous-ing by removing 4 screws on the side brackets. Pull the top panel of the heating assembly housing out from between the brackets.
- From the top panel of the heating assembly housing, remove the 4 screws that hold the element cover to the housing panel.
- Disconnect wires from the ends of the elements noting their original locations.
! NOTE: Using a flat head screwdriver gently pry be-tween the end of the connectors and the element to release the wires.
NOTE: Some of the wires may have a “piggy-back” connector that allows a second wire to connect to the same prong as the first wire. Try and keep the “piggy-back” con-nection together when pulling the wires off the element. - Using a 3/8” ratchet or wrench remove the hex head screw from both sides of the element. Remove ele-ments from the element housing and replace with the new elements.
- Reassemble in the reverse order as above. CAUTION: When re-installing covers and panels, be sure the wires are guided and tucked into the proper open-ings along the right side so they are not pinched and allows enough space to reinstall panel.
HIGH TEMPERATURE CUTOUT RE-PLACEMENT
WARNING: Disconnect power before attempting any maintenance or cleaning to reduce the risk of electric shock or damage to persons.
CAUTION: If unit was operating prior to servicing allow at least 10 minutes for lights and heating elements to cool off to avoid accidental burning of skin.
Tools required: Phillips head screwdriver Needle nosed pliers Wire Snips
CAUTION: Follow “Preparation for Service” instructions before proceeding.
- Remove the 5 screws that secure the angled switch housing cover located just below the Remote Switch-board on the top right. Remove cover and set aside.
- Loosen the front panel that spans across the top front facia. To do so, locate the 4 screws: 2 on the left and 2 right on the angled part behind the facia. This piece can be removed by turning it 90 degrees and allowing the glass mounting screw slide through the slot in the backside of the panel.
- Remove the heating assembly cover in the top center by removing the 6 screws on the side brackets: 3 on the left and 3 on the right (at the front). Wires from the switch housing are connected through this piece, so carefully move it farther down in the body of the unit, to give some room to access the heating assembly hous-ing.
- Release the top panel of the heating assembly hous-ing by removing 4 screws on the side brackets. Pull the top panel of the heating assembly housing out from between the brackets.
- Locate the high temperature cutout and remove the mounting screw.
- Disconnect the wiring connections noting their original locations.
! NOTE: Using a flat head screwdriver gently pry be-tween the end of the connectors and the cutout to release the wires. - Cut and remove plastic cable tie that hold the wires in place on the top of the panel.
- Properly orient the new high temperature cutout and connect all of the wiring connections.
- Reassemble in the reverse order as above.
BLOWER/FAN REPLACEMENT
WARNING: Disconnect power before attempting any maintenance or cleaning to reduce the risk of electric shock or damage to persons.
CAUTION: If unit was operating prior to servicing allow at least 10 minutes for lights and heating elements to cool off to avoid accidental burning of skin.
Tools required: Phillips head screwdriver.
Needle nosed pliers.
CAUTION: Follow “Preparation for Service” instructions before proceeding.
- Remove the 5 screws that secure the angled switch housing cover located just below the Remote Switch-board on the top right. Remove cover and set aside.
- Loosen the front panel that spans across the top front facia. To do so, locate the 4 screws: 2 on the left and 2 right on the angled part behind the facia. This piece can be removed by turning it 90 degrees and allowing the glass mounting screw slide through the slot in the backside of the panel.
- Remove the heating assembly cover in the top center by removing the 6 screws on the side brackets: 3 on the left and 3 on the right (at the front). Wires from the switch housing are connected through this piece, so carefully move it farther down in the body of the unit, to give some room to access the heating assembly hous-ing.
- Release the top panel of the heating assembly hous-ing by removing 4 screws on the side brackets. Pull the top panel of the heating assembly housing out from between the brackets.
- From the top panel of the heating assembly housing, locate and remove the 6 screws that hold the blower/fan assembly to the housing panel. Separate the blower assembly from the housing panel.
CAUTION: When removing the blower assembly mount-ing screws support the assembly to prevent any damage to the unit. - Disconnect the wiring connections noting their original locations.
! NOTE: Using a flat head screwdriver gently pry be-tween the end of the connectors and the blower/fan to release the wires. - Properly orient the new blower/fan assembly and con-nect all of the wiring connections.
- Reassemble in the reverse order as above.
POWER CORD REPLACEMENT
WARNING: Disconnect power before attempting any maintenance or cleaning to reduce the risk of electric shock or damage to persons.
CAUTION: If unit was operating prior to servicing allow at least 10 minutes for lights and heating elements to cool off to avoid accidental burning of skin.
Tools required: Phillips head screwdriver.
Needle nosed pliers.
CAUTION: Follow “Preparation for Service” instructions before proceeding.
CAUTION: Follow “Instructions from Removing from Wall” before proceeding.
- Locate the power cord and remove the 3 screws that attach the metal bracket to the unit – one on the back of the unit and two on the bottom. (Figure 4)
- From the front, remove the 2 Philips screws that fasten the front panel tabs, tilt the panel forward and lift off.
(Figure 10) - Remove the 4 screws that fasten the acrylic media tray and the 2 screws that attach the media tray to the unit. The media tray cannot be removed but will now allow the ability to remove the electrical box.
- Remove the Phillips screw to release the electrical box cover in the bottom, right corner of the fireplace (Figure 5).
- Carefully slide the electrical box to the right to release the securing tabs, as wires are fed through the strain reliefs on the cover and are connected within.
- Unscrew the two wire connectors inside the electrical box and separate the wires (Figure 6).
- Pull the junction box and power cord out the front of the fireplace.
- With a pair of needle nose pliers, open the strain relief bushing that holds the power cord in place on the junc-tion box and remove the cord.
- Feed the new power cord through the junction box and squeeze the new strain relief in place on the cord and junction box. Re-connect wires. –(Wide blade on the plug is the neutral side of the power cord).
- Reassemble in the reverse order as above.
TROUBLESHOOTING GUIDE
| PROBLEM | CAUSE | SOLUTION | PART NUMBER |
| General | |||
| Circuit breaker trips or fuse blows when unit is turned on | Short in unit wiring. | Trace wiring in unit. | |
| Improper circuit current rating | Additional appliances may exceed the current rating of the circuit breaker or fuse. Plug unit into another outlet or install unit on a dedicated 15 amp circuit. | ||
| Lights dim in room while the unit is on | Unit is drawing close to circuit current rating | Move the unit to another outlet or install unit on a dedicated 15 amp circuit | |
| Power cord gets warm | Normal Operation | The power cord may get slightly warm to the touch when the heater is on | |
| Defective power cord | Replace power cord if cord gets hot to the touch. | 4100040900RP | |
| Appearance | |||
| Fireplace does not turn on with the manual controls | Improper operation | Refer to Operation Section | |
| No incoming voltage from the electrical wall socket | Check Fuse/Breaker Panel | ||
| Loose wiring | Check wiring connections | ||
| Defective switchboard | Replace the switchboard assembly | 3001480100RP | |
| Fireplace does not turn on with the Remote Control | Improper operation | Refer to Operation Section | |
| The batteries in the remote con- trol are dead. | Install new battery into the remote control. | ||
| Defective remote control | Replace the remote control | 6700520200RP | |
| Defective display/control board assembly | Replace the display/control assembly | 3001470100RP | |
| Flame Frozen | Loose wiring | Check wiring connections | |
| Defective Flicker Motor | Replace Flicker Motor | 2000500100RP | |
| Defective display/control board assembly | Replace the display/control assembly | 3001470100RP | |
| Flame is not visible | Loose wiring | Check wiring connections | |
| Flame LED light assembly is not working | Replace flame LED light assembly | 3000830200RP | |
| Defective display/control board assembly | Replace the display/control assembly | 3001470100RP | |
| Flame Shudder | Defective Flicker Motor | Replace Flicker Motor | 2000500100RP |
| Media bed does not light up consistently | Build up of static electricity in unit | Unplug the unit for 1 minute then plug the unit back in. | |
| Media bed does not light up | Loose wiring | Check wiring connections | |
| Media LED light assembly is not working | Replace media LED light assembly | 3001330500RP | |
| Defective display/control board | Replace the display/control board | 3001470100RP | |
| Media bed lighting comes on by itself | Defective display/control board | Replace the display/control board | 3001470100RP |
| PROBLEM | CAUSE | SOLUTION | PART NUMBER |
| Heater | |||
| Heater is not turning on, but flame effect is still function- ing | Improper operation | Refer to Operation Section | |
| Loose wiring | Trace wiring in unit | ||
| Defective display/control board | Replace the display/control board | 3001470100RP | |
| Defective Heating Element | Replace Heating Element | 2200510500RP | |
| Heater is turning off after a couple of minutes of opera- tion | Improper operation | Refer to Operation Section | |
| Build up of dirt/dust in Heater Assembly | Ensure that exterior intake louvers and firebox cavity are free of dirt/dust. | ||
| Defective Heating Element | Replace Heating Element | 2200510500RP | |
| Heater emits an odor | Normal Operation | Normal operation is when the heater emits an odor for a brief period after the heater is initially turned on. The heater is burning off any dust accumulated during manufacturing or operation. | |
| Defective Heating Element | Replace Heating Element | 2200510500RP | |
| Heater fan turns On but heater lacks heat | Improper operation | Refer to Operation Section | |
| Loose wiring | Trace wiring in unit | ||
| Defective Heating Element | Replace Heating Element | 2200510500RP | |
| Heating element is glowing red | Normal Operation | Small glowing sections of the element are considered normal. | |
| Defective Heating Element | If larger glowing sections are causing the heater to trip the thermal cutout, unplug unit, discontinue use and replace the heat- ing element | 5300260100RP | |
| Heater fan runs continu- ously | Loose wiring | Trace wiring in unit | |
| Defective Remote Switchboard | Replace Remote Switchboard | 3001480100RP | |
| Defective Blower/Fan | Replace Blower/Fan | 5300260100RP | |
| Noise | |||
| Excessive noise with the heater on | Dirty Heater Assembly | Ensure that exterior intake louvers and firebox cavity are free of dirt/dust. | |
| Defective Blower/Fan | Replace Blower/Fan | 5300260100RP | |
| Grinding or excessive noise with the heater off | Flicker rod hitting or rubbing against internal components | Ensure rod is straight and mounted properly in the bracket, spinning freely away from other components. Replace if necessary. | |
| Defective Flicker Motor | Replace Flicker Motor | 2000500100RP | |


























