Dimplex BLF5051-AU/ PRISM 50 Inch Wall Mounted Electric Fireplace

Always use a qualified technician or service agency to repair this fireplace.
NOTE: Procedures and techniques that are considered important enough to emphasize.
CAUTION: Procedures and techniques which, if not carefully followed, will result in damage to the equipment.
WARNING: Procedures and techniques which, if not carefully followed, will expose the user to the risk of fire, serious injury, or death.
Welcome & Congratulations
Thank you and congratulations for choosing to purchase an electric fireplace from Dimplex, the world leader in electric fireplaces.
Please carefully read and save these instructions.
CAUTION: Read all instructions and warnings carefully before starting installation. Failure to follow these instructions may result in a possible electric shock, fire hazard and will void the warranty. Please record your model and serial numbers below for future reference: model and serial numbers can be found on the Model and Serial Number Label of your fireplace.
NO NEED TO RETURN TO THE STORE
Questions With the Assembly?Require Parts Information?
Product Under Manufacturer’s Warranty?
Call 1300 556 816
Please have your model number and product serial number ready. (See below)
IMPORTANT SAFETY INSTRUCTIONS
Read all instructions before using this appliance.
When using electrical appliances, basic precautions should always be followed to reduce the risk of fire, electrical shock and injury to persons, including the following:
- If the appliance is damaged, check with the supplier before installation and operation.
- Do not use outdoors.
- Do not use in the immediate surroundings of a bath, shower or swimming pool.
- Do not locate the appliance immediately below a fixed socket outlet or connection box.
- This appliance is not intended for use by persons (including children) with reduced physical, sensory or mental capabilities, or lack of experience and knowledge, unless they have been given supervision or instruction concerning use of the appliance by a person responsible for their safety. Cleaning and user maintenance shall not be made by Children.
- Do not use this appliance in series with a thermal control, a program controller, a timer or any other device that switches on the heat automatically, since a fire risk exists when the appliance is accidentally covered or displaced.
- This appliance is not equipped with a device to control the room temperature. Do not use this appliance in small rooms when they are occupied by persons not capable of leaving the room on their own, unless constant supervision is provided.
- Ensure that furniture, curtains or other combustible material are positioned no closer than 1 metre from the appliance.
- In the event of a fault unplug the appliance.
- Unplug the appliance when not required for long periods.
- Although this appliance complies with safety standards, we do not recommend its use on deep pile carpets or on long hair type of rugs.
- The appliance must be positioned so that the plug is accessible.
- If the supply cord is damaged it must be replaced by the manufacturer or service agent or a similarly qualified person in order to avoid a hazard.
- Keep the supply cord away from the front of the appliance.
WARNING: In order to avoid overheating, do not cover the appliance. Do not place material or garments on the appliance, or obstruct the air circulation around the appliance, for instance by curtains or furniture, as this could cause overheating and a fire risk.
WARNING: In order to avoid a hazard due to inadvertent resetting of the thermal cut-out, this appliance must not be supplied through an external switching device, such as a timer, or connected to a circuit that is regularly switched on and off by the utility.
CAUTION: Some parts of this product can become very hot and cause burns. Particular attention has to be given where children and vulnerable people are present.
It is necessary to allow disconnection of the appliance from the supply after installation. The disconnection can be achieved by having the plug accessible or by incorporating a switch in the fixed wiring in accordance with the wiring rules.
WARNING: The heater must not be used if the glass panels are damaged.
WARNING: KEEP BATTERIES OUT OF REACH OF CHILDREN
- Swallowing may lead to serious injury in as little as 2 hours or death, due to the chemical burns and potential perforation of the oesophagus.
- If you suspect your child has swallowed or inserted a button battery immediately call the 24-hour Poisons Inforation Centre on 13 11 26 (in Australia) or 0800 764 766 (in New Zealand) for fast, expert advice.
- Examine devices and make sure the battery compartment is correctly secured, e.g. that the screw or other mechanical fastener is tightened. Do not use if the compartment is not secure.
- Dispose of used button batteries immediately and safely. flat batteries can still be dangerous.
The heater carries the Warning Symbol indicating that it must not be covered
SAVE THESE INSTRUCTIONS
Quick Reference Guide
- The electrical information regarding your electric fireplace can be found on the rating label located on the front of the unit, behind the glass.
Before installation, please record your fireplace’s serial number below for future reference. - If you have any technical questions or concerns regarding the operation of your electric fireplace, or require service contact customer service.
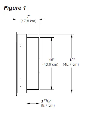
- For dimensions of your fireplace, refer to Figure 1.


Fireplace Installation
Site Selection
Review and consider all of the following conditions for installation:
- Dimensions of the unit: 128cm x 49.5cm
- Unit requires a minimum of two (2) wall studs in order to ensure a secure installation
Three possible installation methods:
- Installation method: Surface mount; In-wall Recessed; or Flush mount
WARNING: Ensure the power cord is not installed so that it is pinched or against a sharp edge and ensure that the power cord is stored or secured to avoid tripping or snagging to reduce the risk of fire, electric shock or injury to persons.
Construction and electrical outlet wiring must comply with local building codes and other applicable regulations to reduce the risk of fire, electric shock and injury to persons.
- Select a location that is not susceptible to moisture and is away from drapes, furniture and high traffic.
- For ease of electrical hook up you may wish to locate the fireplace near an existing outlet (for plug-in convenience).
NOTE 1: A 10 Amp, 230 Volt circuit is required. A dedicated circuit is preferred but not essential in all cases. A dedicated circuit will be required if, after installation, the circuit breaker trips or fuse blows on a regular basis when the heater is operating. Additional appliances on the same circuit may exceed the current rating of the circuit breaker. - Remove fireplace, front glass and hardware from box and remove all packaging materials before installation.
- Store the fireplace in a safe, dry and dust free location until you are ready to install the fireplace.
- Means for disconnection must be incorporated in the fixed wiring in accordance with wiring rules.
The fireplace is packaged with a plug installed for plug-in convenience. Hard wiring the fireplace is also an option by removing the plug from the factory fitted cord and completing the wiring according to National and Local Elecrical Codes.
The appliance must be fitted with means for disconnection from the supply mains having a contact separation in all poles that provide
full disconnection under overvoltage category III conditions, and these means must be incorporated in the fixed wiring in accordance with the wiring rules.
WARNING: Do not attempt to wire your own new outlets or circuits. To reduce the risk of fire, electric shock or injury to persons, always use a licensed electrician.
Surface Installation
CAUTION: Two people may be required for various steps of this procedure.
- Choose a location for mounting the unit.
- Choose your method of supplying power to the unit:
- Plug in to an existing outlet or install an outlet nearby.

- Hard wire the fireplace.
- Plug in to an existing outlet or install an outlet nearby.
NOTE: Hard wiring can be done by removing the plug from the factory fitted cord and completing the wiring according to National and Local Elecrical Codes.
The appliance must be fitted with means for disconnection from the supply mains having a contact separation in all poles that provide full disconnection under overvoltage category III conditions, and these means must be incorporated in the fixed wiring in accordance with the wiring rules.
WARNING: Do not attempt to wire your own new outlets or circuits. To reduce the risk of fire, electric shock or injury to persons, always use a licensed electrician.
Ensure that the 3-Position Switch is set to the Off position (“O”) and that the circuit on which the fireplace is to be installed has the power cut off at the service panel until installation is complete.
- Remove the partially reflective glass from the fireplace:
- Lay fireplace on its back.
- Remove two (2) Phillips screws from each of the two ass brackets (Figure 2).
- Remove glass brackets.
- With one hand keeping pressure on the partially reflective glass, tilt the fireplace upright and slightly forward to allow the partially reflective glass to fall out of the inside framing.
- Remove partially reflective glass from fireplace.
- Position the fireplace on a wall at the position where it will be mounted (Figure 3). Use a bubble level (one is supplied) to ensure that fireplace is level on the wall.
- Mark the location of four (4) screw locations on the wall (through key-holes).
CAUTION: If installing unit on a wall that is constructed of drywall ensure that appropriate wall anchors are used and at least one is located into a stud. - Remove fireplace from wall and store in a safe place away from traffic.
- Screw all four (4) supplied #8, 3.8 cm square head mounting screws and washers into the wall and/or wall anchors leaving 6.5 mm of thread.
- Align chosen key-holes with screws and hang fireplace on the wall. Screw heads and washers will fit through keyholes and fireplace will slide down into place (screws will slide into narrow part of key-holes).
- Tighten all four (4) mounting screws down on fireplace chassis.
- Screw the two (2) supplied #8 square head screws through two of the permanent mounting holes which align with a wall stud.
- Carefully replace and install partially reflective glass and glass brackets using screws from step 1.
- Refer to Front Glass Installation section, for final installation procedures.
In-wall Recessed Installation – 100mm Deep
CAUTION: Two people may be required for various steps of this procedure.
- Prepare a wall with a framed opening of 118.1 cm wide x 42 cm high (Figure 4).
NOTE: The sizing has allowed for 6.4mm around the fireplace insert for ease of installation. This

fireplace does not require any additional venting. - Choose your method of supplying power to the unit:
- Plug in (you may run the power cord out of the framed wall opening to an existing outlet or install an outlet on a nearby wall stud within the wall).
- Hard wire the fireplace.
NOTE: Hard wiring can be done by removing the plug from the factory fitted cord and completing the wiring according to National and Local Elecrical Codes. The appliance must be fitted with means for disconnection from the supply mains having a contact separation in all poles that provide full disconnection under overvoltage category III conditions, and these means must be incorporated in the fixed wiring in accordance with the wiring rules.
WARNING: Do not attempt to wire your own new outlets or circuits. To reduce the risk of fire, electric shock or injury to persons, always use a licensed electrician. Ensure that the 3-Position Switch is set to the Off position (“O”) and that the circuit on which the fireplace is to be installed has the power cut off at the service panel until installation is Complete.
- Lift fireplace and insert into opening (Figure 5).

- Use bubble level (supplied) to level the fireplace within the framing. Adjust as required.
- Drive four (4) supplied mounting screws through the four (4) mounting holes located in each corner of the fireplace chassis, into wall studs (Figure 6).
- Refer to Front Glass Installation section, for final installation procedures.
Flush Mounted Installation – 200mm Deep
CAUTION: Two people may be required for various steps of this procedure.
- Prepare a wall with a framed opening of 124.5 cm wide x 47 cm high (Figure 7).
NOTE: The sizing has allowed for 6.4mm around the fireplace insert for ease of installation. This fireplace does not require any additional venting. - Choose your method of supplying power to the unit: catme
- Plug in (you may run the power cord out of the framed wall opening to an existing outlet or install an outlet on a nearby wall stud within the
NOTE: Hard wiring can be done by removing the plug from the factory fitted cord and completing the wiring according to National and Local Elecrical Codes. The appliance must be fitted with means for disconnection from the supply mains having a contact separation in all poles that provide full disconnection under overvoltage category III conditions, and these Ans must be incorporated in the fixed wiring in accordance with the wiring rules.
WARNING: Do not attempt to wire your own new outlets or circuits. To reduce the risk of fire, electric shock or injury to persons, always use a licensed electrician. Ensure that the 3-Position Switch is set to the Off position (“O”) and that the circuit on which the fireplace is to be installed has the power cut off at the service panel until installation is complete.

- Plug in (you may run the power cord out of the framed wall opening to an existing outlet or install an outlet on a nearby wall stud within the
- Lift fireplace and insert into opening. The fireplace’s mounting trim should be flush against the wall (Figure 8).
Operation

WARNING: This electric firebox must be properly installed before it is used.
The unit can be controlled by either the manual controls which are located on the upper right of the fireplace or the remote (Figure 18 & 19).
The fireplace is supplied with an IR multifunction remote control.
NOTE: To operate correctly, the remote control must be pointed towards the Floating DisplayTM.
- A.
Standby Figure 19
Turns the unit On and Off.- Activated by pressing the Standby button on the remote or the unit.
- The unit will turn on with the same functions that it was set to when it was turned Off and the intake temperature will be indicated on the On Screen Display.
- NOTE: When any button is pressed the intake temperature will be displayed on the On Screen Display for 5 seconds.
- B.
Flame Effects
Turns the flame effect On and Off.- Activated by pressing
the button on the remote.
- Activated by pressing
- C.
Heat ON/OFF
Turns the heater On and Off.- Activated by pressing the
button on the unit or the remote. - Indicated by the icon
and the intake temperature being displayed on the On Screen Display, for 5 seconds before turning off.
- Activated by pressing the
NOTE: After the heater is switched off, there is a 60 second fan delay, where the fan will continue running before turning off.
NOTE: The unit can be operated in Heat Only Mode. When the unit is only running with the heater, the
icon will continuously be displayed on the On Screen Display.
NOTE: The heater may emit a slight, harmless odor when first used. This odor is a normal condition caused by initial heating of internal heater parts and will not occur again.
D & E.
Thermostat Controls Adjusts the temperature set point to your individual requirements. Once the desired set temperature is reached the heater will turn off. The heater will cycle on and off to maintain the desired set temperature. The default temperature setting is 72°F (22°C).
Adjusted by pressing the
to
decrease the setpoint and the to increase the setpoint on the unit or the remote.
- The On Screen Display will indicate the temperature setpoint as it is adjusted.
- NOTE: Holding the
and the
buttons down for two seconds, on the unit, will change the temperature from °C to °F, or vice versa.
Disable Heat
If desired, depending on the season, the heater on the unit can be disabled. The unit will operate in the same fashion, with remainder of the controls.
Pressing the
and
buttons on the unit at the same time and holding for 2 seconds will disable and enable the heater.
NOTE: When the heater has been disabled and either the
or the
is pressed the On Screen Display will indicate “–“.
Color Themes
Different presets of ambient lighting color combinations contained in the unit.
- Changed by repeatedly pressing the corresponding button on the remote or the unit.
- Cycles through the different preset ambient lighting settings of the unit, this includes different combinations of colours of the flame base and media lighting.
NOTE: The last theme of the cycle is a prism where the unit cycles through a variety of colours. Pressing the
button stops the cycling and holds the unit on the preferred color, indicated by a “U” – Unfreeze or a “F” – Freeze on the display.
- G.
Brightness
Changes the brightness of the lights in the unit.
Adjusted by repeatedly pressing the corresponding button on the remote.
Indicated by the second digit on the Floating Display™ changing to show: “H” (high), and “L” (low).
- H.
Sleep Timer
The Sleep Timer can be set to automatically shut off the fireplace = after a preset time (from 30 minutes to 8 hours). - To set the timer press the timer button on either the remote or the unit, repeatedly, until the desired time is displayed.
- The On Screen Display will display the different times as it is adjusted. Once the timer has begun, pressing the
button will display the time remaining before the unit turns Off.
NOTE: The Sleep Timer can be cancelled at any time by pressing the
button repeatedly until the sleep timer displays nothing.
Resetting the Temperature Cutoff Switch
Should the heater overheat, an automatic cut out will turn the heater off and it will not come back on without being reset. It can be
reset by unplugging the unit and waiting 5 minutes before plugging the unit back in.
Remote Control Battery Replacement
- Slide battery cover open on the remote control.
- Correctly install one 3 Volt (CR2032 [longer life] or CR2025) battery in the battery holder.
- Close the battery cover. Battery must be recycled or dis-posed of properly. Check with your Local Authority or Retailer for
re-cycling advice in your area
Maintenance
WARNING: Disconnect power before attempting any maintenance or cleaning to reduce the risk of fire, electric shock or damage to persons.
Partially Reflective Glass Cleaning
The partially reflective glass is cleaned in the factory during the assembly operation. During shipment, installation, handling, etc., the partially reflective glass may collect dust particles; these can be removed by dusting lightly with a clean dry cloth.
To remove fingerprints or other marks, the partially reflective glass can be cleaned with a damp cloth. The partially reflective glass should be completely dried with a lint free cloth to prevent water spots. To prevent scratching, do not use abrasive cleaners.
Fireplace Surface Cleaning
Use only a damp cloth to clean painted surfaces of the fireplace. Do not use abrasive cleaners.
Servicing
Except for installation and cleaning described in this manual, an authorized service representative should perform any other servicing.
Contact Details
Glen Dimplex Australia Pty Ltd
8 Lakeview Drive
Scoresby Victoria 3179
Australia
Phone: 1300 556 816
Email: [email protected] Web: www.dimplex.com.au
Glen Dimplex New Zealand Pty Ltd
38 Harris Road
East Tamaki, 2013 Auckland
New Zealand
Ph: 0800 666 2824
Email: [email protected] Web: www.dimplex.co.nz


















