
Dimplex SIL48 48 Inch Linear Electric Fireplace

IMPORTANT SAFETY INFORMATION:
Read this manual first before attempting to install or use this electric fireplace. Always comply with the warnings and safety instructions contained in this manual to prevent personal injury or property damage.
Conventions used in this manual:
NOTE: Procedures and techniques that are considered important enough to emphasize.
CAUTION: Procedures and techniques which, if not carefully followed, will result in damage to the equipment.
WARNING: Procedures and techniques which, if not carefully followed, will expose the user to the risk of fire, serious injury, or death.
Exploded Parts Diagrams

- Main Control Board
SIL48 MOD 0 . . . . . . . . . . . . . . . . . . . . 9602330100RP
SIL48 MOD A . . . . . . . . . . . . . . . . . . . . 9602332400RP
SIL48M MOD 0. . . . . . . . . . . . . . . . . . . 9602330200RP
SIL48M MOD A. . . . . . . . . . . . . . . . . . . 9602332500RP
SIL60 & SIL72 MOD 0. . . . . . . . . . . . . .9602332300RP
SIL60 & SIL72 MOD A. . . . . . . . . . . . . .9602332600RP
SIL96 MOD 0 . . . . . . . . . . . . . . . . . . . . 9602330300RP
SIL96 MOD A . . . . . . . . . . . . . . . . . . . . 9602332700RP - Remote Control
MOD 0. . . . . . . . . . . . . . . . . . . . . . . . . .9602110200RP
MOD A . . . . . . . . . . . . . . . . . . . . . . . . . 9602332800RP - Touch Pad (with IR sensor) . . . . . . . . . .9602110300RP
- Flicker Motor. . . . . . . . . . . . . . . . . . . . .9602110400RP
- Heater Assembly. . . . . . . . . . . . . . . . . .9602332200RP
- Flame LEDs
SIL48 & SIL48M . . . . . . . . . . . . . . . . . . 9602110600RP
SIL60. . . . . . . . . . . . . . . . . . . . . . . . . . . 9602330400RP
SIL72. . . . . . . . . . . . . . . . . . . . . . . . . . . 9602330500RP
SIL96. . . . . . . . . . . . . . . . . . . . . . . . . . . 9602330600RP - Color LEDs
SIL48 & SIL48M . . . . . . . . . . . . . . . . . . 9602110700RP
SIL60. . . . . . . . . . . . . . . . . . . . . . . . . . . 9602330700RP
SIL72. . . . . . . . . . . . . . . . . . . . . . . . . . . 9602330800RP
SIL96. . . . . . . . . . . . . . . . . . . . . . . . . . . 9602330900RP - Temperature Sensor (NTC)
SIL48 & SIL48M . . . . . . . . . . . . . . . . . . 9602110800RP
SIL60 & SIL72 . . . . . . . . . . . . . . . . . . . .9602331000RP
SIL96. . . . . . . . . . . . . . . . . . . . . . . . . . . 9602331100RP - Front Glass
SIL48 & SIL48M . . . . . . . . . . . . . . . . . . 9602331200RP
SIL60. . . . . . . . . . . . . . . . . . . . . . . . . . . 9602331300RP
SIL72. . . . . . . . . . . . . . . . . . . . . . . . . . . 9602331400RP
SIL96. . . . . . . . . . . . . . . . . . . . . . . . . . . 9602331500RP - Power Cord. . . . . . . . . . . . . . . . . . . . . .9602111000RP
- Wall Mounting Hardware. . . . . . . . . . . .9602331600RP
- Feet
MOD 0 . . . . . . . . . . . . . . . . . . . . . . . . . 9602331700RP
MOD A . . . . . . . . . . . . . . . . . . . . . . . . . 9602332900RP - Log Set
SIL48 & SIL48M . . . . . . . . . . . . . . . . . . 9602331800RP
SIL60. . . . . . . . . . . . . . . . . . . . . . . . . . . 9602331900RP
SIL72. . . . . . . . . . . . . . . . . . . . . . . . . . . 9602332000RP
SIL96. . . . . . . . . . . . . . . . . . . . . . . . . . . 9602332100RP
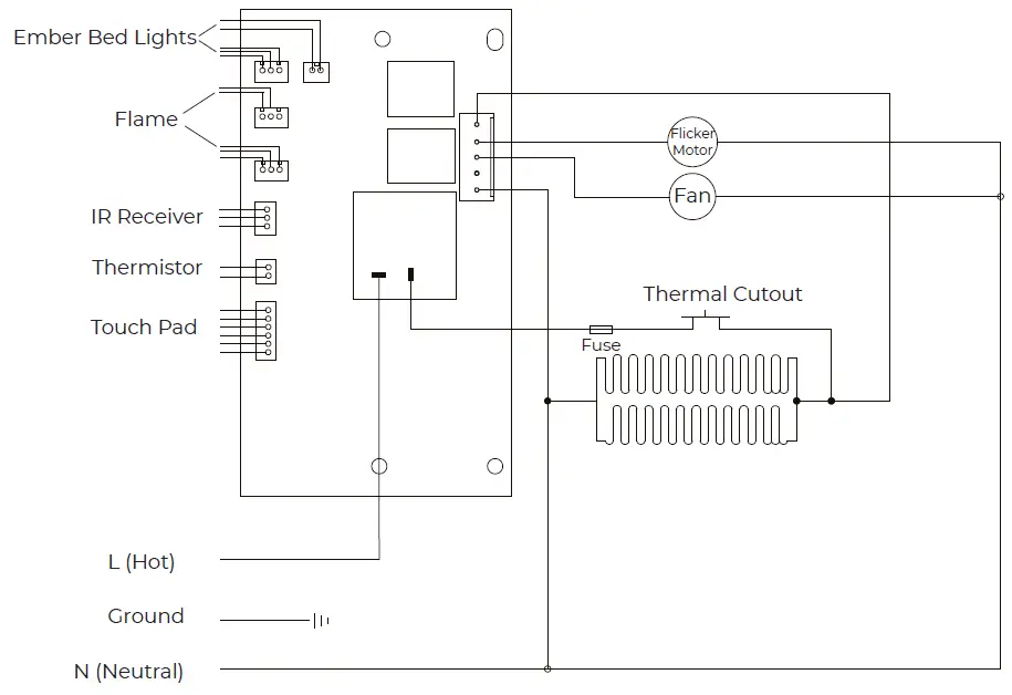
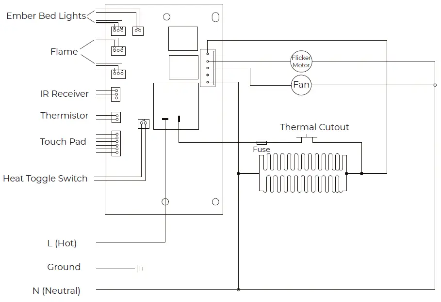
Wiring Diagrams
SIL48

SIL48M

SIL60
SIL72

SIL96

Replacement Part Procedures
Preparing the Firebox for Service
WARNING: If the the fireplace was operating prior to servicing, allow at least 10 minutes for the heating elements to cool off to avoid accidental burning of skin.
WARNING: Disconnect power before attempting any maintenance to reduce the risk of electric shock or injury to persons.
Tools Required: Phillips Head Screwdriver
- Unplug the unit.
- Undo the latch at the top and unhook the front glass to remove it (Figure 1).
- Remove the logs, rocks, or glass chunks and put them in a safe place.
- If the unit is mounted to the wall, remove the two screws that secure the wall mounting bracket. (Figure 2)
- Place fireplace on a work surface.
- Remove the screws that secure the back panel. The number of screws will vary depending on the size of the fireplace. Put the back panel aside (Figure 3).
- Remove the 2 screws on each side of the top panel. Unplug the connector from the main control board, and put the top panel aside (Figure 4).

Heater Assembly Replacement
Tools Required:
- Phillips Head Screwdriver
- Side Cutters
- Pliers
- Follow the steps of “Preparing for Service” on page 6 of this manual before continuing.
- Using pliers, disconnect the wires from the main control board, making note of their original locations.
- Remove the screws on the main control board (Figure 5). For units with arrowhead standoffs, pinch each of the two standoffs, one at a time, while lifting the board to release it (Figure 6).
- Put the new main control board in place, and secure with the screws / standoffs.
- Connect the wires to the new board, following the picture previously taken.
- Reassemble the fireplace by reinstalling the top panel, followed by the back panel.

Touch Pad Replacement
Tools Required:
Phillips Head Screwdriver
Side Cutters (to cut wire ties)
- Follow the steps of “Preparing for Service” on page 6 of this manual before continuing.
- Remove the screws that hold the flame panel retaining bracket (Figure 7).
- Flex the flame panel carefully to remove it.
- Remove the two screws that secure the main board (you can leave the standoffs connected) in order to access the screw underneath.
- Remove the screws that hold the touch pad bracket.
- Trace the wires from the touch pad to the main control board. Disconnect them, while making note of their original locations.
- Put the screwdriver in the guide holes on the touch pad bracket to unscrew the touchpad. There are two small screws to remove.
- Place the new touchpad in the bracket, ensuring that the components go into the corresponding spaces. Screw it into place with the previously removed screws.
- Secure the touch pad bracket into place, as well as the main board.
- Put the flame panel back into place, making sure that the screw holes are oriented toward the bottom, and that it is inserted into the slots at the top.
- Secure the flame panel retaining bracket.
- Reassemble the fireplace by reinstalling the top panel, followed by the back panel.

Flicker Motor Replacement
Tools Required:
Phillips Head Screwdriver
Wire Cutter/Stripper
- Follow steps 1-6 of “Preparing for Service” on page 6 of this manual before continuing.
- Remove the flicker rod by first taking it out from the middle brackets, then pulling it from the side opposite the flicker motor, and finally pulling it away from the flicker motor (Figure 8).
- Remove the two screws that hold the flicker motor bracket to the firebox (Figure 9).
- Using a wire cutting tool, cut off the factory-installed wire connectors.
- Using a wire stripping tool, strip the purple and white wires approximately 13 mm (1/2”).
- Using the twist-on wire connectors, connect the white wire from the flicker motor to the white wire from the firebox, and the black white from the flicker motor to the purple wire from the firebox (Figure 10).
- Install the flicker motor on the bracket.
- Secure the bracket to the fireplace.
- Reassemble the fireplace by reinstalling the top panel, followed by the back panel.

Heater Assembly Replacement
Tools Required:
- Phillips Head Screwdriver
- Pliers
- Side Cutters
- Wire Cutter/Stripper
- Follow the steps of “Preparing for Service” on page 6 of this manual before continuing.
- Disconnect the wires from the heater assembly, making note of their original locations. Snip the zip ties as needed.
For the connections that are made with wire nuts that cannot be screwed off, cut them off using wire cutters. - Remove the 4 screws that secure the heater assembly to the top panel (Figure 11).
- Install the new heater assembly using the four screws previously removed.
- Connect the wires to the new heater assembly, using the picture you took before as a guide.
- Strip the wires that were cut using wire strippers. Connect them in their original location using the provided wire nuts, ensuring a strong enough connection that individual wires cannot be pulled out from the wire nut. Use the provided zip ties to secure them out of the way of other components.
- Reassemble the fireplace by reinstalling the top panel, followed by the back panel.

Flame LED Replacement
Tools Required: Phillips Head Screwdriver
- Follow steps 1-6 of “Preparing for Service” on page 6 of this manual before continuing.
- Remove the screws that secure the flame LED strip to the firebox.
- Unplug the connectors from the LED strips on the left.
- Properly orient and install the new LED strips. Connect the wires.
- Install the back panel.
Color LED Replacement
Tools Required: Phillips Head Screwdriver
- Follow steps 1-5 of “Preparing for Service” on page 6 of this manual before continuing.
- Unscrew the two posts that secure the media tray.
- Carefully remove the media tray. There may be some resistance as there is tape holding it.
- Remove the screws that secure the LED strips to the firebox.
- Peel off the silicone on the connectors to the far right, and unplug them.
NOTE: The silicone is only necessary during transportation of the product, and does not need to be replaced. - Secure the LED strip using the screws previously removed and plug in the connectors.
- Secure the media tray.
Temperature Sensor (NTC) Replacement
Tools Required: Phillips Head Screwdriver
- Follow the steps 1-6 of “Preparing for Service” on page 6 of this manual before continuing.
- Disconnect the wire from the temperature sensor (on the top panel) to the main control board.
- Remove the screw that secures the temperature sensor to the top panel.
- Properly orient and install the new temperature sensor.
- Use the provided zip tie to keep the wire away from the heater assembly.
- Connect the wire from the new temperature sensor to the main board.
- Reassemble the fireplace by reinstalling the top panel, followed by the back panel.
Troubleshooting
Problem Cause Solution
|
Unit will not turn on | No incoming power | Ensure unit is plugged directly into electrical outlet and ensure there is power. |
| Defective main control board | Replace main control board | |
| Defective touch pad | Replace touch pad | |
|
Remote is not working | Batteries are dead | Replace batteries. Refer to maintenance section. |
| Defective remote control | Replace remote control. | |
| Defective IR sensor. | Replace touch pad. | |
| Heater | ||
| Heater shuts off on its own; cutout is engaged | Dirt and debris are preventing the unit from working properly | Clean the air vents and the heater assembly with compressed air |
| Defective heater assembly | Replace heater assembly | |
| Heater is not turning on and ember bed is flashing | Heat is deactivated | While the unit is on, press and hold the Heat button for 10 seconds until the heat turns on. |
| Heat is not turning on | Improper operation | Ensure heat button is pressed and set temperature is above ambient temperature |
| Defective main control board | Replace main control board | |
| Appearance | ||
| Display shows E2 | Defective temperature sensor | Replace temperature sensor |
| Display shows E3 | Defective heater assembly | Replace heater assembly |
| Flame is not visible | Flames are turned off | Ensure flame is on. Press Flame button to toggle through different display modes. |
| Defective flame LEDs | Replace flame LEDs | |
| Flame is frozen | Defective flicker motor | Replace flicker motor |
| Media bed does not light up | Defective media LEDs | Replace media LEDs |
| Noise | ||
| Unit is noisy when the heat is on | Defective heater assembly | Replace heater assembly |
| Unit is noisy when the flame is on | Defective flicker motor | Replace flicker motor |
1-888-346-7539 | www.dimplex.com
In keeping with our policy of continuous product improvement, we reserve the right to make changes without notice.
© 2021 Glen Dimplex Americas
| Revision | Date |
| 00 | 18-Oct-19 |
| 01 | 23-Aug-21 |













![Dimplex Sierra Linear Electric Fireplace [sil48, Sil60 & Sil72] User Manual Dimplex Sierra Linear Electric Fireplace [sil48, Sil60 & Sil72] User Manual](https://static-data1.manualsee.com/1/img/112/67822/2021/02/Dimplex-Sierra-Linear-Electric-Fireplace-SIL48-SIL60-amp-SIL72-User-Manual.jpg)


