Dimplex XHD28L – 6913840259 Electric Fireplace Owner’s Manual

Models
XHD28L – 6913840259
XHD28G – 6913840559
XHD26L – 6913830259
XHD26G – 6913830559
XHD23L – 6913820259
XHD23G – 6913820559
XHD33L – 6910090259
XHD33G – 6910090559

We value your feedback!
Your input helps to create even better products and experiences.
Share the warmth and leave a review.
dimplex.com/sharethewarmth
![]()
IMPORTANT SAFETY INFORMATION:
Read this manual first before attempting to install or use this electric heater. Always comply with the warnings and safety instructions contained in this manual to prevent personal injury or property damage.
To view the full line of Dimplex products, visit www.dimplex.com
Conventions used in this manual:
NOTE: Procedures and techniques considered important enough to emphasize.
CAUTION: Procedures and techniques which, if not carefully followed, will result in damage to the equipment.
WARNING: Procedures and techniques which, if not carefully followed, will expose the user to the risk of fire, serious injury, or death.
Welcome
Thank you for purchasing a Dimplex Electric Fireplace. Please use our convenient online registration page to record your model and serial numbers for future reference at:
www.dimplex.com/register
CAUTION: Read all instructions and warnings carefully before starting installation. Failure to follow these instructions may result in a possible electric shock or fire hazard and will void the warranty.
NO NEED TO RETURN TO THE STORE
Questions with operation or assembly? Require Parts Information? Product Under Manufacturer’s Warranty?
Contact us at:
www.dimplex.com/customer_support
For Troubleshooting and Technical Support
OR
Toll-Free 1-888-346-7539
In order to better serve you, please have your model and serial numbers ready or register your product online before calling (see above).
Important Instructions
Basic Precautions
When using any electrical appliance, basic precautions should always be followed to reduce the risk of fire, electric shock, and injury to persons. These precautions include:
- Read all instructions before using the electric fireplace.
- Extreme caution is necessary when the firebox is used by or near children or invalids and whenever the firebox is left operating and unattended.
- Always turn off the fireplace when it is not in use.
- Do not operate the fireplace with a damaged power cord or plug or after the fireplace malfunctions, has been dropped, or damaged in any manner. Contact Technical Service at 1-888-346-7539.
- Do not use this firebox outdoors.
- This fireplace is not intended for use in bathrooms, laundry areas, or similar indoor locations. Never locate the fireplace where it may fall into a bathtub or other water container.
- Do not run power cord under carpeting. Do not cover cord with throw rugs, runners, or similar coverings. Do not route cord under furniture or appliances. Arrange cord away from traffic area and where it will not be tripped over.
- To disconnect the fireplace, turn the controls to OFF and remove the power cord plug from the outlet.
- Connect the power cord to a properly grounded outlet only.
- Do not insert or allow foreign objects to enter any ventilation or exhaust opening as this may cause an electric shock or fire, or damage the firebox. To prevent a possible fire, do not block air intakes or exhaust in any manner. Do not use the fireplace on soft surfaces, like a bed, where openings may become blocked.
- All electrical heaters have hot and arcing or sparking parts inside. Do not use it in areas where gasoline, paint, or flammable liquids are used or stored.
- Use this fireplace only as described in this manual. Any other use not recommended by the manufacturer may cause fire, electric shock, or injury to persons.
- Always plug the fireplace directly into a wall outlet/receptacle. Never use the fireplace with an extension cord or relocatable power tap (outlet/power strip).
- Do not burn wood or other materials in this fireplace.
- When transporting or storing the fireplace, keep it in a dry place, free from excessive vibration, and store to avoid damage.
SAVE THESE INSTRUCTIONS ![]()
NOTE: Changes or modifications not expressly approved by the party responsible for compliance could void user’s authority to operate the equipment.
Special Precautions
CAUTION: Do not open the unit. There is a risk of electric shock. There are no user-serviceable parts inside.
CAUTION: Always use a qualified technician or service agency to repair the built-in electric fireplace.
WARNING: Remote control contains a small battery. Keep away from children. If swallowed, seek medical attention immediately.
WARNING: Do not install battery backwards, charge, put in fire or mix with used or other battery types as it may explode or leak causing injury.
DANGER: High temperatures may be generated under certain abnormal conditions. Do not partially or fully cover or obstruct the front of the fireplace.
FCC Compliance
CAUTION: This unit has been tested and found to comply with the limits for Class B digital device, pursuant to part 15 of the FCC Rules. These limits are designed to provide reasonable protection against harmful interference in a residential installation. This unit generates, uses and can radiate radio frequency energy and, if not installed and used in accordance with the instructions, may cause harmful interference to radio or television reception, which can be determined by turning the unit OFF and ON, the user is encouraged to try to correct the interference by one or more of the following measures:
- Reorient or relocate the receiving antenna.
- Increase the separation between the unit and the receiver.
- Connect the unit into an outlet on a circuit different from that to which the receiver is connected.
- Consult the dealer or an experienced radio/TV technician for help.
This unit complies with Part 15 of the FCC Rules. Operation is subject to the following two conditions: (1) This unit may not cause harmful interference, and (2) this unit must accept any interference received, including interference that may cause undesired operation.
FCC CAUTION: Any changes or modifications not expressly approved by the party responsible for compliance could void the user’s authority to operate this equipment.

Specifications
The Dimplex Electric Fireplace offers an alternative to a wood or gas fireplace. It can give your existing fireplace new life or transform a cabinet or media center of your own into a stunning focal point.
Specifications
Electrical
Volts: 120 V, 60 Hz
Amps: 12.5 A
Watts: 1465 W
Wiring: Plug-In
Bulb Type: LED
Approvals ![]()
NOTE: A 15 Amp, 120 Volt circuit is required. A dedicated circuit is preferred, but not essential in all cases. A dedicated circuit will be required if, after installation, the circuit breaker trips or the fuse blows on a regular basis when the heater is operating. Additional appliances on the same circuit may exceed the current rating of the circuit breaker.
WARNING: Electrical outlet wiring must comply with local building codes and other applicable regulations to reduce the risk of fire, electric shock, or injury to persons.
Dimensions:
Model XHD33
Width: 33-1/8″ (841 mm)
Height: 23-1/4″ (590 mm)
Depth: 7-1/2″ (191 mm)
Model XHD28
Width: 27-3/8″ (695 mm)
Height: 23-1/2″ (597 mm)
Depth: 7-1/2″ (191 mm)
Model XHD26
Width: 26″ (660 mm)
Height: 18-7/8″ (479 mm)
Depth: 7-1/2″ (191 mm)
Model XHD23
Width: 23″ (584 mm)
Height: 20-1/2″ (520 mm)
Depth: 7-1/2″ (191 mm)
Weight:
Model XHD33: 38.6 lbs (17.5 kg)
Model XHD 28: 32 lbs (14.5 kg)
Model XHD 26: 25 lbs (11.3 kg)
Model XHD 23: 23 lbs (10.4 kg)
Operating Temperature Range: -4o to 104o F (-20o to 40o C)
Installation
Placement
- The Dimplex Electric Fireplace does not require any special venting. Make sure there is clearance for air circulation beneath the unit and at least 1/2″ behind it.
CAUTION: Do not install the fireplace directly on carpet or similar surfaces which may restrict air flow. - Install the unit in an opening with the following minimum dimensions:

Model XHD33
A 31-5/8″ (802 mm) wide
B 22-5/8″ (575 mm) high
C 8″ (203 mm) deep
Model XHD28
A 27″ (686 mm) wide
B 23-1/8″ (587 mm) high
C 8″ (203 mm) deep
Model XHD26
A 24-3/8″ (619 mm) wide
B 18-1/2″ (470 mm) high
C 8″ (203 mm) deep
Model XHD23
A 21-1/2″ (548 mm) wide
B 20″ (508 mm) high
C 8″ (203 mm) deep - If installing the unit in an existing fireplace opening, seal all drafts and vents with a non-fibrous insulation material to prevent any chimney debris from falling onto the unit. Do not install into an existing fireplace opening that is prone to dampness.
Mounting
1. For media models, carefully disperse the supplied small acrylic crystals in the media tray of the firebox, and arrange large acrylic crystals near the flame panel.
NOTE: If using media accessory kit XHDDW-KIT (for XHD26G & XHD28G) or XHDDW-KIT33 (for XHD33G), omit supplied crystals, disperse the river rocks in the media tray, and arrange driftwood on top.

2a. If installing into a Dimplex mantel, first check to see if there are holes in the side panels near the top as shown below. If so, align the front of the firebox (without front glass installed) with the front face of the mantel. Install provided screws into the front holes on the inside faces of the firebox. The screw will line up with the hole in the mantel, securing it in place.
If there are no holes on the side panels of the mantel, remove the screw on the back bottom flange most convenient for securing, and use the L-bracket (provided) to secure the firebox to the mantel.

2b. If installing into a custom mantel, or into an existing opening, secure the firebox by inserting an appropriate screw through either the front hole, or back hole on the inside face of the firebox, depending on which location is more appropriate for the installation.

Grounding Instructions
This product must be grounded. If it should malfunction or breakdown, grounding provides a path of least resistance for electric current to reduce the risk of electric shock. This product is equipped with a cord having an equipment-grounding conductor and a grounding plug.
The plug must be plugged into an appropriate outlet that is properly installed and grounded in accordance with all local codes and ordinances.
This product is for use on a 120V circuit and has a grounding plug that looks like the plug in the following figure. Make sure that the product is connected to an outlet having the same configuration as the plug. No adapter should be used with this product.

DANGER: Improper connection of the equipment-grounding conductor can result in a risk of electric shock. Check with a qualified electrician or serviceman if you are in doubt as to whether the product is properly grounded. Do not modify the plug provided with the product – if it will not fit the outlet, have a proper outlet installed by a qualified electrician.
Operation
Touch Panel and Remote Controls
The manual controls for the Dimplex Electric Fireplace are located on the front panel. Touch the hidden control to the right side of the white line to activate the controls. Select an icon and the digital display will highlight the selection. The touch panel will return to the hidden state after 5 seconds.
The multi-function IR (infrared) remote control has a range of approximately 30 ft (9 m). To operate, the remote control must be pointed toward the front of the electric fireplace.

WARNING: The fireplace must be installed properly before use.
![]()
![]()
![]()
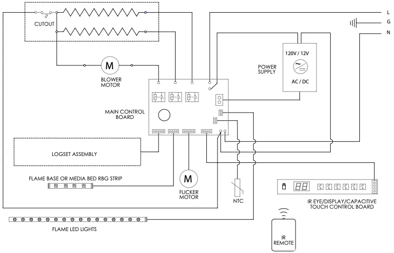
Resetting the Temperature Cutout Switch
Should the heater overheat, an automatic cutout will turn the heater off. It will not come back on without being reset.
To reset the cutout switch, unplug the unit and wait 5 minutes before plugging it back in.
CAUTION: If you need to continuously reset the heater, unplug the unit and call Technical Support at 1-888-346-7539
Maintenance
General
Inspect the electric firebox regularly, depending upon conditions, and at a minimum yearly intervals. Remove dust and clean with damp cloth as required.
CAUTION: Except for installation and cleaning described in this manual, an authorized service representative should perform any other servicing.
WARNING: Disconnect power by unplugging the power power and allow heater to cool before attempting any maintenance or cleaning to reduce the risk of fire, electric shock, or injury.
Battery Replacement
To replace the battery:
- Push the release tab toward the center and slide the battery cover open.
- Install 3V Lithium battery in the battery holder. The positive (+) side of the battery faces up.
- Close the battery cover.

Battery must be recycled or disposed of properly. Check with your Local Authority or Retailer for recycling advice in your area.
Technical Support
Support Services
Technical and troubleshooting support, as well as a list of replacement parts can be found on:
www.dimplex.com/customer_support.
Electrical

We value your feedback!
Your input helps to create even better products and experiences.
Share the warmth and leave a review.
dimplex.com/sharethewarmth
![]()
1-888-346-7539 | www.dimplex.com
In keeping with our policy of continuous product improvement, we reserve the right to make changes without notice.
© 2021 Glen Dimplex Americas
![]()

















