FRICO SWX CS-D Hot Water Air Heater Unit 
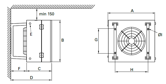
Dimensions
| [mm] | A | B | C | D | E | F | G | H | ØI |
| SWX CS12/D13 | 585 | 535 | 455 | 705 | R3/4″ | 250 | 330 | 410 | 10 |
| SWX CS22/D23 | 740 | 660 | 455 | 725 | R3/4″ | 270 | 420 | 505 | 10 |
Electrical installation 230V~
Accessories

Controls SWX CS
Controls SWX D

Water regulation
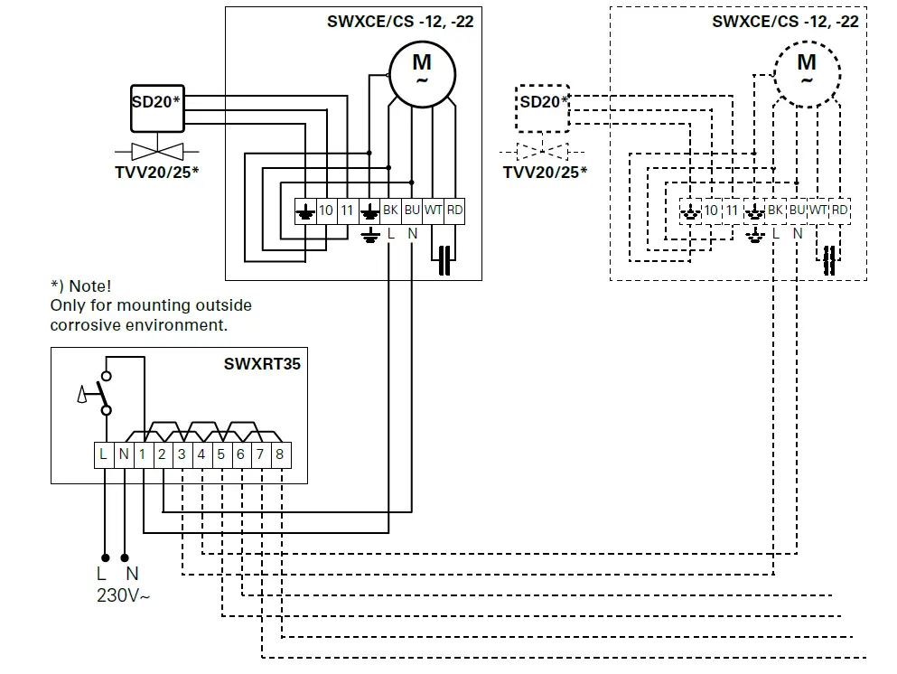
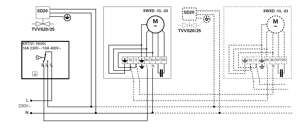
Wiring diagrams SWX CS/D
Internal
SWX CS
Control by thermostat only
SWX D
Control by thermostat only

- Applicable at water temperature 80/60 °C, air temperature, in +15 °C.
- Conditions: Distance to the unit 5 metres.
- ∆t = temperature rise of passing air at maximum heat output.
- Water volume inside battery.
Intended for water temperatures up to +150 °C and 16 bar. Max. surrounding temperature +70 °C.
Protection class: IP65.
CE compliant.
Output charts water
SWX CS
Incoming/outgoing water temperature 90/70 °C
| Air temp. in = +5 °C | Air temp. in = +15 °C | ||||||||
| Type | Airflow
[m³/h] | Output
[kW] | Air temp. out [°C] | Water flow
[l/s] | Pressure drop [kPa] | Output
[kW] | Air temp. out [°C] | Water flow [l/s] | Pressure drop [kPa] |
| SWXCS12 | 2160 | 28,9 | 44,5 | 0,36 | 16,5 | 24,6 | 48,4 | 0,30 | 12,2 |
| SWXCS22 | 4300 | 54,1 | 42,2 | 0,66 | 19,2 | 46,0 | 46,3 | 0,56 | 14,0 |
Incoming / outgoing water temperature 80/60 °C
| Air temp. in = +5 °C | Air temp. in = +15 °C | |||||||
| Type Airflow
[m³/h] | Output
[kW] | Air temp. out [°C] | Water flow
[l/s] | Pressure drop [kPa] | Output
[kW] | Air temp. out [°C] | Water flow [l/s] | Pressure drop [kPa] |
| SWXCS12 2160 | 24,3 | 38,2 | 0,30 | 12,2 | 20,0 | 42,1 | 0,24 | 8,2 |
| SWXCS22 4300 | 45,2 | 36,1 | 0,55 | 13,7 | 37,2 | 40,3 | 0,45 | 9,4 |
Incoming / outgoing water temperature 60/40 °C
| Air temp. in = +5 °C | Air temp. in = +15 °C | ||||||||
| Type | Airflow
[m³/h] | Output
[kW] | Air temp. out [°C] | Water flow
[l/s] | Pressure drop [kPa] | Output
[kW] | Air temp. out [°C] | Water flow [l/s] | Pressure drop [kPa] |
| SWXCS12 | 2160 | 14,9 | 25,4 | 0,18 | 4,9 | 10,7 | 29,5 | 0,13 | 2,7 |
| SWXCS22 | 4300 | 27,4 | 23,8 | 0,33 | 5,5 | 19,4 | 28,2 | 0,24 | 2,7 |
SWX D
Incoming / outgoing water temperature 90/70 °C
| Air temp. in = +5 °C | Air temp. in = +15 °C | ||||||||
| Type | Airflow
[m³/h] | Output
[kW] | Air temp. out [°C] | Water flow
[l/s] | Pressure drop [kPa] | Output
[kW] | Air temp. out [°C] | Water flow [l/s] | Pressure drop [kPa] |
| SWXD13 | 2200 | 21,8 | 32,8 | 0,27 | 4,7 | 18,4 | 39,4 | 0,23 | 6,3 |
| SWXD23 | 4430 | 40,7 | 31,0 | 0,50 | 14,7 | 34,4 | 37,9 | 0,42 | 10,8 |
Incoming/outgoing water temperature 80/60 °C
| Air temp. in = +5 °C | Air temp. in = +15 °C | ||||||||
| Type | Airflow
[m³/h] | Output
[kW] | Air temp. out [°C] | Water flow
[l/s] | Pressure drop [kPa] | Output
[kW] | Air temp. out [°C] | Water flow [l/s] | Pressure drop [kPa] |
| SWXD13 | 2200 | 18,7 | 28,8 | 0,23 | 6,5 | 15,3 | 35,4 | 0,19 | 4,6 |
| SWXD23 | 4430 | 35,0 | 27,4 | 0,43 | 11,3 | 28,8 | 34,1 | 0,35 | 7,9 |
Incoming/outgoing water temperature 60/40 °C
| Air temp. in = +5 °C | Air temp. in = +15 °C | ||||||||
| Type | Airflow
[m³/h] | Output
[kW] | Air temp. out [°C] | Water flow
[l/s] | Pressure drop [kPa] | Output
[kW] | Air temp. out [°C] | Water flow [l/s] | Pressure drop [kPa] |
| SWXD13 | 2200 | 12,4 | 20,8 | 0,15 | 3,2 | 9,1 | 27,1 | 0,11 | 1,8 |
| SWXD23 | 4430 | 23,3 | 19,9 | 0,28 | 5,6 | 17,3 | 26,5 | 0,21 | 3,3 |
Installation and operating instructions
General Instructions
Read these instructions carefully before installation and use. Keep this manual for future reference.
The product may only be used as set out in the assembly and operating instructions. The guarantee is only valid if the product is used in the manner intended and in accordance with the instructions.
Application
SWX is a range of fan heaters suitable
for environments with strict demands on materials and safety. Models are available for use in dusty or corrosive environments. Fan heater SWX has a robust design, adapted to the requirements of harsh environments.
Supplied with air director with individually adjustable louvres that direct the air flow on one plane.
The front of SWX CS and SWX D can be opened for easy cleaning.
Protection class: IP65.
SWX CS
The fan heater is available in two sizes, SWXCS12 and SWXCS22. They have been adapted specifically for use in corrosive environments, such as offshore or chemical industry.
- Meets the requirements for corrosion class C5-M.
- Uses hot water as the energy medium.
- Casing, air deflector grille and bracket made of acid-proof stainless steel, EN 1.4404.
- All pipes in the water heater, including hoses and connections, are made from stainless acid-proof steel, EN 1.4404.
- Aluminium fins with nano-coating.
- Protection class IP65 – protected against dust and water jets.
- Removable front panel for fast and easy cleaning.
- Fitted with draining plugs for removing dirty water after spraying.
- Supplied without any automation and a single fan speed.
- Wall bracket supplied for mounting of the fan heater on the wall for a horizontal air stream, or in the ceiling for a vertical air stream.
SWX D
The fan heater is available in two sizes, SWXD13 and SWXD23. They have been adapted specifically for use in dusty environments, such as industrial premises and joinery mills.
- Uses hot water as the energy medium.
- Casing, air deflector grille and bracket made of acid-proof stainless steel, EN 1.4404.
- Water coil featuring copper pipes and aluminium fins.
- Flat fin spacing of 4.2 mm to minimise the risk of dust and particles clogging up the water coil.
- Protection class IP65 – protected against dust and water jets.
- Removable front panel for fast and easy cleaning.
- Fitted with draining plugs for removing dirty water after spraying.
- Supplied without any automation and a single fan speed.
- Wall bracket supplied for mounting of the fan heater on the wall for a horizontal air stream, or in the ceiling for a vertical air stream.
Fitting the wall bracket
- Remove the eight screws indicated by the arrows in picture A.

- Install the brackets with the holes toward the fan motor, as shown in picture B.

- The fan heater may be mounted with the connection pipes facing left or right, as seen from the front. In rooms with high ceilings, the fan heater should be installed in a low position, but not so low that it intrudes on the working space. Make sure that the wall is able to support the weight of the fan heater.

- The fan heaters are delivered with the air deflector installed for water connection on the left hand side. If the fan heater is mounted with the pipes facing right, the air deflector must be turned for the air to be deflected downward. Remove the six screws (1/4” hex head) attaching the air deflector as shown in picture C, lift out the air deflector and turn it 180°. Then reattach it.

- Mount the fan heater as shown in photo D when mounting it on the ceiling for a vertical air stream. The minimum distance to the wall should be 700 mm. If the fan heater
is mounted on a ceiling, near a corner, the minimum distance to one of the walls should be 700 mm and to the other 2000 mm. Make sure that the ceiling is able to support the weight of the fan heater.
Connection of heating coil
The installation must be carried out by an authorised installer. By turning the fan heater, pipe connections are possible on both sides. Connect the water supply pipe to the lower pipe on the heater and connect the outlet pipe to the upper pipe, as shown by the arrows in picture E. All models use R3/4” connections.
Note! Be careful while connecting the pipes to prevent pipe damage and water leakage.
The heating coil must not be connected to a mains pressure water system or an open water system.
Prior to use, the pipe system should be ventilated. The air valve should be connected on a high point in the pipe system. Air and draining valves are not included in the heating coil.
Units that are likely to be exposed to air temperatures below zero, for example when a mixing cabinet is used, should be equipped with external frost protection to ensure that the heating coil is not damaged by frost.
Electrical installation
The electrical installation should be carried out by a qualified electrician in conformity with prevailing regulations. The appliance should be supplied via a triple-pole switch with at least 3 mm breaking gap.
The fan motor is connected to a detached terminal box, which is mounted on a wall next to the unit (0,85 m cable).
The cable glands used must meet the protection class requirements.
After the electrical installation of the motor, check the rotation of the fan. Seen from the inlet side, the impellers should be rotating anti-clockwise.
See wiring diagrams.
Maintenance
- To ensure performance and reliabilty of the unit, inspection and cleaning should be carried out reguarly. Inspection should be carried out at least twice a year. Clean the unit when needed.
- During inspection the power supply must always be disconnected.
- The fan heater is fitted with a removable front panel for fast and easy cleaning. The lower eccentric lock is fitted with a screw
(picture F) to prevent opening of the front panel without a tool, and access to the rotating fan blade. May be replaced by a lock. The opening angle of the front panel is - limited by a stop to prevent the flexible hoses from breaking. This function must not be removed or modified.
- Note! In ceiling mount installations, the removable front panel must be lowered carefully and must not be subjected to any additional loads when open.

Cleaning
The interval between each cleaning depends on the environment the fan heater is used in. Dust on the fan protective grille and on the water coil’s aluminum fins impedes the airflow and reduces its heat-exchanging performance. The water coil must therefore be kept clean. The fan cooling flanges also need to be kept clean, to obtain the lowest possible motor operating temperature.
The removable front panel and rear are fitted with draining plugs for removing dirt and water during cleaning, see picture G and H. Catch the water under the heater in a bucket or similar container. Punch out the plugs using a tool and reinstall them following the completed cleaning procedure.

Safety
- Ensure that the area around the intake is kept free from material which could prevent the air flow through the appliance.
- This appliance can be used by children aged from 8 years and above and persons with reduced physical, sensory or
mental capabilities or lack of experience and knowledge if they have been given supervision or instruction concerning use of the appliance in a safe way and understand the hazards involved. Children shall not play with the appliance. Cleaning and user maintenance shall not be made by children without supervision. - The appliances may have hot surfaces during operation.
- Lifting aids should be used to lift the appliance.
- The unit is unpainted and may have sharp metal edges.
- When adjusting the louvers, please note that the water heating coil may have sharp edges.
Main office
Frico AB Box 102 SE-433 22 Partille Sweden
Tel: +46 31 336 86 00
[email protected] www.frico.se
For latest updated information and information about your local contact: www.frico.se
FRICO SWX CS-D Hot Water Air Heater Unit 






















