Elztrip EZ300 Electric Radiant Heater
Instruction Manual
Elztrip EZ300 Electric Radiant Heater
Ecodesign Regulation (EU) 2015/1188 concerning local space heaters does not apply to all application areas.
The Regulation applies when an installation is intended to provide thermal comfort for people in the premises. The Regulation does not apply to heating installations of a more technical nature e.g. in engineering/utility rooms, in production processes, frost protection, etc. The Regulation also does not apply to installations in vehicles, offshore or outdoors.
Many of Frico’s products can be used as both local space heaters (as defined in (EU) 2015/1188) and for technical heating purposes. It is up to the installer responsible for the installation to assess whether the Ecodesign Regulation is applicable or not. Control solutions for installations not covered by the Ecodesign Regulation are listed in a separate table.
| L [mm] | A [mm] | B [mm] | |
| EZ336 | 1670 | 1200 | 235 |
| EZ345 | 2030 | 1500 | 265 |
Fig.1. Mounting
- Wires (not supplied)
- Ceiling
Fig.2. Positioning
Fig.3. Minimum distances
| EZ300 [mm] | |
| A | 120 |
| B | 250 |
| C | 250 |
| D | 700 |
| E | 1800 |
Controls
| Item number | Type | HxWxD [mm] |
| 92790 | TAP16R | 87x87x53 |
| 205540 | TEP44 | 87x87x55 |
| 93012 | RB3 | 155x87x43 |
| 205688 | RB123 | 155x87x43 |
| 93044 | RTX54 | 82x88x25 |
| 205550 | SKG30 | 115x85x40 |
| 211780 | PDK65 | 102x70x50 |
Controls for installations not covered by the Ecodesign Regulation (EU) 2015/1188
| Item number | Type | HxWxD [mm] |
| 5999 | KRT1900 | 165x57x60 |
| 10214 | KRTV19 | 165x57x60 |
| 11733 | S123 | 72x64x46 |
Elztrip EZ300 (IP44)
| Item number | Type | Heat out put [W] | Voltage [V] | Amperage [A] | Max. surface temperature [°C] | Dimensions LxHxW [mm] | Weight [kg] |
| 11070 | EZ336 | 3600 | 230V3~/400V3N~ | 9,0/5,2 | 320 | 1670x63x420 | 19,8 |
| 11071 | EZ345 | 4500 | 230V3~/400V3N~ | 11,3/6,5 | 320 | 2030x63x420 | 24,2 |
- Heat output
- Voltage
- Amperage
- Max. surface temperature
- Weight
Wiring diagrams
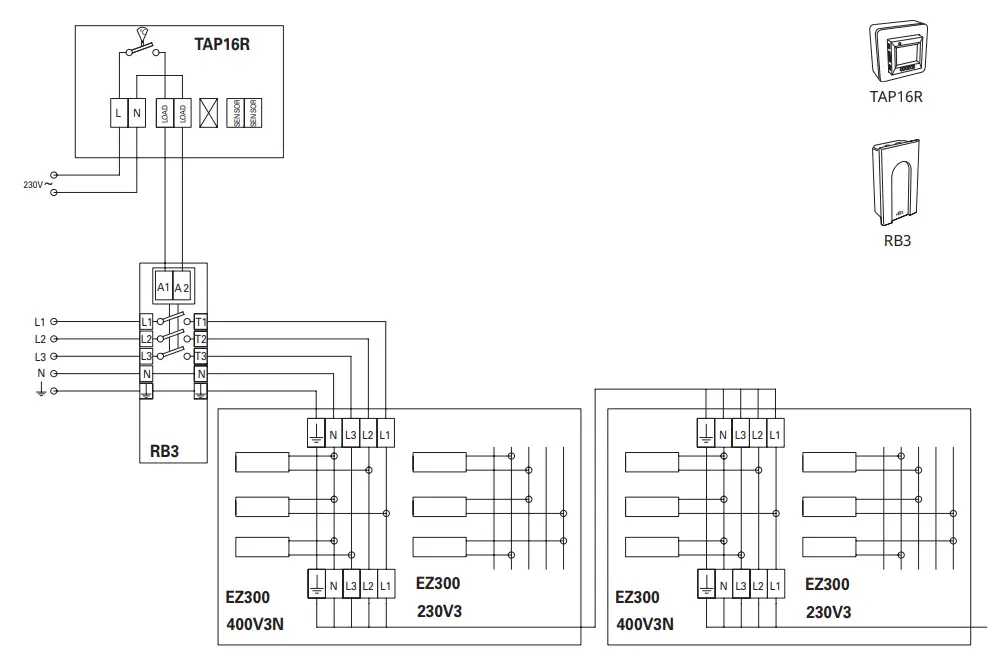
Control with thermostat and relay box
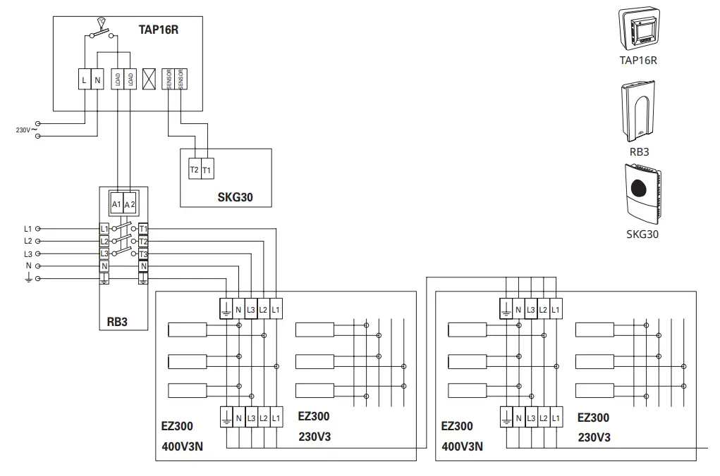
Control by thermostat, relaybox and black bulb sensor
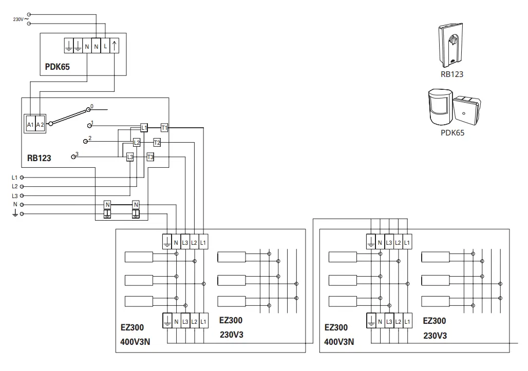
Control by relay box with 3 step output control and presence detector
Control with thermostat, contactor and switch – for installations not covered by the Ecodesign Regulation (EU) 2015/1188
Main office Frico AB
Tel: +46 31 336 86 00
Industrivägen 41
SE-433 61 Sävedalen [email protected]
Sweden
www.frico.net
For latest updated information and information
about your local contact: www.frico.net
















