EZ100 Elztrip Radiant Cassette with Grid

Product Information: Elztrip EZ100
The Elztrip EZ100 is a heating installation product that can be used for both local space heaters and technical heating purposes. It is important for the installer responsible for the installation to assess whether the Ecodesign Regulation (EU) 2015/1188 is applicable or not. The regulation applies when an installation is intended to provide thermal comfort for people in the premises and does not apply to heating installations of a more technical nature such as in engineering/utility rooms, in production processes, frost protection, etc. The regulation also does not apply to installations in vehicles, offshore or outdoors.
Control solutions for installations not covered by the Ecodesign Regulation are listed in a separate table.
Product Usage Instructions: Elztrip EZ100
When using the Elztrip EZ100, it is important to determine whether the Ecodesign Regulation (EU) 2015/1188 is applicable or not. If it is applicable, the product can be used as a local space heater to provide thermal comfort for people in the premises. If it is not applicable, the product can be used for technical heating purposes such as in engineering/utility rooms, in production processes, frost protection, etc.
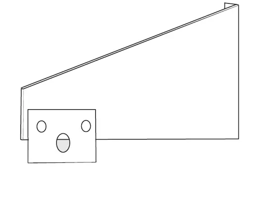
The Elztrip EZ100 can be mounted on either a ceiling or a wall. For ceiling mounting, refer to Fig.1 and use the L and A measurements for the respective models EZ106N, EZ111N, and EZ115N. For wall mounting, refer to Fig.2.
Ecodesign Regulation (EU) 2015/1188 concerning local space heaters does not apply to all application areas.
The Regulation applies when an installation is intended to provide thermal comfort for people in the premises. The Regulation does not apply to heating installations of a more technical nature e.g. in engineering/utility rooms, in production processes, frost protection, etc. The Regulation also does not apply to installations in vehicles, offshore or outdoors.
Many of Frico’s products can be used as both local space heaters (as defined in (EU) 2015/1188) and for technical heating purposes. It is up to the installer responsible for the installation to assess whether the Ecodesign Regulation is applicable or not. Control solutions for installations not covered by the Ecodesign Regulation are listed in a separate table.

| L | A | |
| [mm] | [mm] | |
| EZ106N | 870 | 655 |
| EZ111N | 1470 | 1252 |
| EZ115N | 1950 | 1731 |
Fig.1. Ceiling mounting

Fig.2. Wall mounting

Fig.3. Positioning 
Fig.4. Minimum distances 
Accessories
- Item number , Type
10004 EZMVK (2x)

Controls
| Item | Type | HxWxD |
| number | [mm] | |
| 92790 | TAP16R | 87x87x53 |
| 205540 | TEP44 | 87x87x55 |
| 93044 RTX54 82x88x25 | ||
| 205550 | SKG30 | 115x85x40 |
| 211780 | PDK65 | 102x70x50 |

Controls for installations not covered by the Ecodesign Regulation (EU) 2015/1188
- Item number Type HxWxD [mm]
5999 KRT1900 165x57x60
10214 KRTV19 165x57x60

Elztrip EZ100 (IP44)
| Item number | Type | Heat output | Voltage | Amperage | Max. surface temperature | Dimensions LxHxW | Weight |
| [W] | [V] | [A] | [°C] | [mm] | [kg] | ||
| 14894 | EZ106N | 600 | 230V~ | 2,6 | 320 | 870x50x150 | 3,2 |
| 14895 | EZ111N | 1100 | 230V~ | 4,6 | 320 | 1470x50x150 | 5,4 |
| 14896 | EZ115N | 1500 | 230V~ | 6,5 | 320 | 1950x50x150 | 7,0 |
- Heat output
- Voltage
- Amperage
- Max. surface temperature
- Weight
Wiring diagrams

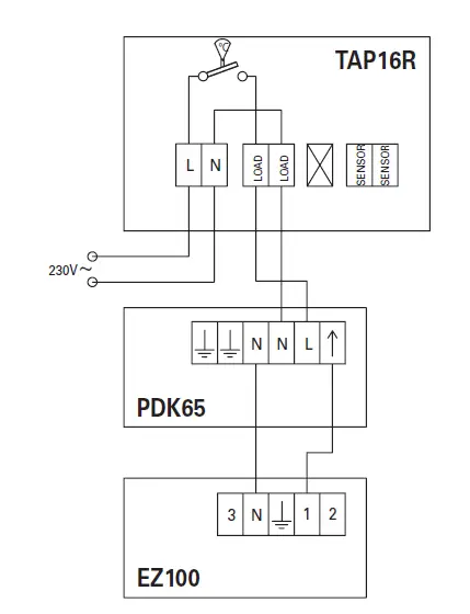
Controls for installations not covered by the Ecodesign Regulation (EU) 2015/1188

Main office
Frico AB Tel: +46 31 336 86 00
Industrivägen 41
SE-433 61 Sävedalen [email protected]
Sweden www.frico.net
For latest updated information and information about your local contact: www.frico.net


















