THE-18D Electric Radiant Heater
Instruction Manual
Models: THE-18D (RC1800), THE-24D (RC2400), THE-30D (RC3000)
Note: NEVER cover this product.
Please read these instructions before using this product.
Model THE-30D (RC3000) must be hardwired by a suitably qualified electrician
BEFORE FIRST USE:
Read and follow all the instructions in this document, even if you feel you are familiar with this product and keep this document for future reference. Record the complete model number (located on the product card) and the date you received the heater together with your purchase receipt, warranty, and service information. Retain this information for warranty purposes.
Note: Only use this heater at the voltage specified on the product brand card, located on the product.
Note: When the heater is first used there may be a smell as oils on the element are burnt off.
This is normal and will dissipate after a short period. It is recommended to allow the heater to heat up in an open environment until there is no longer any smell.
IMPORTANT SAFEGUARDS:
When using any electrical product, basic safety precautions should always be followed, including the following:
- Read all instructions carefully before using this product and keep them for future reference.
- Use only the voltage specified on the rating plate of this heater.
- Do not cover the grills, or block entry or exhaust of airflow, by placing the appliance against any surfaces. Keep all objects at least 1 meter from the front and side of this appliance.
- Do not place this product close to a radiant heat source.
- Do not use in areas near where gasoline, paint, or other flammable liquids are used or stored.
- To avoid burns when the heater is operating, do not touch the hot surfaces of the appliance. Switch off and let the heater cool before touching.
- Do not immerse in water or allow running water into the interior of the heater as this could create an electrical shock hazard.
- Do not operate any appliance with a damaged cord, or plug, after the appliance malfunctions, or has been dropped, or damaged in any manner. Return to a qualified electrical person for examination, electrical or mechanical adjustment, service, or repair.
- Do not touch the appliance with wet hands.
- The most common cause of overheating is deposits of dust or fluff in the heater. Ensure these deposits are removed regularly by unplugging the heater and vacuum-cleaning air vents and grills.
- Do not use this product in a window as rain may cause an electric shock.
- Do not use abrasive cleaning products on this appliance. Clean with a damp cloth (not wet) and soapy water only. Always isolate the appliance from the mains supply before cleaning.
- Do not connect the appliance to the mains voltage until installation and any required adjustment is completed.
- Do not use the appliance in the immediate surroundings of a bath, shower, swimming pool, or other liquids. Electrical wiring regulations specify safe distances. Installation in these areas should be by an electrician or a suitably qualified person.
- Ensure the appliance is turned off and allowed to cool before moving.
- Do not operate with the cord set coiled up as a heat build-up is likely, which could become a hazard.
- Using an extension cord with this appliance is not recommended.
- Always unplug the appliance when not in use.
- Do not allow the cord to come in contact with the heated surface of the heater during operation.
- Ensure the cord cannot be tripped over.
- Do not twist, kink, or wrap the cord around the unit, as this may cause the insulation to weaken and split. Always ensure that all of the cord has been removed from any cord storage area and is unrolled before use.
- Do not use this heater with a programmer, remote control system, separate timer, or any other device that switches the heater on automatically since a fire risk exists if the heater is covered or positioned incorrectly.
- All covers/guards on this appliance are intended to prevent direct access to the heating elements and must be in place when the appliance is in operation.
- Use this appliance only as described in this document. Any other use is not recommended by the manufacturer and may cause fire, electric shock, or injury.
- This appliance can be used by children aged over 8 years and persons with reduced physical, sensory, or mental capabilities, or lack of experience and knowledge, if they have been given supervision or instruction concerning use of the appliance in a safe way and understand the hazards involved. Children shall not play with the appliance. Cleaning and user maintenance shall not be made by children without supervision.
- Children under 3 years should be kept away unless continuously supervised. Children over 3 years and less than 8 years must only switch on/off the appliance if it has been placed or installed in its intended normal operating position and they have been given supervision or instruction concerning use of the appliance in a safe way and understand the hazards involved. Children aged between 3 and 8 years must not plug in, service, clean the appliance, or perform user maintenance.
- CAUTION: Some parts of this appliance can become very hot and cause burns. Attention must be given where children and vulnerable people are present.
- The appliance must be installed at least 1.8m above the floor.
- If the supply cord is damaged, it must be replaced by a service agent or similarly qualified persons to avoid a hazard.
Ambe Radiant Heater Product Instructions

Product Size
| Model | Power | Length (mm) | Width (mm) | Height (mm) |
| THE-18D | 1800W | 1240 | 150 | 65 |
| THE-24D | 2400W | 1540 | 150 | 65 |
| THE-30D | 3000W | 1840 | 150 | 65 |
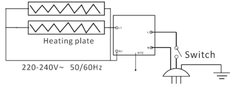
Circuit Diagram

Product Control Panel
IP Rating:
This appliance has an IP rating of IP44.

- Turn the heater on or off
- Turn the LCD display on or off
- Increase temperature setting
- Lock button
- Timer button
- Decrease temperature setting
OPERATION GUIDE
Before first use, please read this manual.
- Take the heater out of the carton carefully.
- Ensure the heater is firmly fixed as per the installation instructions.
- Do not use this heater on a socket with other high-power appliances to avoid overloading.
(Model THE-30D must be hardwired by a suitably qualified electrician)
Turning on the heater:
- While the heater is connected to power turn on the power switch. The PCB light will begin flashing.
- Press
to turn on the heater. The display screen on the heater will show the temperature of the room. When the temperature of the room is lower than the preset temperature, the heater will switch on and the indicator light will blink.
Lock function:
Press the lock button before operation and then press the power button to turn on the heater.
The
indicator should light up on the appliance. The appliance will ignore all other key presses until the lock function is turned off.
Turning the display screen on/off:
This function will turn the display screen on the appliance on or off. Press the button once to turn the screen off and use the indicator light to know the appliance is operating. Press the
button again to turn it back on.
Adjusting the temperature setting:
Press the
or
buttons on the remote to increase or decrease the set temperature in 1°C increment. The maximum is 45°C; the minimum is 5°C. Once you have selected the desired temperature, it is saved, and the heater will automatically return to operating while displaying the current room temperature.
Using the timer to automatically switch off the appliance:
- Press the button once and “88” will flash on the display screen of the appliance.
- Press the
or
buttons to set the desired time you want the appliance to run before turning it off automatically. The minimum time is 1 hour; the maximum is 9 hours. Pressing
or will increase/decrease the time in 1-hour increments. After you have set the desired timer, the setting will save, and the heater will return to operating.
Turning off the heater:
Press at any time and the heater will go into standby. The PCB light will begin flashing. To fully shut down the heater, turn off the power switch.
WARNING: This heater heats up when in use. To avoid burns, do not touch the hot surface.
SERVICE: When servicing is required, contact the local dealer or qualified service center.
REPLACING THE POWER CORD: If the power cord becomes damaged it must be replaced by a service agent or qualified person to prevent a hazard.
CHILD SUPERVISION: This appliance is not intended to be used by children without supervision.
Installation Guide

Step 1: Use the supplied screws to install two of the brackets to the appliance as shown in figure A.
Step 2: Use the supplied screws to install two of the brackets on the wall or ceiling, as shown in figure B.
Step 3: Connect the brackets together with 2 screws (4 total) as shown in figure C.

Ceiling installation: the distance from adjacent walls to the heater must be at least 200mm as shown in figure 1.

(Additional parts sold separately are required)
Double hanging ceiling installation: Two heaters can be installed side-by-side on a double frame installed on the ceiling, as shown in figure 2.
Wall-mounted heaters: The height from the ground to the heater must be at least 1800mm, and the height from the heater to the ceiling must be at least 200mm, as shown in figure 3.
(Additional parts sold separately are required)
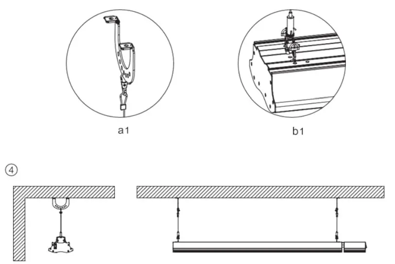
Extended installation: Hanging heaters can be installed by using the parts shown in figure 4.
Cleaning and Maintenance
- This appliance consists of a robust and maintenance-free aluminum casing with a protective cover. No user-serviceable parts are inside.
- Before cleaning, remove the plug from the power outlet or switch off the isolating switch and wait until the appliance is cool.
- Wipe only the outside of the appliance with a clean lint-free cloth or a soft brush. Alcohol can be used if required.
- Never use abrasive cleaners, scrubbing brushes, or chemical cleaners.
- Cleaners containing isopropyl alcohol are suitable to clean the appliance.
- To protect against electrical shock, do not immerse the cord, plug, or any part of the appliance in water or other liquid.
- To replace the heating element, please contact the distributor.
- To perform any other service on the appliance, please contact a suitably qualified electrician.
Storage
Do not coil the cord when storing the heater or when the heater is not in use.
Customer Service
- For safety, repairs must be carried out by authorized specialists. For all repairs, please contact a suitably qualified electrician.
- Improper repairs could lead to danger to the user.
- This warranty does not cover damage or failure which results from alteration, accident, misuse, abuse, neglect, commercial use, or improper maintenance.
- In line with our policy of continuous product development, we reserve the right to change the product and documentation specifications without notice.
WARNING:
- Ensure the heater is securely fixed to the wall or ceiling.
- The heater should be installed in a location where the controls cannot be touched by a person using a bath or shower.
- Consult a qualified electrician or service technician if the power cord is damaged.
- Ensure the heater is kept away from flammable items such as curtains to avoid possible hazards.
- A method of disconnecting the product from the power supply must be included in the fixed wiring in accordance with wiring regulations (applicable to all models if permanently connected).
WARRANTY STATEMENT
Subject to meeting the requirements and following all instructions and warnings in the attached Ambe Radiant Heater manual, Ambe will provide a 2 year distributor warranty from the date of purchase.
Distributor Contact Details:
| Australia | New Zealand |
| Escea Australia Pty Ltd P.O. Box 176 Pennant Hills Sydney NSW 1715 Australia Ph. 1 800 460832 www.ambehome.com | Escea Ltd 17 Carnforth Street Dunedin 9018 New Zealand Ph. 0 800 173 000 www.ambehome.com |

















