CRYSTORAMA 297-DB Grayson 5 Light Chandelier

Product Information
Crystorama Model #297-DB is a lighting fixture that has been designed to provide an elegant and sophisticated look to your home. This fixture is dry rated and requires 5 medium base bulbs, with a maximum recommended wattage of 60 watts and a maximum wattage of 100 watts. It is recommended to use LED bulbs for extended use. The fixture has a metal ring, a top shade, a bottom shade, a glass diffuser, a plastic washer, and a bottom finial. It comes with mounting hardware, a mounting plate, mounting screws, and a canopy kit. The fixture is intended for indoor use only and must be installed by a licensed electrician in accordance with the National Electric Code and the appropriate local electrical codes.
Product Usage Instructions
- Separate the mounting plate from the canopy kit by removing the screws.
- Install the mounting plate to the outlet box using two outlet box screws.
- Determine the preferred hanging height and adjust the required rods.
- Feed the wires through the rods and connect them together.
- Slip the canopy kit along wire and thread it into the top of the rod assembly.
- Install canopy onto the mounting plate, and secure with the mounting screws.
- Install the bulb (not included) into the socket.
- Thread the nipple onto the coupling and adjust the length of the nipple to fit with the glass. Tighten it with hex nut.
- Slide the glass diffuser and the plastic washer over the nipple, then secure with the bottom finial.
To replace the bulb, follow the below steps:
- If replacing from the top opening of the shade, replace the previous bulb with a new bulb.
- If replacing from the bottom, remove the bottom finial and diffuser to replace the bulb.
Warning: This product can expose you to Lead which is known to the state of California to cause cancer and/or birth defects or reproductive harm. For more information go to www.P65Warnings.ca.gov.
WARNING
All electrical components must be installed by a licensed electrician in accordance with the National Electric Code and the appropriate local electrical codes.
You will need a 5-Medium Base Bulb 60 Watts Recommended 100 Watts Max. USE LED BULBS FOR EXTENDED USE This fixture is Dry rated![]()
WIRING DIAGRAM
How to install
- Separate the mounting plate from the canopy kit by removing the screws.
- Install the mounting plate to the outlet box using two outlet box screws.
- Determine the preferred hanging height and adjust the required rods.
- Feed the wires through the rods and connect them together.
- Slip the canopy kit along the wire and thread it into the top of the rod assembly.
- Install the canopy onto the mounting plate, and secure it with the mounting screws.
- Install the bulb(not included) into the socket.
- Thread the nipple onto the coupling and adjust the length of nipple to fit with the glass. Tighten it with hex nut.
- Slide the glass diffuser and the plastic washer over the nipple, then secure with the bottom finial.
HOW TO REPLACE BULB:
- FROM THE TOP OPENING OF THE SHADE, REPLACE THE PREVIOUS BULB W/A NEW BULB. (IF REPLACED FROM THE BOTTOM, YOU NEED TO REMOVE
- THE BOTTOM FINIAL AND DIFFUSER TO REPLACE THE BULB.)
WARNING: This product can expose you to Lead which is known to the state of California to cause cancer and/or birth defects or reproductive harm. For more information go to www.P65Warnings.ca.gov
DIMENSION

ASSEMBLY INSTRUCTION
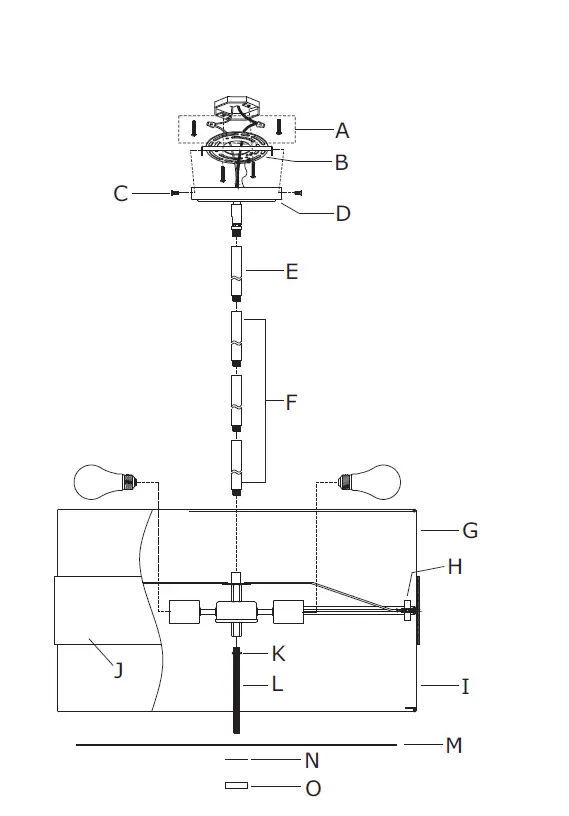
Part Number
- A. (1)-Mounting hardware
- B. (1)-Mounting plate
- C. (2)-mounting screw
- D. (1)-Canopy kit W5-7/8’’xH7/8’’ #XRF290DBCAN5.875IN E. (1)-Rod D5/8’’xL6’’ #XRF290DBROD6IN
- F. (3)-Rod D5/8’’xL12’’ #XRF290DBROD12IN G. (1)-Top shade W22-3/4’’xH7’’ #XRF297DBSHA22.75IN H. (6)-Cylinder nut
- I. (1)-Bottom shade W22-3/4’’xH7’’ #XRF297DBBOTSHA22.75IN J. (1)-Metal ring
- K. (1)-Hex nut
- L. (1)-Nipple
- M. (1)-Glass diffuser #XRF297DIF22.125IN N. (1)-Plastic washer
- O. (1)-Bottom finial #XRF293DBFIN






















