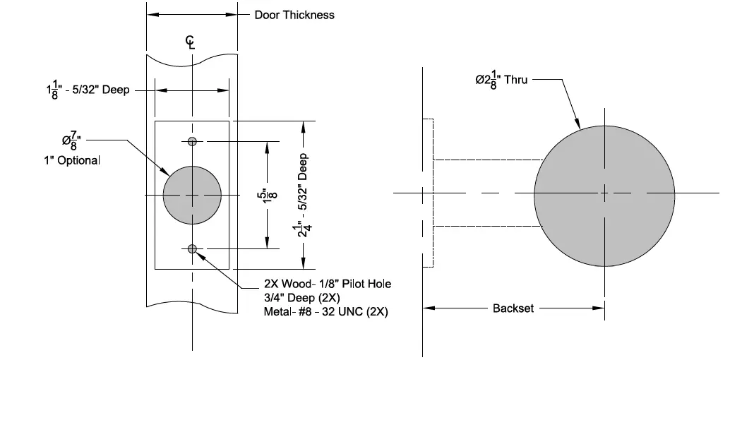
HALLMAN KMS BLE Deadbolt Template

Hollow Metal. Wood or Composite- Square or Beveled Edge Door
SPECIFICATIONS
- Door Thickness 1 3/4″
- Backset 2 3/8″ 1 2 3/4″
- Faceplate 1 1/8″ Square Corner
DIMENSIONS

NOTES:
- DIMENSIONS IN INCHES.
- ALWAYS CHECK PDQ WEBSITE FOR THE MOST RECENT TEMPLATE REVISION AT WWW.PDQLOCKS.COM
PDQ Manufacturing 2230 Embassy Dr. Lancaster. PA 17603 833-273-7832 833-2 PDQTECH www.pdqlocks.com
















