GROWATT MIN 3K-11.4KTL-XH-US Grid-Tie Storage Inverter

Power on the system
Energy Management System Introduction
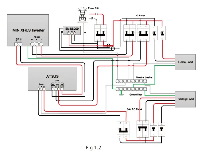
MIN 3K-11.4KTL-XH-US energy storage system diagram is shown in the figure below:
The system wiring diagram is as follows:
System Configuration Contains
Energy Storage System / Off-Grid System.
- MIN 3-11.4KTL-XH-US inverter.
- ARO battery(s).
- ATS.
- Electric meter SM-US-200. Inverter Grid-Connected System.
- MIN 3-11.4K TL-XH-US inverter.
- Electric meter SM-US-200 (Optional ).
| Product | Model | Function | Note |
| Inverter | MIN 3K-11.4KTL-XH-US | Energy conversion | |
| ARO Battery | ARO 6.6-9.9L-C1-US | Energy storage | UP TO 4 |
| ATS | ATS 5K/11.4KT-US | EPS switching | |
| Smart meter | SM-US-200 | Energy management | |
| Button | RSD Button | Rapid shutdown | Accessory (included in the package) |
Check System Installation & Power On
All components were installed according to the installation guides, please check the following highlighted installation locations: Power on the system according to the MIN 3000-11400TL-XH-US Quick Guide which is included in the inverter package/box.

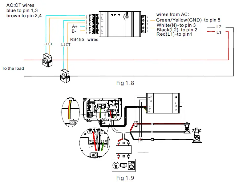
Installation and Wiring of Electric Meter SM-US-200
Meter Mounting
- The meter should be mounted in a Power Distribution Box.
- Mount the meter on a 35mm DIN rail.

CT Installation
Install the two CTs with the Arrow pointing to the LOAD.
- Make sure the CT of L1 matched the L1 input of the Service Panel that also matches the L1 to the inverter.
- Make sure the CT of L2 matched the L2 input of the Service Panel that also matches the L1 to the inverter.
Meter Wiring
- When connecting the meter to the inverter, refer to the connection diagram below. AC: CT wires

- RS485 cables Ground, B- & A+ was installed from the left to right when facing the meter, Please refer to the silkscreen on the meter.
ShineTools APP Setup
APP Download
There are two ways to download the ShineTools APP:
Scan the QR code
- Scanning the QR code through a phone camera for downloading the APP.

APP Store
- Search for ShineTools App from app stores (App or Play Store).
- The ShineTools App icon is displayed the same as in Figure 4.
- Download and install the App by following the installation instructions.

APP Introduction
ShineTools is used to connect the inverter with built-in WIFI at close range. We can view the inverter system information and system function settings with it.
Connecting to Local Wi-Fi Network
The steps for using the APP are as follows:

Note:
When no data was present, the communication connection is unsuccessful and you will need to reconnect the build-in WIFI of the inverter by turning off Wifi setting in the phone and turn on again OR power cycle the system. Also, keep the mobile phone within 3 meters of the inverter to ensure a stable connection between phone and inverter.
Local Commissioning Main Interface Introduction
The main interface of local commissioning consists of three parts:
- Power generation information
- Fault warning message
- Internal information viewing and parameter setting

Grid Code Mapping Table
The factory Default grid mode of the inverter is IEEE1547-240, which can adapt to most power grids. The different grid codes can be changed according to local regulations in the network configuration interface from Quick Setting in ShineTools App.
| No. | Grid Code | Description | No. | Grid Code | Description |
| 1 | HECO-208 | US Hawaii low-voltage power grid | 2 | HECO-240 | US Hawaii low-voltage power grid |
| 3 | IEEE1547-208 | US low-voltage power grid | 4 | IEEE1547-240 | US low-voltage power grid |
| 5 | PRC-East-208 | Eastern US low-voltage power grid | 6 | PRC-East-240 | Eastern US low-voltage power grid |
| 7 | PRC-Quebec- 208 | Canada Quebec’s low-voltage power grid | 8 | PRC-Quebec- 240 | Canada Quebec’s low-voltage power grid |
| 9 | RULE21-208 | US California low-voltage power grid | 10 | RULE21-240 | US California low-voltage power grid |
Wi-Fi Network Configuration
The first time installs the inverter, the inverter needs to be configured to connect to the home Wi-Fi to ensure remote monitoring.
- Tap in the Quick Setting icon
- Choose Network configuration
- Enter network information
- Tap on Connect to the internet icon
- Prompt message for successful configuration

Note:
If the network configuration has failed, please carefully check the Wi-Fi name, password, and antenna installation connection, and then try again.
Notice: The inverter does not support a 5GHz WiFi network.
Energy Management System
Notice:
First time install the energy storage system, charge the battery for at least 1 hour or up to 60% SOC before powering off the system. This action will keep up the battery power to avoid running out while waiting for PTO.
There are two ways to charge the battery
- The first is to connect the PV array to the PV of the inverter and turn off the AC output breaker of the inverter.
- The second method is to connect the AC output of the inverter to the grid without any PV input, set the EMS model of the system to TOU Battery Charging (5.2.3), and turn on the AC charging function (5.2.2).
Management System Mode Introduction
The MIN 3K-11.4K TL-XH-US system provides four energy storage modes to choose from.
Energy Management System setting
For the photovoltaic energy storage system, several functions of the system need to be set after the first installation and power-up.
Power Sensor Setting
If an electric meter is installed in the system, please set it. Factory Default is Disabled. Note: Power Sensor: iOS = Electric meter Android = Meter.
AC Charging Setting
The AC charging is used to set whether to allow charging the battery from the Grid. Factory Default is Disabled.
- Tap in Charge and Discharge Management
- Find Enable AC Charging
- Tap on the ON/OFF button.

EMS Mode Setting:
If an ARO battery is installed in the system, you need to set the energy storage mode.
Factory Default is Maximum Self-Consumption
Example: If the energy storage system is to be used as backup and only use the battery when the grid is powered off, set the battery charging and discharging time period to 24 hours for TOU Battery Charging.

Battery Life Maintenance (Important)
unplug Battery power, Battery Communication cables, and turn OFF battery modules power (Check the battery quick installation guide for the detail) . if the following conditions were met:
- The installation is not completed.
- No PV and AC power can charge the battery.
Charge the battery SOC above 60% or higher after installation is complete and pending AHJ/city review and approval.
Troubleshooting Commissioning Error Code
Enter the local commissioning home page, and view the fault and alarm information on the main interface if there exists after installation. The fault and alarm code on the ShineServer Page will be the same in the APP. If you find a fault or alarm, please click it, and then you will be redirected to the interface of fault explanation and handling tips.
Common Fault and warning Codes
| Fault code | Fault name | Possible cause | suggestion |
|
Error 200 |
AFCI Fault |
There is a problem with the wiring connection | 1. After shutdown, check the panel terminal. 2. Decrease AFCI sensitivity and restart. 3. If the error message still exists, contact the manufacturer. |
|
Error 201 | Residual current High | PV panel insulation problem | 1. Restart inverter. (Related to Grounding fault?) 2. If the error message still exists, contact the manufacturer. |
|
Error 202 |
PV Voltage High |
Too many PV panels connected in series | 1. Immediately disconnect the DC switch and check the PV voltage. 2. If the fault code still exists after the normal voltage is restored, contact the manufacturer. |
| Error 203 | PV Isolation Low | PV panel insulation problem | 1. Check PV panel and wiring. |
|
Error 204 |
PV Reversed | PV positive and negative are reversed | 1. After shutdown, Check the inverter terminal. 2. Restart inverter. 3. If the error message still exists, contact the manufacturer. |
|
Error 300 |
AC overvoltage | Grid voltage overvoltage | 1. Check grid voltage. 2. If the error message still exists despite the grid voltage being within the spec range, contact the manufacturer. |
| Error 301 | AC reversed | AC wiring error | 1. Check AC terminals. 2. If the error message still exists, contact the manufacturer. |
| Error 302 | No AC Connection | No AC Connection | 1. After shutdown, Check AC wiring. 2. If the error message still exists, contact the manufacturer. |
| Error 303 | NE abnormal | N or PE wring error | 1. Check PE wiring. 2. Check N wiring. |
| Error 304 | AC F Outrange | Abnormal grid frequency | 1. Restart inverter. 2. If the error message still exists, contact the manufacturer. |
| Warning 217 |
BDC Abnormal |
ARO battery error | 1. Check ARO battery terminals 2. Check the connection. between the inverter and the ARO battery. |
| Warning 218 | BDC Bus Disconnect | Inverter and BDC wiring failure | 1. Check the wire connection between the inverter and the ARO battery. 2. If the error message still exists, contact the manufacturer. |
ShineServer Operation
ShineServer is the online monitoring platform that allows remote access through the ShinePhone App or any web browser. However, the premise is that the Wi-Fi network has been configured. Account and plant information will be the same in both the web browser version and on the ShinePhone App.
Register an Account
- Log in to our monitoring website http://server-us.growatt.com and click Register an Account.

- Fill in the appropriate information on the registration interface and log into the account after the registration is completed.

Create a power plant
- When you log into your account for the first time, you will be prompted to register a power plant.
- Click Add Plant in the upper right-hand corner to create a power plant. A single account can contain multiple power plants.

- Fill in the appropriate power plant information in order to complete the power plant creation.

Add Data Logger to the power plant
- Click on the power plant just created, enter the power plant page, and then add a data logger.The SN number of the collector is on the barcode on the side of the inverter, starting with VC. A power plant can contain multiple data loggers.


- When you have completed these steps, you will be able to view the inverter system remotely through the ShinePhone APP and through any browser.
Shinephone Introduction
APP Download
There are two ways to download the ShinePhone APP: c) Scan the QR code
Scan the QR code through WeChat or IOS’s Camera, then download the APP.
APP Store
Search for ShinePhone from app stores, download the installation package, and install the ShinePhone app by following the instructions.the ShinePhone icon is displayed on the home screen.
APP Introduction
Shinephone can remotely monitor the inverter system information, which has the same function as the shine server, and the two pieces of information are shared. We can also register and create power stations through the shine phone app.

Contacts
Growatt USA, Inc
- 9227 Reseda Blvd,#435 Northridge, CA 91324, USA.
- T 1(866) 686-0298
- E [email protected]
- W www.growatt-america.com.




























