tbs electronics DC Modular 48V 350A Battery Protect Relay

Product Information
- Product Name: DC Modular EN 48V 350A Battery Protect Relay (TBP)
- Dimensions:
- 138.0mm (length)
- 64.5mm (width)
- 94.0mm (height)
- 4 mounting holes with 5mm diameter each (R = 5mm)
- Wiring:
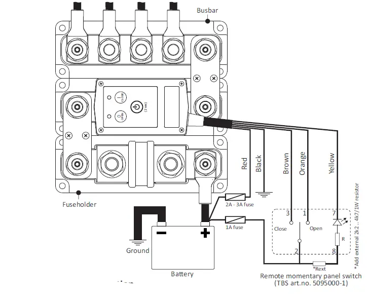
- Red: +Vdc continuous supply
- Black: Ground
- Brown: +Vdc pulse closes contact
- Orange: +Vdc pulse opens contact (lasts for 2 seconds)
- General Operation:
- Green flash indicates contact closed
- Red flash indicates the error (refer to the table for details)
- Has a power button that can turn the TBP on or off. When turned off, the TBP will automatically open the contact. In off mode, the TBP will ignore any control wire commands.
- Override mode available through remote or local controlbuttons
Product Usage Instructions
- Install in a dry indoor location, as close as possible to the battery by a qualified technician.
- Ensure that all nuts are securely tightened with the recommended torque rating of 22Nm for the M10 nuts to avoid fire hazards or damaging the TBP.
- Ensure that spring- and flat washers are always placed directly below the nut to avoid fire hazards or damaging the TBP. Never place washers between busbar and cable lug, multiple cable lugs on the same stud, busbar and link plate, or cable lug and link plate.
- Properly strain relieve all connection cables to avoid excessive mechanical stress on the TBP.
- Press the power button for 2 seconds to turn the TBP on or off. When turned off, the TBP will automatically open the contact. In off mode, the TBP will ignore any control wire commands.
- Use a remote momentary panel switch (TBS art.no. 5095000-1) for override mode.
- Refer to the wiring example to properly connect the red, black, brown, orange, and yellow wires.
- Refer to the table for troubleshooting if the red LED flashes.
Dimensions

Precautions
Please install this product in a dry indoor location, as close as possible to the battery. To be installed only by qualified technicians.
To avoid fire hazards, use correctly sized cables which are suitable to carry the expected load currents in your application. The maximum continuous TBP current rating of 500A is only valid when a total cable size of at least 200mm² is connected to the M10 studs. Or when the TBP is part of a DC Modular system containing large busbars and fuseholders.
To avoid fire hazards or damaging the TBP, please make sure that all nuts are securely tightened. Please apply our recommended torque rating of 22Nm for the M10 nuts.
To avoid fire hazards or damaging the TBP, please make sure that spring- and flat washers are always placed directly below the nut. Never place washers between: busbar and cable lug, multiple cable lugs on the same stud, busbar and linkplate or cable lug and linkplate.
Please make sure that all connection cables are properly strain relieved, to avoid excessive mechanical stress on the TBP.
Removing stud covers for cable connection access

Wiring example

Wire : Standard function
- Red +Vdc continuous supply
- Black Ground
- Brown +Vdc pulse closes contact
- Orange +Vdc pulse opens contact
- Yellow ¹⁾ Status (LED) output ¹⁾
The Status output is a ground referenced open collector port with a maximum switching capacity of 60V / 100mA (Rout≈10Ω)
General operation

| Red LED flash table | ||||
| Both LEDs flashing red (error) | OPEN LED flashing red (error) | CLOSE LED flashing red (error) | Red LEDs flash alternately (slow) | Red LEDs flash alternately (fast) |
| Supply voltage too low Supply voltage too high TBP Temperature too high Contacts are welded, replace TBP | Low voltage disconnect, contact remains open after voltage recovery Contact fails to open. Check if supply voltage is within range. Otherwise return TBP for service | Contact fails to close. Check if supply voltage is within range. Otherwise return TBP for service. | Low voltage disconnect, contact closes automatically after voltage recovery | Override mode |
During normal operation a green flashing LED indicates whether the TBP contact is open or closed. This contact state can be changed by pressing the local OPEN and CLOSE buTTons, or through the remote control wires.
If the TBP is configured with an enabled disconnect voltage, the contact will automatically open after 1 minute when the battery voltage has dropped below the disconnect voltage level. In this mode, the two TBP LEDs will flash red alternately. If a reconnect voltage has been set as well, the contact will close automatically when the battery voltage exceeds the reconnect voltage value again.
If no disconnect or reconnect voltages are programmed inside the TBP, it will just operate as a manually operated remote battery switch and there is no automaTIc control based on baTTery voltage anymore.
TBS Panel Switch indicator
When the TBP is remotely controlled by the dedicated TBS Panel Switch (art# 5095000-1), the LED indicator can have the following states:


Override mode
In situations where the TBP has opened the contact due to a battery undervoltage, it can be handy to temporarily close the contact in case of an emergency or when it is needed to connect the battery to a charging source like an inverter/charger combinatoon. For these situations we have implemented the Override mode. When this mode is activated, the contact closes for 1 minute. When during this 1 minute the battery voltage rises above the disconnect voltage (due to a connected charging source), the contact remains closed and the TBP will automatically operate in the normal mode again. When after this 1 minute the battery voltage remains below the disconnect voltage, the contact will open again.
Override mode is only available for remote control in control modes 1, 2, 3, 6 and 7 (see control mode table in the Change remote control mode chapter). It can be locally activated in any control mode by pressing the ‘I’ (Close) button for 2 seconds after the TBP contact has opened due to a battery undervoltage. In 2-wire control modes 1, 2 or 3 it can also be activated remotely by pressing the ‘ON’ position of the TBS Panel Switch for 2 seconds. When operating in single wire control modes 6 or 7, Override mode can be activated by shortly pushing the remote SPST switch from OFF to ON again. While operating in Override mode, the local LEDs will flash red alternately (fast) and the TBS Panel Switch LED will flash fast as well.
Change remote control mode
When in off mode, press all three buttons simultaneously for two seconds to enter the setup mode:

Step through the control modes by pressing the OPEN (up) or CLOSE (down) buttons
| Control mode table | |||
| Mode no. | Open LED | Close LED | Control mode |
| 1 | G | 2-wire, no contact change at power-up | |
| 2 | G | G | 2-wire, contact closes at power-up |
| 3 | O | 2-wire, contact opens at power-up ¹⁾ | |
| 4 | O | single-wire, normally open contact (Override mode disabled) | |
| 5 | O | O | single-wire, normally closed contact (Override mode disabled) |
| 6 | R | single-wire, normally open contact | |
| 7 | R | single-wire, normally closed contact | |
LED off
LED green
LED orange
R = LED red
Factory default setting
When the desired control mode is selected, press the Power button for 2 seconds to save the setting. Press the Power button again for 2 seconds to activate the TBP with the new control mode. Settngs remain saved if the supply voltage is lost.
Additional control mode explanations:
- Modes 1, 2 & 3: +Vdc pulse on brown wire to close, +Vdc pulse on orange wire to open.
- Modes 4 & 6: + Vdc continuous on brown wire to close, 0Vdc on brown wire to open. Orange wire not used.
- Modes 5 & 7: + Vdc continuous on brown wire to open, 0Vdc on brown wire to close. Orange wire not used.
Change disconnect and reconnect voltage levels
When in off mode, press the two buttons indicated below simultaneously for 2 seconds to enter the desired setup mode:

| Voltage selec on table | ||||
| Se ng no. | Open LED | Close LED | Disconnect voltage ²⁾ | Reconnect voltage |
| 0 | G | OFF (no automa c disconnec on) | OFF (no automa c reconnec on) | |
| 1 | G | 36.0V | 42.0V | |
| 2 | G | G | 37.0V | 43.0V |
| 3 | O | 38.0V | 44.0V | |
| 4 | O | 39.0V | 45.0V | |
| 5 | O | O | 40.0V | 46.0V |
| 6 | R | 41.0V | 47.0V | |
| 7 | R | 42.0V ¹⁾ | 48.0V ¹⁾ | |
| 8 | R | R | 43.0V | 49.0V |
| 9 | O | R | 44.0V | 50.0V |
| 10 | G | R | 45.0V | 51.0V |
| 11 | R | O | 46.0V | 52.0V |
| 12 | G | O | 47.0V | 53.0V |
| 13 | R | G | 48.0V | 54.0V |
| 14 | O | G | 49.0V | 55.0V |
Step through all voltage level settings by pressing the OPEN (up) or CLOSE (down) buttons
LED off
LED green
LED orange
R = LED red
- Factory default setting
- Contact opens after 1 minute when the battery voltage drops below the selected disconnect voltage. When within this time period the battery voltage drops more than 4V below the selected disconnect voltage, the contact opens after 2 seconds.
When the desired disconnect or reconnect voltage is selected, press the Power button for 2 seconds to save the setting. Press the Power button again for 2 seconds to activate the TBP with the new disconnect and/or reconnect voltage settings. Settings remain saved if the supply voltage is lost.
Features
- Smart high current magnetic latching relay, draws virtually no current in On (Close) or Off (Open) state.
- Silver alloy contacts and silver plated copper busbars, for maximum conductivity and high reliability when switching live loads.
- Local Open and Close buttons on top, to manually override the switch state.
- Automatic load disconnection (10 programmable disconnect- and reconnect voltage levels)
- Override mode allows temporary battery connection during under voltage conditions, in case of emergency or to facilitate the battery charging process.
- 5 wire interface cable for remote control by panel switch, battery monitor or BMS. Compatible with two wire or single wire On/Off control.
- Includes status wire for controlling indicator light or providing feedback to BMS.
- Stainless steel studs, washers and nuts for optimal corrosion resistance.
- Unique grid optimized footprint allows space saving arrangements with other DC Modular products.
- Special fiber reinforced plastic housing offers excellent high temperature properties, good chemical resistance and high strength.
- Robust transparent covers with breakouts to allow wire access from any direction.
- Smart terminal design allows dual mirrored cable lug connections.
Specifications
| Parameter | TBP-48-350 (art# 5074440) |
| Contact circuit (electrical) | |
| Maximum voltage | 60Vdc |
| Nominal current @ 25°C | 500A (see Precau on #2) |
| Cranking current (1 minute) | 1000A |
| Nominal make / break current | 350A |
| Peak make / break current ¹⁾ | 1200A |
| Control circuit (electrical) | |
| Coil / supply voltage (+Vdc) | 34 .. 68Vdc |
| Coil / supply current (idle state) | < 100μA |
| Coil / supply current (state change) | < 1.5A |
| Control wire supply current | < 2.5mA (when ac ve) |
| Control wire threshold voltage | > 5Vdc |
| General | |
| Remote control ²⁾ | By control wires (length 40cm, max. 15m) |
| Local control | On/Standby, Open and Close contact, Override mode |
| Automa c disconnect and reconnect | Yes (10 individually programmable disconnect and reconnect voltage levels) |
| Indicators | Contact open/close, Undervoltage disconnect, Override mode, Error and Setup |
| Protected against | High temperature, High/Low supply voltage, Igni on (ISO 8846) |
| Mechanical life | 100000 cycles |
| Electrical life | 10000 cycles (@ 350A/48V/resis ve) |
| Opera ng temperature range | -20 .. +60°C |
| Connec on studs / DCM grid size | M10 / 1 x 3 |
| Protec on class / weight | IP 65 / 800 grams |
| Standards | EMC: 2014/30/EU, Low voltage Direc ve: 2014/35/EU, RoHS: 2011/65/EU, ISO 8846 |
Note : the given specifications are subject to change without notice
- Install proper pre-charge circuit to keep peak make current significantly below this value ²⁾ Panel switch with LED indicator optionally available (Art. no. 5095000-1)

LED off
LED green
LED orange
R = LED red

















