PHILIPS dynalite DDRC420FR Relay Controller

Installation Instructions
Devices must be installed in an approved enclosure by a qualified electrician in accordance with all national and local electrical and construction codes and regulations.



1 / 3 CH-CH ≤ 300 V (UL) / 400 V (CE)
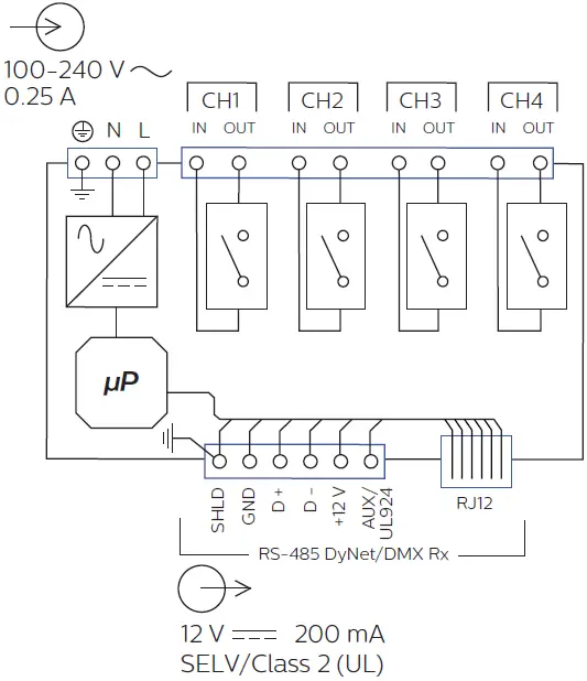
Installation example
3
CH-CH = 277 / 480 V
Output Ratings/Channel (CH)
Output Ratings/Group
CH-CH ≤ 300 V (UL) / 400 V (CE) DDRC420FR ≤ 64 A (UL), 80 A (CE)



Federal Communications Commission (FCC) Compliance Notice: Radio Frequency Notice
This equipment has been tested and found to comply with the limits for a Class B digital device, pursuant to part 15 of the FCC Rules. These limits are designed to provide reasonable protection against harmful interference in a residential installation. This equipment generates, uses, and can radiate radio frequency energy and, if not installed and used in accordance with the instructions, may cause harmful interference to radio communications. However, there is no guarantee that interference will not occur in a particular installation. If this equipment does cause harmful interference to radio or television reception, which can be determined by turning the equipment off and on, the user is encouraged to try to correct the interference by one or more of the following measures: Reorient or relocate the receiving antenna. Increase the separation between the equipment and receiver. Connect the equipment into an outlet on a circuit different from that to which the receiver is connected. Consult the dealer or an experienced radio/TV technician for help. Any modifications not approved by the manufacturer of this device could void the user’s authority to operate this device.
This Class B digital apparatus complies with Canadian ICES-003: CAN ICES-3(B)/NMB-3(B). Cet appareil numerique de la classe B est conforme a la norme NMB-003 du Canada: CAN ICES-3(B)/NMB-3(B).
Installation of a home and building automation and control system shall comply with IEC 60364 (all parts). The temperature limits and current-carrying capacities for the communication wires specified in IEC 60364-5-52 shall not be exceeded.



















