PHILIPS DDRC810DT-GL Relay Controller
Devices must be installed in an approved enclosure by a qualified electrician in accordance with all national and local electrical and construction codes and regulations.
WHAT IS IN THE BOX
NOTE INCLUDE IN THE BOX
DIMENSION
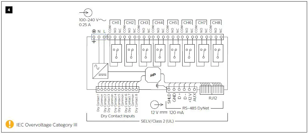
INSTRUCTION







FCC and RSS-210 of IC (Industry Canada) Rules – This equipment has been tested and found to comply with the limits for a Class B digital device, pursuant to part 15 of the FCC Rules and pursuant to RSS210 of the IC Rules. These limits are designed to provide reasonable protection against harmful interference in a residential installation. This equipment generates, uses, and can radiate radio frequency energy and, if not installed and used in accordance with the instructions, may cause harmful interference to radio communications. However, there is no guarantee that interference will not occur in a particular installation. If this equipment does cause harmful interference to radio or television reception, which can be determined by turning the equipment off and on, the user is encouraged to try to correct the interference by one or more of the following measures: Reorient or relocate the receiving antenna. Increase the separation between the equipment and receiver. Connect the equipment into an outlet on a circuit different from that to which the receiver is connected. Consult the dealer or an experienced radio/TV technician for help. Any modifications not approved by the manufacturer of this device could void the user’s authority to operate this device.
This Class B digital apparatus complies with Canadian ICES-003: CAN ICES-3(B)/NMB-3(B). Cet appareil numerique de la classe B est conforme a la norme NMB- 003 du Canada: CAN ICES-3(B)/NMB-3(B).
Installation of a home and building automation and control system shall comply with IEC 60364 (all parts). The temperature limits and current-carrying capacities for the communication wires specified in IEC 60364-5-52 shall not be exceeded.
© 2022 Signify Holding. All rights reserved. Specifications are subject to change without notice. No representation or warranty as to the accuracy or completeness of the information included herein is given and any liability for any action in reliance thereon is disclaimed. Philips and the Philips Shield Emblem are registered trademarks of Koninklijke Philips N.V. All other trademarks are owned by Signify Holding or their respective owners.
www.lighting.philips.com/dynalite































