PHILIPS DMRC210 Relay Controller

Installation Instructions
Devices must be installed by a qualified electrician in accordance with all national and local electrical and construction codes and regulations
WHATS IN THE BOX?

TOOLS 
DIMENSION 
INSTALLATION
SPECIFICATION

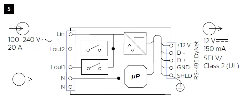
WIRING
CONNECTION
2022 Signify Holding. All rights reserved. Specifications are subject to change without notice. No representation or warranty as to the accuracy or completeness of the information included herein is given and any liability for any action in reliance thereon is disclaimed. Philips and the Philips Shield Emblem are registered trademarks of Koninklijke Philips N.V. All other trademarks are owned by Signify Holding or their respective owners

























