velleman K8090 8 Channel USB Relay Card

8 CHANNEL USB RELAY CARD
The 8 Channel USB Relay Card allows you to control eight relay channels using your computer’s USB port. Each of the high power relays can handle up to 16A of current. The board also has space for extra VDR noise suppressors and push buttons for testing and operating all the relays.
Features:
- USB-controlled relay card
- Manual operation for toggle, momentary or timer operation (selectable through software)
- Timer settings up to 18 hours (DLL function)
- Optional open collector connectivity (push button simulation)
- Event-driven and open protocol two way PC communication (USB Event return)
- LED indication for power and relay action
- Optional VDR (type VDR300) transient suppression for use with inductive loads
Specifications:
- Total solder points: 363
- Difficulty level: beginner 1 2 3 4 5 advanced
- Minimum system requirements:
- PC running USB compatible Windows version
- USB1.1 and USB2.0 full speed compatible
- Internet connection for software download
- Optional DIN rail enclosure: B8006 (Note: cut-out the USB connector)
Assembly Instructions
Assembly Hints:
Make sure you have the right tools and that your skill level matches your experience to avoid disappointments. Follow the instructions carefully and read and understand the entire step before performing each operation. Perform the assembly in the correct order as stated in the manual.
Soldering Hints:
- Mount the component against the PCB surface and carefully solder the leads.
- Make sure the solder joints are cone-shaped and shiny.
- Trim excess leads as close as possible to the solder joint.
- Remove components from the tape one at a time and always check their value on the parts list.
Construction:
- Diodes (check the polarity)
- D… CATHODE
- D1 … D10 : 1N4148
- D11 … D14 : 1N4007
- Resistors.
- R…
- R1 … R21 : 1K (1 – 0 – 2 – B)
- R22 : 4.7 (4 – 7 – B – B)
- R23 … R36 : 100K (1 – 0 – 0 – 3 – 1)
- R37 … R46 : 200K (2 – 0 – 0 – 3 – 1)
- IC socket. Watch the position of the notch!
- LEDs. Watch the polarity!
- CATHODE
- LD1 … LD11 : 3mm RED
- LD1 … LD8 LD9 LD10 LD11 : Output indication : USB DATA : USB
power indication : Relay power indication
Note: If voltages > 30V are connected, then an enclosure must be used!
Use your computer USB porltd t. o connect to the outside wor
Total solder points: 363
Difficulty level: beginner 1 2 3 4 5 advanced
Eight relay channels controlled by your computer!
Use your computer USB port to connect to the outside world. Connect up to 16A to each of the high power relays. Board space for extra VDR noise suppressors is provided and on board push buttons can be used to test/operate all the relays.
Features
- USB-controlled relay card
- manual operation for toggle, momentary or timer operation (selectable through software)
- timer settings up to 18 hours (DLL function)
- optional open collector connectivity (push button simulation)
- event-driven and open protocol
- two way PC communication (USB Event return)
- LED indication for power and relay action
Optional VDR (type VDR300) transient suppression for use with inductive loads minimum system requirements: - PC running USB compatible Windows version
- USB1.1 and USB2.0 full speed compatible
- internet connection for software download
- optional DIN rail enclosure: B8006 (Note: cut-out the USB connector)*
Specifications
- power supply for relays: 9-10Vac or 12 to 14Vdc (500mA)
- 8 high-power relays: 16A each (resistive load)
- dimensions: 160 x 107 x 30mm / 6.3 x 4.2 x 1.2

Assembly (Skipping this can lead to troubles ! )
Ok, so we have your attention. These hints will help you to make this project successful. Read them carefully.
Make sure you have the right tools:
- A good quality soldering iron (25-40W) with a small tip.

- Wipe it often on a wet sponge or cloth, to keep it clean; then apply solder to the tip, to give it a wet look. This is called ‘thinning’ and will protect the tip, and enables you to make good connections. When solder rolls off
the tip, it needs cleaning.

- Thin raisin-core solder. Do not use any flux or grease.
- A diagonal cutter to trim excess wires. To avoid injury when cutting excess leads, hold the lead so they cannot fly towards the eyes.
- Needle nose pliers, for bending leads, or to hold components in place.

- Small blade and Phillips screwdrivers. A basic range is fine.
- For some projects, a basic multi-meter is required, or might be handy

Assembly Hints
- Make sure the skill level matches your experience, to avoid disappointments.
- Follow the instructions carefully. Read and understand the entire step before you perform each operation.
- Perform the assembly in the correct order as stated in this manual
- Position all parts on the PCB (Printed Circuit Board) as shown on the drawings.
- Values on the circuit diagram are subject to changes.
- Values in this assembly guide are correct*
- Use the check-boxes to mark your progress.
- Please read the included information on safety and customer service
- Typographical inaccuracies excluded. Always look for possible last minute man-ual updates, indicated as ‘NOTE’ on a separate leaflet.
Soldering Hints :
- Mount the component against the PCB surface and carefully solder the leads

- Make sure the solder joints are cone-shaped and shiny

- Trim excess leads as close as possible to the solder joint

REMOVE THEM FROM THE TAPE ONE AT A TIME !
DO NOT BLINDLY FOLLOW THE ORDER OF THE COMPONENTS ONTO THE TAPE. ALWAYS CHECK THEIR VALUE ON THE PARTS LIST!

Diodes (check the polarity)

Resistors.

IC socket. Watch the position of the notch!

Capacitors

Push button

LEDs. Watch the polarity!

Transistors

USB connector

Pinheader

Terminal blocks

Electrolytic capacitors. Watch the polarity !
Quartz crystal

Voltage regulator

Electrolytic capacitor. Watch the polarity !

Relays

IC. Watch the position of the notch!

Rubber feet

Open collector input (optional)

Test and connection
The card uses a separate supply for the relays and one for the board microcontroller.
Test 1:
- Connect a power supply of 9 to 10Vac or 12 to 14Vdc (minimum 500mA).
- The power LED should turn on.
- The USB power LED will also turn on (indicating that the microprocessor power is ON).
- Push the buttons and the relays should activate.
Test 2:
- Disconnect the power supply.
- Connect the USB port to the PC.
- The USB power LED should turn on.
- Pressing the buttons will make the output indicator LEDs turn on, but the relays will not activate.
Now the card can be used with all connections.
It is possible to power the card through USB only, but the relays will not activate. The relay indicator LEDs will work fine.
This mode can be used for software testing.
Check our web site to download more program examples.
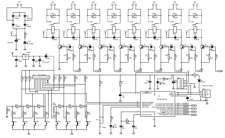
PCB

Schematic diagram

VELLEMAN NV
Legen Heirweg 33
9890 Gavere
Belgium Europe
Info ?: http://www.velleman.be
Modifications and typographical errors reserved © Velleman nv
H8090IP – 2010




















