EATON MN230007EN Edison Single-Phase Vacuum Capacitor Switch

DISCLAIMER OF WARRANTIES AND LIMITATION OF LIABILITY
The information, recommendations, descriptions and safety notations in this document are based on Eaton Corporation’s (“Eaton”) experience and judgment and may not cover all contingencies. If further information is required, an Eaton sales office should be consulted. Sale of the product shown in this literature is subject to the terms and conditions outlined in appropriate Eaton selling policies or other contractual agreement between Eaton and the purchaser.
THERE ARE NO UNDERSTANDINGS, AGREEMENTS, WARRANTIES, EXPRESSED OR IMPLIED, INCLUDING WARRANTIES OF FITNESS FOR A PARTICULAR PURPOSE OR MERCHANTABILITY, OTHER THAN THOSE SPECIFICALLY SET OUT IN ANY EXISTING CONTRACT BETWEEN THE PARTIES. ANY SUCH CONTRACT STATES THE ENTIRE OBLIGATION OF EATON. THE CONTENTS OF THIS DOCUMENT SHALL NOT BECOME PART OF OR MODIFY ANY CONTRACT BETWEEN THE PARTIES.
In no event will Eaton be responsible to the purchaser or user in contract, in tort (including negligence), strict liability or otherwise for any special, indirect, incidental or consequential damage or loss whatsoever, including but not limited to damage or loss of use of equipment, plant or power system, cost of capital, loss of power, additional expenses in the use of existing power facilities, or claims against the purchaser or user by its customers resulting from the use of the information, recommendations and descriptions contained herein. The information contained in this manual is subject to change without notice.
Safety for life
Eaton meets or exceeds all applicable industry standards relating to product safety in its Cooper Power™ series products. We actively promote safe practices in the use and maintenance of our products through our service literature, instructional training programs, and the continuous efforts of all Eaton employees involved in product design, manufacture, marketing, and service.
We strongly urge that you always follow all locally approved safety procedures and safety instructions when working around high voltage lines and equipment, and support our “Safety For Life” mission.
Safety information
The instructions in this manual are not intended as a substitute for proper training or adequate experience in the safe operation of the equipment described. Only competent technicians who are familiar with this equipment should install, operate, and service it. A competent technician has these qualifications:
- Is thoroughly familiar with these instructions.
- Is trained in industry-accepted high and low-voltage safe operating practices and procedures.
- Is trained and authorized to energize, de-energize, clear, and ground power distribution equipment.
- Is trained in the care and use of protective equipment such as arc flash clothing, safety glasses, face shield, hard hat, rubber gloves, clampstick, hotstick, etc.
Following is important safety information. For safe installation and operation of this equipment, be sure to read and understand all cautions and warnings.
Hazard Statement Definitions
This manual may contain four types of hazard statements:
DANGER
Indicates an imminently hazardous situation which, if not avoided, will result in death or serious injury.
WARNING
Indicates a potentially hazardous situation which, if not avoided, could result in death or serious injury.
CAUTION
Indicates a potentially hazardous situation which, if not avoided, may result in minor or moderate injury.
CAUTION
Indicates a potentially hazardous situation which, if not avoided, may result in equipment damage only.
Safety instructions
Following are general caution and warning statements that apply to this equipment. Additional statements, related to specific tasks and procedures, are located throughout the manual.
DANGER
Hazardous voltage. Contact with hazardous voltage will cause death or severe personal injury. Follow all locally approved safety procedures when working around high- and low-voltage lines and equipment. G103.3
WARNING
Before installing, operating, maintaining, or testing this equipment, carefully read and understand the contents of this manual. Improper operation, handling or maintenance can result in death, severe personal injury, and equipment damage. G101.0
WARNING
This equipment is not intended to protect human life. Follow all locally approved procedures and safety practices when installing or operating this equipment. Failure to comply can result in death, severe personal injury and equipment damage. G102.1
WARNING
Power distribution and transmission equipment must be properly selected for the intended application. It must be installed and serviced by competent personnel who have been trained and understand proper safety procedures. These instructions are written for such personnel and are not a substitute for adequate training and experience in safety procedures. Failure to properly select, install or maintain power distribution and transmission equipment can result in death, severe personal injury, and equipment damage. G122.2
Product information
Introduction
Service Information MN230007EN provides installation instructions, operation information, and maintenance information for Eaton’s Cooper Power series Edison™ capacitor switches. The information contained in this manual is organized into the following major categories: Safety information, Product information, Ratings and specifications, Installation procedure, Switch operation, Dimensions, and Service information. Refer to the table of contents for page numbers.
Read this manual first
Read and understand the contents of this manual and follow all locally approved procedures and safety practices before installing or operating this equipment.
Additional information
These instructions cannot cover all details or vari ations in the equipment, procedures, or process described nor provide directions for meeting every possible contin gency during installation, operation, or maintenance. When additional information is desired to satisfy a problem not cov ered sufficiently for the user’s purpose, please contact your Eaton Cooper Power series product representative.
Acceptance and initial inspection
Each capacitor switch is completely assembled, inspected, tested, and adjusted at the factory. It is in good condition when accepted by the carrier for shipment. Upon receipt of a capacitor switch, inspect the capacitor switch thoroughly for damage and loss of parts incurred during shipment. If damage or loss is discovered, file a claim with the carrier immediately.
Handling and storage
If the capacitor switch is to be stored for an appreciable time before installation, provide a clean, dry storage area. Locate the capacitor switch so as to minimize the possibility of mechanical damage. When transporting or storing the switch, the contacts should be kept in the closed position to avoid damage to the vacuum bottle contacts.
Standards
Edison capacitor switches are designed and tested in accordance with IEEE Std C37.66™ standard.
Quality standards
ISO 9001 Certified Quality Management System
Description of operation
The Edison vacuum capacitor switch is a single-phase, Solenoid-operated vacuum switch. The solid polymer insulation system does not rely on gas, foam, or liquid dielectrics. Highly resistant to ozone, oxygen, moisture, contamination, and ultraviolet light, it is an environmentally safe capacitor switch. The Edison capacitor switch has polymer bushings and is suitable for operation through a temperature range as shown in Table 1.
Ratings and specifications
Check switch ratings before installation
The Edison capacitor switch must be applied within its specified ratings. Check data plate ratings and compare with the system characteristics at the point of application prior to installation. Table 1 list the ratings and specifications for the Edison capacitor switch.
Ratings
All ratings meet or exceed values in IEEE Std C37.66™ standard for a distribution-class switch, where applicable.
Ratings and specifications
| Voltage class Switch type | 15 kV ECS15-95 | ECS15-125 | 25 kV ECS25-125 | ECS25-150 | 38 kV ECS38-200 |
| Rated maximum voltage, 50/60 Hz | |||||
| Ungrounded capacitor banks, L-L (kV) | 15.6 | 15.6 | 25 | 15.6 | 38 |
| Solidly grounded capacitor banks, L-L (kV) | 15.6 | 27 | 25 | 38 | 66 |
| Impulse withstand voltage | |||||
| Open contact kV (BIL) | 95 | 95 | 125 | 125 | 200 |
| Line to ground (kV BIL) | 95 | 125 | 125 | 150 | 200 |
| Withstand voltage, 60 Hz | |||||
| Power Frequency Dry Withstand (kV) | 60 | 60 | 60 | 70 | 70 |
| Power Frequency Wet Withstand (kV) | 50 | 50 | 50 | 60 | 60 |
| Continuous current 50/60 Hz (A) | 200 | 200/400 | 200 | 200 | 400 |
| Capacitive switching current 50/60 Hz (A) | 200 | 200/400 | 200 | 200 | 400 |
| Fault making peak current (A) | 15,000 | 15,000 | 15,000 | 15,000 | 32,500 |
| Symmetrical fault making current (A) | 6,000 | 6,000 | 6,000 | 6,000 | 12,500 |
| Withstand peak current (A) | 15,000 | 15,000 | 15,000 | 15,000 | 32,500 |
| Short-time symmetrical withstand current (A) | 4,500 | 4,500 | 4,500 | 4,500 | 6,250 |
| High frequency transient making peak current (A) | 9,000 | 9,000/12,000 * | 9,000 | 9,000 | 10,000 |
| Rated transient inrush frequency (Hz) | 6,000 | 6,000 | 6,000 | 6,000 | 6,000 |
| Creepage distance | |||||
| Terminal to terminal (mm) | 440 | 600 | 813 | 813 | 1628 |
| Terminal to ground (mm) | 498 | 610 | 610 | 813 | 1696 |
| Operating voltage range, 50/60 Hz ** | |||||
| 110/120 Vac (V) | 75 – 130 | 75 – 130 | 75 – 130 | 75 – 130 | 95 – 130 |
| 240 Vac (V) | 150 – 260 | 150 – 260 | 150 – 260 | 150 – 260 | N/A |
| Nominal control current | |||||
| 110/120 Vac | 9 | 9 | 9 | 9 | 12 open, 8 close |
| 240 Vac | 6 | 6 | 6 | 6 | N/A |
| Open & Close cycle time (msec) | 100/100 | 100/100 | 100/100 | 100/100 | 125/100 |
| Weight (lb/kg) | 32/14 | 33/15 | 33/15 | 34/16 | 115/52 |
| Operating temperature range | -40 °C to +60 °C | -40 °C to +60 °C | -40 °C to +60 °C | -40 °C to +60 °C | -40 °C to +55 °C |
| Mechanical operations | 50,000 | 50,000 | 50,000 | 50,000 | 50,000 |
| Aux contact rating | |||||
| 110/120 Vac (A) | 15 | 15 | 15 | 15 | 15 |
| 240 Vac (A) | 15 | 15 | 15 | 15 | N/A |
| 110/120 Vdc (A) | 0.20 | 0.20 | 0.20 | 0.20 | 0.20 |
| * The 15.6 kV rated Edison Capacitor Switch is available with an optional High Frequency Transient Making Peak Current of 12 kA. Contact factory for additional information. ** Contact factory for more information regarding dc control voltages. | |||||
Note: The durability of the Edison capacitor switch was demonstrated by completing a minimum of 50,000 mechanical operations after performing the Mechanical Life Test in accordance with IEEE Std C37.66™ standard. One operation is defined as one close and one open operation.
Installation procedure
CAUTION
Personal injury. Sheds on epoxy encapsulation have sharp edges. Wear protective gloves when handling the unit. Failure to do so can result in cuts and abrasions
Check-out procedure
- Check data plate. Make sure that ratings on the data plate are correct for the planned installation.
- Visually inspect the switch. Visually inspect the switch for any damage to bushing sheds, terminals, tank, of trip handle.
- Install the switch. Follow locally approved installation procedures. Mounting hardware is available for pole mounting as an accessory.
High-voltage connections
For ECS15 & ECS25
- Ground the switch. Make the ground connection to the ground connector located on the switch bracket of the switch.
- Make line connections. Connect the primary leads to the switch terminals. The universal clamp-type terminals accommodate AWG No. 8 solid through 2/0 stranded conductor.
- Recommended torque levels for line and load terminal hardware are 20–22 ft-lbs (27.1–29.8 N-m) not to exceed 30 ft-lbs (40.7 N-m).
For ECS38
- Ground the switch. Make the ground connection to the ground connector located on the switch bracket of the switch.
- Make line connections. Connect the primary leads to the switch terminals. The switch terminal utilizes the Standard NEMA 2 Hole termination, compatible lugs, following recommended lug hardware and torque, should be selected for customer wiring.
WARNING
Hazardous voltage. Solidly ground all equipment. Failure to comply can result in death, severe personal injury, and equipment damage.
WARNING
This equipment is not intended to protect human life. Follow all locally approved procedures and safety practices when installing or operating this equipment. Failure to comply can result in death, severe personal injury and equipment damage.
Control wiring
Connections to the actuating mechanism are made through the receptacle at the bottom of the switch. For ECS15 andECS25 this is standard five-pin (or optional six-pin), ECS38 is standard ten-pin receptacle. Mating plugs for the receptacle may be ordered separately. Maximum cable and wire sizes accommodated by the plugs are indicated in Table 2.
Control wiring specifications
| Accessory mating plug | ||
| Number of Pins | Cable Range O.D. | Max. Wire Size AWG |
| 5 | 11–14 mm (0.437–0.562 in.) | 12 |
| 6 | 13–16 mm (0.500–0.625 in.) | 16 |
| 10 | 15–18 mm (0.591–0.709 in.) | 16 |
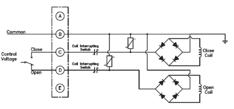
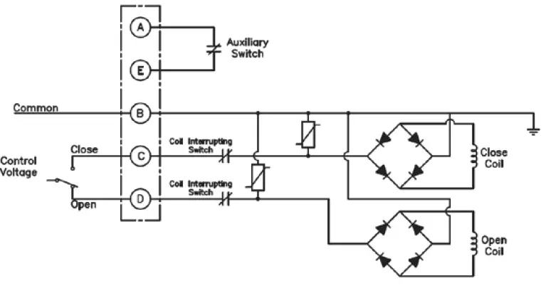
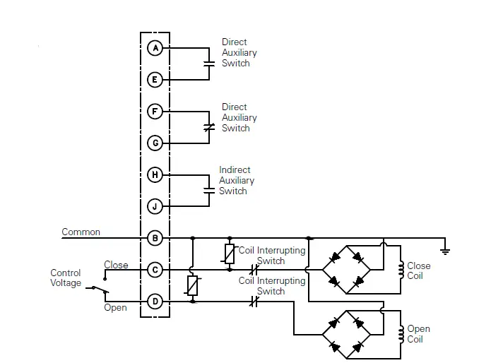
Pin orientation diagrams for the accessory receptacles are shown in Figure 1

Three-wire control
Remote control of the Edison capacitor switch is supplied by a single-pole, double-throw switch (three-wire control) supplied by the customer. Any manual switch, relay contact, time switch, voltage-, current- or photo-electric-controlled switch, or similar device can be used, provided the control circuit is energized for a minimum of 80–100 ms for eachoperation. Eaton requires a 10-second cool-down period between open and close operations to ensure the switch coil does not overheat or become damaged. A connection diagram for a standard three-wire control
Wiring diagrams
Schematic diagrams of switch actuators wired for two- and three-wire controls are shown in Figure 2. Accessories are shown with dashed lines. These diagrams apply only for alternating current (ac) control voltage. For direct current (dc) control voltage please contact your Eaton’s Cooper Power series product representative.
5-Pin Three-Wire Control

5-Pin Three-Wire Control with Form A Auxillary Switch Accessory

5-Pin Three-Wire Control with Form B Auxillary Switch Accessory

6-Pin Three-Wire Control with Form C Auxillary Switch Accessory

5-Pin Three-Wire Control Non-Standard
10-Pin Three-Wire Control with Direct Form A + Direct Form B + Indirect Form A Auxiliary Switch Accessory

Switch operation
Electrical operation
The switch may be opened and closed electrically byapplying rated control voltage to the proper terminals of the actuator receptacle. See “Installation procedure” on page 3 for electrical connections and operating time. Manual hotstick operation
WARNING
Hazardous voltage. This device is not a substitute fora visible disconnect. Follow all locally approved safety practices. Failure to follow proper safety practices can result in contact with high voltage, which will cause death or severe personal injury. G112.1 The switch may be manually opened by using a hotstick to operate the yellow manual operating handle under the sleet hood as shown in Figure 3 and Figure 4.
WARNING
Hazardous voltage. Do not rely on the open position of the yellow operating handle; it does not ensure that the line has been de-energized. Always establish a visible disconnect. Failure to follow proper safety practices can result in contact with high voltage, which will cause death or severe personal injury. G116.0 To open the switch contacts, insert the hotstick tip into the hotstick guide of the manual operating handle and pull downward to the OPEN position. See Figure 3. Control power is required to close the switch.
Contact position indication
The yellow operating handle is also used as a contact position indicator. The switch is closed when the operating handle is in the up position and is open when the operating handle is in the down position. See Figure 3 and Figure 4.
Contact position indicator (switch shown in closed position)

Contact position indicator (switch shown in open position)
Dimensions

Dimensions for Figure 5 drawings
| Switch Open Contact BIL/L-G BIL | Dimensions, inches (mm) | Creepage, inches (mm) | |||
| A* | B* | C* | Terminal to Terminal | Terminal to Ground | |
| 95/95 kV BIL | 27.78 (706) | 25.89 (659) | 17.69 (449) | 17.3 (440) | 19.6 (498) |
| 95/125 kV BIL | 27.78 (706) | 25.89 (659) | 17.69 (449) | 23.6 (600) | 24.0 (610) |
| 125/125 kV BIL | 30.54 (776) | 28.81 (732) | 17.69 (449) | 32.0 (813) | 24.0 (610) |
| 125/150 kV BIL | 32.54 (827) | 30.81 (783) | 19.69 (500) | 32.0 (813) | 32.0 (813) |
| 200/200 kV BIL | 54.10 (1374) | 48.24 (1225) | 30.55 (776) | 64.1 (1628) | 66.8 (1696) |
| * See Figure 5 on page 7. | |||||
Service information
Service requirements
The mechanical durability of the Edison capacitor switch was demonstrated by completing a minimum of 50,000 operations after performing the Mechanical Life Test in accordance with IEEE Std C37.66™ standard. The switch requires no routine maintenance; however, the switch should be inspected on a regular basis to check for physical damage and to verify operation.
Frequency of inspection
Because these switches are applied under widely varying operation and climatic conditions, maintenance intervals are best determined by the user based upon actual operating experience.
WARNING
Hazardous voltage. The switchgear (apparatus and control) and high-voltage transformer must be in a test cage or similar protected area to prevent accidental contact with the high-voltage parts. Solidly ground all equipment. Failure to comply can result in death, severe personal injury, and equipment damage. T221.5
CAUTION
Radiation. At voltages up to the specified test voltages ,the radiation emitted by the vacuum interrupter is negligible. However, above these voltages, radiation injurious to personnel can be emitted. See Service Information S280-90-1, Vacuum Interrupter Withstand Test Voltage Ratings Information, for further information.
Eaton
1000 Eaton Boulevard Cleveland, OH 44122 United States Eaton.com
Eaton’s Power Systems Division
2300 Badger Drive Waukesha, WI 53188 United States Eaton.com/cooperpowerseries © 2022 Eaton All Rights ReservedPrinted in USA Publication No. MN230007EN January 2022]




















