electroair EA-23000 Ignition-Starter Switch Panel

Overview of Ignition/Starter Switch Panel Installation
Thank you for purchasing an Electroair Ignition/Starter Switch Panel for Electroair electronic ignition system equipped aircraft. Electroair is confident that you will be happy with the performance of the Electroair Ignition/Starter Switch Panel for Electroair electronic ignition system equipped aircraft. The next pages will provide a step-by-step process of installing the EA-23000 on the aircraft. Electroair hopes you will enjoy the experience and that this manual will provide clear direction and guidance through this process. This manual will cover the following general installation steps:
- General overview and recommendations
- Removal of old ignition components
- Set-up & installation of p/n: EA-23000 Ignition/Starter Switch Panel
- Final installation steps
Electroair strongly recommends reading through this entire installation procedure before installing the Electroair Ignition/Starter Switch Panel for your Electroair electronic ignition system equipped aircraft. Make sure that any questions are answered before the actual installation. Also, make sure any extra components needed, e.g. cable ties, switch terminations, etc., are available. Removal of old components and installation of new components shall be completed in compliance with CFR Title 14 Part 43, as applicable, and any Airframe or Engine Manufacturer Maintenance Procedures, as applicable. Above all else, use good common sense and professional judgment. An ignition/starter switch panel is an electrical device. If an ignition/starter switch panel is improperly installed, severe damage could be caused to the ignition/starter switch panel, EIS, aircraft, or installer including bodily injury or death. Please contact Electroair with any questions during this installation process. Good luck and happy flying!! Electroair
Description & Requirements
This kit replaces the rotary key switch on aircraft with two electronic ignition systems installed.
Other items needed:
- Basic tools and standard aircraft hardware required for mounting EA-23000 Ignition/Starter Switch Panel.
- Electrical tools for cutting, stripping, and terminating various wiring. Also recommended is a good selection of cable ties for harness routing and tie-off, and a selection of shrink tubing for covering exposed electrical connections.
Kit Contents
- EA-23000 Panel with Switches
- Baggie with connectors and connecting hardware
- USB Drive Containing System Documents (Installation Manual, STC, ICA, AFMS, etc)
- Warranty registration
Receiving and Acceptance Checking of EIS Kit
- Inspect the packaging for damage before acceptance from the freight carrier. If damaged, refuse the package.
- Open the package.
- Inventory the contents of the package to the content listing of the package.
- Are all of the materials there? If yes, proceed to step 5. If no, proceed to step 9.
- Inspect the switches for broken plastic.
- Inspect the panel for bends
- Are all materials acceptable?
- If yes, proceed with installation.
- If no, contact the factory. Have the serial number of the kit available when contacting. (factory 248-674-3433 or [email protected])
If possible, store parts in original packaging when not in use. If not possible, wrap parts in cushioning material and place in one location. Review above prior to reinstallation. For latest copies of documentation, refer to www.electroair.net.
- Approved Model Listing (AML)
- Approved Flight Manual Supplement (AFMS)
- Instructions for Continued Airworthiness (ICA)
- Installation Manual (IM)
- Supplemental Type Certificate (STC)
- Trouble Shooting Instructions (TSI)
Precautionary Statements
- ALWAYS STAY OUT OF THE PROPELLER ARC!
- CAUTION: Disconnect the battery before starting this procedure.
- CAUTION: Prior to any drilling or cutting, verify that there is proper clearance.
- CAUTION: Do not cut or alter any structural tubing, aluminum panels, or skin.
- CAUTION: Follow these instructions very carefully to insure a correct hook-up of the Ignition/Starter Switch Panel. Skipping ahead or taking short cuts increases the risk of an incorrect installation and either a poor performing EIS or the possibility of damaging equipment. Prior to turning on bus power, verify the wiring. Please call Electroair with any questions ([email protected] or 248-
674- 3433). - CAUTION: Do not secure any radio communication, navigation, transponders or intercom wiring to any ignition related wires, boxes, or sensors. Doing so will cause poor to noisy transmission or reception of com and intercom and/or poor or no navigation function. Keep at least 3 inches between these wires.
- Consult with appropriate licensed mechanic.
- Consult applicable service manuals for the aircraft.
Installation of EA-23000
General Overview and Recommendations:
- Determine the proper location for the panel.
- Determine the most appropriate mounting method.
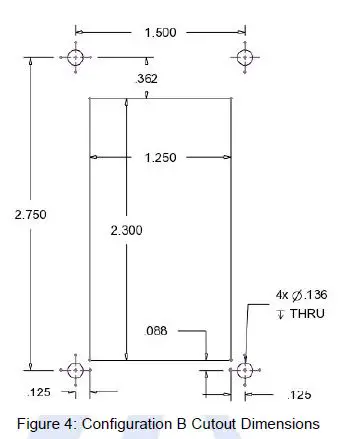
- Overall dimensions are provided in Figure 1 and Figure 2. Cutout dimensions are provided in Figure 3 and Figure 4. All dimensions are in inches.

Removal of Old Ignition Components:
- Remove the existing rotary key switch.
- Label all leads affixed to the rotary key switch in the process.
- Save all of the parts for future reference.
- If EIS was previously installed, either coil and stow P-lead wire or carefully clip P-lead wire from harness.
- If EIS not previously installed, remove P-lead from the magneto that is being converted to the EIS system.
- If the ignition/starter switch panel is not being installed in the rotary key switch location, plug the hole left by removing the rotary key switch as necessary.
Set-up & Installation of p/n: EA-23000 Ignition/Starter Switch Panel:
- Review the leads corresponding to the location of the ignition/starter switch panel.
- Are they of the appropriate length?
- If not, adjust in accordance with 43.13-1B Change 1 section 11-167.
- Remove the material of the instrument panel in accordance with the cutout provided. Be advised that the drawing scale is not 1:1. All dimensions are in inches.

- CAUTION: Before cutting or drilling verify space is clear behind the instrument panel.
- CAUTION: Use extreme care as to not damage any wiring, instruments, structural, and fuel lines.
- CAUTION: The connectors and connecting hardware for the starter switch are small. Take extreme care not to lose them.
- CAUTION: Ensure electrical connectors are tight on switch connections. Ensure wires will not pull out of any electrical connections.
- EIS # 1 Switch
- Use this switch as the EIS # 1 Ignition Switch shown in the EIS schematic.
- Connect C1 Pin 6 to connector labeled EIS.
- Connect connector labeled B+ to the 2A breaker or fuse.
- EIS # 2 Switch
- Use this switch as the EIS # 2 Ignition Switch shown in the EIS schematic.
- Connect C1 Pin 6 to connector labeled EIS.
- Connect connector labeled B+ to the 2A breaker or fuse.
- Starter Switch
- Use this switch as the Start Switch.
- Connect lead from starter terminal of ignition switch to terminal 1.
- Connect B+ to terminal 2.
- Insulate any exposed electrical connections in accordance with 43.13-1B Change 1 section 11-159.
- Insert ignition/starter switch panel into instrument panel and screw down using standard hardware.

Final Installation Steps
- Start the aircraft per the AFMS and perform a ground run-up.
- Check for proper starter function.
- Check for proper RPM drop on EIS # 1.
- Check for proper RPM drop on EIS # 2.
- If the aircraft passes, then return to service.
- If the aircraft fails, then verify that all of the connections are correct and competent and that no other wires were damaged during the install. Repeat the start-up process.
- If the aircraft fails a second time, contact the factory for support. (248-674-3433 or [email protected])
Glossary and Abbreviations
- AD(s) – Airworthiness Directive(s)
- AFM – Aircraft Flight Manual
- AFMS – Aircraft Flight Manual Supplement
- ALS – Aircraft Limitations Section
- AML – Approved Model List
- APU – Auxiliary Power Unit
- BTDC – Before Top Dead Center
- CFR – Code of Federal Regulations
- CSTW – Crank Shaft Trigger Wheel
- EIS – Electronic Ignition System
- FAA – Federal Aviation Administration
- Ignition Timing – is the process of setting the angle relative to piston position and crankshaft angular velocity that a spark will occur in the combustion chamber near the end of the compression stroke.
- IAW – In Accordance With
- ISSP – Ignition/Starter Switch Panel
- MAG – magneto
- MAP – Manifold Absolute Pressure
- May/Should – an optional requirement
- MEL – Minimum Equipment List
- MTH – Mag Timing Housing
- Must/Shall – a mandatory requirement
- RPM – Revolutions per Minute
- POH – Pilot’s Operating Handbook
- STC – Supplemental Type Certificate
- TDC – Top Dead CenteR




















