
AVENTICS™ PM1
Electromechanical pressure switch, ATEX certified

About this documentation
These instructions contain important information for the safe and appropriate assembly and commissioning of the product.
▶ Read these instructions carefully, especially the section “Notes on Safety”, before working with the product
1.1 Additional documentation
- Also, follow the instructions for the other system components.
- Furthermore, observe all general, statutory, and other binding regulations.
1.2 Presentation of information
1.2.1 Warnings
In this documentation, there are warning notes before the steps whenever there is a risk of personal injury or damage to equipment. The measures described to avoid these hazards must be followed.
Structure of warning
SIGNAL WORD
Hazard type and source Consequences of non-observance
▶ Precaution
Meaning of the signal words
DANGER
Immediate danger to the life and health of persons.
Failure to observe these notices will result in serious health consequences, including death
CAUTION
A possible dangerous situation.
Failure to observe these notices may result in minor injuries or damage to property
NOTICE
Possibility of damage to property or malfunction.
Failure to observe these notices may result in damage to property or malfunctions, but not in personal injury
1.2.2 Symbols
Recommendation for the optimum use of our products.
Observe this information to ensure the smoothest possible operation
Notes on safety
The product has been manufactured according to the accepted rules of current technology. Even so, there is a risk of injury or damage if the following general safety instructions and the specific warnings given in this instruction manual are not observed.
- Keep these instructions in a location where they are accessible to all users at all times.
- Always include the operating instructions when you pass the product on to third parties
2.1 Intended use
The product may only be commissioned after it has been installed in the machine/system for which it is intended.
- Only use the pressure switch to open and close electrical contacts using compressed air.
- Only use compressed air as the medium.
- Use is permitted only under the operating conditions and within the performance limits listed in the technical data
2.2 Personnel qualifications
All tasks associated with the product require basic mechanical, pneumatic, and electrical knowledge, as well as knowledge of the respective technical terms. In order to ensure operational safety, these tasks may only be carried out by qualified personnel or an instructed person under the direction of qualified personnel.
Qualified personnel is those who can recognize possible dangers and institute the appropriate safety measures, due to their professional training, knowledge,
and experience, as well as their understanding of the relevant regulations pertaining to the work to be done. Qualified personnel must observe the rules relevant to the subject area.
2.3 General safety instructions
- Observe the valid local regulations to protect the environment in the country of use and to avoid workplace accidents.
- Only use the product in safety-relevant applications if such use is expressly specified and permitted in the product documentation.
- Only use AVENTICS products that are in perfect working order.
- Examine the product for obvious defects, such as cracks in the housing or missing screws, caps, or seals.
- Do not modify or convert the product.
- The warranty will not apply if the product is incorrectly assembled.
- Product warnings and information must be legible, i.e. not covered by paint, etc.
- Only use the connection cable connected to the device and make sure that the connection cable is permanently installed.
- Never release the cable fitting on the device or connection cable.
- Make sure that the connection cable is protected against UV influences
2.4 Safety instructions related to the product and technology
- Lay cables and lines so that they cannot be damaged and no one can trip over them.
- Do not assemble or operate the product in critical ambient conditions (e.g. high fluctuations in temperature) or in aggressive ambient air (e.g. solvent gases, salty air).
- When using the product, observe the environmental conditions in accordance with the IP protection requirements (IP65).
2.5 ATEX information on explosion protection
PM1-ATEX pressure switches are certified and labeled according to the enclosed declaration of conformity. They can be used as follows (see g Declaration of conformity):
- In purely gas explosive areas of zone 2 (category 3G)
- In areas with flammable dust particles of zone 22 (category 3D)
DANGER
The danger of an ignition source due to impermissible operating conditions, connections, and parameters!
Operating the PM1 under impermissible conditions can lead to overheating on the surfaces of the PM1 and/or the formation of an ignition source.
- Observe the permissible operating conditions, in particular, the ambient and medium temperatures.
- Note the limited temperature range for ATEX conditions. Make sure that the values for the medium and ambient temperatures listed in the technical data (80°C) are complied with.
- If temperatures of >+70 °C are reached, ensure that the cable is fixed.
- Make sure that permitted temperature levels are not exceeded due to fluctuations in pressure.
- Observe the relevant Ex guidelines for installation, maintenance, and repair, in particular, EN 60079-17 as well as the prevailing national regulations (e.g. 89/391/EEC, article 7, paragraphs 5 and 8, IEC 60364 et seq.). This work must be performed by an electrical specialist.
- When using the equipment in areas in zone 22 (dust 3D), protection standards must also meet the requirements stated in EN 60079-31 (IP protection class) or other measures must be implemented to prevent deposits of dust.
The device will lose its Ex approval if these instructions are not complied with!
Scope of delivery
The scope of delivery includes:
- 1x electromechanical pressure switch PM1 with 3 m or 7 m cable
- 2x mounting screws, for the flange version
- O-ring, for flange version
- Operating instructions
About This Product
4.1 Product Description
The PM1 is used to open or close an electrical contact when a pre-set pressure range is reached.
4.2 Performance specifications
An appropriate medium is applied to the PM1 at the G1/4 connection or on the flange. A bellow actuates a microswitch (change-over switch) via a mechanism once the preset switching pressure is reached.
The contact switches (see g Fig. 5 and g Fig. 6)
- if the pressure increases from 1-2 to 1-3, if the pressure decreases from 1-3 to 1-2.
- if the underpressure increases from 1-3 to 1-2, if the underpressure decreases from 1-2 to 1-3
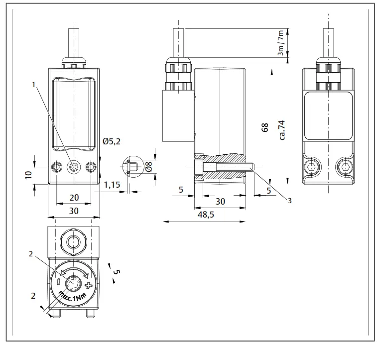
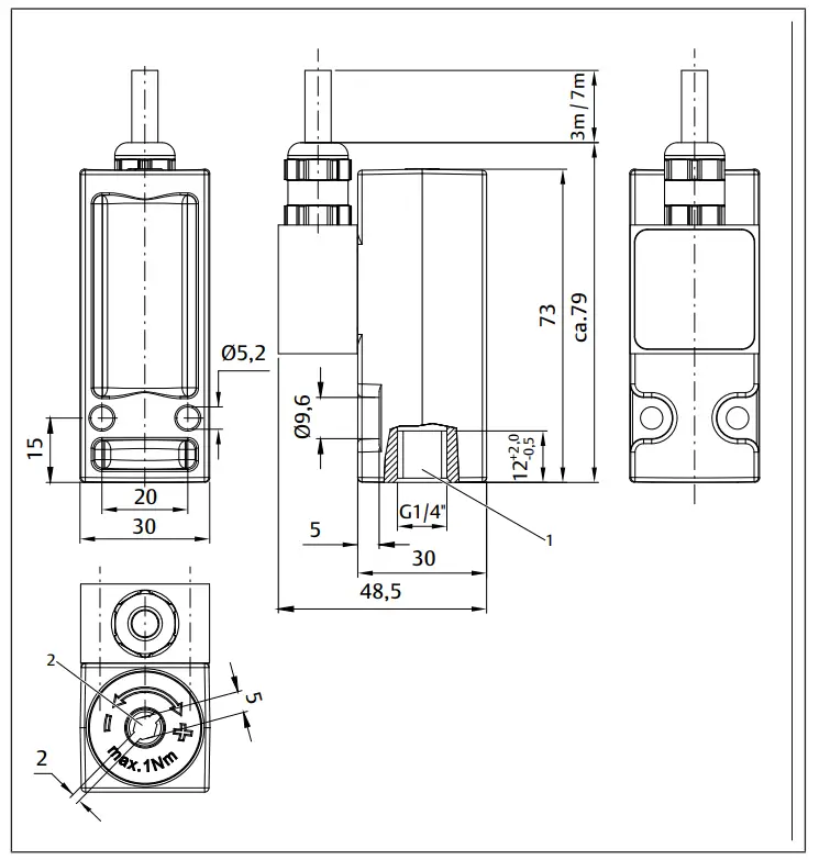
4.3 Overview of the PM1 pressure switch, ATEX certified
4.3.1 Pneumatic flange connection

Fig. 1: Pneumatic flange connection
- O-ring ø 5×1.5 (included in the scope of delivery)
- Adjustment screw for fine adjustment, self-holding
- Cylinder screw M5x30 ISO 1207 (2x); MA = 2.5+0.5 Nm (included in scope of delivery)
4.3.2 Pneumatic connection, internal thread G1/4

Fig. 2: Pneumatic connection, internal thread G1/4
- Connection G1/4, MA = 12+0.1 Nm
- Adjustment screw for fine adjustment, self-holding
For material numbers, please refer to the online catalog.
4.4 Product identification
▶ Observe the product information on the product and packaging.
The ATEX information can be found on the back of the product.
4.5 Identification of the nameplate
Fig. 3: Nameplate
| 1 Internal factory designation 3 EAC mark 5 CE mark 7 Operating pressure range 9 Max. current consumption 11 Serial number 13 Date code* 15 Wiring diagram | 2 Country of manufacture 4 Specialist marking 6 Material number 8 Max. permissible voltage 10 Max. power consumption 12 Manufacturer’s address 14 Customer-specific switching pressure 16 Manufacturer logo |
*) The first four digits of the 7-digit date code show the year and the last two show the week.
Fig. 4: Back side nameplate
Assembly
▶ Let the product acclimatize for several hours before commissioning, otherwise, water may condense in the housing.
CAUTION
The danger of injury if assembled under pressure or voltage!
Assembling when under pressure or electrical voltage can lead to injuries and damage to the product or system components.
- Make sure that the relevant system component is without pressure and voltage before you assemble the product.
- Protect the system against being restarted.
5.1 Assembling the pressure switch and connecting the pneumatics
- Make sure that the system is not under voltage or pressure.
- Connect the pressure switch with the pressure system:
• Flange connection M5: MA = 2.5 Nm (see g Fig. 1)
• Connection G1/4: MA = 12 +0.5 +1 Nm (see g Fig. 2)
5.2 Electrically connecting the pressure switch
Wire identification corresponds with the contact assignment of the following figure.
Fig. 5: Switching functions 0.2 -16 bar Fig. 6: Switching functions -0.9 -1 bar
The installation of electrical devices must be carried out in accordance with applicable national regulations and performed or supervised by an electrical specialist (in compliance with TRBS 1203 or equivalent).
Commissioning and operation
| The danger of explosion! There is a danger of ignition in explosive areas if the product is not commissioned properly. ▶ Observe the warnings under 2.5. ATEX information on explosion protec- tion! |
| Risk of injury due to uncontrolled actuator movements when the pneumat- ics are switched on! There is a danger of personal injury if the system is in an undefined state. ▶ Put the system in a defined state before switching it on. |
| The system is operating under pressure! Incorrect installation could damage the pressure switch or the system and cause serious injury. ▶ Before commissioning, check that all connections, ports, and components have been correctly installed. |
6.1 Commissioning the pressure switch
Proceed as follows to commission the pressure switch:
- Check whether the pressure switch is assembled correctly (see g 5. Assembly and g 2. Notes on safety, especially g 2.5. ATEX information on explosion protection) and make sure that all pressure switch connections are properly connected.
- Secure the components to be switched to prevent unintentional responses, and apply voltage.
- Apply the compressed air to the system.
- Check that the switch outputs are functioning properly.
6.2 Setting the switching point

Fig. 7: Setting the switching point
- Adjustment screw
- Factory setting: pressure switch = 3 bar; vacuum switch = –0.4 bar
- The adjustment screw is self-holding.
The switching point is continuously adjustable, even during operation.
▶ To check the switching point, an external pressure gauge must be used.
To set the switching point to a higher pressure:
▶ Turn the adjustment screw (1) to the right (+).
To set the switching point to a lower pressure:
▶ Turn the adjustment screw (1) to the left (–).
Service and repairs
7.1 Cleaning and servicing
DANGER
The danger of explosion due to electrostatic charge!
Cleaning with a dry cloth may cause the surface of the pressure switch to become electrostatically charged. This can lead to an explosion in explosive areas.
▶ Use only a water-moistened cloth to clean the pressure switch! Never use solvents or aggressive detergents.
▶ Do not use high-pressure cleaners for cleaning.
7.2 Maintenance
The pressure switch is maintenance-free.
▶ Contact the AVENTICS service department in case of technical problems.
Disassembly and exchange
CAUTION
The danger of explosion!
Disassembly and exchange when under pressure or voltage can lead to explosions in explosive areas.
1. Make sure that the relevant system component is without pressure and the voltage before you assemble the product.
2. Protect the system against being restarted.
- Make sure that the system is not under voltage or pressure.
- Disconnect the electrical connection.
- Loosen the mounting screws on the pressure switch.
- Remove the pressure switch from the pressure system.
Disposal
▶ Dispose of the product in accordance with the currently applicable regulations in your country.
Troubleshooting
10.1 Response to malfunctions
▶ If malfunctions occur with unknown causes, exchange the pressure switch with an original pressure switch.
The individual components of the pressure switch cannot be replaced or repaired.
If you cannot remedy a malfunction, please contact one of the addresses, see the back of the instructions.
Specifications
| Ambient and medium temperature | -20°C to +80°C |
| Protection class ac- cording to EN 60529/ IEC529 | IP65 |
| Pneumatics | |
| Medium | Compressed air acc. to ISO 8573-1: 2010, • Max. particle size: 40 µm • Pressure dew point ≤ 3°C • Oil content: max. 40 mg/m3 |
| The pressure dew point must be at least 15°C below the ambient and medium temperatures and must not exceed 3°C. The oil content of compressed air must remain constant during the service life. ▶ Use only the approved oils from AVENTICS. | |
| Switching pressure range | • –0.9 bar to 1 bar (see Fig. 8) • 0.2 bar to 16 bar (min. switching pressure range 0.2 bar fall-ing/0.5 bar rising) (see Fig. 9) |
| Max. switching frequency | 1.6 Hz |
| Electronics | |
| Min./max. operating voltage | 12 V–125 V DC 12 V–250 V AC |
Further technical data can be found in our online catalog.
Standards and directives complied with
| EN IEC 60079-0:2018 | Explosive atmospheres – Part 0: Equipment – General requirements |
| EN IEC 60079-15:2019 | Explosive atmospheres – Part 15: Equipment protection via a type of ignition protection “n” |
| EN 60079-31:2014 | Explosive atmospheres – Part 31: Equipment – Protection against dust explosion with housing “t” |
11.1 Switching capacity
| Switching voltage [V AC] | |||||||
| 30 | 48 | 60 | 125 | 250 | |||
| Type | Current type | Load type | Max. switching current [A] fn:2 | ||||
| PM1 | AC | Resistive load | 3 | 3 | 3 | 3 | 3 |
| Inductive load3) | 3 | 3 | 3 | 3 | 3 | ||
| DC | Resistive load | 3 | 1.2 | 0.8 | 0.4 | ||
| Inductive load2) | 2 | 0.55 | 0.4 | 0.05 | |||
2) Reference cycle 30/min. reference temperature: +30°C, U = 30 V
3) Inductive load: AC = cos ~ 0.7°; DC = L/R ~ 10 ms
12 Differential switching pressure characteristics curve

Fig. 8: Differential switching pressure characteristic curve (-0.9 – 1 bar)
1 Rising
2 Falling
p1 (+) Upper switching pressure with increasing pressure
p1 (-) Lower switching pressure with decreasing pressure
Fig. 9: Differential switching pressure characteristic curve (0.2 – 16 bar)
A) p1 (-) Min.
B) p1 (-) Max.
p1 (+) Upper switching pressure with increasing pressure
p1 (-) Lower switching pressure with decreasing pressure
Δ p1 Max. switching pressure difference or hysteresis
Example:
p1 (+) = 8 bar > p1(-) = 7.6 bar
Δ p1 = 0.4 bar
Declaration of Conformity
in accordance with ATEX Directive 2014/34/EU and with the UK Statutory Instrument “Equipment and Protective Systems Intended for use in Potentially Explosive Atmospheres Regulations 2016”
- Apparatus model Product:
Pressure switch, series PM1-ATEX - Name and address of the manufacturer:
kinetics GmbH
Ulmer Str. 4
30880 Laatzen,
GERMANY - This declaration is issued under the sole responsibility of the manufacturer.
- The object of the declaration
Electro-mechanical pressure switch, material numbers:
12010731 , R412010732 , R412024680
12024682 , R412024760 , R412024761 - The object of the declaration described above is in conformity with the relevant Union harmonization legislation and with the relevant statutory requirements: as referred to in the headlines of this document
- References to the relevant harmonized standards used: References to the relevant designated standards used
EN IEC 60079-0:2018 + BS EN IEC 60079-0:2018
EN IEC 60079-15:2019 + BS EN IEC 60079-15:2019
EN 60079-31:2014 + BS EN 60079-31:2014
II 3G Ex nC IIC T4 Gc II 3D Ex tc IIIC T135°C Dc -20°C Tans 5 80°C CERT-No. EPS 21 ATEX 1 188 X - Additional information: The instructions in the Operation Manual are to be kept.
We reserve the right to make changes to the declaration. The presently applicable edition can be obtained upon request.
R412018678-K0E-001-AF.doc
ADVENTIST” PM1 I R412018626-BAL-001-Al I
The data specified above only serve to describe the product. No statements concerning a certain condition or suitability for a certain application can be derived from our information. The given information does not release the user from the obligation of own judgment and verification. It must be remembered that our products are subject to a natural process of wear and aging.
An example configuration is depicted on the title page. The delivered product may thus vary from that in the illustration.
Translation of the original operating instructions. The original operating instructions were created in the German language.
Subject to modifications. m All rights reserved by AVENTICS GmbH, even and especially in cases of proprietary rights applications. This document may not be reproduced or given to third parties without our consent.
The Emerson logo is a trademark and service mark of Emerson Electric Co. AVENTICS a mark of one of the Emerson Automation Solutions family of business units. All other marks are property of their respective owners.
![]()
Import into the United Kingdom is done by:
Emerson Automation
Fluid Control & Pneumatics UK Ltd
2 Pit Hey Place, West Pimbo
Skelmersdale I WN8 9PG
United Kingdom
Emerson Automation Solutions
AVENTICS GmbH
Ulmer Strafe 4
30880 Laatzen, GERMANY
phone +49 511 2136-0 fax +49 511 2136-269
www.emerson.com/aventics [email protected]
Further addresses: www.emerson.com/contactus
















