XPOtool 61589 Pressure Switch
The information contained in this document may alter at any time without prior notice. No part of this document may be copied or otherwise duplicated without prior written consent. All rights reserved. WilTec Wildanger Technik GmbH cannot be held liable for any possible mistakes in this operating manual, nor in the diagrams and illustrations shown. Although WilTec Wildanger Technik GmbH has made every possible effort to ensure that this operating manual is complete, accurate, and up-to-date, errors cannot be ruled out entirely. If you have found an error or wish to suggest an improvement, we look forward to hearing from you.
Send us an e-mail to: [email protected]
or use our contact form: https://www.wiltec.de/contacts/
The most recent version of this manual in several languages can be found in our online shop: https://www.wiltec.de/docsearch
Our postal address is:
WilTec Wildanger Technik GmbH
Königsbenden 12
52249 Eschweiler Germany
To return your goods for exchange, repair, or other purposes, please use the following address.
Attention! To allow for a trouble-free complaint or return, it is important to contact our customer Serviceteam before returning your goods.
Retourenabteilung
WilTec Wildanger Technik GmbH
Königsbenden 28
52249 Eschweiler Germany
E-Mail: [email protected]
Phone: +49 2403 55592–0
Fax: +49 2403 55592–15
Introduction
Thank you for choosing to purchase this quality product. To minimize the risk of injury, we ask you to always take some basic safety precautions when using this product. Please read this operating manual carefully and make sure that you understand it. Keep these operating instructions in a safe place.
Safety instructions
- This device must neither be used by children nor individuals with reduced physical, sensory, or mental capabilities, or lack of experience and knowledge unless they have received instructions concerning the use of the appliance from a person familiar with the product and responsible for their safety and are supervised by the same. Children are not allowed to perform user maintenance and should be always supervised to ensure that they do not play with the device.
- Always check the device before using it. Do not use the device if components are damaged or worn, and never disable safety devices for any reason.
- Be aware that you are responsible for the security of your working environment. Always make sure to keep it clean and well-lit as cluttered and dark working environments increases the risk of accidents.
- Be aware that extreme changes in temperature may lead to deviations of the shift point or even to a complete failure of the pressure switch.
- Only use this product in its original condition and do not perform unauthorized modifications.
- Avoid additional mechanical stress originating from vibrations or surges.
- Always pay attention to the specified pressure range and avoid any kind of excess pressure. Exceeding the maximum pressure may negatively influence the performance of the device and even damage it.
- Never touch, lift, or move the compressor connected to the power supply by the cable. Make sure that the connection socket is protected from water and moisture.
- Always disconnect electric devices from the power supply before maintenance and cleaning work.
- No responsibility is accepted for damage to the device caused by improper use or incorrect maintenance.
Intended use
Pressure switches are utilized to operate pumps, valves or compressors and serve the purpose of regulating the pressure. When a device reaches the previously set maximum pressure level the pressure switch is activated and disrupts the control circuit to turn the motor off. In case of the pressure level being too low, the pressure switch activates the motor to build up additional pressure. This pressure switch was designed to be attached to mini compressors with electric motors with a power of up to 5.5 kW. Improper use or modification of this device can damage the it as well as its surrounding area and can further lead to severe injuries for which the manufacturer cannot be held responsible.
Technical data
Operation
- Read the manual and make sure that the device is in pristine condition.
- Connect the pressure switch to the designated pressure port and the pressure relief valve to the pipe.
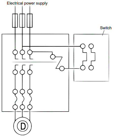
- Connect the cables according to the circuit diagram below.
- Ensure that the pressure switch has been earthed correctly.
- If the rated pressure must be adjusted, this can be done with the help the adjusting screw and a screwdriver. Make thereby sure that the pressure is equal on both sides of the spring. Turn the adjusting screw clockwise to decrease the pressure and counter-clockwise to increase the same.
- Regularly check the connections and remove possible accumulations to guarantee a correct mode of OPERATION.
Circuit diagram
Regulations for waste disposal
The Waste Electrical and Electronic Equipment Directive (WEEE Directive, 2012/19/EU) of the EU was implemented in the German law related to electrical and electronic equipment and appliances.
All WilTec electric devices that fall under the WEEE directive are labeled with the symbol of a crossed-out wheeled rubbish bin. This symbol indicates that this electric device must not be disposed of with the domestic waste.
WilTec Technik GmbH is registered with the German registration authority EAR (Stiftung Elektro-Altgeräte Register) under the WEEE-registration number DE45283704. Disposal of used electrical and electronic devices (intended for use in the countries of the European Union and other European countries with a separate waste collection system for these devices). The symbol on the packaging or the product itself indicates that this product must not be treated as normal domestic waste but must be disposed of at a recycling collection station for electrical and electronic waste. By disposing of this product correctly, you contribute to the protection of the environment and the health of your fellow people. Inappropriate disposal threatens the environment and health. Material recycling helps to reduce the consumption of raw materials. Additional information about the recycling of this product can be provided by your local commune, the municipal waste disposal facilities, or the store where you purchased the product.




















