Operation Manual
SKD-5 – Pressure Switch
50612, 51249 
Illustrations similar may vary depending on model
Read and follow the operating instructions and safety information before using it for the first time.
Technical changes reserved!
Due to further developments, illustrations, functioning steps, and technical data can differ insignificantly.
Updating the documentation
If you have suggestions for improvement or have found any irregularities, please contact us.
The information contained in this document may alter at any time without previous notice. It is prohibited to copy or spread any parts of this document in any way without prior written allowance. All rights reserved.
The WilTec Wildanger Technik GmbH cannot be held accountable for any possible mistakes in this operating manual, nor in the diagrams and figures shown.
Even though the WilTec Wildanger Technik GmbH has undergone the biggest possible efforts to ensure that the operating manual is complete, faultless, and up to date, mistakes cannot be entirely avoided.
If you should find a mistake or wish to make a suggestion for improvement, we look forward to hearing from you.
Send an e-mail to: [email protected]
or use our contact form: https://www.wiltec.de/contacts/
The most recent version of this manual in various languages can be found in our online shop via: https://www.wiltec.de/docsearch
Our postal address is:
WilTec Wildanger Technik GmbH
Königsbenden 12
52249 Eschweiler
Germany
Do you wish to pick goods up? Our pick-up address is:
WilTec Wildanger Technik GmbH
Königsbenden 28
52249 Eschweiler
Germany
To shorten the waiting time and allow for a rapid on-site transaction, we ask you to call us previously or place your order via the webshop.
E-mail: [email protected]
Tel: +49 2403 55592–0
Fax: +49 2403 55592–15
To return orders for exchange, repair, or other purposes, please use the following address. Attention!
To allow for smooth execution of your complaint or return, it is important to contact our customer service team before returning the goods.
Returns Department
WilTec Wildanger Technik GmbH
Königsbenden 28
52249 Eschweiler
E-mail: [email protected]
Tel: +49 2403 55592–0
Fax: +49 2403 55592–15
Introduction
Thank you for purchasing this quality product. To minimize the risk of injury we urge that our clients take some basic safety precautions when using this device. Please read the operation instructions carefully and make sure you have understood its content.
Keep these operation instructions safe.
Safety Instructions
CAUTION:
This device is not intended for use by persons (including children) with limited physical, sensory, or mental abilities or with a lack of experience and/or knowledge unless they are supervised or instructed on how to use this device by a person responsible for their safety. Children should be supervised to ensure that they do not play with the device. Cleaning and user maintenance must not be carried out by children.
ATTENTION:
- Perform a visual inspection of the device before each use. Do not use the device if safety devices are damaged or worn. Never disable safety devices.
- Only use the device for the purpose specified in these instructions for use.
- You are responsible for safety in the work area.
- If the cable or plug is damaged due to external influences, the cable must not be repaired! The cable must be replaced with a new one. This work may only be carried out by a qualified electrician.
- The voltage of 230 V AC specified on the type plate of the device must correspond to the existing mains voltage.
- Never lift, transport, or attach the device to the power cord.
- Make sure that the electrical plug connections are in a flood-proof area or are protected from moisture.
- Disconnect the mains plug before carrying out any work on the appliance.
- The operator is responsible for compliance with local safety and installation regulations. Ask a qualified electrician if necessary.
- If the device should fail, repair work may only be carried out by a qualified electrician.
WARNING:
Read all safety instructions and instructions. Failure to follow the safety precautions and instructions may result in electric shock, fire, and/or serious injury. Keep all safety instructions and instructions for the future.
Stability
- The temperature of the pumped liquid should not exceed +35 ℃ in continuous operation.
- No flammable, gas-forming or explosive liquids may be pumped with this pump. This pump must not be used for other liquids, in particular motor fuels, cleaning agents, and other chemical products!
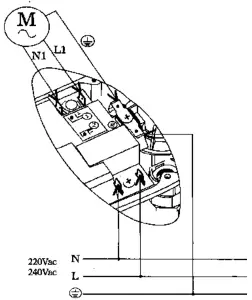
Electrical connection
The electrical connection is made at a 230 V ~ 50 Hz socket outlet with grounding contact. Fuse protection at least 10A.
The wiring diagram is located on the inside of the opposite side of the cover.
The cables used should have an outer diameter between 6 and 12 mm. To protect the housing against water entering, the six screws of the housing must be tightened firmly. Further information can be found in the chapter “Wiring diagram”.
Mains parts

| № | Functions | № | Functions |
| 1 | Restart box | 5 | Pressure adjusting screw |
| 2 | State LED | 6 and 8 | 25,4 mm (1″) screw connection |
| 3 | Mains voltage display | 7 | Power supply |
| 4 | Pump motor connection | 9 | Pressure indication |
Technical data
| Input voltage (V) | 220–240 |
| Input frequency (㎐) | 50 |
| Max. input amperage (A) | 10 |
| Max. operating pressure (㍴) | 10 |
| Start pressure (㍴) | 1–3 |
| Pressure gauge pressure range (㍴) | 1–12 |
| Max. temperature (℃) | 60 |
| Connections (㎜) | 32.89–33.25 (1″) (external thread) |
| Max. power of connected pump (㎾) | 1.1 |
| Protection type | IP 65 |
Functional description of the general operating mode of the pump control
The pump control consists of a pressure switch and a water flow switch. The switching cycles are then determined from the two switching states of the pressure switch and the water flow switch.
- Water pressure switch actuated + water flow switch not actuated = normal switch-off (delay of approx. 3–8 s. until switch-off)
- Water pressure switch not actuated + water flow switch actuated = pump on
- Water pressure switch not actuated + water flow switch not actuated = switch-off due to dry running and indication of fault (delay 8–15 s)
Common causes of errors
- First case:
The pump control switches off and displays failure/error even though water has been pumped successfully before. After a reset, this error will reoccur immediately or after a short time.
Possible causes:
a) The water pressure of the pump used is not sufficient to operate the water pressure switch. (Causes can be a blockage, a worn pump body or a pump that is too weak).
b) The water pressure switch in the pump control is blocked. (Cleaning with clean water can solve the problem or the housing of the pressure switch in the pump control must be cleaned. Sand and other sediments may have been deposited here.) - Second case:
The pump control leaves the pump permanently switched on regardless of whether the tap is open or closed.
Possible causes:
a) The installation position of the pump control was not considered. This does not reset the water flow switch and it is permanently actuated. (Check installation position and correct if necessary.)
b) The water flow switch at the pump control input is permanently actuated. This can be caused by contamination, calcification, or a foreign body. (An optical check confirms this problem and can be corrected by cleaning.)
Notes on installation

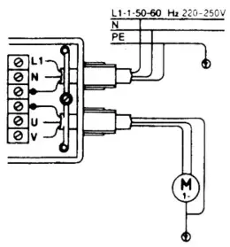
Wiring diagram for connecting various pump motors to the automatic machines
![]() | ![]() | ![]() |
| Wiring diagram for single phase 220 V pumps up to 1.1 kW | Wiring diagram for single-phase 220 V pumps over 1.1 kW; control via 2-phase relay (contactor), relay selection according to pump performance | Wiring diagram for three-phase 400 V pumps, also over 1.1 kW; control via 3-phase relay (contactor), selection of relay according to pump capacity |

Possible errors and their elimination
| Error | Error at the machine | Error outside the machine |
| The pump does not start. | •Board is damaged. | •Missing voltage •Pump defective •Interchanged cables |
| The pump does not stop. | •Board is damaged. •Flow detector is stuck in the upper position. •Reset button is blocked. •Pump does not have sufficient pressure. | Leak with a loss more than o.6 t\min. |
| The pump operates intermittently. | •Board is damaged. •Pump does not have sufficient pressure. | There is a leak with a loss less than o.6 Ymin. |
Disposal regulations
EU guidelines regarding the disposal of scrap electric appliances (WEEE, 2012/19/EU) were implemented in the law related to electrical and electronic equipment and appliances.
All WilTec electric devices that fall under the WEEE regulations are labeled with the crossed-out wheeled waste bin logo. This logo indicates that this electric equipment must not be disposed of with domestic waste.
The company WilTec Technik GmbH has been registered in the German registry EAR under the WEEEregistration number DE45283704.

Disposal of used electrical and electronic appliances (intended for use in the countries of the European Union and other European countries with a separate collection system for these appliances). The logo on the article or on its packaging points out that this article must not be treated as normal household waste but must be disposed to a recycling collection point for electronic and electrical waste equipment. By contributing to the correct disposal of this article you protect the environment and the health of your fellow men. Environment and health are threatened by inappropriate disposal.
Material recycling helps reduce the consumption of raw materials.
Additional information on recycling this article can be provided by your local community, municipal waste disposal facilities, or the store where you purchased the article.
Address:
WilTec Wildanger Technik GmbH
Königsbenden 12 / 28
D-52249 Eschweiler
Important notice:
The reprint or reproduction, even of excerpts, and any commercial use, even in part, of this instruction manual, require the written permission of WilTec Wildanger Technik GmbH.![]()
© by WilTec Wildanger Technik GmbH
Item 50612, 51249
http://www.WilTec.de
http://www.aoyue.eu
http://www.teichtip.de





















