
Pressure Switch
User Manual
Model C6097A

Thank you for purchasing an Azbil Corporation product.
This manual contains information for ensuring the correct use of this product.
This manual should be read by those who design and maintain equipment that uses this product.
Be sure to keep this manual nearby for handy reference.
Please read “Terms and Conditions” from the following URL before ordering and use.
https://www.azbil.com/products/factory/order.html
NOTICE
Be sure that the user receives this manual before the product is used.
Copying or duplicating this user’s manual in part or in whole is forbidden. The information and specifications in this manual are subject to change without notice.
Considerable effort has been made to ensure that this manual is free from inaccuracies and omissions. If you should find an error or omission, please contact the azbil Group.
In no event is Azbil Corporation liable to anyone for any indirect, special or consequential damages as a result of using this product.
© 2022 Azbil Corporation. All Rights Reserved
SAFETY PRECAUTIONS
Safety precautions are for ensuring safe and correct use of this product, and for preventing injury to the operator and other people or damage to property. You must observe these safety precautions. Also, be sure to read and understand the contents of this user’s manual.
- Key to symbols
WARNING
Warnings are indicated when mishandling this product might result in death or serious injury to the user.
CAUTION
Cautions are indicated when mishandling this product might result in minor injury to the user, or only physical damage to this product
WARNING
This device is equipped with functions that are ex- extremely important for the safe operation of combustion equipment.
Before removing, mounting, or wiring the C6097A, be sure to turn off the power to the C6097A and all connected devices. Failure to do so might cause electric shock.
Do not disassemble this device. Doing so could result in faulty operation, damage, or electric shock.
CAUTION
The installation, wiring, adjustment, inspection, and maintenance of this device should be carried out only by a trained and experienced technician who has the knowledge and technical skills related to combustion equipment and flame safeguard control equipment
Do not use this device for any fluid other than natural gas, liquefied petroleum gas and air. If it is used for some other gas, the switching function may be degraded due to corrosion of metal or deterioration of the rubber
To prepare for device failure or if an unsafe situation might occur, consider having a fail-safe design for the equipment as a whole, or use a redundant design. In the event that this device fails, the ON/OFF status of its electrical output may continue
If the diaphragm is somehow damaged while this switch is being used with combustible gas, gas will leak from the low-pressure port but the leakage will be limited by the 0.8 mm internal orifice. Depending on the ventilation in the installation location, it is recommended for safety’s sake to connect an exhaust pipe to the low-pressure port to vent gas to a safe place.
CONVENTIONS USED IN THIS MANUAL
The following conventions are used in this manual:
Handling Precautions:
Handling Precautions indicate items that the user should pay attention to when handling the C6097A.
(1), (2), (3): Numbers within parentheses indicate steps in a sequence or parts of an explanation.
OVERVIEW
The C6097A can be used to detect the pressure of natural gas, LP gas, and air.
This switch has a wide range of uses, such as detecting the upper or lower limit pressure of gas or air being supplied to a gas burner, or burner blower interlock, or a clogged filter.
Features
- Lightweight and compact.
- Can be installed either vertically or horizontally. For details, “
installation orientation” in the “SPECIFICATIONS” section on page 3. - Can be used for differential and negative pressures (air only).
- Easy pressure setting and transparent cover for easy viewing
- This product conforms to CE standards. (EN1854, EN60730-2-6)
MOUNTING/WIRING
WARNING
Before removing, mounting, or wiring the C6097A, be sure to turn off the power to the C6097A and all connected de-vices. Failure to do so might cause electric shock.
When installing this switch in a vertical direction, put the plug in the bottom port. Using this switch with the bot-tom port open causes gas to leak, resulting in a hazardous situation.
CAUTION
Do not install in places such as the following. Doing so could cause malfunction or device failure.
- Certain chemicals or corrosive gases.
- High temperatures.
- Splashing water or excessive humidity.
- Prolonged vibration.
Depending on the ventilation in the installation location, when this switch is used with combustible gas, it is recommended for safety’s sake to connect an exhaust pipe to the low-pressure port to vent gas to a safe place. If the diaphragm is somehow damaged, gas will leak from the low-pressure port but the leakage will be limited by the internal orifice.
Do not connect a combustible gas to the low-pressure port.
Differential pressure detection is available for air only. It can not be used for combustible gases such as natural gas.
Mounting
This switch can be installed with the dial indicator positioned horizontally or vertically.

- Select a horizontal or vertical orientation for installation.
- Install piping while holding the two parallel sides of the Rp 1/4 high-pressure port with a spanner or wrench. High-pressure ports are located on the side and bottom. To use the side high-pressure port, move the plug to the bottom high-pressure port. After attaching the plug, make sure that there is no leak.
Handling Precautions
• Use of too much sealant or the presence of foreign matter in the piping may cause clogging. - When you use this switch with combustible gas, connect an exhaust pipe to the Rp 1/8 low-pressure port
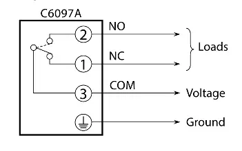
Wiring
Remove the transparent cover, select the appropriate terminals according to the terminal connection diagram, and connect wir- ing to them

- For a pressure rise:
- Terminals 3–1 open
- Terminals 3–2 closed
- For a pressure drop:
- Terminals 3–1 closed
- Terminals 3–2 open
SETTING/INSPECTION
- Pressure setting
Note: The graduations on the setting dial should be used only as a guideline. Be sure to use a pressure gauge to check the switch operation. - Setting
Turn the dial until the dial indicator (white mark) points to the desired setting value.
The on-off differential (fixed) occurs below the pressure set point.

Check the operating point
- Remove the plug screw from the monitoring pressure gauge port and attach a pressure gauge to the port.
- Change the pressure to the desired amount and check that the C6097A switches at this pressure.
- After the check, be sure to insert and tighten the plug screw. Check that there is no leak.
Inspection
When installing, servicing, or replacing the C6097A, check the following points.
Determine the inspection interval, taking into consideration the equipment type, installation environment, frequency of use, etc.
Points to check
- The pressure set point is correct (the dial has not moved).
- A transparent cover is not damaged.
- The exhaust pipe is attached normally.
- No leaks from the gas piping.
- Wiring connections are not loose.
Checking guidelines
On a daily basis, before and during operation, check the operating state and make sure that there are no leaks. Periodically, at least once every six months, check the operating point.
INSTALLATION OF OPTIONAL PARTS
Switch operation indicator lamp
An optional switch operation indicator lamp (No. 81404156) to show the on-off status of the C6097A switch can be installed as follows.
![]() | ![]() |
- Connect the short lead to COM terminal 3 on the C6097A and the long lead to NC terminal 1 or NO terminal 2 on theC6097A.
- Insert the lamp into the square groove in the C6097A case with the neon lamp facing
- Check that the switch operation indicator lamp correctly indicates the operation of the C6097A.
SPECIFICATIONS
| Item | Specifications | ||||
| Model number | C6097A0110 | C6097A0210 | C6097A0310 | C6097A0410 | C6097A0510 |
| Applicable fluids | Natural gas, liquefied petroleum gas, and air | ||||
| Control action | ON/OFF | ||||
| Setting range | Variable: 0.1 to 1 kPa | Variable: 0.25 to 5 kPa | Variable: 3 to 15 kPa | Variable: 10 to 50 kPa | Variable: 10 to 70 kPa |
| On-off differential (nominal value) | 40 Pa (fixed) | 60 Pa (fixed) | 280 Pa (fixed) | 700 Pa (fixed) | 800 Pa (fixed) |
| Allowable pressure | 20 kPa | 30 kPa | 50 kPa | 150 kPa | 150 kPa |
| Output | SPDT contact output On pressure rise, terminals 3–1 open, terminals 3–2 closed. | ||||
| Contact rating | Resistive load: 250 V AC, 5 A Inductive load: 250 V AC, 3 A (power factor: 0.6) | ||||
| Minimum contact operating current and voltage | 50 mA 24 V DC | ||||
| Insulation resistance | 100 MΩ min. between each terminal and non-live metal part with a 500 V DC megger | ||||
| Dielectric strength | 600 V AC, 50/60 Hz for 1 min between terminals with the same polarity; 1500 V AC, 50/60 Hz for 1 min between each terminal and non-live metal part | ||||
| Contact resistance | Initial 100 mΩ max. (measured by voltage drop method at 6–8 V DC and 1 A) | ||||
| Diaphragm material | Nitrile butadiene rubber (NBR) | ||||
| Housing material | Die-cast aluminum | ||||
| Case material | Polybutylene terephthalate (PBT) | ||||
| Cover material | Polycarbonate | ||||
| Fluid temperature | −15 to +60 °C (without freezing or condensation) | ||||
| Ambient temperature | −15 to +60 °C (without freezing or condensation) | ||||
| Pressure connection port | Low-pressure side: Rp 1/8 (1 port), high-pressure side: Rp 1/4 (selection of side port or bottom port) | ||||
| Monitoring pressure gauge connection port | 9 ø hose end | ||||
| Wiring port | 22 ø | ||||
| Wiring terminal | M3.5 screw terminal | ||||
| Installation Orientation | Vertical, or horizontal with the pressure setting dial facing upwards. Note: Since vertical installation lowers the operating point, adjust the set point after checking the actual operating point. | ||||
| Mass | 260 g | ||||
| Protection against electrical shock | Class 1 | ||||
| Standard | EN1854 (GAR) PIN: 0063AR1571/1 EN60730-2-6 (LVD) | ||||
| Option accessories (sold separately) | Switch operation indicator lamp (100/200 V AC) Model No.: 81404156 | ||||
| Warranty period | Azbil Corporation products shall be warranted for one (1) year from the date of your purchase of the said products or the delivery of the said products to a place designated by you. (In the event that Azbil Corporation product has any failure attributable to Azbil Corporation during the aforementioned period, Azbil Corporation shall, without charge, deliver a replacement for the said product to the place where you purchased, or repair the said product and deliver it to the aforementioned place. Azbil Corporation shall not be liable for any damages, including direct, indirect, special, incidental or consequential damages in connection with or arising out of Azbil Corporation products.) | ||||
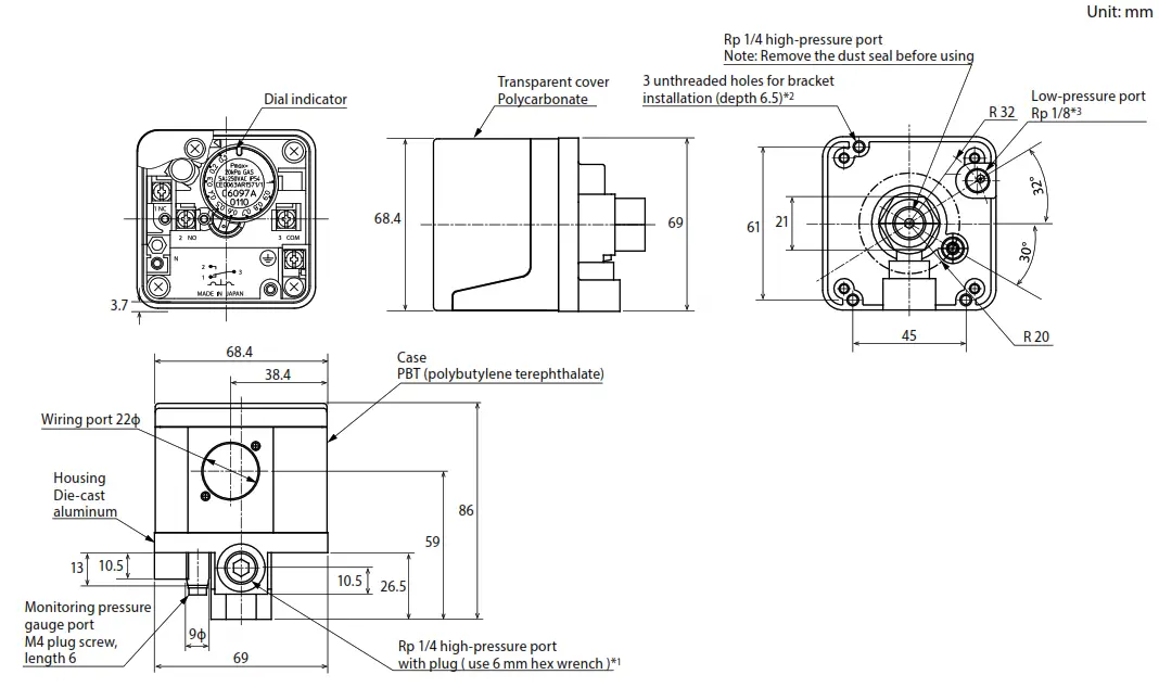
EXTERNAL DIMENSIONS

- There are high-pressure ports on the sides and bottom. To use the side high-pressure port, remove the plug, apply sealing material, and put it in the bottom port.
- Use an M4 self-tapping screw or provide the hole with M4 threads before use.
- If this switch is used with combustible gas, and an exhaust pipe is connected, it should be connected to the low-pressure port. Do not connect a combustible gas to the low-pressure port.
Appendix 1
C6097A0110. C6097A0110D, C6097A0112. C6097A0210. C6097A02100. C6097A0210M. C6097A0310. C6097A0310D, C6097A0410. C6097A0410D, C6097A0510 and C6097A0510D
Disposal of Electrical and Electronic Equipment (for Environmental Protection)
This is an industrial product subject to the WEEE Directive. Do not dispose of electrical and electronic equipment in the same way as household waste. Old products contain valuable raw materials and must be returned to an authorized collection point for correct disposal or recycling.
Azbil Corporation
Advanced Automation Company
1-12-2 Kawana,
Fujisawa Kanagawa 251-8522 Japan
URL: https://www.azbil.com
1st edition: lune 2022 IS)




















