VIESSMANN 7968315 Auxilliary Low Gas Pressure Switch

Safety and Installation Requirements
Please ensure that these instructions are read and understood before starting any service work. Failure to comply with these instructions may cause product/property damage, severe personal injury and/or loss of life.
Working on the equipment
The installation, adjustment, service and maintenance of this product must be performed by a licensed professional heating contractor who is qualified and experienced in the installation, service, and maintenance of hot water boilers. There are no user serviceable parts on the boiler, burner or control.Ensure that main power to the equipment being serviced is off. Ensure that the main fuel supply valve to the boiler is closed. Take precautions to avoid accidental activation of power or fuel during service work.
Do not perform service work on any component part without ensuring safe operation of the heating system. When replacing parts, use original Viessmann or Viessmann approved replacement parts.
Installation Steps
IMPORTANT
Low pressure switches are suitable for making and/or breaking a circuit when the medium pressure changes relative to the setpoint. The setpoint can be set in the field by an adjustable dial with an integrated scale.
CAUTION
Low gas pressure can cause the heating system to shut down.
Codes
Refer to current CAN/CSA B149.1 and .2 or National Fuel Gas Code ANSI Z223.1/NFPA 54, as well as local codes for gas piping requirements and sizing. Pipe size to the boiler must be determined based on:
- pipe length
- number of fittings
- type of gas
- maximum input requirements of all gas appliances in the residence.
IMPORTANT
Design piping layout in such a way that piping does not interfere with serviceable components.
All electrical wiring is to be done in accordance with the latest edition of CSA C22.1 Part 1 and/or local codes. In the U.S. use the National Electrical Code ANSI/NFPA 70.
Installation steps
- Disconnect boiler power supply.
- If the boiler has already been installed, shut off main gas supply to the boiler and disconnect gas supply piping.
- Supply and install gas piping components as required (see illustration on page 5).
- Route supplied cable beneath the top rail 1 as shown. Secure using plug-in cable retainers as shown.
- Remove jumper from terminals 26 and 27 and make electrical connections as shown between the boiler and the low gas pressure switch as required..
- Set the low gas pressure switch to 4.5” wc.
- Open gas supply to the burner.
Note: The setting must be higher then the GW1 pressure switch (4” w.c.) located on the gas valve. If a 4” w.c. setting is required then the GW1 pressure switch must be set below 4”w.c. - Using an approved gas leak detector, check gas line and low gas pressure switch.
- Reconnect power to the boiler.
Note: Venting is not required, subject to the authority have jusisdition. The switch has a built-in vent limiter.CM2 Boiler connection Low pressure gas switch connection Cable color 26 (G) Green (GN) 26 (L) COM Black (BK) 26 (N) N White (WT) 27 (L) NO Red (RD) 
Operation
- When sufficient gas pressure is available, the low gas pressure switch contact terminals 3(COM) and 2(NO) will close. The burner control is then energized and the system will operate normally.
- When sufficient gas pressure is no longer available, the low gas pressure switch contact terminals 3(COM) and 2(NO) will open. The burner control will stop operating and generate a fault C1 at the boiler control (the indicator light on the pressure switch will be illuminated).
- To restart the boiler, press the low gas pressure switch reset button (only once) and reset the boiler control fault.
- If the fault persists, verify the gas supply pressure. There should be a minimum operating pressure of 4.5” w.c., if not contact your local gas company.
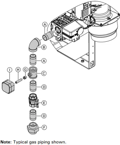
Gas Piping Components
Legend
- A Nipple (supplied with boiler)
- B Elbow (supplied with boiler)
- C Reducing tee (kit part)
- D Short nipple kit (field supplied)
- E Manual gas shutoff valve (supplied with boiler)
- F Ground joint union (recommended) (field supplied)
- G Reducing bushing kit (only for 7968316)
- H Short nipple (kit part)
- I Low gas pressure switch*
the switch can be installed in the gas line anywhere near the boiler.

Technical information subject to change without notice.
Viessmann Manufacturing Company Inc.
Viessmann Manufacturing Company (U.S.) Inc.
750 McMurray Road
Waterloo, Ontario N2V 2G5 Canada
45 Access Road
Warwick, Rhode Island 02886 USA
Techinfo Line 1-888-484-8643
Techlnfo Line 1-888-484-8643
1-800-288-0667 Fax (401) 732-0590
1-800-387-7373 Fax (519) 885-0887
www.viessmann.ca [email protected]
www.viessmann-us.com [email protected]






















