EATON IL01301056E Air Circuit BREAKER

WARNING
- ONLY QUALIFIED ELECTRICAL PERSONNEL SHOULD BE PERMITTED TO WORK ON THE EQUIPMENT.
- ALWAYS DE-ENERGIZE PRIMARY AND SECONDARY CIRCUITS IF A CIRCUIT BREAKER CANNOT BE REMOVED TO A SAFE WORK LOCATION.
- DRAWOUT CIRCUIT BREAKERS SHOULD BE LEVERED (RACKED) OUT TO THE DISCONNECT POSITION.
- ALL CIRCUIT BREAKERS SHOULD BE SWITCHED TO THE OFF POSITION AND MECHANISM SPRINGS DISCHARGED.
FAILURE TO FOLLOW THESE STEPS FOR ALL PROCEDURES DESCRIBED IN THIS INSTRUCTION LEAFLET COULD RESULT IN DEATH, BODILY INJURY, OR PROPERTY DAMAGE.
THE INSTRUCTIONS CONTAINED IN THIS IL AND ON PRODUCT LABELS HAVE TO BE FOLLOWED. OBSERVE THE FIVE SAFETY RULES:
- DISCONNECTING
- ENSURE THAT DEVICES CANNOT BE ACCIDENTALLY RESTARTED
- VERIFY ISOLATION FROM THE SUPPLY
- EARTHING AND SHORT-CIRCUITING
- COVERING OR PROVIDING BARRIERS TO ADJACENT LIVE PARTS DISCONNECT THE EQUIPMENT FROM THE SUPPLY. USE
ONLY AUTHORIZED SPARE PARTS IN THE REPAIR OF THE EQUIPMENT. THE SPECIFIED MAINTENANCE INTERVALS AS WELL AS THE INSTRUCTIONS FOR REPAIR AND EXCHANGE MUST BE STRICTLY ADHERED TO PREVENT INJURY TO PERSONNEL AND DAMAGE TO THE SWITCHBOARD.
Section 1: General information
Standard flat primary terminal pads with tapped holes are located on the rear of a drawout cassette and fixed mount breaker. The pads and holes allow for a variety of primary connection configurations. Dove tail shaped mounting slots are provided for mounting optional interphase barriers (Figure 1).

Table 1. Kit Parts Identification

- Drawout and fixed adapters differ. See figure 1a,
- 3P brace approximately 12.2 inches (310mm) long. 4P brace approximately 16.7 inches (425mm) long.
Installation and Removal Instructions for Series

Section 2: Front-mounted connections
CAUTION
WHEN MAKING BOLTED CONNECTIONS TO THE EQUIPMENT OR TO THE ADAPTERS THEMSELVES, ALL WHICH HAVE PRE-TAPPED HOLES, IT IS IMPORTANT NOT TO EXCEED THE RECOMMENDED TORQUE VALUES. IN ADDITION, ANY CONNECTION HARDWARE USED SHOULD BE THE EXACT LENGTH REQUIRED AND NOT EXTEND OUT PAST THE MOUNTING HOLE. FAILURE TO FOLLOW THESE REQUIREMENTS COULD RESULT IN EQUIPMENT DAMAGE AND/OR FAILURE.
Front bus adapter
Proceed with the following five steps:
Step 1: Position the front bus adapters (stack adapters as needed
for higher ratings) on the primary terminal pad as shown. Install the M8 hardware provided into the four mounting holes and hand tighten (Figures 2 and 2a). The number of front connect bars is dependent on the current rating: up to 1600A = 1x, up to 2500A = 2x, 3200A = 3x per flat connection.
Step 2: Position the braces to the bus adapters as shown. Install the M12 hardware provided and hand tighten (Figures 3 – drawout shown). Braces for fixed and drawout configurations installed in the same manner.
Step 3: Using a torque wrench, torque all M8 bolted connections to 177 in-lbs (20 Nm).
Step 4: Using a torque wrench, torque all M12 bolted connections to 780 in-lbs (88 Nm).
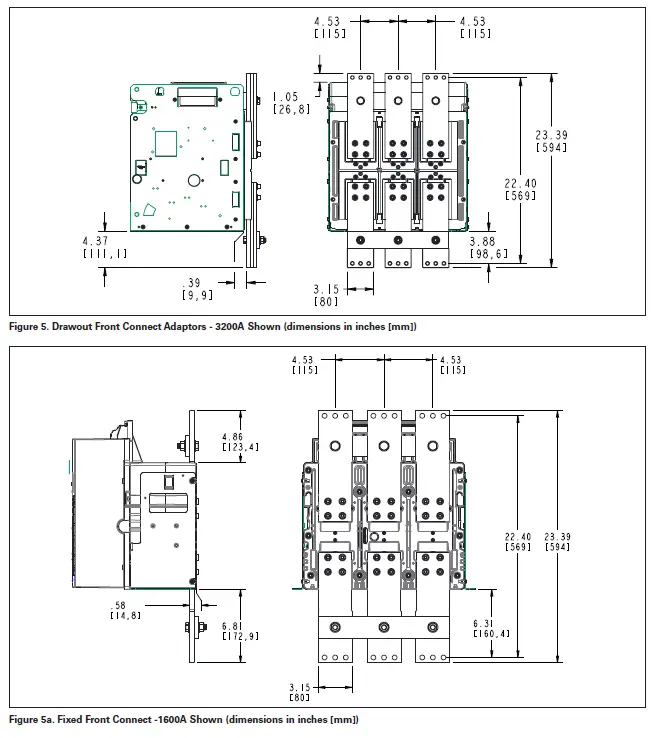
Step 5: Refer to Figures 5 and 5a for applicable configuration and dimensions.
IMPORTANT
IT IS RECOMMENDED THAT THE REAR OF THE FRONT CONNECT TERMINALS BE INSULATED FROM ANY GROUNDED METAL TO HELP PREVENT ACCIDENTAL CONTACT.


Disclaimer of warranties and limitation of liability
The information, recommendations, descriptions, and safety notations in this document are based on Eaton Corporation’s (“Eaton”) experience and judgment, and may not cover all contingencies. If further information is required, an Eaton sales office should be consulted. Sale of the product shown in this literature is subject to the terms and conditions outlined in appropriate Eaton selling policies or other contractual agreement between Eaton and the purchaser.
THERE ARE NO UNDERSTANDINGS, AGREEMENTS, WARRANTIES, EXPRESSED OR IMPLIED, INCLUDING WARRANTIES OF FITNESS FOR A PARTICULAR PURPOSE OR MERCHANTABILITY, OTHER THAN THOSE SPECIFICALLY SET OUT IN ANY EXISTING CONTRACT BETWEEN THE PARTIES. ANY SUCH CONTRACT STATES THE ENTIRE OBLIGATION OF EATON. THE CONTENTS OF THIS DOCUMENT SHALL NOT BECOME PART OF OR MODIFY ANY CONTRACT BETWEEN THE PARTIES.
In no event will Eaton be responsible to the purchaser or user in contract, in tort (including negligence), strict liability, or otherwise for any special, indirect, incidental, or consequential damage or loss whatsoever, including but not limited to damage or loss of use of equipment, plant or power system, cost of capital, loss of power, additional expenses in the use of existing power facilities, or claims against the purchaser or user by its customers resulting from the use of the information, recommendations, and descriptions contained herein. The information contained in this manual is subject to change without notice.
Electrical Sector
Cleveland, OH 44122 United States
877-ETN-CARE (877-386-2273) Eaton.com All Rights Reserved Printed in USA
Publication No. IL01301056EH02 TBG001338 September 2016 EATON www.eaton.com




















