EATON GHG 624 Explosion-Protected Residual Current Operated Circuit Breaker

Operating instructions
Explosion-protected residual current operated circuit breaker (RCCB) series GHG 624
Residual current operated Circuit Breaker with overcurrent protection (RCBO) series GHG 625
Serie GHG 624 / GHG 625
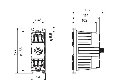
Dimensional drawings : Dimensions in mm: X = Fixing dimensions

Module size 2

Module size 3 : Module size 4
Technical Data

ATEX type examination certificate: BVS 09 ATEX E 145 U
Marking acc. to 2014/34/EU and standard:
- II 2 G
- EN 60079-0 Ex db eb IIC Gb Ex db eb IIB Gb
- Ex db eb [ia] ib IIC Gb Ex db eb [ia] ib IIB Gb
- IECEx type examination certificate: IECEx BVS 10.0002U
Category of application:
- IEC 60079-0 Ex de IIC Gb Ex de IIB Gb
Ex de [ia] ib IIC Gb Ex de [ia] ib IIB Gb
The marking may be optionally be supplemented to the category of application. For example: “d” and / or “mb”.
| Ex ambient temperature range 1): Serie A Serie E | ||
| IIC size 1 … size 4: | -20° C … +55° C | -20° C … +55° C |
| IIB size 1 … size 2: | -45° C … +55° C | -45° C … +55° C |
| IIB size 3 … size 4: | -20° C … +55° C | -20° C … +55° C |
| Ex operating temperature range 2): | ||
| IIC Größe 1 … size 4: | -20° C … +110° C | -20° C … +110° C |
| IIB Größe 1 … size 2: | -45° C … +110° C | -45° C … +110° C |
| IIB Größe 3 … size 4: | -20° C … +110° C | -20° C … +110° C |
| Function temperature range 3): | -25° C … + 70° C | -25° C … + 40° C |
Function temperature range 3): -25° C … + 70° C -25° C … + 40° C
- Standard ambient temperature range of the build-in industrial component is -25 °C to + 40 °C (aligned) and -25 °C to + 55 °C (single).
- The operating temperature range refers to the adherence to the explosion protection parameters and defines the maximum
permissible temperatures of the materials of the flameproof enclosure. - Other temperatures are possible if agreed upon with the manufacturer (Cooper Crouse Hinds).
Perm. storage temperature in original packing: -35° C … +60° C -35° C … +60° C
Rated voltage:
- Main contact up to 690 V
- Aux. contact up to 440 V
- The rated voltage of built-in industrial equipment can deviation (see chapter 10).
Terminal cross section:
- Main terminal module size 2-4
- Fine wire with ferrules: 1 x 1.5 mm² … 1 x 16 mm² 2 x 1.5 mm² … 2 x 4.0 mm²
- pin cable lugs up to 2 x 16 mm²
- pin cable lugs GHG 510 1916 R0001: up to 1 x 25 mm² or 2 x 25 mm²
- Aux. contact
- 1 x 1.0 mm² … 1 x 2.5 mm²
- 1 x 1.5 mm²
- Quantity terminals for the module size: 2 3 4
- Main contact 2 3 4
- Aux. contact 3 4 5
- Test torques:
- Main contact 2.4 Nm
- Aux. contact 1.0 Nm
- Mounting screws 2.5 Nm
- Enclosure material: Polyamide
ELCB (RCCB), 2 and 4-pole; GHG624


RCBO with Circuit breaker, 2-pole; GHG625


Maximum contact voltage UL für FI, FI/LS
Maximum contact voltage: maximum permissible earth resistance at rated residual current in Ohm
- 10 mA 30 mA 100 mA 300 mA 500 mA
- 25 V 2500 833 250 83 50
- 50 V 5000 1666 500 166 100
Tripping characteristics see last page. Additional facilities require a larger housing components.
Signal contact GHG 62


Auxiliary contact multi pole GHG 62


Interface Relais R1561
- Switching voltage min/max 12 V / 250 V AC
- Switching current min/max 10 mA / 6A
- Breaking capacity AC 1 min/max 0,6 VA / 1500 VA (ohmic load)
- DC 1 min/max 0,6 W / 140 W
Safety instructions
The operations shall be carried out by qualified, instructed electricians or qualified personnel according to IEC/EN 60079-14 and engineering/development specialists according to IEC/EN 60079-0.
The modules GHG 62. are not suitable for Zone 0 hazardous areas.
Warning: These modules shall be built into an enclosure that fulfils the requirements of a recognized type of protection acc. to IEC/EN 60079-0.
The letter ”U” in the certification number means that this component certificate may only be used as a basis for the certification of apparatus or protective systems.
The permissible ambient temperature range and the self-heating of the apparatus, that is mainly caused by the power dissipation are to be observed to ensure that the operating temperature range stated on the type label of the apparatus is maintained.
The temperature class of the complete installation or distribution is determined by the power dissipation of all the built-in modules and components.
Observe the directives for self-heating. The apparatus shall be used for the intended purpose and shall be in a perfect and clean state.
Modifications to the distributions or design changes are not permitted.
Prior to being put into operation, the modules shall be checked in accordance with the instructions given in section 6.
The minimum terminal cross sections of the flameproof modules shall be observed during connection in acc. with IEC/EN 60204-1:2008.
The national safety rules and regulations for the prevention of accidents, as well as the safety instructions included in these
operating instructions, that, like this text, are set in italics, shall be observed.
Conformity with standards
The apparatus is conform to the standards specified in the Attestation of conformity, enclosed separately.
References to standards and directives in these operating instructions always relate to the latest version. Other additions (e.g. details relating to the year) shall be observed.
Field of application
Modules of the series GHG 624 / GHG 625. may be built into enclosures in the type of protection ”increased safety” (IEC/EN 60079-7).
When built into these Ex e enclosures, the modules are suited for use in both Zone 1 and Zone 2 hazardous areas in accordance with
IEC/EN60079-10-1!
The enclosure materials used, including any external metal parts, are high quality materials that ensure a corrosion resistance and resistance to chemical substances according to the requirements for use in a ”normal industrial atmosphere”
Application / Properties
The explosion-protected module enclosures in accordance with IEC/EN 60079-1 are used for the flameproof encapsulation of switchgear such as circuit breakers that give off arcs or sparks during normal operation and, as a result, could ignite an existing potentially explosive atmosphere.
Important: When using these modules, the technical data and the connection diagram on the type label shall be observed.
When circuit breakers are flameproof encapsulated in the enclosures, after several short circuits it is necessary to test the modules to ensure that they function correctly.
When RCCBs and RCBOs are flameproof encapsulated in the enclosures, after several short circuits it is necessary to test the modules to ensure that they function correctly.
An RCCB/RCBO does not prevent the feeling caused by an electric shock, but limits the duration of the current flow through the human body to such an extent that the probability of its being fatal is reduced to a negligible value.
After the cause for tripping has been eliminated, reset the ELCB (RCD) by switching the toggle switch to the ”ON” position.
The manufacturer of the RCCB/RCBO recommends to test the function by the test button fig. 1, item 1, twice yearly.
FI or FI/LS with the symbol K on the type lable have a short time delay of 10 ms.
Optionally RCCB/RCBO be chosen with the following additional equipment:
Auxiliary switch:
The auxiliary switch is equipped with potential-free contacts and clearly shows the switch status of the main contacts, whether the circuit-breaker is manually switched off or through overload. By connection of the auxiliary switch to the switchboard, it becomes trip-free.
Signal contact:
Is activated by overload, earth fault or short-circuit but not through manual shutdown of the circuit-breaker. Through switching-on the circuit-breaker, the signal contact will be reset.
The data according to sections 3 and 4 shall be taken into account during use.
Applications other than those described are not permissible without a written declaration of consent from the manufacturer.
During operation the instructions stated in section 7 of the operating instructions shall be observed.
The sole responsibility with respect to the suitability and proper use of these modules lies with the operator.
Mounting
Before mounting the modules, it is necessary to check them to ensure that they are in perfect condition. Special attention shall be given to any possible transport damages (cracks and damage to the flameproof encapsulation or any other damage to the modules).
The modules can be mounted by snapping them onto a DIN rail or screwing them onto an internal mounting plate (Test torque 2.5 Nm).
When mounted directly onto an internal mounting plate, the enclosures shall be fixed in such a way that they rest evenly on the fastening points provided for this purpose and that they cannot turn.
The screws used shall match the fixing hole (see dimensions drawing) and shall not damage the hole (e.g. use of a washer).
If the fixing screws are overtightened, the apparatus may be damaged.
Electrical connection
The electrical connection of the apparatus may only be carried out by trained staff (IEC/EN 60079-14).
The properly bared conductors of cables shall be connected with due regard to the respective regulations.
To maintain the explosion protection, conductors shall be connected with special care.
The insulation shall reach up to the terminal. The conductor itself must not be damaged.
The minimum and maximum connectable conductor cross sections are to be observed.
Two conductors with pin lugs in one terminal, have to connect as in fig.2 shown.
All screws and/or nuts of the connection terminals, including those not in use, shall be tightened down securely.
The built-in standard terminal is designed for the direct connection of conductors with copper wires.
The circuit diagram of the built-in components is shown on the modules, included with the switch unit or included in the operating instructions.
When using multi- or fine-wire connection cables, the wire ends shall be treated in accordance with the valid national and international regulations (e.g. use of cable end sleeves).
Putting into operation
Before putting the apparatus into operation, the tests specified in the individual national regulations shall be performed.
In addition to this, before being put into operation, the correct functioning of the modules shall be checked in accordance with these operating instructions and other applicable regulations.
The incorrect installation can result in the invalidation of the guarantee.
Raises the RCBO at startup immediately, the downstream power circuit and connected thereto consumables should be checked for ground faults. Insulation fault or about existing connections between the neutral conductor and protective conductor on the load side must be removed.
The aforementioned causes of vaginal or fails the functional test, the RCBO – circuit breaker needs to be replaced.
Maintenance / Servicing
The valid national regulations for the servicing / maintenance of electrical apparatus for use in potentially explosive atmospheres shall be observed the IEC/EN 60079-17.
Prior to opening the enclosure, it is necessary to ensure that the voltage supply has been isolated or to take suitable protective measures.
Only original Cooper Crouse-Hinds GmbH spare parts may be used!
The user is responsible for stipulating the necessary maintenance intervals specific to the application depending on the conditions of use, national directives and standards.
Should the maintenance interval for the function test of an RCCB/
RCBO not be defined, the manufacturer of the RCCB/RCBO recom-mends to test the function by the test button twice yearly.
The RCCB/RCBO shall release when the test button is actuated. If this is not the case, the protective function is no longer guaranteed and the RCCB/RCBO shall be replaced.
During servicing, above all the correct working order of parts on which the explosion protection depends shall be checked.
If, in the course of servicing, it is ascertained, that repairs are necessary, section 8 of these operating instructions shall be observed.
Repairs / Modifications
Only original COOPER CROUSE-HINDS GMBH parts shall be used for carrying out repairs.
Repairs that affect the explosion protection, may only be carried out by COOPER CROUSE-HINDS or a qualified electrician in compliance with the applicable national rules (IEC/EN 60079-19).
In the event of damage to the flameproof encapsulation, replacement of the respective components is mandatory. In case of doubt, the
respective apparatus shall be sent back to the manufacturer for repair. Apparatus modifications or design changes are not permitted.
Disposal/Recycling
When the apparatus is disposed of, the respective national regulations on waste disposal will have to be observed.
In case of disposal you can obtain additional information from your Cooper Crouse-Hinds /EATON branch.
Subject to modifications or supplement of the product range.
Tripping characteristic of circuit breaker


Eaton is dedicated to ensuring that reliable, efficient and safe power is available when it’s needed most. With unparalleled knowledge of electrical power management across industries, experts at Eaton deliver customized, integrated solutions to solve our customers’ most critical challenges.
Our focus is on delivering the right solution for the application. But, decision makers demand more than just innovative products. They turn to Eaton for an unwavering commitment to personal support that makes customer success a top priority. For more information, visit
www.eaton.com/electrical.



















