hager 145832 16-63A Residual Current Circuit Breaker

![]() | For the tripping times verification tests, in an electrical installation, Hager certifies that the RCDs, of the Hager brand, conforming to standards EN 61008-2-1, EN 61009-2-1, trip under a current of 5*I∆n in accordance with the times imposed in table 41.1 of standard DIN VDE 0100-410 (VDE 0100-410) 2018-10. |
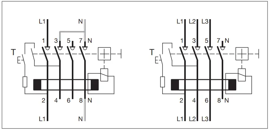
Installation Instructions









![]() | A warranty period of 24 months is offered on Hager products, from date of manufacture, relating to any material of manufacturing defect. If any product is found to be defective it must be returned via the installer and supplier (wholesaler). The warranty is witdrawn if, after inspection by Hager quality control dept the device is found to have been installed in a manner which is contrary to IEE wiring regulations and accepted practice within the industry at the time of installation and/ or the procedure for the return of goods has not been followed. Explanation of defect must be included when returning goods. |
![]() ![]() | A warranty period of 24 months is offered on Hager products, from date of manufacture, relating to any material of manufacturing defect. If any product is found to be defective it must be returned via the installer and supplier (wholesaler). The warranty is witdrawn if, after inspection by Hager quality control dept the device is found to have been installed in a manner which is contrary to IEE wiring regulations and accepted practice within the industry at the time of installation and/ or the procedure for the return of goods has not been followed. Explanation of defect must be included when returning goods. |
Customer Support
Hager Electro S.A.S., Boulevard d’Europe, B.P. 3, 67215 OBERNAI CEDEX, France – www.hager.com























