NRX Series Low Voltage Air Circuit Breakers

Product Information
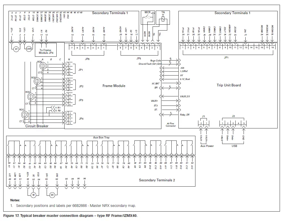
The Series NRX with PXR circuit breaker is a type of circuit breaker designed for UL1066/ANSI and UL489 applications. It comes in two frame types: the NF frame IEC IZMX16 and the RF frame IEC IZMX40. The circuit breaker features contact blocks on the Secondary Terminal Block that contain four independent contacts, providing up to 56 contact points for the NF frame and up to 96 contact points for the RF frame. The circuit breaker can be either drawout or fixed-mounted and supports solid or flexible conductors. It is rated for 600 V, 10 A for IEC, 5 A for UL or CSA (18 AWG minimum) continuous current.
Product Usage
- Refer to the wiring diagrams provided in the user manual and connect the circuit breaker according to the customer wiring details in Table 1.
- For drawout circuit breakers, use Style 67C3246 contact blocks that mount onto an insulated support frame on the cassette. For fixed mounted circuit breakers, use Style 67C3247 contact blocks that mount onto an insulated support frame. Use a tension clamp termination on each contact for customer wiring.
- The tension clamp terminals can support solid or flexible conductors, #12/4 mm2 through #26/0.5 mm2 AWG wire. For flexible conductors, use wire end ferrules without plastic sleeve – DIN 46228/1 or with plastic sleeve – DIN 46228/4. The recommended strip length or ferrule length is 10-12 mm (0.39 – 0.47 in).
- Mount contact blocks individually as required by the accessories and options ordered. Note that some contact positions may be empty.
- The two-point blue plugs house two female crimp contacts (Style 67C3249), with the odd assigned numbers having the coded rib feature on the blue plug. Use the blue plugs for wiring connections.
Instructions apply to:

General wiring notes
- Each contact block on the Secondary Terminal Block contains four independent contacts (Figure A). A possible 14 terminal blocks will provide 56 contact points for the type NF frame. A possible 24 terminal blocks will provide 96 contact points for the type RF frame.

- Draw out circuit breakers use Style 67C3246 contact blocks that mount onto an insulated support frame on the cassette.
- Fixed mounted circuit breakers use Style 67C3247 contact blocks that mount onto an insulated support frame. The customer tension connectors are at an angle.
- Customer wiring is done using a tension clamp termination on each contact.
- Contact blocks are individually mounted and hence contact positions may be empty depending on accessories and options ordered.
- The tension clamp terminals will support solid or flexible conductors, #12/4 mm2 through #26/0.5 mm2 AWG wire and are rated for 600 V, 10 A for IEC, 5 A for UL or CSA (18 AWG minimum) continuous current.1
- The recommended wire strip length is 10-12 mm (0.39 – 0.47 in).
- The tension clamp terminals also support finely stranded conductors with wire-end ferrules and plastic collars DIN 46228/4, rated connection.
- The two-point blue plugs house two female crimp contacts (Style 67C3249), with the odd assigned numbers having the coded rib feature on the blue plug (Figure B).
Note: Note that the connector plug must be oriented as shown in Figure B before making the connection.
For secondary contacts, odd numbers should be treated as positive voltage for any accessory. This will not apply for AC ratings. - Reference tool for removing leads from secondary contact connector plug – 68D3288H01 Extraction Tool (Figure C).
Table 1. Customer wiring details.
| Type of conductor | Tension clamp connection | Recommended strip length or ferrule length |
| Solid cross section (min – max) | 0.5 – 4 mm² | 10 – 12 mm (0.39 – 0.47 in.) |
| Flexible cross section (min – max) | 0.5 – 4 mm² | 10 – 12 mm (0.39 – 0.47 in.) |
| American wire gauge – AWG (min – max) | 26 – 12 AWG | 10 – 12 mm (0.39 – 0.47 in.) |
| Flexible cross section with wire end ferrule without plastic sleeve – DIN 46228/1 (min – max) | 0.5 – 2.5 mm² (26 – 14 AWG) | 10 – 12 mm (0.39 – 0.47 in.) |
| Flexible cross section with wire end furrule with plastic sleeve – DIN 46228/4 (min – max) | 0.5 – 1.5 mm² (26 – 16 AWG) | 16 – 18 mm (0.63 – 0.71 in.) |
| Gauge to IEC 60947-1. | A3 |


Wiring diagrams

Notes:
- Twisted together AWG #14 to #20 copper wire. Route the zone interlock wiring separate from power conductors. DO NOT GROUND any zone interlock wiring.
- The maximum distance between two farthest breakers on different zones (from the Zout downstream to the Zin upstream terminals) is 250 feet (75 m).
- A maximum of 20 breakers may be contained in parallel in one zone.
- Provide a self interlocking jumper (on zone 3), if coordination is desired with other downstream breakers not providing the Zone Interlock feature.


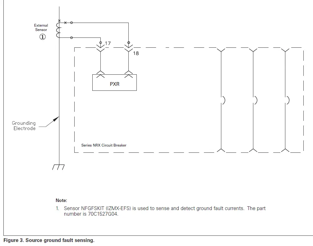
Note: Sensor NFGFSKIT (IZMX-EFS) is used to sense and detect ground fault currents. The part number is 70C1527G04.

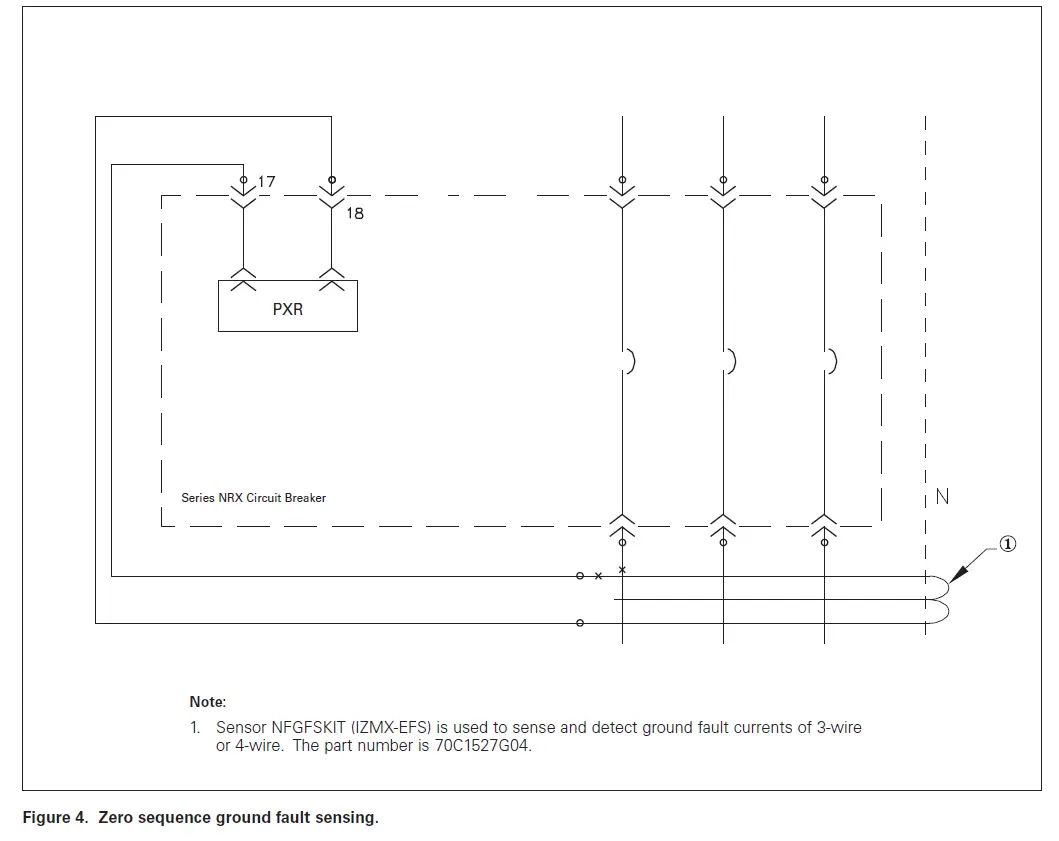
Note: Sensor NFGFSKIT (IZMX-EFS) is used to sense and detect ground fault currents of 3-wire or 4-wire. The part number is 70C1527G04.
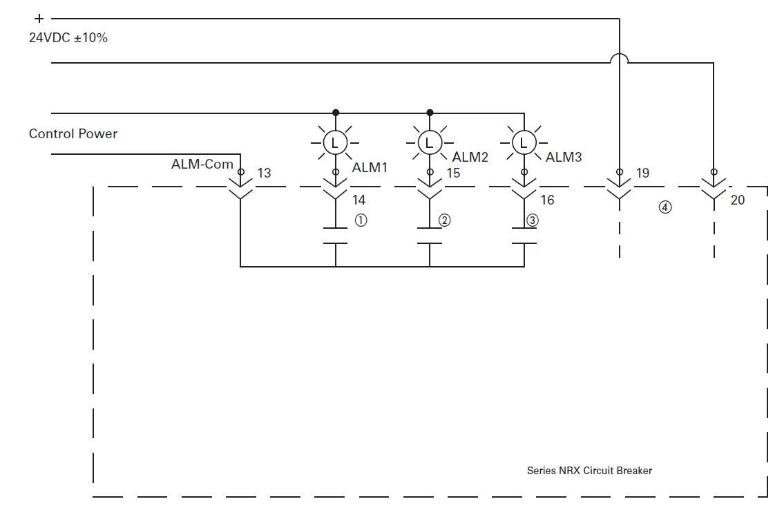
Figure 5. PXR alarm wiring.
Notes:
- For the PXR20/25, the Alarm 1 is for Remote Indication/ Maintenance Mode indication.
Contact rating 1 A @ 120 Vac, 1 A @ 24 Vdc, and 0.5 A @ 230 Vac. - For the PXR20/25, the Alarm 2 is for High Load alarm/Ground Fault alarm. Contact rating 1 A @ 120 Vac, 1 A @ 24 Vdc, and 0.5 A @ 230 Vac.
- For the PXR20/25, the Alarm 3 is for Trip N.O. contact. Contact rating 1 A @ 120 Vac, 1 A @ 24 Vdc, and 0.5 A @ 230 Vac.
- If the control voltage is +24 Vdc, the trip unit should be fed from a separate, galvanically isolated + 24 V voltage dc supply.
Figure 6. Maintenance mode wiring.
Notes:
- PXR20/25 can locally be placed in maintenance mode via a two position switch located on the trip unit. The function can be armed via a remote switch as shown.
In addition, the function can be activated via communication modules. A blue LED on the PXR verifies the PXR release in maintenance mode. - The recommended selector switch for this low voltage application is Eaton part number 10250T133-2E which includes a contact block rated for logic level and
corrosive use. - The maximum length of this wiring to remotely arm the switch (or alternate relay contact) is 9.78 feet (3 m). Use #20 AWG wire or larger.
- A remote Stack Light Annunciator panel or other remote indication device can be connected to verify that PXR is in the maintenance mode.
- The relay in the PXR release makes when in maintenance mode. Contact is rated 1 A @ 120 Vac, 1 A @ 24 Vdc, and 0.5 A @ 230 Vac.
- The PXR release can also be placed remotely in its maintenance mode via a general purpose relay (ice cube type with logic level contacts) and activated by a
remote control switch. A recommended type is IDEC relay RY22. Choose the voltage as desired. - If a communication module is used, see Figures 6, 7 8, and 9 for different wiring. The communication module will require 24 Vdc power and will provide isolated
power to the PXR release in the circuit breaker. If a communication module is not used, the PXR release that requires auxiliary voltage for alarms which should
be fed from a galvanically isolated, 24 Vdc supply
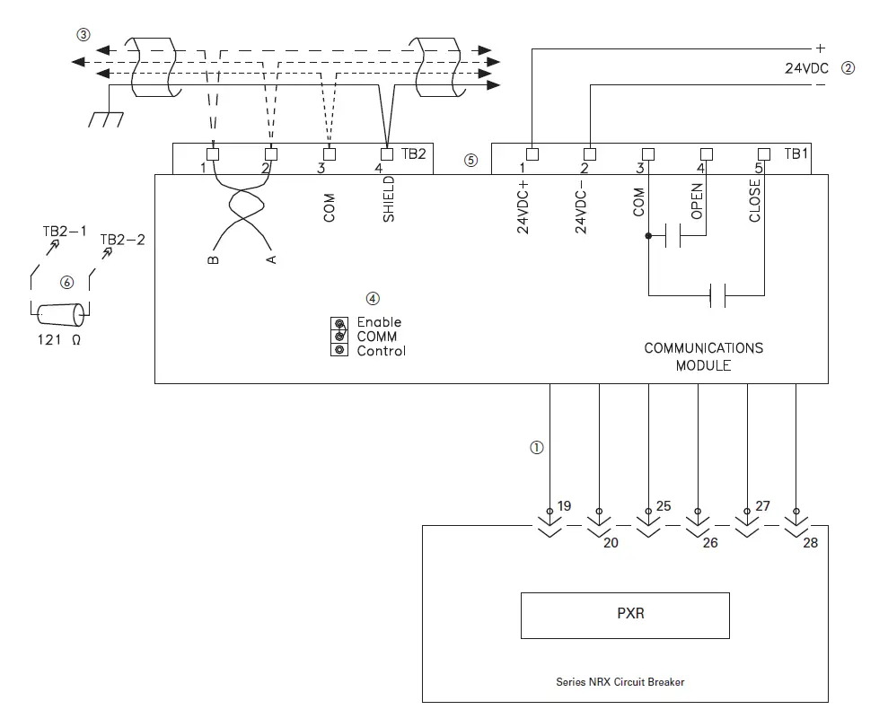
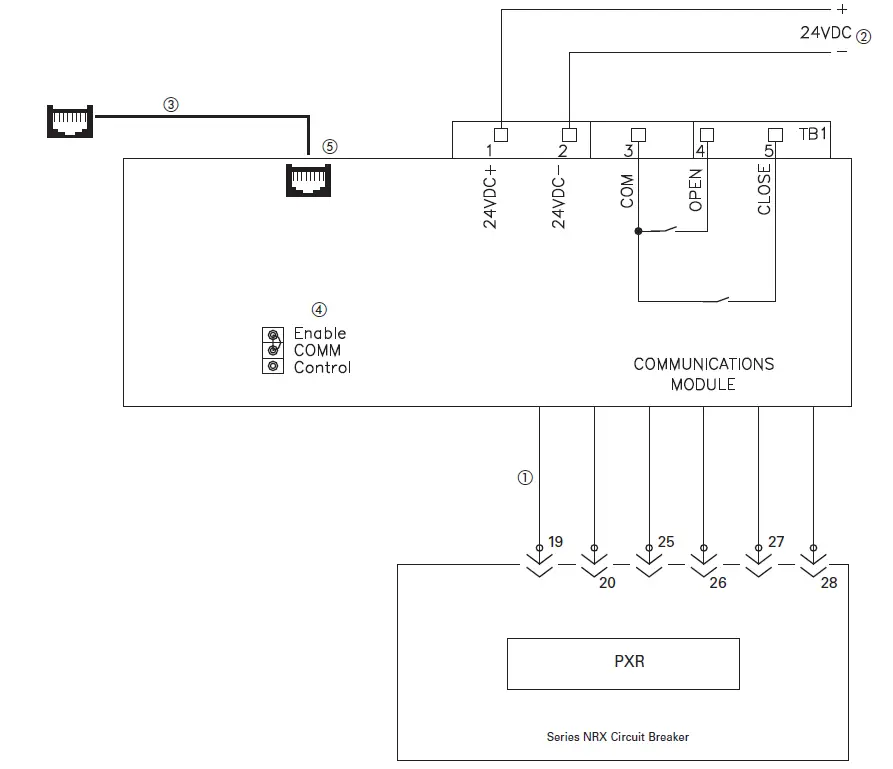
Figure 7. INCOM communication module (ICAM).
Notes:
- The Series NRX communication module is a separate device that mounts on a DIN rail bracket. A separate harness is required to remotely mount and wire the module.
- The communications module voltage requirement is 24 Vdc ± 10% and should be sourced from a high quality supply (6 watts is the burden of the CAM).
- INCOM communication cable is a two conductor with shield type wire in “daisy chain” configuration. The recommended cable (Belden “Blue Hose” # 9643 or equivalent) has a twisted-pair of wires (# 20 AWG stranded 7 x 28 conductors with PVC insulation) having an aluminum/mylar foil shield with drain wire. The maximum system capacity is 10,000 feet (3048 m) of communications cable and 1,000 devices on the INCOM network. Make sure that the twisted-pair wire is recommended for INCOM network use. Use shielded twisted-pair wire to connect each slave to the INCOM network, daisy-chain style. The polarity of the twisted-pair is not important.
Ground the shield at the host computer (device). - Set the jumper on the module to enable or disable the communications control as desired.
- Connectors are UL/CSA rated 300 V, VDE rated 250 V. The recommended connector is Weidmuller # BL 3.5/90/5 BK, oriented for 90° lead exit. However, other lead orientations are possible. Wire gauge # 18 AWG/0.82 mm2.
- The final device in the daisy-chain configuration must have a 100 ohm termination resistor installed across terminals #1 and #2 on TB2.
Figure 8. MODBUS communication module (MCAM).
Notes:
- The Series NRX communication module is a separate device that mounts on a DIN rail bracket. A separate harness is required to remotely mount and wire the module.
- The communications module voltage requirement is 24 Vdc ± 10% and should be sourced from a high quality supply (6 watts is the burden of the CAM).
- MODBUS communication cable is a three conductor with shield type wire in “daisy chain” configuration. The recommended cable has a twisted-pair of wires (# 24 AWG stranded 7 x 32 conductors with PVC insulation) having an aluminum/mylar foil shield with drain wire. The maximum system capacity is 4,000 feet (1219 m) of communications cable and 32 unit loads on the MODBUS RTU network.
Make sure that the twisted-pair wire is recommended for MODBUS RTU network use. Use shielded twisted-pair wire to connect each slave to the MODBUS RTU network, daisy-chain style. The polarity of the twisted-pair is not important. Ground the shield at the host computer (device). - Set the jumper on the module to enable or disable the communications control as desired.
- Connectors are UL/CSA rated 300 V, VDE rated 250 V. The recommended connector is Weidmuller # BL 3.5/90/5 BK, oriented for 90° lead exit. However, other lead orientations are possible. Wire gauge # 18 AWG/0.82 mm2.
- The final device in the daisy-chain configuration must have a 121 ohm termination resistor installed across terminals #1 and #2 on TB2.
Figure 9. PROFIBUS communication module (PCAM).
Notes:
- The Series NRX communication module is a separate device that mounts on a DIN rail bracket. A separate harness is required to remotely mount and wire the module.
- Communication module voltage requirement is 24 Vdc ± 10% and should be sourced from reliable service (6 watts is the burden of the CAM).
- PROFIBUS DP communication cable uses a five conductor flexible cable with shield type wire in “daisy chain” configuration. The maximum cable length depends on Baud rate and can link up to 32 unit loads on the network. Ground the shield at host computer (device). For further connection information, see PROFIBUS Order No. 2.142.
- Set jumper on the module to enable or disable communications control as desired.
- Connector TB1 is UL/CSA rated 300 V, VDE rated 250 V. Recommended: Weidmuller (BL 3.5/90/5 BK) oriented for 90° lead exit, but other lead orientations are possible. Wire gauge: #18 AWG / 0.82 mm2.
- The final device on each end of the network in the daisy-chain configuration must have termination resistors installed as shown on TB2.
Figure 10. ETHERNET communication module (ECAM).
Notes:
- The Series NRX communication module is a separate device that mounts on a DIN rail bracket. A separate harness is required to remotely mount and wire the module.
- The communications module voltage requirement is 24 Vdc ± 10% and should be sourced from a high quality supply (6 watts is the burden of the CAM). A shielded CAT5, CAT5e, or CAT6 cable for 10/100 Mb/s ETHERNET is recommended.
- The shielded cable is recommended for the best communication reliability in industrial environments. The metal jack provides a ground to the housing on the ETHERNET communications adapter module, which is grounded to the breaker housing via the CAM ground pin.
Be sure to ground the breaker housing per the instructions in the breaker IL. - Set the jumper on the module to enable or disable the communications control as desired.
- Use shielded ETHERNET cable.
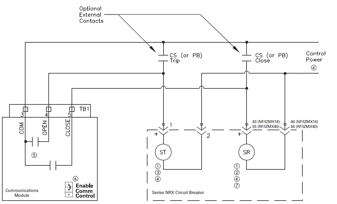
Figure 11. Communication control (SR and ST wiring).
Notes:
- The spring release and shunt trip wiring as shown for optional communication close or open capability.
- Choose the spring release coil voltage rating as desired if communications is required.
- Choose the shunt trip rating to be the same as spring release rating if communication is required.
- The control power rating must match the ST and SR coil rating.
- Close duration is two seconds on communication activation.
- The communication control jumper must be in the enable position for communications opening or closing.
- The spring release terminals are 43 & 44 for NF Frame/IZMX16 only. For RF Frame/IZMX40 breakers, the terminals are 55 & 56.

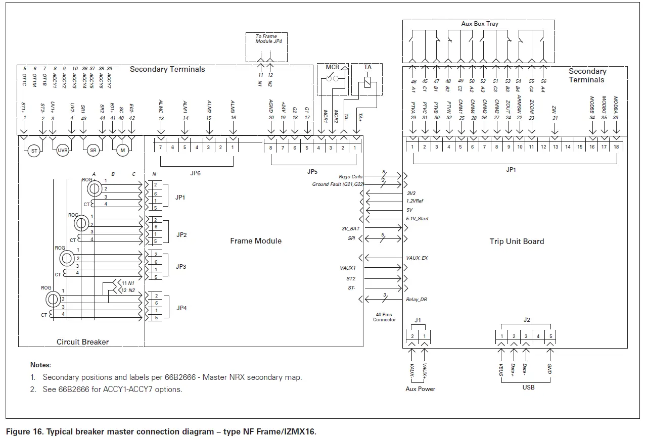
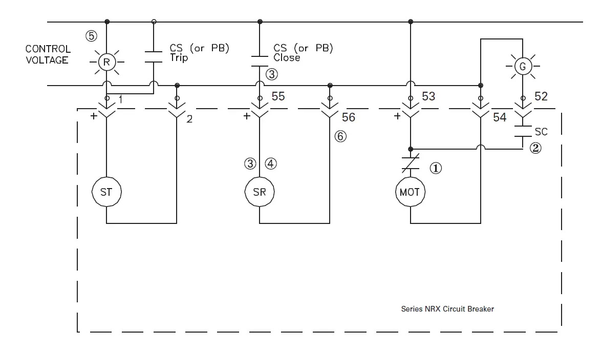
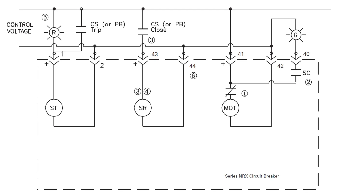
Figure 13. Circuit breaker control – type NF Frame/IZMX16.
Legend:
MOT – Motor operator for charging closing spring
ST – Shunt trip
SR – Spring release
Description of operation:
- The motor is energized and runs, charges closing spring, and is cut off by switch.
- When the spring is charged, the SC closes and the green indicating light will illuminate (if applicable).
- Closing the CS-C contact energizes the spring release coil and closes the circuit breaker. The spring release internal electronics pulse the SR coil and then provides a high impedance circuit. This provides anti-pumping.
- When the spring discharges its energy, the motor switch will re-energize the charging motor until the spring is charged again.
- To detect the presence of voltage (Health Light), use Omron Red indicator LED Port # C22-L-R-120 for 120 Vac application. For 230 Vac application, use C22-L-R-230. For 24 Vdc application, use C22-L- R-24. Remove the white (22 mm [0.89 in.]) diameter pilot light) Light
Diffuser from the assembly to give better indication of voltage present. Activate the push-button to trip the circuit breaker. See Eaton for other voltages. - For secondary contacts, odd numbers should be treated as positive for any accessory. This will not apply to AC ratings.
- Reference Figure 16 for internal circuit breaker wiring.
Figure 14. Circuit breaker control – type RF Frame/IZMX40.
Legend:
MOT – Motor operator for charging closing spring
ST – Shunt trip
SR – Spring release
Description of Operation:
- The motor is energized and runs, charges the closing spring, and is cut off by the switch.
- When the spring is charged, SC closes and the green indicating light will illuminate (if applicable).
- Closing the CS-C contact energizes spring release coil and closes circuit breaker. The spring release internal electronics pulse the SR coil and then provides a high impedance circuit. This provides anti-pumping.
- When the spring discharges its energy, the motor switch will re-energize the charging motor until the spring is charged again.
- To detect presence of voltage (Health Light), use Omron Red indicator LED Port # C22-L-R-120 for 120 Vac application. For 230 Vac application, use C22-L-R-230 . For 24 Vdc application, use C22-L- R-24. Remove the white (22 mm [0.89 in.]) diameter pilot light) Light
Diffuser from the assembly to give better indication of voltage present. Activate the push-button to trip the circuit breaker. See Eaton for other voltages. - For secondary contacts, odd numbers should be treated as positive for any accessory. This will not apply to AC ratings.
- Reference Figure 17 for internal circuit breaker wiring.



Disclaimer of warranties and limitation of liability
The information, recommendations, descriptions, and safety nota-tions in this document are based on Eaton’s experience and judg-ment. This instructional literature is published solely for information purposes and should not be considered all-inclusive. If further information is required, you should consult an authorized Eaton sales representative.
The sale of the product shown in this literature is subject to the terms and conditions outlined in appropriate Eaton selling policies or other contractual agreement between the parties. This literature is not intended to and does not enlarge or add to any such contract. The sole source governing the rights and remedies of any purchaser of this equipment is the contract between the purchaser and Eaton.
NO WARRANTIES, EXPRESSED OR IMPLIED, INCLUDING WARRANTIES OF FITNESS FOR A PARTICULAR PURPOSE OR MERCHANTABILITY, OR WARRANTIES ARISING FROM COURSE OF DEALING OR USAGE OF TRADE, ARE MADE REGARDING THE INFORMATION, RECOMMENDATIONS, AND DESCRIPTIONS CONTAINED HEREIN.
In no event will Eaton be responsible to the purchaser or user in contract, in tort (including negligence), strict liability or otherwise for any special, indirect, incidental or consequential damage or loss whatsoever, including but not limited to damage or loss of use of equipment, plant or power system, cost of capital, loss of power, additional expenses in the use of existing power facilities, or claims against the purchaser or user by its customers resulting from the use of the information, recommendations and description contained herein.
The information contained in this manual is subject to change without notice.





















