PowerPacT™ R-Frame and NS1600b–NS3200 Circuit Breaker
Instruction Manual
PowerPacT R Frame and NS1600b-NS3200 Circuit Breaker
Retain for future use.
http://www.schneider-electric.com/us/en/download/document/48049-243-04
Scan the QR code on the product for additional product information.
For information about other products, see our website: https://www.se.com
Necessary Tools
- Screwdriver, Pozidriv® #2 or 3, or slotted
- Socket wrench
- Screwdriver, long-shanked slotted (2)
Circuit Breaker Installation
![]()
DANGER
HAZARD OF ELECTRIC SHOCK, EXPLOSION, OR ARC FLASH
- Apply appropriate personal protective equipment (PPE) and follow safe electrical work practices. See NFPA 70E, CSA Z462, NOM 029-STPS or local equivalent.
- This equipment must only be installed and serviced by qualified electrical personnel.
- Turn off all power supplying this equipment before working on or inside equipment.
- Always use a properly rated voltage sensing device to confirm power is off.
- Replace all devices, doors, and covers before turning on power to this equipment.
- Beware of potential hazards, and carefully inspect the work area for tools and objects that may have been left inside the equipment.
Failure to follow these instructions will result in death or serious injury.
WARNING: This product can expose you to chemicals including DINP, which is known to the State of California to cause cancer, and DIDP which is known to the State of California to cause birth defects or other reproductive harm. For more information go to: www.P65Warnings.ca.gov.
- Turn off all power supplying this equipment before working on or inside equipment.
- Make sure circuit breaker is in tripped or OFF (O) position.
Individually-Mounted Circuit
Breaker Installation![]()
DANGER
HAZARD OF ELECTRIC SHOCK, EXPLOSION, OR ARC FLASH
Clearance requirements must be met for proper operation of the equipment. Failure to follow these instructions will result in death or serious injury.
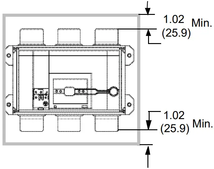
- Check enclosure clearances
TABL. 1: Minimum Enclosure DimensionsCircuit Enclosure (H x W x D) Minimum ventilation (100% rated circuit breakers only) Top Bottom in. mm in.² mm² in.² mm² 3P 30 x 21 x 7 762 x 533 x 176 40. 260 40. 260 4P 30 x 25.5 x 7 762 x 648 x 178 40. 260 40. 260 FIG. 1: Required Minimum Clearance to Metal
Dimensions: in. (mm) - Prepare enclosure for circuit breaker.
• Drill mounting holes.
• Cut opening in cover for circuit breaker handle escutcheon.
Dimensions: in. (mm) - Mount Circuit Breaker
NOTICE
HAZARD OF OVERHEATING
Do not mount circuit breaker on ferrous material.
Failure to follow these instructions can result in equipment damage.
Provided in. Description A — 3/4 GlasticTM or equivalent non-ferrous material B 4 3/8 3/8 in. Grade 5 bolt C 8 — Flat washers D 4 — Split lockwasher E 4 — Nut - Install circuit breaker connections.
TABL. 2: Individually-Mounted CIrcuit Breaker Connections.Type Connection Rated Connection Mounting UU/EC 
Bus 2500A, 100% structure. Bus to RLTB (3P) or RLTB4 (4P) terminal pad kits (provided) or equivalent bus 3000A, 80% Bus to RL3TB (3P) or RL3TB4 (4P) terminal pad kits (provided) or equivalent bus 3000A, 100% All other bussed circuit breakers Bus to circuit breaker or to optional RLTB terminal pad mounting kits. Cable 3000A, 80% & 100% Cable to lugs mounted on RL3TB terminal pad kits. All other cabled circuit breakers. Cable to lugs mounted on RLTB terminal pad kits. IEC 
Bus 3200A Bus to RLTBE terminal pad kits (provided) or equivalent bus structure. < 3200A Bus to circuit breaker or to optional RLTBE terminal pad kits.
Lug-Connected Circuit Breakers
NOTICE
HAZARD OF OVERHEATING
- For cable connection, lugs must be mounted on RLTB or RLTBE terminal pads.
- Do not mount lugs directly on circuit breaker terminal.
Failure to follow these instructions can result in equipment damage.
- Install RLTB or RLTBE terminal pads as irected in the RLTB or RTLBE terminal pad instructions.
- Install lugs as directed in the lug instructions.
- For dimensional information refer to the Schneider Electric website (see Page 1).
Bus-connected circuit breakers
Bolt bus to circuit breaker.
| Circuit Breakers | ||
| UL® / IEC® | IEC | |
| A | Four 1/2 in. Grade 5 bolts per terminal. | Three 10 mm Grade 8.8 bolts per terminal |
| B | Finger tighten all bolts. Then torque bolts to 900 lb-in. (100 N•m). | |
| C | Confirm circuit breaker terminals are flat against bus bars. | |
I-Line™ Circuit Breaker
Installation
- Place circuit breaker in the tripped or OFF (O) position.
- Install circuit breaker on the I-Line bus.
NOTICE
HAZARD OF EQUIPMENT DAMAGE
- Do not adjust jaws.
- Do not remove joint compound.
- If necessary, use Square D™ joint compound PJC7201.
Failure to follow these instructions can result in equipment damage.
Cable Installation
Table 3: Lug Information
| Lug | Lug with Optional Control Wire | Catalog No | Conductor | Torque | ||||
| Type | Size | Qty. | Strip Length³![]() | Wire Binding Screw | Control Wire Screw | |||
![]() | ![]() | AL1200R53K1,2 | Al/Cu | #3/0-600 kcmil (95-300 mm2) | 4 | in. 1-3/16 in (30 mm) | 450 lb-in. (50 N•m) | 9-12 lb-in. (1-1.3 NI•m) |
| CU1200R53K2 | Cu | |||||||
- For version with tapped hole for control wire order AL1200R53TK.
- Add suffix “4” for four-pole circuit breaker kits (e.g. AL1200R53K4).
- Conductors must be cut square for secure termination.
NOTICE
HAZARD OF FALSE TORQUE INDICATION
Do not allow conductor strands to interfere with threads of wire binding screw.
Failure to follow these instructions can result in equipment damage.
Square off conductor ends and preform conductors to final configuration. (Conductor must be cut square for secure termination.) Use a proper insulation stripping tool to strip conductor ends. Do not nick strands.
For factory-installed lugs, torque wire binding screw as recommended on the faceplate.
Cable Restraint
NOTICE
HAZARD OF CONDUCTOR MOVEMENT
UNDER SHORT-CIRCUIT CONDITIONS
Restrain circuit breaker conductors as required in Table 4.
Failure to follow these instructions can result in equipment damage.
TABL. 4: Cable Restraint
| Installation | Available Fault Current | Conductors Used | Unsupported Length Cable Leng | Restraint Recommended |
| Individually-mounted | £ 65 kA | (6) ≥ 600 kcmil | £ 24 in. (610 mm) | Not |
| All other cases | Yes | |||

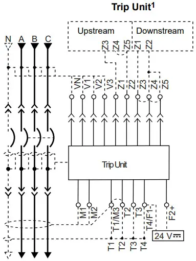
Installing Accessories
Remove Accessory Cover
Install Accessories and Control Wiring
- Install field-installable circuit breaker accessories as instructed in the instructions packed with each accessory.
- Install control wiring to accessories. Torque terminal screws to 10 lb-in. (1.13 N•m).
TABL. 5: Accessory Control Wiring
| Individually-Mounted Circuit Breaker | I-Line Circuit Breaker |
![]() | ![]() |
NOTE: All diagrams show circuit breaker in tripped position.
FIG. 1: Accessory Control Wiring Diagram
Power![]() | Remote Operation![]() |
Alarm Contacts![]() | ![]() |
| Connector | Recommended Wire Size |
| V1, V2, V3, Vn | 22–16 AWG (0.34–1.5 mm²) |
| E1–E2 | 22 AWG (0.34 mm²) MIN shielded pair cable or twisted pair copper wires |
| T | 22 AWG (0.34 mm²) stranded shielded cable |
| E3–E6, Q1, Q2, Q3 | 22 AWG (0.34 mm²) shielded twisted pairs with drain (Belden 8723 or equal)³ |
| OF, SD, SDE | 18–16 AWG (1–1.5 mm²) |
| MN, MX | 18–14 AWG (1–2.5 mm²) |
| F | Size per aux. 24 Vdc power supply |
| Z1–Z5 | 22–18 AWG (0.34–0.8 mm²) |
| M | Refer to MDGF instructions |
- Remove factory jumpers between Z3, Z4 and Z5 if ZSI is connected. Remove factory jumper between T1 and T2 if neutral CT is connected.
- Neutral voltage supplied with flying leads.
- Optional M6C Programmable Contacts are supplied with flying leads.
| Trip Unit Type | |||||
| Basic | A | P | H | Connector | Description |
| – | • | • | • | Com: El-E6 | Circuit breaker communication module |
| El = +24 Vdc | |||||
| E2 = Common | |||||
| E3 = A/Tx- DO | |||||
| E4 = B/Tx+ D1 | |||||
| E5 = A/Rx- DO | |||||
| E6 = B/Rx+ D1 | |||||
| Zone-selective interlocking (ZSI) | |||||
| Z1 = ZSI OUT signal | |||||
| Z2 = ZSI OUT | |||||
| Z3 = ZSI IN signal | |||||
| Z4 = ZSI IN short-time delay | |||||
| Z5 = ZSI IN ground fault | |||||
| – | T | External neutral sensor | |||
| – | • | • | • | F | 24 Vdc extemal power supply |
| – | – | • | • | Vn2 | External neutral voltage takeoff |
| – | – | • | • | V1, V2, V3 | External phase voltage takeoff |
| – | – | M6C³: Ql, Q2, Q3 | 6 programmable contacts 24 Vdc external power supply required | ||
| Function | Connector | Description | |||
| Auxiliary Contacts | OF | Open / Closed circuit breaker or switch position contacts | |||
| SD | Bell alarm | ||||
| SDE | Electrical fault alarm contact | ||||
| Remote Operation | MN | Undervoltage trip device | |||
| MX | Shunt trip | ||||
Ground-Fault Protection for Equipment
If circuit breaker does not have integral groundfault tripping or alarm, skip this subsection.
A three-phase, four-wire circuit requires an external neutral current transformer (CT).
NOTE: The equipment grounding connection must be upstream (line side) of the neutral CT and a neutral connection must exist from the supply transformer to the equipment.
NOTE: Modified differential ground-fault circuitry and ground-source return ground-fault circuitry require the use of a modified differential ground-fault module (MDGF) and special current transformers. For wiring of those systems, see the instructions with the MDGF.
NOTICE
HAZARD OF IMPROPER TRIP SYSTEM OPERATION
F1 and F2 must be isolated from ground.
Verify all wiring per the instructions in this bulletin.
Failure to follow these instructions can result in equipment damage.
- If load is connected to lower end of circuit breaker, connect load neutral to H1 terminal of neutral CT.
- If supply power is connected to lower end of circuit breaker, connect supply neutral to H1 terminal of neutral CT.
- Verify that F1 and F2 are isolated from ground.
FIG. 6: Wiring Schematic
Minimum input-to-output isolation 2500 V
Output ± 5% (including max. 1% ripple)
Dielectric withstand (input/output): 3 kV rms
A. Existing Jumper (internal)
B. New Jumper
C. New Capacitor (2.2 µF)
D. Neutral CT
Replace Accessory Cover
NOTICE
HAZARD OF EQUIPMENT DAMAGE
- Accessory cover must be secured with all seven screws tightened to stated torque.
- Do not overtorque screws.
- Do not use power equipment to torque screws.
Figure 7: Replace Accessory Cover
Cover Seal Installation Kit S1A78227 (Optional)
Operation
Press push-to-trip button (A) at installation to check operation and then once a year to exercise circuit breaker.
NOTE: Push-to-trip button will not trip circuit breaker if it is in the OFF (O) position.
Circuit Breaker Removal
![]()
DANGER
HAZARD OF ELECTRIC SHOCK, EXPLOSION, OR ARC FLASH
- Apply appropriate personal protective equipment (PPE) and follow safe electrical work practices. See NFPA 70E, CSA Z462, NOM 029-STPS or local equivalent.
- This equipment must only be installed and serviced by qualified electrical personnel.
- Turn off all power supplying this equipment before working on or inside equipment.
- Always use a properly rated voltage sensing device to confirm power is off.
- Replace all devices, doors, and covers before turning on power to this equipment.
- Beware of potential hazards, and carefully inspect the work area for tools and objects that may have been left inside the equipment.
Failure to follow these instructions will result in death or serious injury.
Turn off all power supplying this equipment before working on or inside equipment.
Remove circuit breaker in reverse order of installation.
Trip Unit Adjustment
For ET1.0I Electronic Trip Units: Adjust instantaneous trip (Ii) by adjusting switch (A).
For MicroLogic Trip Units refer to the trip unit user guide available on the Schneider Electric website (see Page 1).
Neutral Protection Adjustment
NOTE: Applies to four-pole circuit breakers only.
A. For ET electronic trip units and MicroLogic 2.0, 3.0, 5.0, 2.0A, 3.0A and 5.0A electronic trip units:
- Remove fourth pole lens cover.
- Use a slotted screwdriver to adjust neutral setting on circuit breaker (A).
- Replace fourth pole lens cover.
Torque screw to 5.3 lb-in. (0.6 N•m).
B. For MicroLogic 5.0P, 6.0P, 5.0H and 6.0H electronic trip units refer to the trip unit user guide available on the Schneider Electric website (see Page 1).
| Circuit Breaker Switch Setting | Neutral Protection |
| 4P 3D | No neutral protection |
| 3P N/2 | 1/2 neutral protection |
| 4P 4D | Full neutral protection (Factory default setting) |
Testing
Circuit breaker trip unit operation can be tested using the Hand-held Test Kit or the Full-function Test Kit.
Troubleshooting
If problems occur during installation, refer to information below. If trouble persists, contact the field office.![]()
DANGER
HAZARD OF ELECTRIC SHOCK, EXPLOSION, OR ARC FLASH
- Apply appropriate personal protective equipment (PPE) and follow safe electrical work practices.
See NFPA 70E, CSA Z462, NOM 029-STPS or local equivalent. - This equipment must only be installed and serviced by qualified electrical personnel.
- Troubleshooting may require energizing auxiliary devices with a test power supply.
- Make sure that the power supply is off before connecting or disconnecting it to the auxiliary device.
- Do not touch the terminals of the device during the test.
Failure to follow these instructions will result in death or serious injury.
| Condition | Possible Causes | Solution |
| Circuit breaker fails to stay closed. | 1. Trip adjustment set too low. 2. Undervoltage trip not energized. 3. Shunt trip energized. 4. Short circuit or overload on system. | 1. Adjust trip setting. 2. Energize undervoltage trip. 3. De-energize shunt trip. 4. Check system for short circuit or overload. |
| Circuit breaker trips, but no short circuit or overload is evident. | 1. Trip adjustment set too low. 2. Voltage is below undervoltage trip setting. | 1. Adjust trip setting. 2. Check system for low voltage. |
| Push-to-trip button will not trip circuit breaker. | Circuit breaker already tripped or off (0). | Move circuit breaker handle to reset, then to on (I). |
| Circuit breaker cannot be opened manually. | Damage to current path. | Contact local field office. |
Electrical equipment must be installed, operated, serviced, and maintained only by qualified personnel. No responsibility is assumed by Schneider Electric for any consequences arising out of the use of this material.
Schneider Electric and Square D are trademarks and the property of Schneider Electric SE, its subsidiaries, and affiliated companies. All other trademarks are the property of their respective owners.
Schneider Electric Limited
Stafford Park 5
Telford TF3 3BL
United Kingdom
www.se.com/uk
Schneider Electric USA, Inc.
800 Federal Street
Andover, MA 01810 USA
888-778-2733
www.se.com/us/en/
![]()
Printed on recycled paper.
© 2004-2022 Schneider Electric All Rights Reserved
References
P65Warnings.ca.gov
p65warnings.ca.gov/
Schneider Electric Global | Global Specialist in Energy Management and Automation
Schneider Electric Canada | Global Specialist in Energy Management and Automation
Schneider Electric Canada | Global Specialist in Energy Management and Automation
Schneider Electric Mexico | Servicios de Renovación y Retrofit de Schneider Electric
Schneider Electric Mexico | Servicios de Renovación y Retrofit de Schneider Electric
Schneider Electric UK | Energy Management and Automation
Schneider Electric USA | Global Specialist in Energy Management and Automation
Schneider Electric USA | Global Specialist in Energy Management and Automation
Schneider Electric Global | Global Specialist in Energy Management and Automation
Dimensions: in. (mm)
• Drill mounting holes.




























