ALTMAN AFS-700 LED Follow Spot User Manual
PREFACE
About These Instructions
The document provides basic information on installation and operational instructions for a qualified, trained installer.These instructions provide information for the following product:
- AFS-700 LED Follow Spot
Note: Additional product information can be found on our web site at www.altmanlighting.com or by scanning the QR code to the right.

Scan QR code to go to the AFS-700 LED Follow Spot web page.
Please read all instructions before installing or using this product. Retain these instructions for future reference.
Have a question regarding these instructions?
The material in this document is for information purposes only and is subject to change without notice. Altman Lighting assumes no responsibility for any errors or omissions which may appear in this document. Should you find an error, have a suggestion or question regarding your Altman Lighting product, we would love to hear from you.
You can reach us at:
Altman Lighting
1400 East 66th Avenue
Denver, CO 80229
1-303-500-7072 (Main)
www.altmanlighting.com
[email protected]
Note: Information contained in this document may not be duplicated in full or in part by any person without prior written approval of Altman Lighting. Its sole purpose is to provide the user with conceptual information on the equipment mentioned. The use of this document for all other purposes is specifically prohibited.
Our Commitment
Altman Lighting continually engages in research related to product improvement. New materials, production methods and design refinements are introduced into existing products without notice as a routine expression of the philosophy. For this reason any current Altman Lighting product may differ in some respect from its published description, but will always equal or exceed the original design specifications unless otherwise noted.
Version as of: 4 February 2021
AFS-700 LED Follow Spot INSTALLATION INSTRUCTIONS / INSTRUCTIONS D’INSTALLATION
©2019 Altman Lighting. All rights reserved.
IMPORTANT INFORMATION
Product Safety Notices
When using electrical equipment, basic safety precautions should always be followed including the following:
![]()
- READ AND FOLLOW ALL SAFETY INSTRUCTIONS.
- Do not use outdoors unless the product is specified to operate in outdoor environments.
- Do not mount near gas or electric heaters.
- Equipment should be mounted in locations and at heights where it will not readily be subjected to tampering by unauthorized personnel.
- The use of accessory equipment not recommended by the manufacturer may cause an unsafe condition.
- Do not use this equipment for other than intended use.
- Refer service to qualified personnel.
SAVE THIS DOCUMENT FOR FUTURE REFERENCE.
WARNING: RISK OF ELECTRICAL SHOCK! You must have access to a main circuit breaker or other power disconnect device before installing any wiring. Be sure that power is disconnected by removing fuses or turning the main circuit breaker off before installation. Installing the device with power on may expose you to dangerous voltages and damage the device. It is always recommended that a “lock out tag” device is installed on the appropriate circuit disconnect prior to beginning electrical work of any kind. A qualified electrician must perform this installation.
WARNING: Insulation between low-voltage supply and control conductors is provided by basic insulation.
WARNING: Refer to National Electrical Code® and local codes for cable specifications. Failure to use proper cable can result in damage to equipment or danger to personnel.
WARNING: This equipment is intended for installation in accordance with the National Electric Code® and local regulations. It is also intended for installation in indoor applications only. Before any electrical work is performed, disconnect power at the circuit breaker or remove the fuse to avoid shock or damage to the control. It is recommended that a qualified electrician perform this installation.
WARNING: This Lighting Fixture IS NOT for residential installation or use.
WARNING: The structure where fixture(s) is to be mounted must be capable of supporting the weight of the fixture and its accessories. This fixture is for temporary, portable mounting only.
WARNING: The light source contained in this luminaire shall only be replaced by the manufacturer or his service agent or a similar qualified person.
THIS PRODUCT MUST BE INSTALLED IN ACCORDANCE WITH THE APPLICABLE INSTALLATION CODE BY:
A PERSON FAMILIAR WITH THE CONSTRUCTION AND OPERATION OF THE PRODUCT AND THE HAZARDS INVOLVED.
FCC NOTICE
This equipment has been tested and found to comply with the limits for a Class A digital device, pursuant to part 15 of the FCC Rules. These limits are designed to provide reasonable protection against harmful interference when the equipment is operated in a commercial environment. This equipment generates, uses, and can radiate radio frequency energy and, if not installed and used in accordance with the instruction manual, may cause harmful interference to radio communications.
Operation of this equipment in a residential area is likely to cause harmful interference in which case the user will be required to correct the interference at his own expense.
Altman Lighting Product Warranty
Warranty Term
Altman Lighting, Inc., a subsidiary of Altman Stage Lighting Company, Inc., herein referred to as Altman, warrants each new product (except for spare parts or products Altman does not manufacture) for a period of TWO (2) years from date of shipment to correct by repair or replacement any part defect due to faulty material or workmanship. Under these same terms products with an LED light source shall be warranted for a period of FIVE (5) years and ONE (1) day.
Altman warrants for NINETY (90) days any spare part it manufactures. On spare parts or products Altman does not manufacture, including, but not limited to, lamps, sockets, lenses, roundels, electronics, ignitors, ballasts, etc.; Altman will grant the same warranty given Altman by its vendors.
Altman assumes no responsibility for damage or faulty performance caused by misuse, improper installation, careless handling or where repairs have been attempted by others.
This warranty is in lieu of all warranties or guarantees expressed or implied and no representative or person is authorized to assume Altman any other liability with the sale of Altman’s products.
For complete warranty terms and conditions, please refer to our web site at www.altmanlighting.com.
Warranty Service
In order to request warranty service, you must receive a Return Material Authorization (RMA) number prior to return. Return shipments must be visibly marked with the RMA number; the product must be returned (shipping prepaid) to the factory at:
Altman Lighting Inc.
Attention: RMA # ___________
57 Alexander Street
Yonkers, NY 10701
The return must be within THIRTY (30) days of receiving the RMA from Altman
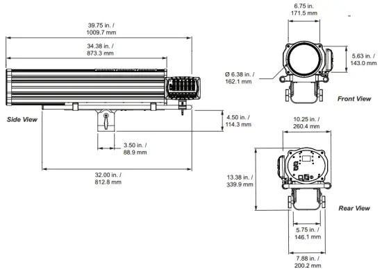
INSTALLATION AND SET UP
Overview
The AFS-700 LED Follow Spot is designed for indoor use only. The unit is mounted on its provided tripod stand.
AFS-700 LED Follow Spot Main Components

Figure 1: AFS-700 LED Follow Spot Overview
AFS-700 LED Follow Spot Tripod / Fixture Movement
The AFS-700 LED Follow Spot is supplied with a foldable metal tripod and mounting hardware. When in use you must place the tripod on a solid, steady surface that is capable of supporting the weight of the tripod (approximately 12 lbs / 5.5 kg), fixture 38.3lbs / 17.4 kg), cabling, and accessories as well as the operator
- You must follow and adhere to all local and national safety requirements, regulations, and codes when using this fixture.
- When selecting an installation location, consider ease-of-access to the fixture for operation, programming adjustments, and routine maintenance.
- Never mount or use the AFS-700 LED Follow Spot where it will be exposed to moisture (rain, high humidity, etc.), extreme temperature changes, hazardous conditions, or restricted ventilation.
- It is a good practice to add sand bag weights (by others) over each leg of the tripod to steady the fixture when moved.
WARNING! Unless legs are weighted down or secured to the floor, do not operate the tripod stand without the legs fully extended


Figure 2: AFS-700 LED Follow Spot Tripod / Fixture Movement
The fixture simply secures to the tripod via the tripod mounting bracket with the provided hardware.
Step 1. Place tripod in a suitable location following the information above.
Step 2. Set tripod to desired height.
Step 3. Using two people, lift AFS-700 LED Follow Spot and position the tripod mounting bracket’s hole over stud on tripod.
Step 4. Hand-tighten provided knob securing fixture to tripod.
AFS-700 LED Follow Spot Back Panel

Figure 3: AFS-700 LED Follow Spot Back Panel
AFS-700 LED Follow Spot Control Panel
NOTE: – each of the AFS-700 control attributes may be turned off via the rear display see- Personalities on Page 8 of this manual.

Figure 4: AFS-700 LED Follow Spot Control Panel
Table 1: Strobe Operation (via control panel)
| Slider Position | Strobe Operation |
| 0 to 50% | Slower to Fast Strobe |
| 50 to 75% | Strobe Pulse Effect (Slower to Faster) |
| 76 to 100% | Random Strobe Effect |
POWER AND DATA CONNECTIONS
Power Connection Warnings
Before performing any field wiring, refer to and read the warnings contained in “Important Information”.
WARNING! The AFS-700 LED Follow Spot should be connected to a constant circuit or a relay device. It should never be connected to a dimmer or circuit controlled by a dimmer. Read “Connecting Power” on page 6 carefully on how to properly connect your fixture.
WARNING! The maximum allowable input current is 20 Amps. Do not overload circuits! Luminaires must be supplied by a branch
circuit protected by a maximum 20 Amp circuit protector.
WARNING! If the external flexible cable or cord of this luminaire is damaged, it shall be replaced by a special cord or cord exclusively available from the manufacturer or his service agent.
Connecting Power
Units are powered via an AC input cable from 100 to 240VAC, 50/60Hz and draw approximately 780 Watts of power. Table 2, outlines the wire colors and their purpose.
Table 2: AC Input Wiring
| Wire Color | Purpose |
| Brown or Black | Main / (L)ine |
| Blue or White | (N)eutral |
| Green/Yellow or Green | Ground / Earth |
Note: See Figure 5 for wiring connections.
IMPORTANT! The AFS-700 LED Follow Spot must be connected to and properly grounded to an viable earth ground.
Note: The supply cord and connecting cord should be minimum 14AWG, extrahard-usage types such as Type G, S, SE, SEO, SO, ST, STO, or W.

Figure 5: PowerCON (Blue AC Input) Connector Wiring
Connecting to the DMX512 Network
The AFS-700 LED Follow Spot offers two DMX512 connections. One for DMX Input (from a DMX source) and one DMX throughput (out). Basic DMX512 installation consists of connecting multiple DMX controlled AFS-700 LED Follow Spots together (up to 32 Total devices per DMX string) in “daisy-chain” fashion. A cable runs from the DMX512 control source to the DMX INPUT connection on the first luminaire. From the DMX OUTPUT of the luminaire another cable runs to the DMX IN connector on the next luminaire (or DMX512 device to be controlled).
IMPORTANT! At the end of each DMX Daisy chain, it is highly recommended that a DMX TERMINATOR (Altman Lighting part number DMX-5-TERM) is installed on the last luminaire (or device) in the chain.
For more information on installing DMX512 control systems, the following publication is available for purchase from the United States Institute for Theatre Technology (USITT), “Recommended Practice for DMX512: A Guide for Users and Installers, 2nd edition” (ISBN: 9780955703522). USITT Contact Information: www.usitt.org
DMX – XLR Connectors
Table 3 shows the pin outs and corresponding DMX signals for a 5-pin XLR connectors.
Table 3: DMX RJ45 & XLR Connector Wiring
| DMX XLR Connectors Pin Out | |
| DMX Signal | Pin |
| Common (Drain) | Pin 1 |
| DMX – | Pin 2 |
| DMX + | Pin 3 |
Note: Only those pins shown are used. Remaining pins are not used.
Controlling with Control Panel
The AFS-700 LED Follow Spot’s functions can be controlled by either DMX or the AFS-700 LED Follow Spot control panel (refer to “AFS-700 LED Follow Spot Control Panel”.)
The AFS-700 LED Follow Spot control panel can be used in conjunction with more than one AFS-700. This layout will allow one “lead” follow spot operator to control automated the functions of additional AFS-700 LED Follow Spot luminaires. Note, the control panel does not control the manual pan and tilt functions of the AFS-700 LED Follow Spot which requires an operator at every follow spot location.
To set up:
Step 1. Set all AFS-700 LED Follow Spot luminaires to DMX address (Adr.) to 001.
Step 2. Connect AFS-700 LED Follow Spot control panel to the lead follow spot DMX input connector.
Step 3. Follow DMX daisy chain rules for adding additional AFS-700 LED Follow Spots.
IMPORTANT! WHEN OPERATING FROM THE CONTROL PANEL: DO NOT ADD ANY OTHER LUMINAIRE TYPES OR OTHER DMX CONTROLLED DEVICES TO THIS FOLLOW SPOT DATA LAN AS IT WILL RESULT IN UNWANTED RESULTS.
MPORTANT! This section provides basic information regarding the AFS-700 LED Follow Spot’s menu system. For detailed information on the menu system and settings, please visit the AFS-700 LED Follow Spot page on the Altman Lighting web site at www.altmanlighting.com or scan the QR code on the first page of these instructions.
Menu Overview
The AFS-700 LED Follow Spot has an on-board menu system that allow users to set up the luminaire for standalone operation, control via DMX, or control a variety of luminaire features. This section will cover the on-board menu system. Refer to “AFS-700 LED Follow Spot Back Panel” on page 5 for menu system layout.
Menu System & Settings
Table 4 on page 8 outlines the AFS-700 LED Follow Spot menu system and settings.
On startup (approximately 45 seconds), the menu display on the rear of the AFS-700 LED Follow Spot will display a startup screen.
Once the unit completes its boot up, you can then access the menu system and settings.
Note: During startup (or calibration period) the AFS-700 LED Follow Spot will make consecutive knocking sounds. These sounds are normal during the calibration period. Startup is the time frame where power is initially applied to the follow spot and each automated function is tested through all of its operating sequences.
To access the home menu:
Step 1. Press and release ESC (escape) button. The DMX address screen will appear. To set DMX address, see “Setting DMX Address”.
Step 2. Press ENTER button.
Step 3. Using UP and/or DOWN buttons, scroll through menu items.
Step 4. To access a specific menu item, when the menu item is highlighted, press ENTER button.
Step 5. Using UP and/or DOWN buttons, scroll through sub-menu items.
Table 4: AFS-700 LED Follow Spot Menu System and Settings
| MAIN MENU | SUB MENU(S) | FUNCTION / MEANING | |
| Fixture Address | 001 – 512 | – | Starting DMX512A address |
| Information | Power on Time | Hour 0000H | Total run time hours after reset |
| Led Temperature | 000°C | Current LED operating temperature | |
| Version | X.X | Current fixture software version | |
| Personality | Display Adjust | Display Flipped: OFF | Display normal |
| Display Flipped: ON | Reverses display 180° | ||
| Back Light – ON (always on) – 10s (off in ten seconds) – 20s (off in twenty seconds) – 30s (off in thirty seconds) | Selects display time out duration on display and the LEDs on controller. | ||
| Iris Reverse | OFF | Iris control normal | |
| ON | Inverts iris control | ||
| Color Preset | OFF | Turns off or on the color preset buttons or DMX color input | |
| ON | |||
| Strobe Preset | OFF | Turns off or on the strobe control or DMX strobe input | |
| ON | |||
| Test Program | ON | – | Test Program should never be used during a live performance. This setting is for the automated testing of each luminaire prior to a production. |
| OFF | – | ||
| Master/Slave | For Future Use | ||
| Manual Mode | Dimmer | 0 – 255 | Sets fixture intensity |
| Strobe | 0 – 255 | Sets strobe rate* | |
| Iris | 0 – 255 | Sets iris size | |
| Color | 0 – 255 | Sets color preset * | |
| CCT | 0 – 255 | Sets color temperature * | |
| Focus | 0 – 255 | Sets focus position | |
| Zoom | 0 – 255 | Sets Zoom Position (7°-13°) | |
See “DMX Map” for more information.
NOTE: – Each of the AFS-700 control attributes may be turned off via the rear display see- Personalities above when these are set to off the AFS-700 will not repsond to any control for the personality selected.
DMX Map
Table 5 is the DMX map for the AFS-700 LED Follow Spot.
Table 5: AFS-700 LED Follow Spot DMX Map
| Channel | Controls | DMX Value | Comments |
| 1 | Dimmer (intensity) | 000 – 255 | 0% to 100% dimming |
| 2 | Strobe | 000 | Open (no strobe) |
| 001 – 127 | Strobe with increasing speed | ||
| 128 – 159 | Pulse – opening – increasing speed | ||
| 160 – 191 | Pulse – closing – increasing speed | ||
| 192 – 255 | Random strobing | ||
| 3 | Color Temperature (CTO) | 000 – 063 | Native white CCT |
| 064 – 127 | 5600K | ||
| 128 – 191 | 4500K | ||
| 192 – 255 | 3200K | ||
| 4 | Color Presets | 000 – 016 | White (no color filter) |
| 017 – 033 | White + Red (split half tone color) | ||
| 034 – 050 | Flame Red | ||
| 051 – 067 | Red + Green (split half tone color) | ||
| 068 – 084 | Moss Green | ||
| 085 – 101 | Green + Light Pink (split half tone color) | ||
| 102 – 118 | Light Pink | ||
| 119 – 135 | Light Pink + Amber (split half tone color) | ||
| 136 – 152 | Soft Golden Amber | ||
| 153 – 169 | Amber + Blue (split half tone color) | ||
| 170 – 186 | Booster Blue | ||
| 187 – 203 | Blue + Light Amber (split half tone color) | ||
| 204 – 220 | Light Amber – Bastard Amber | ||
| 221 – 237 | Light Amber + Lavender (split half tone color) | ||
| 238 – 255 | Light Lavender | ||
| 5 | Iris | 000 – 255 | Closed to open. (Note, when in closed position [255], the iris is slightly open to allow light to pass through). |
| 6 | Focus | 000 – 255 | Adjust focus lens relative to zoom |
| 7 | Zoom | 000 – 255 | Adjusts the zoom lens from 7° – 13° |
| 8 | Reset | 128 – 255 | Resets fixture to factory settings |
Setting DMX Address
In the Home screen the DMX address can be set as follows.
Setting DMX address:
Step 1. Unit must be powered.
Step 2. Press ESC (escape) button.
Step 3. Using UP and DOWN Arrow buttons, increment or decrement DMX address between 001 and 512
Step 4. Once desired address is set, press the Enter button to confirm.
IMPORTANT! Note the number of slots that the luminaire is using in order to avoid a DMX address overrun or DMX overlap with other luminaires in the chain.
TECHNICAL SPECIFICATIONS
AFS-700 LED Follow Spot Product Specifications
Note: Information contained herein subject to change without notice. For latest product specifications, features, and accessories, refer to the product specification sheet or visit the Altman Lighting web site at www.altmanlighting.com.
Materials: Corrosion-resistant materials and hardware
Control: DMX512A network or local control via AFS-700 Controller
Light Engine: 778 Watt Cool White Array (7600K)
Beam Lumens: See product specification sheet for details
Beam angle: 7° – 13°
LED Rated Life: LED arrays are rated for >50,000 hours of operation
Input Voltage: 100 to 240 VAC 50/60 Hz
Current Draw: 6.48 A at 120VAC / 3.38A at 230VAC
Quiescent Load: Fans on Lamp Off – 0.51A @120VAC (61.2 Watts)
Environment: 0 to 45 degrees C (32 to 113 degrees F) with humidity of 5%-95% (non-condensing)
Cooling: 28dBa (in idle) fans will increase in conjunction with light output up to 37dBa
Weight: Fixture only: 38.3lbs (17.4 kg) / Tripod only: 12 lbs (5.5 kg)
Body Color: Black
Tripod Color: Silver
Compliance: cETLus listed and CE marked for indoor use
Fuse: T5A, 250V
DMX Channels: 8
Strobe Flash rate: 1 to 20 Hz

CLEANING AND CARE
WARNING! All cleaning should be performed with power completely removed from the luminaire. Never remove protective covers when luminaire is powered. Wear appropriate protective eye wear and gloves when cleaning the fixture. All service and maintenance, other than described herein, should be performed by a qualified technician or Authorized Service Center. AT NO TIME SHOULD THE LED BE TOUCHED. The light source contained in this luminaire shall only be replaced by the manufacturer or his service agent or a similar qualified person.
WARNING! Under no circumstances should ammonia-based cleaners, acetone, or other harsh solvents be used on or near the AFS700 LED Follow Spot. These types of cleaners or solvents can permanently damage the optics or housings of the fixture.
For all other service and maintenance issues, please contact your local Altman Lighting office or an Authorized Service Center.
WARNING! Disassembly (other than as described herein), alterations, unauthorized service, etc. will void the product warranty. Contact your local Altman Lighting office or an Authorized Service Center for technical support and service.
WARNING! All cleaning should be performed with power completely removed from the luminaire. Never remove protective covers when luminaire is powered. Wear appropriate protective eye wear and gloves when cleaning the fixture. All service and maintenance, other than described herein, should be performed by a qualified technician or Authorized Service Center. AT NO TIME SHOULD THE LED BE TOUCHED.
Special Cleaning and Care Instructions
Being a solid-state fixture, and unlike most fixtures, the AFS-700 LED Follow spot Luminaire requires very little routine maintenance by the user.
The AFS-700 LED Follow spot Luminaire requires special care when it comes to cleaning front lens assembly. Additional care needs to be taken with the plastic components because they are much easier to scratch or damage than glass.
The following is a list of cleaning materials required to care for your AFS-700 LED Follow spot :
- Lint free lens tissue
- Lint or powder free gloves
- Reagent grade isopropyl alcohol*
- A mild soap solution.
If the lens is still dirty after using isopropyl alcohol, for instance if fingerprints or oil is just redistributed and not cleaned off the optic, then a mild soap and water solution can be used to gently wash the lens. Repeat
the cleaning with isopropyl alcohol to eliminate streaks and soap residue.
WARNING! Under no circumstances should ammonia-based cleaners, acetone, or other harsh solvents be used on or near the AFS-700 LED Follow spot Luminaire. These types of cleaners or solvents can permanently damage the optics or housings of the fixture.
If you have any questions regarding the use or care of your AFS-700 LED Follow spot Luminaire, please contact Altman Lighting technical support or your local Authorized Dealer.
Front Lens Cleaning
To clean each lens:
Step 1. Turn off luminaire and allow to cool completely.
Step 2. Remove the front Plastic cowling and slide the lower panel forward to allow lens cleaning access to both sides of each lens.
Step 3. Apply a small amount of reagent grade isopropyl alcohol to lint-free lens tissue.
Step 4. Wipe all debris, dirt, fingerprints, etc. from lens.
Step 5. Using a second lint-free lens tissue, wipe off any alcohol residue.
Filter Cleaning
As the AFS-700 is a fan cooled luminaire each of the fan filters will require routine cleaning to ensure fixture longevity and reliability. Failure to carry out this routine maintenance will void the fixtures warranty.
Using a Philips head screw driver remove the fan dust filter on the top of the unit. Clean via dry low velocity compressed air from the underside of the filter.
WARNING! Under no circumstances should the AFS-700 LED Follow Spot be operated with out its fan filters in place.
If you have any questions regarding the use or care of your AFS-700 LED Follow spot Luminaire, please contact Altman Lighting technical support or your local Authorized Dealer.
Service and Maintenance
For all other service and maintenance issues, please contact your local Altman Lighting office or an Authorized Service Center.
WARNING! Disassembly, alterations, unauthorized service, etc. will void the product warranty. Contact your local Altman Lighting office or an Authorized Service Center for technical support and service.
TROUBLESHOOTING
Troubleshooting Guide
The chart below provides possible causes and remedies for various error messages and/or symptoms. If this chart is unable to address your issue, please contact your authorized dealer or Altman customer service at 1.914.476.7987 or [email protected] for assistance.
WARNING! Any service and maintenance (including troubleshooting), other than described herein should be performed by an Authorized Altman Lighting Dealer or Service Center.
| Description | Symptom | Possible Cause/Remedy |
| No light output. | Fixture will not produce or output light and connected to power. Display is active. | Manual Mode….Fader is set at 0% intensity… DMX Mode….console is set at 0% intensity… Lamp On/Off is not selected. or fixture calibration is not complete. |
| Low light output. | Fixture produces low light output and connected to power. | Iris is closed Fixture is Zoomed out and out of Focus Dimmer is set to low setting |
| No power at luminaire. | Luminaire does not power up | Circuit not energized…verify circuit breaker is turned on. Not plugged in…ensure A/C cable is connected to power source. Power cable wired incorrectly…verify power cable and connector are wired correctly. |
| DMX Data Control. | Fixture will not respond to DMX commands. | Not detecting DMX data… Unit is not set to proper DMX address – check settings. See “Setting DMX Address from the Home Screen” for more information. Unit is not set to DMX mode. See “DMX Menu” for more information. Disconnect and reconnect DMX input cable. Check all DMX connections (at control source and luminaire). DMX data cable not wired correctly or has a broken conductor… check DMX data cable for proper wiring.See “Connecting to the DMX512 Network” on page 22 for more information. |
| Color Wheel does not rotate to full color frame | When Color button is pressed the color wheel does not rotate to full color | Reset power to the fixture and allow for full calibration of each of the internal motors. (approx. 90 seconds) |
| Fixtures are running hot | Filters are Dirty. | Using a Philips head screw driver remove the fan filter on the top of the unit. remove the filter. Clean via dry low velocity compressed air from the underside of the filter. |
Altman Lighting
1400 East 66th Avenue
Denver, CO 80229
1-303-500-7072 (Main)
www.altmanlighting.com


















