
Air Rower
_______
INSTRUCTION MANUAL
Please read this book thoroughly before operating the rower

Scan the QR code for a step-by-step video guide on how to assemble your rowing machine.
Scan the QR code to view our support center for more technical resolutions and FAQ’s about your item. 
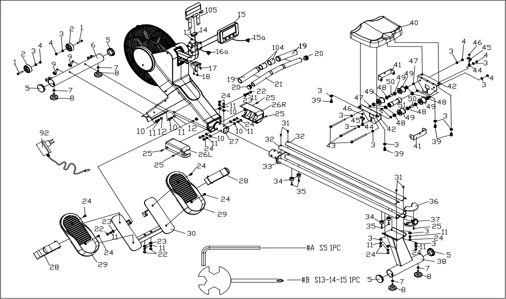
EXPLODED DIAGRAM


PARTS LIST
| NO. | DESCRIPTION | QTY |
| 1 | Inner hex pan head bolt M8*42*15*S6 | 2 |
| 2 | Transportation wheel | 2 |
| 3 | Washer d8*16*1.5 | 16 |
| 4 | Nylon nut M8*H7.5*S13 | 6 |
| 5 | End cap 60.5*17 | 4 |
| 6 | Front bottom tube | 1 |
| 7 | Nut M8 | 4 |
| 8 | Adjustable foot pad 52*18 | 4 |
| 9 | Square neck bolt M8*73*20*H5 | 2 |
| 10 | Arc washer d8*20*2*R30 | 8 |
| 11 | Spring washer d8 | 12 |
| 12 | Cap Nut M8 | 2 |
| 13 | Cross pan head bolt M5*10 | 4 |
| 14 | End cap | 1 |
| 15 | Display | 1 |
| 16 | Extension Wire | 2 |
| 17 | Handlebar Seat | 1 |
| 18 | Cross pan head bolt M5*10*8.5 | 2 |
| 19 | Foam grip | 2 |
| 20 | End cap 32*17 | 2 |
| 21 | Handlebar | 1 |
| 22 | Bolt M8*20*S13 | 4 |
| 23 | Washer d8*20*2 | 5 |
| 24 | Inner hex pan head bolt M8*20*S5*13 | 11 |
| 25 | Cross pan head self drilling screw ST4.2*16*8 | 22 |
| 26L/R | Guide rail cover | 1 pair |
| 27 | Main frame | 1 |
| 28 | Pedal strap | 2 |
| 29 | Pedal | 2 |
| 30 | Pedal seat | 1 |
| 31 | Cross pan head screw M4*12 | 4 |
| 32 | Aliminum guide rail | 2 |
| 33 | Rail | 1 |
| 34 | Limiter | 4 |
| 35 | Inner hex pan head bolt M6*16*10 | 4 |
| 36 | Rail upper cover | 1 |
| 37 | Rail bottom cover | 1 |
| 38 | Rail support | 1 |
| 39 | Bolt M8*16*S14 | 4 |
| 40 | Saddle | 1 |
| 41 | U baffle plate | 2 |
| 42 | Left support plate of seat | 2 |
| 43 | Bolt M8*135*15*S14 | 3 |
| 44 | Chain bolt M6*40*10*2.5 | 4 |
| 45 | Chain U seat | 4 |
| 46 | Nylon Nut M6*H6*S10 | 5 |
| 47 | Spacer d8*15*4 | 6 |
| 48 | Bearing 608Z | 10 |
| 49 | Roller 45*38*22 | 4 |
| 50 | Spacer 14*8.3*30 | 2 |
| 51 | Roller 33*106*22 | 1 |
| 52 | Flange nut M10*1*H9.5*S15 | 4 |
| 53 | Hexagonal thin nut M10*1*H5*S17 | 4 |
| 54 | Bearing 6000-2RS | 5 |
| 55 | Cross pan head screw ST4.2*13*7 | 16 |
| 56 | Aliminium sheet | 4 |
| 57 | Fan | 1 |
| 58 | Flywheel shaft | 1 |
| 59 | Magnetic plate | 1 |
| 60 | L sheet metal | 1 |
| 61 | Magnetic plate sheet | 1 |
| 62 | Hex bolt M6*16*S10 | 1 |
| 63 | Fan wheel shaft sleeve | 1 |
| 64 | Round magnet 24*5 | 2 |
| 65 | Spring 1.2*15*48*N9 | 1 |
| 66 | Bushing 32*3.3*28*16*14 | 2 |
| 67 | Display post | 1 |
| 68 | Knob 14*81.5*M8*S6 | 1 |
| 69 | Bolt M6*55*15*S10 | 1 |
| 70 | Circlips for shaft | 2 |
| 71 | Pulley 45*35 | 1 |
| 72 | Belt wheel shaft | 1 |
| 73 | Corrugated washer d10 | 1 |
| 74 | Belt 6PJ290 | 1 |
| 75 | Belt wheel 112*61.5 | 1 |
| 76 | Bearing 16003-2RS | 2 |
| 77 | Bearing 35*d17*16 | 1 |
| 78 | Mesh belt wheel | 1 |
| 79 | Circlips for hole D35 | 1 |
| 80 | Fixing axle for mesh belt | 1 |
| 81 | Bearing 6300-2RS | 1 |
| 82 | Mesh belt | 1 |
| 83 | PC board for mesh belt wheel | 1 |
| 84 | Axle for mesh belt wheel | 1 |
| 85 | Volute spring | 1 |
| 86 | Outer PC board | 1 |
| 87 | Outer cover for mesh belt wheel | 1 |
| 88 | Sensor | 2 |
| 89 | Sensor holder | 1 |
| 90 | Motor | 1 |
| 91 | Tension wire | 1 |
| 92 | Adapter | 1 |
| 93L/R | Front cover | 1 pair |
| 94L/R | Rear cover | 1 pair |
| 95 | Support pad of housing | 1 |
| 96 | Rubber ring | 1 |
| 97 | Screw ST4.2*16*8 | 12 |
| 98 | Washer D5*16*1.5 | 4 |
| 99 | Cross pan head screw M4*10*8 | 7 |
| 100 | Chuck for steel net cover | 7 |
| 101 | Chuck for steel net cover | 7 |
| 102 | Left steel net cover | 1 |
| 103 | Right steel net cover | 1 |
| 104 | Rubber ring | 2 |
| 105 | IP frame | 1 |
| A | Spanner S5 | 1 |
| B | Wrench S13-14-15 | 1 |
1 Safety Instructions
Please pay attention to the following instructions before operating this rowing machine.
IMPORTANT SAFETY INFORMATION
Thank you for choosing our product. To ensure your health and safety, please use this equipment as advised. It is important to read this entire manual before assembling and using the equipment. Safe and effective use can only be achieved if the equipment is assembled, maintained and used in accordance to the manual. It is your responsibility to ensure that all users of the equipment are informed of all warnings and precautions.
- Before starting any exercise program, you should consult a health professional to determine if you have any medical or physical conditions that could put your health and safety at risk or prevent you from using the equipment properly. A health professional’s advice is essential if you are taking medication that affects your heart rate, blood pressure or cholesterol level.
- Be aware of your body’s signals. Incorrect or excessive exercise can damage your health. Stop exercising if you experience any of the following symptoms: pain, tightness in your chest, irregular heartbeat, lightheadedness, dizziness or feelings of nausea. If you do experience any of these conditions, you should consult a health professional before continuing with your exercise program.
- Keep children and pets away from the equipment. The equipment is designed for adult use only.
- Use the equipment on a solid, flat level surface with a protective cover for your floor or carpet. To ensure safety, the equipment should have at least 2 feet (61 cm) of free space all around it.
- Ensure that all nuts and bolts are securely tightened before using the equipment. The safety of the equipment can only be maintained if it is regularly examined for damage and/or wear and tear.
- Always use the equipment as indicated. If you find any defective components while assembling or checking the equipment, or if you hear any unusual noises coming from the equipment during exercise, discontinue use of the equipment immediately. Please contact JLL Fitness on 0800 6123 988 for advice on how to resolve the issue.
- Wear suitable clothing while using the equipment. Avoid wearing loose clothing that may become entangled in the equipment.
- Do not place fingers or objects into the moving parts of the equipment.
- The maximum weight capacity of this unit is 120 kg.
- To avoid bodily injury and/or damage to the product or property, ensure to follow safe procedures for lifting and moving the item.
- Your product is intended for use in cool, dry conditions. You should avoid storage in extreme cold, hot or damp areas as this may lead to corrosion and other related problems.
- This equipment is designed for indoor home use only, it is not intended for commercial use.
USER SAFETY PRECAUTIONS
PRIOR TO USE
- Assemble the rower according to the instruction manual.
- Consult your doctor before beginning any exercise program.
- Read instructions.
- Read warning labels.
- Read emergency stop procedures.
- Maximum user weight is 120kg/ 18.8 St.
- Inspect unit. If damaged, DO NOT USE.
- Ensure every bolt and screw is securely tightened.
DURING USE
- DO NOT use for stretching and DO NOT attach straps or other devices.
- DO NOT allow children aged 12 or younger to be on or near the machine.
- Stop exercising if you feel faint, dizzy, or encounter pain.
- Keep all clothing and accessories clear of moving parts.
EXERCISE SAFETY PRECAUTIONS
- Use sports clothes and gym shoes.
- This model should only be used at home, DO NOT use for commercial purposes.
FACILITY SAFETY PRECAUTIONS
- DO NOT operate this machine in damp or wet locations.
- Use caution when getting on or off the rower.
- Check the rowing machine for worn or loose components before each use. DO NOT use until worn or damaged parts are replaced.
- Maintain regularly. Refer to Preventive Maintenance chapter.
- DO NOT use the rower if: (1) the machine is not working adequately or (2) the rower has been dropped or damaged.
- DO NOT use the rower outdoors.
- Read the instruction manual completely before using the rower.
- Ensure all users wear appropriate footwear on JLL® equipment.
- Set up and operate the rowing machine on a level surface. DO NOT operate in small restricted areas or on plush carpet.
- As far as possible provide the following clearances: 0.5 m at each side and 2 m at the back. Be sure your machine is clear of walls, equipment and other hard surfaces.
- DO NOT modify the unit in any way. Any modifications will void the warranty.
- All the data displayed by the monitor is for reference purposes only.
WARNING STICKERS
Warning stickers indicate a potentially hazardous situation which, if not avoided, could result in death or serious injury. Carefully read the following caution and warning labels before using the unit.
| DO NOT touch any moving parts during use. Children and pets must be kept away from machine at all times. Appropriate clothing MUST be worn whilst exercising. Please consult a doctor or health professional before undertaking any exercise or health regime. |
2 Assembly
PREPARING SITE
To find the ideal location to set up this rowing machine, ensure that:
- Area is well illuminated and well ventilated.
- Surface is level.
- There is enough space to access the unit and emergency dismount. If it is possible, keep the following clearances: 0.5 m at each side and 2 m at the back.
- The rowing machine is placed in an environment with a relative humidity range of 30-50%. Please ensure the temperature is kept constant. Do not use in a moist or damp environment as this may impact on the integrity and performance of the machine.
DIAGRAM

- Device Stand
- Monitor
- Handlebar
- Saddle
- Rear Stabilizer
- Slideway
- Foot Plates
- Front Stabilizer
- Transport Wheel
- Main Base
CONTENT LISTING
See diagram (pg.4) and content listing (below) for rower box contents. See Customer Service chapter for contact information if any parts are missing.
MAIN BOX

Rower Main Base Front Stabilizer Rear Supporter Guide Rail Covers

Slideway Pedals Pedal Seats

Saddle Rail Cover Power Cable

Tools Pack² Tablet Holder Monitor
TOOLS PACK
![]()
M8 Inner Hex Pan Head Bolts x4 M6 Inner Hex Pan Head Bolts x2

Spring Washer x4 Flat Washer x4 Limiters x2

Heart Rate Band x1 Hex Allen Key x1 Multi-Tool x1
VENTUS 3 ASSEMBLY
The rower has been assembled and tested at the factory, so you shouldn’t have any problems putting all the parts together. Components are designed to fit together, and only basic tools are required for the assembly process. Inside the box you will find a Tools Pack (Hex Allen Key, Spanner, Washers and Bolts). See previous page.
To assemble your JLL Ventus 3 please follow these easy steps:
STEP 1
Start by removing the two square neck bolts (9), arc washers (10), spring washers (11) and nuts (12) in the mainframe (27) and use them to attach the front stabiliser (6).

STEP 2
Next, remove the two cross pan head screws (31) from the end of the slideway. Slide the saddle onto the frame and reattach the screws.
Then attach the two limiters (34) on the underside of the slideway using two bolts (35) from the tools pack.

STEP 3
Split the rail cover (36/37) into two pieces by removing the screw (25). Then attach it over the end of the slideway and secure using the screw just removed.
Fix the rear supporter (38) to the underside of the slideway using four Allen head bolts (24), flat washers (3) and spring washers (11).

STEP 4
Remove the bolts (24) and washers (10+11) from the mainframe (27).
Split the guide rail cover (26L/R) apart by removing the screws (25).
Attach the slideway to the mainframe using the bolts and washers removed earlier and then secure the guide rail covers over the top using the screws.

STEP 5
Remove the bolts (22) and washers (11+23) from the mainframe (27).
Attach the pedal seats (30) to either side of the base using these bolts, then add the pedals (29) on top using two bolts (24) for either side.

STEP 6
Pull out the extension wire (16a) from the display post (67) and connect it to the wire (15a) from the monitor (15).
Return the wires back into the post and secure the monitor to the post with the IP frame (105) in between the two using the screws found in the back.

Lastly insert the power adapter into the front of the machine and plug into a power socket.
STORING THE ROWING MACHINE
When not in use, you can save space by tilting the machine upright.

ADJUSTING THE PEDALS STRAPS
The length of the straps can be adjusted to suit the users foot size. Use the red hoop at the end of the strap to pull the velcro tighter across your foot until you feel it is secure.

MOVING THE MACHINE
There are a set of transport wheels on the front stabiliser. Lift the rear stabiliser until the front wheels touch the ground and roll to your desired location.

MONITOR ANGLE
You can adjust the angle of the monitor by pivoting it up or down on the arm from the base. The angle may need to be changed due to the users height or the amount of light within a room reflecting off the screen.

MONITOR CONFIGURATION

| 1 | LCD display | 2 | Display-Alt Button |
| 3 | Up Button | 4 | Enter Button |
| 5 | Start/Stop Button | 6 | Recovery Button |
| 7 | Down Button | 8 | Reset Button |
MONITOR SPECIFICATIONS
Time…………………………………………………..00:00 – 99:59 MIN:SEC
Time 500M…………………………………………00:00 – 99:59 MIN:SEC
Stroke………………………………………………….0 – 9999
Calorie…………………………………………………0 – 9999
Distance………………………………………………0 – 99999
Total Strokes……………………………………….0 – 99999
Pulse……………………………………………………40 – 240
SPM……………………………………………………..0 – 999
Watts…………………………………………………….0 – 899
UNITS
Height | Weight | Pulse | Cal | Distance | SPM | Watts |
| CM | KG | BPM | KCAL | KM | STROKES/ MIN | W |
SPECIFICATIONS
| Display | LCD Monitor: Time, Time 500M, Calorie, Distance, Strokes, Strokes Total, Pulse, SPM, Watts |
| Storage | Built-in transport wheels. |
| Resistance | Air and Electro-Magnetic Resistance |
| Saddle | Foam filled seat with free movement up and down the slideway. |
| Pedals | Wide platform pedals |
| Handlebars | Foam padded handles |
| Colour | Black and Red |
| Maximum User Weight | 120kg |
| Occupying Area | 220 cm (Length) x 49.5 cm (Width) x 95 cm (Height) |
| Packaging Dimensions | 119.5 cm (Length) x 28 cm (Width) x 87 cm (Height) |
| Gross Weight | 39kg |
| Net Weight | 33.8kg |
FUNCTIONS
TIME: Counts the duration of your workout.
TIME 500M: Calculates your average 500 meter time. Shares the same segment as time.
STROKES: Counts the strokes completed during your workout.
CALORIE: Counts the estimated calories burnt while exercising.
STROKES TOTAL: Displays the total number of strokes since the machine has been used.
DISTANCE: Displays the distance covered in kilometers throughout your workout.
PULSE: Displays your current heart rate during your workout. The pulse measurement will only function with a chest belt system.
SPM: Counts the average strokes per minute during your workout.
WATTS: Calculates the power generated by your workout, shares the same window as SPM.
3 Operation
MANUAL MODE (PROGRAM 1)
- Press the “START/STOP” key then begin your workout to begin a manual mode and see all of your data, or press the “ENTER” key to enter the setting mode.
- In setting status, press the “ENTER” key to choose setting items with the relevant flashing windows for TIME, DISTANCE, CALORIE, STROKES and AGE.
- Press the “UP” or “DOWN” keys to change the digits and press the “ENTER” key to move to the next item.
- Automatically exits the setting status when all operations are complete, or press the “START/STOP” key in the setting status to start a workout directly.
- The magnetic resistance can be adjusted using the “UP” or “DOWN” keys during your manual workout.
- If TIME, DISTANCE, CALORIES or STROKES have been set, then the corresponding value will count down to 0, the program will be STOP after this.
- Press the “START/STOP” key to STOP the program during your workout.

PROGRAM MODE (PROGRAMS 2-12)
- Press the “UP” key to scan through the selection of programs between 2-12. At the bottom of the screen the chart will show the pattern and intensity of each.
- Press the “START/STOP” key to begin a program.
- Throughout the program the magnetic resistance will automatically change while the monitor displays all your data. However, you can also manually change the resistance whilst in a program from level 1 to 16. The dots on the chart at the bottom of the monitor will change in height according to the resistance level.
BODY FAT (PROGRAM 13)
- After exercising press the “UP” key to scan through the programs til you reach 13.
- Press the “ENTER” key to choose setting items with the relevant flashing windows for GENDER, HEIGHT, WEIGHT and AGE. Use the “UP” and “DOWN” keys to change the digits and press “ENTER” after each one.
- Press the “START/STOP” key to start the test and make sure the chest strap is attached. Then the display will show your body fat reading 8 seconds later.
- You should keep your body relaxed and your heart rate calm during this process.
B.M.I (BODY MASS INDEX)
Gender/Age | Underweight | Healthy | Slightly Overweight | Overweight | Obese |
| Male <30 | < 14 | 14 – 20 | 20.1 – 25 | 25.1 – 35 | > 35 |
Male >30 | < 17 | 17 – 23 | 23.1 – 28 | 28.1 – 38 | > 38 |
| Female <30 | < 17 | 17 – 24 | 24.1 – 30 | 30.1 – 40 | > 40 |
Female >30 | < 20 | 20 – 27 | 27.1 – 33 | 33.1 – 43 | > 43 |
BODY FAT
Gender | Low | Medium | Slightly High | High |
| Male | <13% | 13% – 25.9% | 26% – 30% | >30% |
Female | <23% | 23% – 35.9% | 36% – 40% | >40% |
BODY TYPE
B1 | B2 | B3 | B4 | B5 | B6 | B7 | B8 | B9 |
| Skinny | Thin | Slightly Thin | Slim | Healthy | Slightly Overweight | Overweight | Obese | Obesity |
WATT MODE (PROGRAM 14)
- Press the “UP” key to scan through the programs til you reach 14.
- Press the “ENTER” key to choose setting items with the relevant flashing windows for TIME, DISTANCE, STROKES and WATT. Use the “UP” and “DOWN” keys to change the digits and press “ENTER” after each one.
- Press the “START/STOP” key to begin the program, the resistance will change automatically to maintain your set values. Alternatively, you can manually edit the resistance within this program using the “UP” and “DOWN” keys.
- Any set values e.g. distance will count down to 0 throughout the program, when completed the program will end.
- Press the “START/STOP” key to stop the program at any time.
HEART-RATE BAND
This rower comes with a heart rate band to be attached around your torso with the sensor approx over your diaphram.
To replace the battery in the band simply unscrew the cap from the back of the band and replace with a new battery.
The elastic strap is fully adjustable and can be detached. After every workout make sure the sensor on the back of the band is cleaned and free of contaminants such as lotions or sweat.
Once the band has been attached and the rower is powered on the two will automatically sync.
HEART RATE MODE (PROGRAM 15-18)
- Press the “UP” key to scan through the programs til you reach between 15-18.
- Press the “ENTER” key to choose setting items with the relevant flashing windows for TIME, DISTANCE, CALORIE, STROKES and AGE. Use the “UP” and “DOWN” keys to change the digits and press “ENTER” after each one.
- To set a target heart rate this can only be done within program 18 following the same steps.
- Press the “START/STOP” key to begin the program, the resistance will change automatically to maintain your set values. Alternatively, you can manually edit the resistance within this program using the “UP” and “DOWN” keys.
- Any set values e.g. distance will count down to 0 througout the program, when completed the program will end.
- Press the “START/STOP” key to stop the program at any time.
| TRAINING ZONE | |
| AGE | MIN – MAX (BPM) |
20 | 133 – 167 |
| 25 | 132 – 166 |
30 | 130 – 164 |
| 35 | 129 – 162 |
40 | 127 – 161 |
| 45 | 125 – 159 |
50 | 124 – 156 |
| 55 | 122 – 155 |
60 | 121 – 153 |
| 65 | 119 – 151 |
70 | 118 – 150 |
| 75 | 117 – 147 |
80 | 115 – 146 |
| 85 | 114 – 144 |
USER MODE (PROGRAM 19-22)
- Press the “UP” key to scan through the programs til you reach between 19-22. You will be able to select from user 1-4.
- Press the “ENTER” key to choose setting items with the relevant flashing windows for TIME, DISTANCE, CALORIE, STROKES, AGE and RESISTANCE LEVEL. Use the “UP” and “DOWN” keys to change the digits and press “ENTER” after each one.
- Press the “START/STOP” key to begin the program, the resistance will change automatically to maintain your set values. Alternatively, you can manually edit the resistance within this program using the “UP” and “DOWN” keys.
- Any set values e.g. distance will count down to 0 througout the program, when completed the program will end.
- Press the “START/STOP” key to stop the program at any time.
RECOVERY MODE
After exercising for a period of time, if you are wearing a chest strap press RECOVERY. All functions will stop except for time, this will start counting down from 60 seconds. The screen will then display your heart rate recovery status with F1-F6, F1 being the best and F6 being the worst. Press the RECOVERY button again to return to the main display.
F1=1.0 | BEST STATE |
| 1.0 < F2 < 2.0 | WELL |
2.0 < F3 < 2.9 | GOOD |
| 3.0 < F4 < 3.9 | ORDINARY |
4.0 < F5 < 5.9 | RELATIVELY POOR |
| F6=6.0 | BAD |
BLUETOOTH/KINOMAP APP
This monitor is equipped with Bluetooth which is designed to connect to the Kinomap app. The app can be downloaded from the App Store or from Google Play. Once connected the monitor will power off and all readings will be displayed within the app. For more instructions on how to use the Kinomap app click the link below or scan the QR code:
Kinomap App Instructions
TESTING THE ROWER OPERATION
Use the following instructions to test the full resistance of the rower and to check the chord for proper operation.
- Sit on the machine and place your feet on the footplates, gently complete a few strokes.
- Check the monitor to make sure the digits are changing.
- As you are performing each stroke make sure the chord is retracting fully into in the base and is not slack.
- Also make sure there are no unusual noises coming from the machine and no wobble during your workout.
4 Maintenance
Maintenance must be performed on a regular basis. Performing maintenance actions can aid in providing safe and trouble-free operation of all JLL® equipment.
JLL® are not responsible for performing regular inspection and maintenance actions for your machine. JLL® representatives are available to answer any questions that you may have on +44 (0)800 6123 988.
PREVENTIVE MAINTENANCE ACTIVITIES
Keeping the rowing machine in a clean state will help to prolong its life. Perform regular preventive maintenance to ensure normal operation of the unit. Keep a log of all maintenance actions to assist in staying current with all preventive maintenance activities. JLL® is not responsible for performing regular inspection or maintenance.
Read all instructions and warnings listed both in this chapter and in the Safety chapter. Contact JLL® Customer Service on +44 (0)800 6123 988 for any maintenance or service concerns.
Requirements:
- Water
- Dry cloth
- Vacuum
|
Depending on where the rowing machine is placed, you may experience dry air, causing a common experience of static electricity. You can notice that by walking across a carpet and then touching a metal object. On your rower you may experience a shock due to the build-up of static electricity on your body and the discharge path of the rower. If you experience this type of situation, you may want to increase the humidity to a comfortable level through the use of a humidifier.
Check your machine regularly for rust. If rust starts to appear on the screws it means the item is not housed in the correct environment and will need to be moved to a more suitable room. Any rust will indicate there may be moisture in the air and as a result this could impact on the integrity and performance of your machine.
|
ROWER CLEANING
Keep the slideway free of dust and debris for smooth running and preventing injuries. Debris may cause damage to the rollers underneath the saddle.
After every workout use a neat, dry cloth for cleaning the machine and the handlebars to prevent the unit of corrosion. Wipe away any sweat that may have dripped. Avoid scratching the display by using a soft cloth.
Do not use abrasive or chemical cleaning agents.
3 EASY STEPS TO CLEAN YOUR ROWING MACHINE
Recommendation (these are just a guideline):
- Use a clean cloth to wipe down the whole machine.
- Vacuum or sweep the floor underneath and around the rower to prevent any dust going into the machine. A treadmill mat can help to reduce dust.
- Use a vacuum cleaner or a soft damp cloth to clean machines entire cover area.
When not using product for an extended period of time the product should be folded and stored in a suitable environment.
5 Additional Information
CONTACT INFORMATION
In case any issues arise, please do not hesitate to contact our Customer Service team on +44 (0)800 6123 988 or email us at [email protected]
You can also visit our support centre at SUPPORT.JLLFITNESS.CO.UK for maintenance and assembly articles & videos.
DISCLAIMER
- You should consult your physician, doctor or other health care professional before starting or taking part in any of our workout guides. It is your responsibility to evaluate your own health before taking part or performing any physical activity you may see associated with JLL Fitness Ltd.
- Always seek professional advice before changing your diet or starting any exercise program.
- JLL Fitness Ltd is not liable for any injuries or damages that may occur when assembling or using this rowing machine.
- By reading this you assume full responsibility for any injuries or changes to your physical well-being. You waive all rights and release JLL Fitness Ltd of blame from any injuries or damages to property that may occur whilst following our advice.
- This manual offers specific instructions on how to assemble and maintain your rowing machine. Failure to follow these directions may result in your warranty being void.
Follow us on Facebook and Twitter @JLLFitness
© JLL Fitness Ltd . All Rights Reserved.





















