RM413 Motion Rower
USER MANUAL
IMPORTANT SAFETY INFORMATION
READ ALL INSTRUCTIONS BEFORE USING
THIS OWNER’S MANUAL CONTAINS ASSEMBLY, OPERATION, MAINTENANCE AND SAFETY INFORMATION. IN THE INTEREST OF SAFETY, PLEASE MAKE CERTAIN THAT YOU READ AND UNDERSTAND ALL THE INFORMATION BELOW.
- This Rower is intended for class H (H=Domestic) use only. It is not designed for commercial use.
- This machine has been tested to BS EN 957.
- Read the OWNER’S USER MANUAL and all accompanying literature and follow it carefully before using your Rower.
- Keep children and pets away from the Rower at all times. Do not leave children unattended in the same room with the Rower. The Rower is not a toy and therefore parents and guardians should be aware of the natural tendency for children to play leading to situations and behaviour for which the Rower is not intended.
- If children are allowed to use the Rower their physical/mental development and above all, temperament should be taken into account. Constant supervision is therefore needed.
- Position the Rower on a clear levelled surface which is clear of all obstacles as not to restrict movement whilst exercising. DO NOT use the Rower near water or outdoors.
- Exercise equipment has moving parts. In the interest of safety, keep others, especially children, at a safe distance while exercising.
- Never hold your breath while exercising. Breathing should remain at a normal rate in conjunction with the level of exercise being performed.
- Rest adequately between workouts. Muscle tone develops during these rest periods.
Beginners should work out twice a week and increase gradually to 4 to 5 times per week. - Remove all jewellery, including rings, chains and pins before commencing exercise.
- Always wear suitable clothing and footwear during exercise. Do not wear loose fitting clothing that could become entangled with the moving parts of your exercise machine.
IMPORTANT!!! THE MAXIMUM RECOMMENDED WEIGHT CAPACITY FOR YOUR ROWER IS 110KGS.
HARDWARE PARTS LIST
| Part NO | Description | Qty | Drawings |
| 2 | Carriage Bolt M10’75 | 2 | ![]() |
| 5L | End cap for Slide Rail (Left) | 1 | |
| 5R | End cap for Slide Rail (Right) | 1 | |
| 6 | Curved Washer 010’022 | 2 | |
| 7 | Acorn Nut M10 | 2 | |
| 12 | Allen Bolt M6’12 | 4 | |
| 13 | Washer 06’17 | 4 | |
| 15 | Axle for Pedal | 2 | |
| 19 | Carriage Bolt M8’45 | 2 | |
| 22 | Collar | 4 | |
| 23 | Allen Bolt M8’20 | 4 | |
| 24 | Allen Bolt M8’16 | 10 | |
| 25 | Washer 08’017 | 12 | |
| 34 | Acorn Nut M8 | 2 | |
| Allen Wrench S13,17 | 1 | ||
| Allen Key 4mm | 2 | ||
| Allen Key 6mm | 1 | ||
Above described parts are all the parts you need to assemble this machine. Before you start to assemble, please check the hardware pack to make sure they are included. In the unlikely event parts are missing from the carton, please contact the Customer Solutions Department via email at, [email protected]
PRE-ASSEMBLY CHECK LIST

| PART NO. | DESCRIPTION | Q’TY |
| 1 | Main Frame | 1 |
| 3 | Front Stabilizer w/end caps | 1 |
| 9 | Computer | 1 |
| 14 | Pedal R/ L | 2 |
| 17 | Pedal Support Tube | 1 |
| 26 | Slide Rail | 1 |
| 28 | Rear Stabilizer w/end caps | 1 |
| 11 | Seat | 1 |
ASSEMBLY INSTRUCTION
Step 1
Attach the front stabilizer (3) to the front of the main frame (1). Secure using two carriage bolts (2), two curved washers (6) and two acorn nuts (7).
Attach the pedal support tube (17) to back of the main frame (1). Secure using two carriage bolts (19), two flat washers (25) and two acorn nuts (34).

Step 2
- Pull out the lock pin (55) from the main frame. Insert the slide rail (26) onto the U type connect tube (58). Secure using six allen bolts (24) and six washers (25).
- Slide the seat (11) onto the slide rail (26).
- Attach the end collars (22) to the front and back of the slide rail (26). Secure using the allen bolts (23). Attach the end caps (5L & 5R) onto the back of the slide rail (26).

Step 3
Attach rear stabilizer (28) to back of the slide rail (26). Secure using four allen bolts (24) and four washers (25).

Step 4
- Attach the left pedal (14L) to the left bracket of the pedal support tube (17). Slide the axle (15) through the left pedal (14L). Secure using two allen bolts (12) and two washers (13).
- Repeat the same procedure for right pedal (14R).

Step 5
- Connect the computer sensor wire (21) to the back of the computer (9).
- Attach computer (9) to computer bracket (62) and tighten with two screws (10).
Note: Ensure that the wires are not pinched behind the computer.

CHECK ALL BOLTS AND NUTS ARE TIGHTENED BEFORE USING THE MACHINE
USER GUIDE

COMPUTER INSTRUCTIONS

FUNCTION BUTTONS:
MODE – Push down for selecting functions.
SET – To set the values of time 、count and calories when not in scan mode.
RESET – Push down for resetting time 、count and calories.
FUNCTION:
SCAN Automatically scan functions of time 、count、total count and calories each display will be hold 6 seconds.
TIME Automatically accumulates workout time when exercising.
COUNT Automatically accumulates the number of Steps when exercising.
CALORIES Automatically accumulates calories burnt when exercising.
TOTAL COUNT Automatically accumulates the Total number of steps performed for different exercise sessions.
NOTE:
- If the display is faint or shows no figures, please replace the batteries.
- The monitor will automatically shut off if there is no signal received after 4 minutes.
- The monitor will be auto powered on when starting to exercise push button signal in.
- The monitor will automatically start calculating when you start to exercise and will stop calculating when you stop exercising for 4 seconds.
SPECIFICATIONS:
| FUNCTION | AUTO SCAN | Every 6 seconds |
| TIME | 00:001-99:59′ | |
| COUNT | 0-9999TIMES | |
| TOTAL COUNT | 0-9999TIMES | |
| CALORIES | 0.1-999.9CAL | |
| BATTERY TYPE | 2pcs of SIZE -AA or UM -3 | |
| OPERATING TEMPERATURE | 0°C – +40°C | |
| STORAGE TEMPERATURE | -10°C – +60°C | |
EXERCISE GUIDELINES
Using your ROWER will provide you with several benefits, it will improve your physical fitness, tone muscle and in conjunction with a calorie controlled diet help you lose weight.
- The Warm Up Phase
This stage helps get the blood flowing around the body and the muscles working properly.
It will also reduce the risk of cramp and muscle injury. It is advisable to do a few stretching exercises as shown below. Each stretch should be held for approximately 30 seconds, do not force or jerk your muscles into a stretch – if it hurts, STOP.
- The Exercise Phase
This is the stage where you put the effort in. After regular use, the muscles in your legs will become more flexible. Work to your but it is very important to maintain a steady tempo throughout. The rate of work should be sufficient to raise your heart beat into the target zone shown on the graph below.
This stage should last for a minimum of 12 minutes though most people start at about 15-20 minutes - The Cool Down Phase
This stage is to let your Cardio-vascular System and muscles wind down. This is a repeat of the warm up exercise e.g. reduce your tempo, continue for approximately 5 minutes. The stretching exercises should now be repeated, again remembering not to force or jerk your muscles into the stretch.
As you get fitter you may need to train longer and harder. It is advisable to train at least three times a week, and if possible space your workouts evenly throughout the week.
MUSCLE TONING
To tone muscle while on your ROWER you will need to have the resistance set quite high.
This will put more strain on our leg muscles and may mean you cannot train for as long as you would like. If you are also trying to improve your fitness you need to alter your training program. You should train as normal during the warm up and cool down phases, but towards the end of the exercise phase you should increase resistance making your legs work harder.
You will have to reduce your speed to keep your heart rate in the target zone.
WEIGHT LOSS
The important factor here is the amount of effort you put in. The harder and longer you work the more calories you will burn. Effectively this is the same as if you were
training to improve your fitness, the difference is the goal.
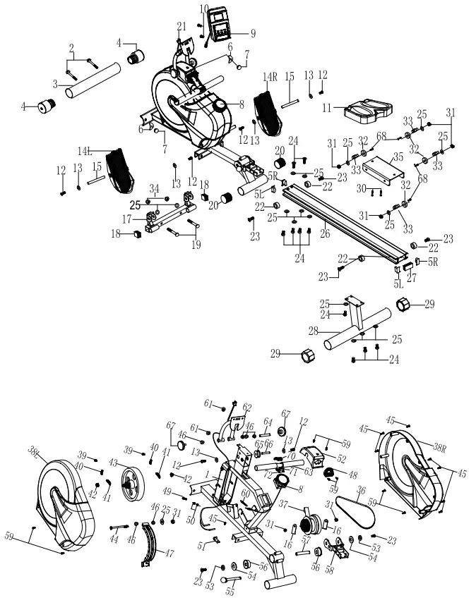
EXPLODED DIAGRAM

PARTS LIST
| NO. | DESCRIPTION | QTY |
| 1 | Main Frame | 1 |
| 2 | Carriage Bolt M10*75 | 2 |
| 3 | Front Stabilizer | 1 |
| 4 | End Cap For Front Stabilizer | 2 |
| 5L | End cap for Slide Rail (Left) | 1 |
| 5R | End cap for Slide Rail (Right) | 1 |
| 6 | Curved Washer Φ10*Φ22 | 2 |
| 7 | Acorn Nut M10 | 2 |
| 8 | 8-Level Tension Knob | 1 |
| 9 | Computer | 1 |
| 10 | Phillips Screw M5*10 | 2 |
| 11 | Seat | 1 |
| 12 | Allen Bolt M6*12 | 6 |
| 13 | Washer Φ6*17 | 6 |
| 14L | Pedal Left | 1 |
| 14R | Pedal Right | 1 |
| 15 | Axle for Pedal | 2 |
| 16 | Bracket for Rope Pulley | 2 |
| 17 | Pedal Support Tube | 1 |
| 18 | Square End Cap 30*30 | 2 |
| 19 | Carriage Bolt M8*45 | 2 |
| 20 | End Cap Φ50.8 | 2 |
| 21 | Computer Sensor Wire | 1 |
| 22 | Collar | 4 |
| 23 | Allen Bolt M8*20 | 6 |
| 24 | Allen Bolt M8*16 | 10 |
| 25 | Washer Φ8*Φ17 | 17 |
| 26 | Slide Rail | 1 |
| 27 | Square End Cap For Slide Rail 60*30 | 1 |
| 28 | Rear Stabilizer | 1 |
| 29 | End Cap For Rear Stabilizer | 2 |
| 30 | Hex Bolt M6*40 | 2 |
| 31 | Nylon Nut M8 | 7 |
| 32 | Wheel | 4 |
| 33 | Sleeve | 4 |
| 34 | Acorn Nut M8 | 2 |
| 35 | Seat Support | 1 |
| 36 | Belt | 1 |
| 37 | Rope Pulley w/rope | 1 |
| 38L | Chain Cover Left | 1 |
| 38R | Chain Cover Right | 1 |
| 39 | Nylon Nut M6 | 2 |
| 40 | Clip | 2 |
| 41 | Screw For Clip M6 | 2 |
| 42 | France Nut M10 | 2 |
| 43 | Flywheel | 1 |
| 44 | Hex Bolt M8*105 | 1 |
| 45 | Self Tapping Screw ST5*15 | 8 |
| 46 | Small Bushing | 6 |
| 47 | Magnetic Assembly | 1 |
| 48 | Rope Pulley Cover | 1 |
| 49 | Hex Bolt M6*25 | 1 |
| 50 | Hex Nut M6 | 2 |
| 51 | Sensor bracket | 1 |
| 52 | Computer Support Tube Cover | 1 |
| 53 | Spring Washer Φ8 | 2 |
| 54 | Washer Φ8*Φ25 | 2 |
| 55 | Lock knob | 1 |
| 56 | Bushing Φ50.8 | 2 |
| 57 | Axle For Slide Rail Φ16*90 | 1 |
| 58 | U Type Connect Tube | 1 |
| 59 | Self Tapping Screw ST5*15 | 6 |
| 60 | Spring | 1 |
| 61 | Grommet | 2 |
| 62 | Computer Support Tube | 1 |
| 63 | Handlebar | 1 |
| 64 | Axle For Computer Support Tube | 1 |
| 65 | Idler Pulley | 1 |
| 66 | Axle For Idler | 1 |
| 67 | Adjust knob | 2 |
| 68 | Screw M5*15 | 4 |
| 70 | Upper cover for handlebar | 1 |
| 71 | Lower cover for handlebar | 1 |
| 72 | Self tapping screw ST4*16 | 2 |
ADDITIONAL INFORMATION
Packaging Disposal
Government guidelines ask that we reduce the amount of waste material disposed of in land fill sites. We therefore ask that you dispose of all packaging waste responsibly at public recycling centres.
End of Life Disposal
We at Pure-Tec hope you enjoy many years of enjoyable use from your Rower. However, a time will come when your Rower will come to the end of its useful life. Under ‘European WEEE Legislation‘ you are responsible for the appropriate disposal of your Rower to a recognised public collection facility.
CARE AND MAINTENANCE
- Inspect and tighten all parts before using the Rower.
- The Rower can be cleaned using a damp cloth and mild non-abrasive detergent. DO NOT use solvents.
- Examine the Rower regularly for signs of damage or wear.
- Failure to examine the Rower regularly may affect the safety level of the equipment.
- Replace any defective components immediately and/or keep the Rower out of use until repair.
LIMITED WARRANTY
Pure-Tec warrants this product to be free from defects in workmanship and material, under normal use and service conditions, for a period of two years on the frame and one year on all other parts and components from the date of purchase. This warranty extends only to the original purchaser. Pure-Tec’s obligation under this Warranty is limited to replacing damaged or faulty parts at Pure-Tec’s option.
All returns must be pre-authorised by Pure-Tec. This warranty does not extend to any product or damage to a product caused by or attributable to freight damage, abuse, misuse, improper or abnormal usage, purchasers own repairs or for products used for commercial or rental purposes. No other warranty beyond that specifically set forth above is authorized by Pure-Tec.
Pure-Tec is not responsible or liable for indirect, special or consequential damages arising out of or in connection with the use or performance of the product or other damages with respect to any economic loss, loss of property, loss of revenues or profits, loss of enjoyments or use, costs of removal, installation or other consequential damages or whatsoever natures.
The warranty extended hereunder is in lieu of any and all other warranties and any implied warranties of merchantability or fitness for a particular purpose is limited in its scope and duration to the terms set forth herein.
Your statutory rights are not affected.
ORDERING REPLACEMENT PARTS
Replacement parts can be ordered by calling our Customer Solutions Department.
When ordering replacement parts, please provide the following information.
- Model
- Description of Parts
- Part Number
- Date of Purchase
Pure-Tec Limited
www.puretecfitness.com
Email: [email protected]


This stage should last for a minimum of 12 minutes though most people start at about 15-20 minutes
















