Installation Instructions
for use by heating contractor
Mixing Valve,
Heating Circuit Extension Module, 2 & 3
Part No. 7172926, 7722635
Mixing Valve, Heating Circuit Extension Module 2 and 3
for use with: Vitotronic 300-K MW2B, Vitotronic 300 GW5B, Vitotronic 200-H HK1B and Vitotronic 300 GW6C
Safety and Installation Requirements
Please ensure that these instructions are read and understood before starting any service work. Failure to comply with these instructions may cause product/property damage, severe personal injury and/or loss of life.
Working on the equipment
The installation, adjustment, service and maintenance of this product must be performed by a licensed professional heating contractor who is qualified and experienced in the installation, service, and maintenance of hot water boilers. There are no user serviceable parts on the boiler, burner or control.
Ensure that main power to the equipment being serviced is off.
Ensure that the main fuel supply valve to the boiler is closed.
Take precautions to avoid accidental activation of power or fuel during service work.
Do not perform service work on any component part without ensuring safe operation of the heating system.
When replacing parts, use original Viessmann or Viessmann approved replacement parts.
Refer to the Installation Instructions applicable to this boiler.
Description
Accessory module for the integration of a maximum of two additional mixing valve heating circuits (with weather compensation). Each heating circuit has integrated logic for the control of one pump and one mixing valve provided by the supply temperature sensor of the independant zone.
Installation for MW2B, GW5B and HK1B
- Loosen the control cover screws (Do Not Remove).
- Tilt the cover up and use the retaining rod to hold the cover open.
- Using the hardware supplied, install the heating circuit extension 2 & 3 module into the area on the control as shown.
- Using the supplied cable, connect the 40 plug terminal on the extension module to the 156 plug terminal on the control.
- Using the supplied ribbon cable, connect the X7 terminal strip on the extension module to the X4 terminal strip of the control.

Heating Circuit Extension Installation
Accessing the Module for GW6C

Replacing the Module for GW6C

4. Remove the plugs with the wires attached. Mark plugs to ensure proper installation location.
7. Ensure proper location of the plugs.
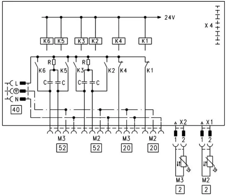
Connection and Wiring Diagram


| A1 PCB, extension for heating circuits 2 and 3 with mixing valve A2 Main PCB low voltage A3 Main PCB 120V A6 Programing unit A7 Optolink PCB/emmisions test switch | A8 PCB A10 LON communication module (accessory) A11 Power supply unit PCB A12 Programming unit ON/OFF switch X Electrical interfaces |
PCB, Extension for Heating Circuits 2 and 3 with Mixer

2 Flow temperature sensors
20 Heating circuit pumps (2A max. each)
40 Power supply
52 Mixer motors
K1-K6 Relay
X Electrical interfaces
Refer to the Vitotronic 300-K MW2B and Vitotronic 300 GW5B Installation and Service Instructions for additional information.
Viessmann Manufacturing Company Inc.
750 McMurray Road
Waterloo, Ontario • N2V 2G5 • Canada
TechInfo Line 1-888-484-8643
1-800-387-7373 • Fax (519) 885-0887
www.viessmann.ca • [email protected]
Viessmann Manufacturing Company (U.S.) Inc.
45 Access Road
Warwick, Rhode Island • 02886 • USA
Techlnfo Line 1-888-484-8643 1-800-288-0667 • Fax (401) 732-0590
www.viessmann-us.com • [email protected]
Technical information subject to change without notice.
Printed on environmentally friendly (recycled and recyclable) paper.



















