Symmons 8210CK Thermostatic Mixing Valve User Manual
Model Numbers
- 8210CK: Thermostatic Mixing Valve
Options/Modifications
- B: Wall cabinet in white enamel finish including wall mounting bracket.
- D: 3/8″ compression fitting to allow water bypass for hot and cold supply faucet.
- NI: Rough Nickel finish.
- T: Stainless steel cabinet in place of standard white cabinet.
Note: Append appropriate suffix to model number.
Feature Highlights
- 3/8″ compression connections
- Integral checks
- Stainless steel strainers for protection against suspended particles in supply lines
- Thermal cartridge
- Vandal resistant
- Minimum flow rate 0.25 gpm (0.95L/min)
Inlet water temperature:
HOT inlet range 120°F – 180°F (48.9°C – 82.2°C)
COLD inlet range 39°F – 80°F (3.9°C – 26.7°C)
Temperature control range:
59°F – 115°F (15°C – 46°C)
Minimum supply pressure: 20 psi (138 kPa)
Maximum supply pressure: 125 psi (862 kPa)
Inlet to outlet temperature differential: 10°F (5.55°C)
According to US Senate bill S.3874, the term “lead free” is defined as follows: “not more than a weighted average of 0.25 percent lead when used with respect to the wetted surfaces of pipes, pipe fittings, plumbing fittings, and fixtures.
Compliance
- ASME A112.18.1/CSA B125.1
- ASSE 1017/CSA B125.3
- ASSE 1070/CSA B125.3
- NSF/ANSI 372
- CSA B125.3

| Valve Model | Size Connection | Min. Flow Rate | Pressure Differential – psi (kPa) | |||||
| 5 psi (34 kPa) | 10 psi (69 kPa) | 20 psi (138 kPa) | 25 psi (172 kPa) | 30 psi (207 kPa) | 45 psi (310 kPa) | |||
| 8210CK | 3/8″ (10 mm) | 0.25 gpm (0.95 L/min) | 1.32 gpm (5.0 L/min) | 2.06 gpm (7.8 L/min) | 2.74 gpm (10.4 L/min) | 3.11 gpm (11.8 L/min) | 3.38 gpm (12.8 L/min) | 4.22 gpm (16.0 L/min) |
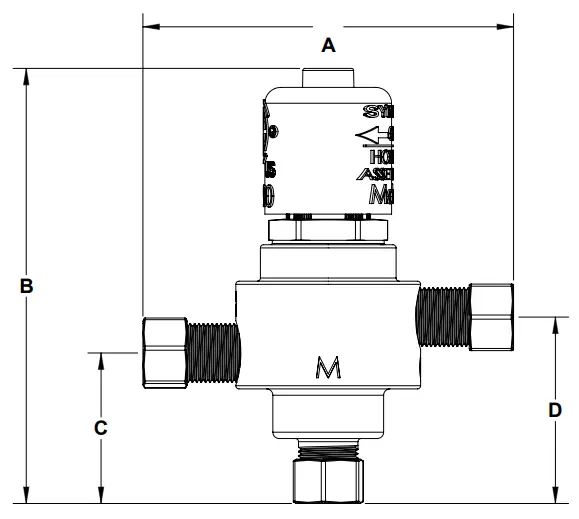
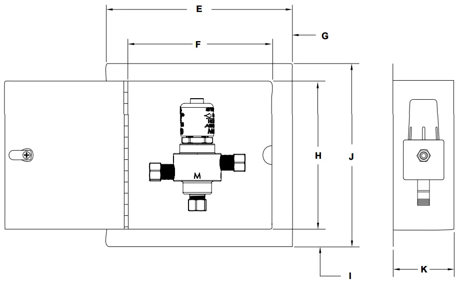
Dimensions

Wall cabinet (optional)

Measurements 8210CK | |
| A | 3-1/2″, 89 mm |
| B | 4-1/8″, 104 mm |
| C | 1-7/16″, 37 mm |
| D | 1-3/4″, 45 mm |
| E | 12-1/4″ , 311 mm |
| F | 10″ , 254 mm |
| G | 1-1/8″ , 29 mm |
| H | 10″ , 254 mm |
| I | 1-1/8″, 29 mm |
| J | 12-1/4″ , 311 mm |
| K | 4″ , 102 mm |
Note: Dimensions are subject to change without notice.
Parts Breakdown
Replacement Parts 8210CK******** | ||
| Item | Description | Part No. |
| A | Safety cap | TMX302 |
| B | Cartridge | TMX303 |
| C | Wall mount hanger bracket | TMX304 |
Installation
Sizing Valve
For assistance in sizing and selection of the proper valve, consult your local representative or Symons Customer Service.
Installing Valve
- Flush piping thoroughly prior to installing.
- Install valve so as to allow clearance for replacing cartridge. Valve can be installed in any orientation.
- Connect valve input/ouput to supply ports.
- Hot port marked (H)
- Cold port marked (C)
- Mixed output port marked (M)

Setting Valve Temperature
- Turn hot and cold water supply on.
- Open faucet to allow hot water to flow for minimum of one minute. For two handle faucets turn on hot water only. For single handle faucets turn on to the hot position.
- Remove screw and cap

- Place thermometer in the outlet stream. Measure and accurately set temperature. Inlet temperature must be ± 10°F (5.55°C) of desired output.
- To increase temperature turn stem counter-clock- wise. To decrease temperature turn stem clock- wise.
For single temperature applications adjust valve outlet temperature with full flow of tempered water from fitting.
For dual temperature applications open approximately 50% of all faucets to their full hot position to ensure proper operating temperature at peak demand. - Replace cap and screw once desired temperature has been met.
Note: Once the safety cap and screw have been installed the outlet temperature cannot be changed without repeating steps 2-6.
Warning: Water temperatures in excess of 110°F (43°C) may cause scalding, or severe injury!.
Point of Use Diagram

Multiple Fixtures Diagram

Operation & Maintenance
Initial 30 Day Inspection
Inspect cartridge within 30 days of initial operation. If inspection determines that your water system is causing deposits and foreign matter to build-up, then adjust cartridge maintenance accordingly.
Cartridge Replacement
- Shut off hot and cold water supplies to valve.
- Remove screw and cap. This will expose the cartridge stem and cartridge retaining nut.
- Remove retaining nut by turning counter-clockwise with adjustable wrench. Grasp cartridge with pliers and remove from body by pulling straight out. A slight rocking rotation may be required to loosen while removing.
- Lubricate cartridge orings with a small amount of silicone lubricant prior to reinstalling. Insert replace ment cartridge into valve body, applying enough force to ensure cartridge is fully seated. Install retaining nut back onto valve body.
- Refer to “Setting Valve Temperature” section (pg.3) to properly set valve to desired temperature.
Service Instructions
Cleaning screens & check valves:
- Shut off hot and cold water supplies.
- To clean screens leave cap installed. Remove retaining nut and remove cartridge. Clean debris from screens and body. Apply silicone lubricant to O-rings and reinstall.
- To Replace the check valves, remove the supply lines and remove check valves from center body. Reinstall new check valves. Reconnect supply lines.
Seasonal Use
If valve is used seasonally, such as in schools or campgrounds, then perform the following steps to avoid damage caused by freezing water when valves are not in use:
- Shut off hot and cold water supplies.
- Remove valve cartridge and drain all water.
- Drain water from the supply lines and valve body.
Remove cartridge and clean valve body in household vinegar to remove corrosive mineral build up. Rinse under running hot water to ensure valve is free of foreign debris.
Troubleshooting Chart
| Problem | Cause | Solution | |||||
| Water flow is less than normal. | Screen in cartridge is dirty or clogged |
| |||||
| Water continues to run colder than original temperature setting. | Check valve is not completely sealed allowing cold water to mix with hot. | Remove screen/check valve and clean under running water. | |||||
| Valve is leaking around the cap retaining nut area. | Water leaking from o-ring seal. | Replace cartridge by ordering cartridge replacement kit. | |||||
| Tempered hot water temperature is not hot enough. | Hot water supply into valve is not 10°F (5.55°C) above desired set point temperature. Temperature setting it to low. | Increase hot water supply temperature into valve. Reset temperature according to “Setting valve temperature” instructions. | |||||
WARNING: This product can expose you to chemicals including lead, which is known to the state of California to cause cancer, birth defects, or other reproductive harm. For more information, go to www.P65Warnings.ca.gov.
Warranty
Limited Lifetime: to the original end purchaser in consumer/residential installations.
10 Years: for commercial/industrial installations. Refer to
www.symmons.com/warranty for complete warranty information.
Support
Symmons Industries, Inc.
- 31 Brooks Drive
- Braintree, MA 02184
- Phone: (800) 796-6667
- Fax: (800) 961-9621
Copyright © 2022 Symmons Industries, Inc.
Web: www.symmons.com
E-mail; [email protected]
ZV-3425 REV D
031522






















