hansgrohe AXOR CARLTON Thermostat Mixer

Safety Notes
Gloves should be worn during installation to prevent crushing and cutting injuries.
The shower system may only be used for bathing, hygienic and body cleansing purposes.
Children as well as adults with physical, mental and/ or sensoric impairments must not use this shower system without proper supervision. Persons under the influence of alcohol or drugs are prohibited from using this shower system.
The hot and cold supplies must be of equal pressures.
Installation Instructions
The fitting must be installed, flushed and tested after the valid norms!
Technical Data
Operating pressure: max. 1 MPa
Recommended operating pressure: 0,1 – 0,5MPa
Test pressure: 1,6MPa
(1 MPa = 10 bar = 147 PSI)
Hot water temperature: max. 80°C
Recommended hot water temp.: 65°C
Rate of flow by 0,3 MPa: approx. 43 l/min anti-pollution function
Symbol description
![]() | Do not use silicone containing acetic acid! |
Assembly





| Fault | Cause | Remedy |
| Insufficient water | Supply pressure inadequate | Check water pressure (If a pump has been installed check to see if the pump is working). |
| Regulator filter dirty | Clean filters | |
| Shower filter seal dirty | Clean filter seal between shower and hose | |
| Crossflow, hot water being forced into cold water pipe, or vice versa, when mixer is closed | Backflow preventers dirty or leaking | Clean backflow preventers, exchange if necessary |
| Spout temperature does not correspond with temperature set | Thermostat has not been adjusted | Adjust thermostat |
| Hot water temperature too low | Increase hot water temperature to 42 ºC to 65 ºC | |
| Temperature regulation not possible | Temperature regulator dirty or calcified | Clean temperature regulator, exchange if necessary |
| For new installations: basic body incorrectly connected (should be: cold right, hot left) or installed with 180º rotation | Install function block turned through 180º | |
| Safety stop button not operating | Spring defective Button calcified | Clean spring and/or button, exchange if necessary |
Safety Function
The desired maximum temperature for example max. 42º C can be pre-set thanks to the safety function.



Adjustment
After the installation, the output temperature of the thermostat must be checked. A correction is necessary if the temperature measured at the output differs from the temperature set on the thermostat.


Maintenance
- To guarantee the smooth running of the thermostat, it is necessary from time to time to turn the thermostat from total hot to total cold.
- The mixer is equipped with non return valves. The non return valves must be checked regularly according to DIN EN 1717 in accordance with national or regional regulations (at least once a year). At this time, please also check the filter (A) situated on the MTC-thermoelement (94282000). After assembling the MTC-thermoelement, it is necessary to check the water temperature at the take off point as described under the headline „adjustment“. Before the adjustment, please check, if the warm water supply is activated and the maximum temperature of the warm water is available at the take off point.






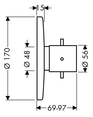
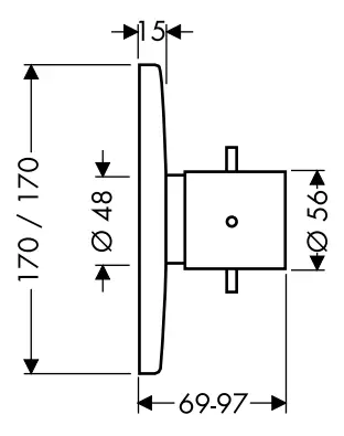
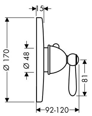
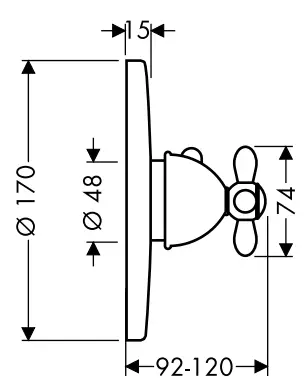
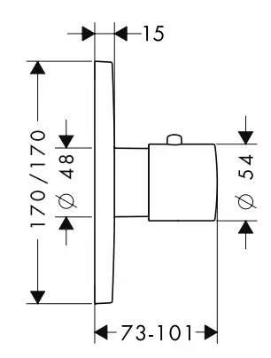
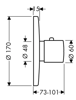
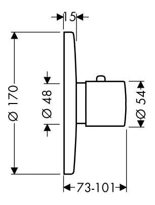
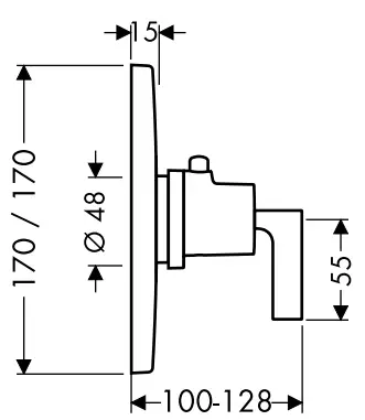
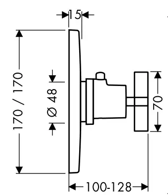
Dimensions
Starck
10710000
Starck X
10716000
Montreux
16810XXX
Carlton
17710XXX
Carlton
17715XXX
Massaud
18740000
Citterio M
34715000
Steel
35710800
Uno
38375000
Citterio
39710000
Citterio
39715000
Bouroullec
19700000
Test certificate
| PA-IX | DVGW | SVGW | ACS | WRAS | MCA | KIWA | |
| 10710000 | 9712/II | X | X | X | X | X | |
| 10716000 | 9712/II | X | X | X | |||
| 16810XXX | 9712/II | X | X | X | |||
| 17710XXX | 9712/II | X | X | X | X | X | |
| 17715XXX | 9712/II | X | X | X | X | X | |
| 18740000 | 9712/II | X | X | X | |||
| 35710800 | 9712/II | X | X | X | X | X | |
| 34715000 | 9712/II | X | |||||
| 37710000 | 9712/II | X | X | X | X | X | |
| 37715000 | 9712/II | X | X | X | X | X | |
| 38375000 | 9712/II | X | X | X | X | X | |
| 39710000 | 9712/II | X | X | X | X | X | |
| 39715000 | 9712/II | X | X | X | X | X | |
| 19700000 | 9712/II | X | X |

Spare parts



Operation

Other Model
Starck
10710000
Starck X
10716000
Montreux
16810XXX
Carlton
17710XXX
Carlton
17715XXX
Massaud
18740000
Citterio M
34715000
Steel
35710800
Uno
38375000
Citterio
39710000
Citterio
39715000
Bouroullec
19700000
Hansgrohe · Postfach 1145 · D-77761 Schiltach · Telefon +49 (0) 78 36/51-1282 · Telefax +49 (0) 7836/511440
E-Mail: [email protected] · Internet: www.hansgrohe.com


Safety Function
Adjustment
Dimensions
Test certificate
Spare parts
Operation


















