hansgrohe 15772000 PuraVida Thermostatic Mixer

Safety Notes
Gloves should be worn during installation to prevent crushing and cutting injuries.
The shower system may only be used for bathing, hygienic and body cleansing purposes.
Children as well as adults with physical, mental and/ or sensoric impairments must not use this shower system without proper supervision. Persons under the influence of alcohol or drugs are prohibited from using this shower system.
The hot and cold supplies must be of equal pressures.
Installation Instructions
The fitting must be installed, flushed and tested after the valid norms!
Technical Data
Operating pressure: max. 1 MPa
Recommended operating pressure: 0,1 – 0,5MPa
Test pressure: 1,6MPa
(1 MPa = 10 bar = 147 PSI)
Hot water temperature: max. 80°C
Recommended hot water temp.: 65°C
Rate of flow by 0,3 MPa: approx. 58 l/min
anti-pollution function
Symbol description
Do not use silicone containing acetic acid!- Safety Function

- Adjustment

- Maintenance

- Dimensions

- Spare parts

- Operation

- Cleaning
see enclosed brochure. - Test certificate

- Assembly

Assembly





Troubleshooting
Fault | Cause | Remedy |
| Insufficient water |
|
|
|
| |
|
| |
| Crossflow, hot water being forced into cold water pipe, or vice versa, when mixer is closed |
|
|
| Spout temperature does not correspond with temperature set |
|
|
|
| |
| Temperature regulation not possible |
|
|
|
| |
| Safety stop button not operating |
|
|
Safety Function
The desired maximum temperature for example max. 42º C can be pre-set thanks to the safety function.



Operating Instruction
After the installation, the output temperature of the thermostat must be checked. A correction is necessary if the temperature measured at the output differs from the temperature set on the thermostat.

Maintenance
- To guarantee the smooth running of the thermostat, it is necessary from time to time to turn the thermostat from total hot to total cold.
- The mixer is equipped with non return valves. The non return valves must be checked regularly according to DIN EN 1717 in accordance with national or regional regulations (at least once a year). At this time, please also check the filter (A) situated on the BTC-thermoelement (96633000). After assembling the BTC-thermoelement, it is necessary to check the water temperature at the take off point as described under the headline „adjustment“. Before the adjustment, please check, if the warm water supply is activated and the maximum temperature of the warm water is available at the take off point.






Operation

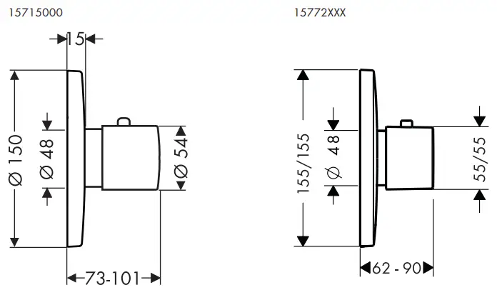
Dimensions

Spare parts
XXX = Colors
000 chrome plated
400 white/chrome plated

Test certificate
| P-IX | DVGW | SVGW | NF | ACS | WRAS | KIWA | |
| 15715000 | 18019/II | X | x | x | x | x | |
15772XXX | x | x | x |

Others Models
Ecostat S
15715000
CUSTOMER SUPPORT
Hansgrohe · Postfach 1145 · D-77761 Schiltach ·
Telefon +49 (0) 78 36/51-1282 ·
Telefax +49 (0) 7836/511440
E-Mail: [email protected] · Internet: www.hansgrohe.com

Safety Notes
Do not use silicone containing acetic acid!


see enclosed brochure.
















