Braukmann
TM200
Installation instructions

Thermostatic Mixing Valve
Safety Guidelines
- Follow the installation instructions.
- Use the appliance
• according to its intended use
• in good condition
• with due regard to safety and risk of danger. - Note that the appliance is exclusively for use in the applications detailed in these installation instructions (see 2 Technical Data). Any other use will not be considered to comply with requirements and would invalidate the warranty.
- Please take note that any assembly, commissioning, servicing and adjustment work may only be carried out by authorized persons.
- Immediately rectify any malfunctions which may influence safety.
Technical Data
| Media | |
| Medium: | Drinking water |
| Connections/Sizes | |
| Connection size: | G3/4″ or Ø22 |
| Pressure values | |
| Max. operating pressure: | max. 10 bar |
| Maximum pressure difference between hot and cold inlet supplies: | 2.5 bar |
| Operating temperatures | |
| Max. hot water inlet temperature: | 90 °C |
| Setting range: | 30 – 60 °C |
| The preset temperature during manufacture: | 40 °C |
| Control accuracy: | <±4 K |
| Specifications | |
| Flow rate at 1.0 bar pressure differential across valve: | appr. 27 l/min |
| Installation position: | Arbitrary |
Options
For Options visit homecomfort.resideo.com/europe
Assembly
Installation Guidelines
- Install without tension or bending stresses
- Fit a return flow-retarder unit where the hot water supply system includes a circulation circuit
- Observe the flow direction arrow when fitting a return flow-retarder unit
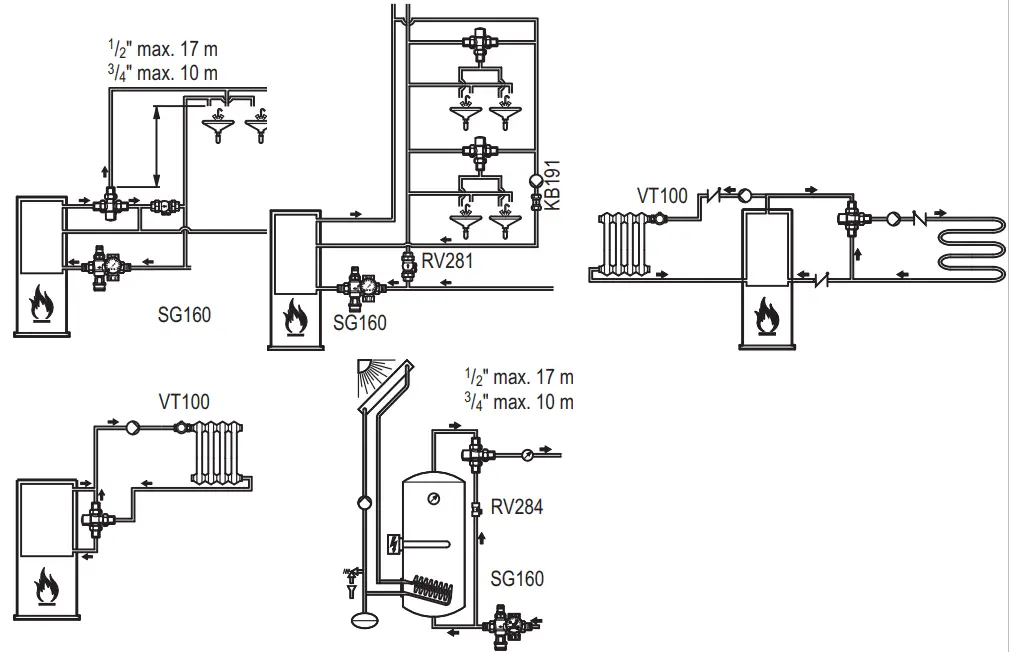
- To prevent the growth of legionella, DVGW-W551 specifies that the water volume in the pipework between the mixer valve and the furthest take-off point should not exceed 3 liters. This corresponds to a maximum length of 10 meters for 3 /4″ (20 mm) pipework and 17 meters for 1 /2″ (15 mm)
- Requires regular maintenance in accordance with EN 806-5
Assembly instructions
As a mixing valve
The flow direction arrows must be observed when connecting the hot and cold water inlets.
As a diverter valve
CAUTION!
For this application, flow is in the reverse direction and therefore is in the opposite direction to the arrows on the housing.
Changing the setting
The mixing valve can be set within the range 30 °C to 60 °C as follows:
- Remove the protective cap.
- Turn the adjuster knob until the required setting number aligns with the index mark 8 on the valve body.
Disposal
Observe the local requirements regarding correct waste recycling/disposal!
Spare Parts
For Spare Parts visit homecomfort.resideo.com/europe
Accessories
For Accessories visit homecomfort.resideo.com/europe


Manufactured for and on behalf of
by its authorized representative demo 1 GmbH
For more information
homecomfort.resideo.com/europe
Phone: +49 6261 810
Fax: +49 6261 81309
© 2020 Resideo Technologies, Inc. All rights reserved.
Subject to change. MU1H-1234GE23 R0420



















