BRISTAN TS4753ECP Thermostatic Mixing Valve 
Welcome to your new Bristan Shower.
All products manufactured and supplied by Bristan are safe provided they are installed, used correctly and receive regular maintenance in accordance with these instructions Isolation valves must be fitted to the inlet water supplies to ensure ease of future maintenance.
This valve allows safe flushing of the tap or shower to avoid installation debris to clog up the mechanical areas of the valve. This product must not be modified in any way as this will invalidate the guarantee.
Full access must be made available for future maintenance/servicing purposes.
This product needs to be installed in accordance with, and meet the requirements of the Water Supply (Water Fittings) Regulations 1999 and Scottish Byelaws 2004.
If in doubt, contact a registered plumber or your Local Water Authority or the Secretary of the Institute of Plumbing, address as follows;-
The Institute of Plumbing,
64 Station Lane,
Hornchurch,
Essex,
RM12 6NB, Tel: 01708 472791
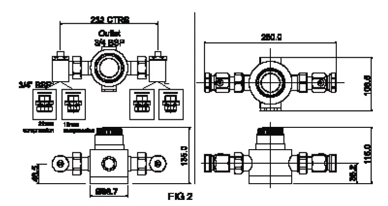
Specifications
Installation
IMPORTANT: Please ensure both supply pipes are flushed before connecting the mixing valve to prevent plumbing/pipe debris from entering the mixing valve.
- Choose the configuration of the elbows as per the diagram below. Choose whether to have a top or bottom outlet by using the blanking cap and o-ring.
- Plumb the pipes to the desired location for the mixing valve.
- Remove the backplate and mark the position of the fixing holes.
- Drill and use the screws and plugs provided to secure the backplate to the wall.
- Connect the valve to the pipework, using filters to prevent debris entering the valve (not supplied). We recommend using a high tightening torque (45-50Nm) on all 22mm compression fittings to secure the valve.
Remember: Ensure the valve is fitted with the hot inlet on the left, cold on the right when viewed from the front. - Locate the valve body on to the backplate and secure with the grub screw.

Installation
Component List:

Commissioning
Working Pressures
The valve is factory set to work at a high pressure, with the bottom cap open 3/4 turn. The hot arrow on the serial sticker will be pointing towards
‘High’ on the sticker on the bottom of the valve body.
To change to low pressure, turn the bottom cap 1/4 turn anti-clockwise until the hot arrow points towards ‘Low’ on the sticker on the bottom of the valve body.
General Cleaning
- Bristan products are made from premium materials, with hand polishing and electroplated finishes.
- Your shower kit should be regularly cleaned with warm water, a mild pH-neutral liquid soap, and polished with a soft cloth. Any residues from soap, toothpaste, shampoos and shower gels can cause blemishes if not rinsed off straight after use.
- Household bleaches and cleaners contain harsh chemicals and may damage the surface finish. Avoid using abrasive cloths, scouring pads, scrub sponges, steel wool or anything similar.
Maintenance
Temperature Adjustment
This valve is pre-set to a maximum outlet temperature of 43°C.
It can be adjusted to have a maximum temperature between 30°C – 55°C
IMPORTANT: To comply with the TMV scheme, this valve cannot have a maximum outlet temperature of 44°C. If set higher, it will no longer comply with the TMV scheme.
Please see the TMV manual supplied with this valve for more details.
To adjust the temperature, follow the steps below:
- Turn on the valve and set to the maximum temperature.
- Remove the knob insert from the valve. Using a narrow bladed screwdriver, insert through the retaining screw and locate into the groove of the adjusting screw (Fig 1).

- Turn the adjusting screw clockwise for a cooler temperature, anti-clockwise for a hotter temperature.
- Wait for a few minutes after adjusting for the temperature to stabilise. Use a thermometer to measure the outlet temperature. Repeat steps X and X until to reach the desired result.
- Replace the knob insert.
Temperature Stop Adjustment
This method locks the position of the control knob so that the valve cannot reach a higher temperature.
The valve is factory set to the position below:
- Position the control knob so that the stops on the inside of the knob are positioned on each side of the lug in the sleeve.
- Screw in the retaining screw and follow the Temperature Adjustment steps to calibrate the temperature.
- Replace the knob insert.
To limit temperature movement, set to the position below:
- Position the control knob so that the stops on the inside of the knob are to the left of the lug in the sleeve.
- Screw in the retaining screw and follow the Temperature Adjustment steps to calibrate the temperature.
- Replace the knob insert.
Servicing the Valve
This valve should at least be serviced with a frequency as set out in the TMV manual guidelines to comply with the scheme. It may need more frequent servicing if sited in a hard water area to ensure optimum performance.
Please see the TMV manual supplied with this valve for more details.
To service the valve, follow the steps below:
- Turn both isolating lugs to shut-off the water supplies. (Fig 3). Remove the valve from the wall.

- Remove the filters from the isolating lugs and rinse of any debris.
- Remove the knob insert. Undo and remove the retaining screw. Remove the control knob, ring and sleeve to expose the head assembly.
- Remove the head assembly from the body using a 29mm A/F spanner. Remove the bottom cap and piston assembly together with the thermostat and return spring.
Note: The piston can be dis-assembled further but this is not necessary for cleaning/servicing. - Remove O-rings and check for damage, replace parts if necessary. Soak all metal components in a suitable solution until fully de-scaled. Grease O-rings using a WRAS Approved grease.
Re-Assembly
- Replace piston ensuring ease of movement when in place. This should move with light finger pressure.
- Replace spring and bottom cap. Screw in gently, DO NOT use excessive force.
- Unscrew the bottom cap by 1 1/4 turns to give correct gap.
- Re-assemble the head assembly ensuring the adjusting screw is screwed back fully.
- Fit the thermostat into the head assembly. Fit the head assembly into the valve body.
- Re-fit the sleeve and control knob, secure with the retaining screw.
- Fit the valve back onto the wall, ensuring the filters are in place.
- Complete the commissioning and temperature adjustment steps to re-calibrate the valve.,
Bristan Group Ltd.
Birch Coppice Business Park Dordon
Tamworth
Staffordshire
B78 1SG
Web: www.bristan.com
Email: [email protected]
A Masco Company
At Bristan, we want to make things as easy as possible for our customers. That’s why we offer solid guarantees on all our products, effective from the date of purchase, to give you peace of mind.
To start your free guarantee simply scan the QR code and register your product. 
Alternatively visit www.bristan.com/register.
For any other queries, please call our Customer Service on 0330 026 6273 where our expert team of advisors will beable to offer you any help and advice
For full guarantee terms and conditions visit www.bristan.com/guarantees.
BRISTAN TS4753ECP Thermostatic Mixing Valve 























