SPEAKMAN SE-TW-EW Thermostatic Mixing Valve

DESCRIPTION
Wall mounted Tepid Water System for use with emergency non-aerated eye/face wash. Eye/face wash is supplied with 1/2” NPTF stay-open full flow ball valve, activated by push handle.
SPECIFICATIONS
THERMOSTATIC MIXING VALVE: See Installation & Maintenance Manual provided with STW-370.
INSTALLATION
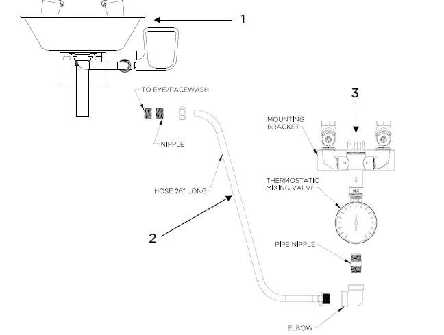
Review drawing to assure proper installation. The unit should be mounted to a structural member that will ensure structural rigidity. Connect a potable water supply to the unit (use pipe sealant on all joints) that is a 1/2” minimum uninterrupted source of potable water. Failure to use potable water can result in emergency units producing impure or contaminated water causing possible further injury.
Remove nipple from hose. Securely attach nipple to the ball valve. Secure the Thermostatic Mixing Valve. Attach the male end of the hose to the Mixing Valve. Attach the female end of the hose to the nipple. Tighten properly.
OPERATION
The eye/face wash is activated by pushing the push handle back 90°. The unit will operate until the push handle is manually pulled back up to the off position.
TESTING PROGRAM
The American National Standards Institute (ANSI) states that all safety emergency equipment shall be activated on a weekly basis to flush the line and verify proper operation. Speakman Company furnishes a testing record tag (91-0635) with each unit. On this tag the date of inspection and the inspector’s initials should be noted.
MAINTENANCE
Should you need parts to repair this unit, please reference the parts listing below for correct part numbers. Reference additional technical sheet (supplied) for information on the SE-490, STW-370 Thermostatic Mixing Valve. Before any maintenance is done be sure to shut the water supply off.
ROUGH-IN
Note: See individual installation manuals for component items for rough-in dimensions.
REPLACEMENT/REPAIR PARTS
| ITEM | PART/GROUP # | DESCRIPTION |
| 1 | SE-490 | Eye/Facewash |
| 2 | G05-0819 | Nipple and Hose |
| 3 | STW-370 | Thermostatic Mixing Valve |
WARNING: Use only genuine Speakman parts when repairing or replacing components. To order parts call 1-800-537-2107.
Note: All units meet existing ANSI Z358.1 Standards and OSHA Rules. Product improvements may cause specification and dimensional changes without notice.
FLOW DATA EYE
FACE WASH
| FLOW PRESSURE PSI (BAR) | 0.30 (2.07) |
| FLOW RATE GPM (LPM) | 9.55 (16.6) |
Note: This unit should be connected to an uninterrupted source of potable water, with a minimum flowing pressure of 30 PSI and a maximum static pressure of 125 PSI.
51 LaCrue Avenue, Glen Mills, PA
Phone: 800-537-2107
Fax: 800-977-2747
10/25/2021
www.speakman.com
92-SE-TW-EW-02




















