DKS 1503 Basic Stand Alone Digital Keypad Entry Devices

IMPORTANT NOTICES
- Prior to starting the installation, become familiar with the instructions, illustrations and wiring diagrams in this manual.
- Never mount this device to a moving gate or gate panel, or next to a gate that causes vibration to the fence, such as a spring-loaded pedestrian gate. Continuous vibration from moving or slamming gates can cause damage to the unit in time.
- WARNING! When used to control a vehicular gate with an automatic gate operator, this entry system must be mounted a minimum of ten (10) feet away from the gate and gate operator, or in such a way that a person cannot operate the entry system and/or touch the gate or gate operator at the same time.
- Always disconnect power when performing service on the system.
- If the unit is mounted outdoors, be sure that the wiring to the unit is designed for direct under-ground burial, even if the wire is run inside a conduit.
- Surge suppression is recommended on the low voltage input power line.
- Instruct the end user on the safe and proper operation of this device.
- Instruct the end user to read and follow these instructions. Instruct the end user to never let children play with or operate any access control device. This Owner’s Manual is the property of the end user and must be left with them when installation is complete.
INSTALLATION
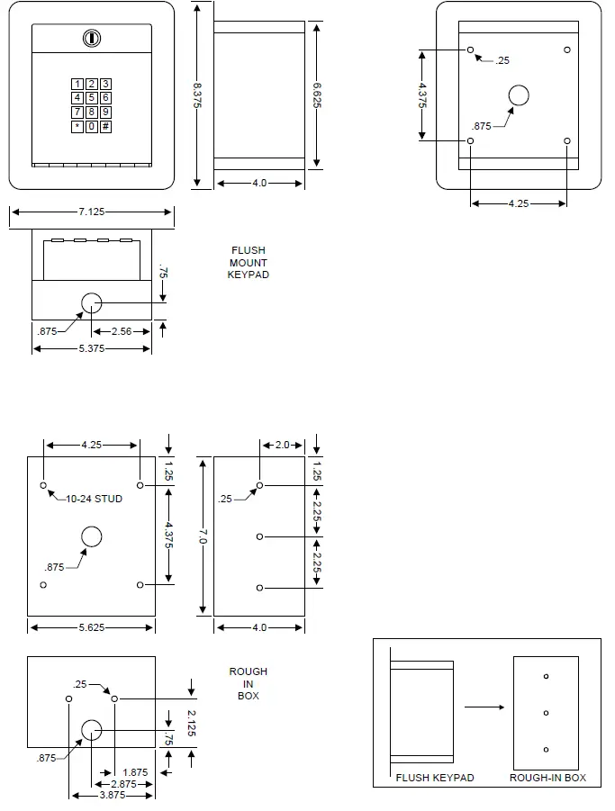
Mounting
Surface mount units can be mounted directly to a wall or pilaster, or they can be mounted using a gooseneck mounting post (p/n 1200-045 or 1200-046).


Flush mount keypad consist of two parts, the keypad and the rough-in box. Mount the rough-in box and wiring first, and then install the keypad into the rough-in box.

Wiring
The wiring of this device is an extremely important and integral part of the access control system. It is very important that proper wire is used for power and control lines, and that the system is properly grounded.
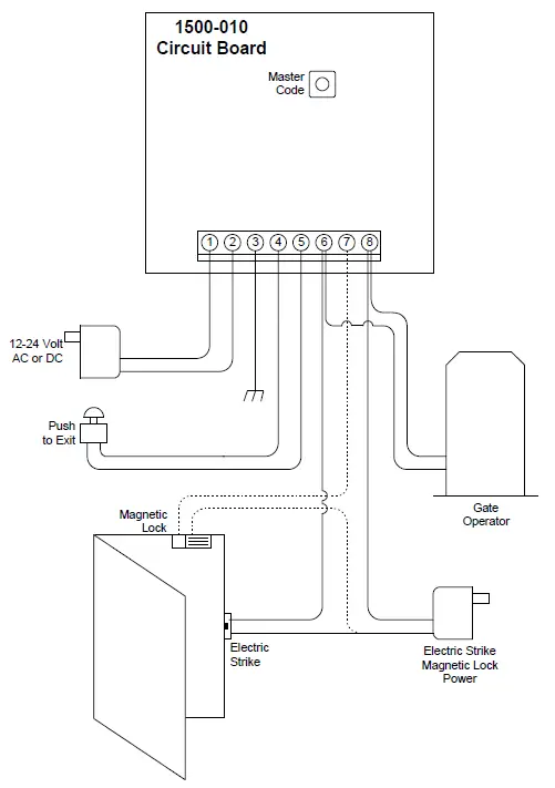
- The digital keypad can operate on 12-24 volt AC or DC power. If using DC power, POLARITY MUST BE OBSERVED! Connect the NEGATIVE DC input power to terminal 1. Connect the POSITIVE DC input power to terminal 2.
- Do not run power wiring greater than 500 feet.
- Do not power electric strikes or magnetic locks from the power supply. Strikes, locks and other devices must be powered from their own power source.
- It is preferable to keep power wiring as short as possible. A low voltage surge suppresser (P/N 1878-010) is recommended.
- Be sure to properly ground the digital keypad. Attach a separate 12 AWG wire to terminal 3 (earth ground). Attach the other end of this wire to a good earth ground. This can be a properly grounded metal conduit, a cold water pipe, or a grounding rod driven at least 10 feet into the soil. A gooseneck post anchored or mounted on concrete does not make a good ground.
- Avoid any splices in wiring. If a splice is made, it must be soldered and sealed in a watertight junction box.
- Relay contacts are rated for 30 Volt, 1 Amp.
- A switch closure across terminals 4 and 5 will activate the relay for the programmed strike time.
- Use U.L. listed wire with an insulation rating of 600 volts.
| POWER WIRING | |
| Wire Size | Maximum Distance |
| 22 AWG | 100 Ft. |
| 20 AWG | 200 Ft. |
| 18 AWG | 250 Ft. |
| 16 AWG | 500 Ft. |
Wiring Diagram

Circuit Board Terminal Identification
- Input Power: 12-24 Volt AC or 12-24 Volt DC NEGATIVE
- Input Power: 12-24 Volt AC or 12-24 Volt DC POSITIVE
- Earth Ground
- Request to Exit
- Request to Exit
- Relay Contact Normally Open (N.O.)
- Relay Contact Normally Closed (N.C.)
- Relay Contact Common
NOTES:
- A switch closure across terminals 4 and 5 will activate the relay for its programmed strike time.
- Relay contacts are rated for 30 Volt, 1 amp maximum power.
- Electric strikes and magnetic locks must be powered from their own power supply as shown on the wiring diagram (page 11). Do not power the keypad and the locking device from the same source.
- Current Draw with 12 Volt DC Input: 20mA at rest; 105mA with relay activated.
- Current Draw with 24 Volt DC Input: 45mA at rest; 130mA with relay activated.
- Current Draw with 16 Volt AC Input: 86mA at rest; 225mA with relay activated.
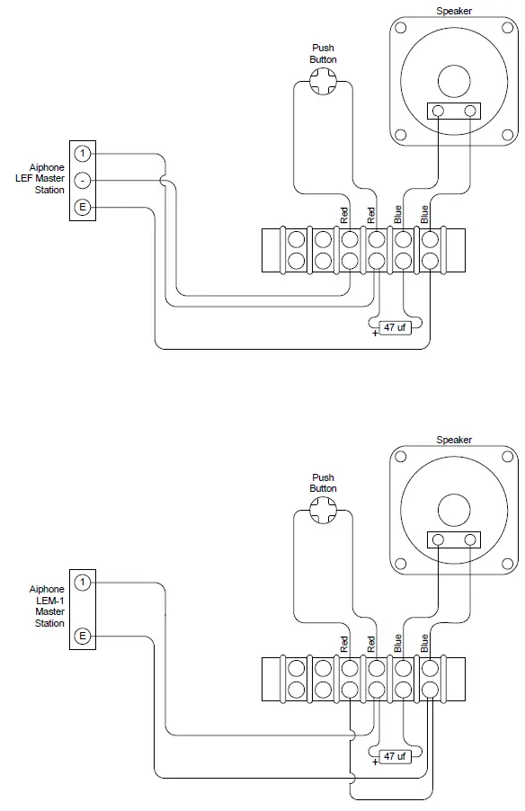
Aiphone Intercom Station Connections
These wire diagrams are provided for convenience only. For detailed wiring information on Aiphone products, visit their website at www.aiphone.com.

PROGRAMMING
Keep a record of the programmed codes by completing the table on page 17.
Master Code
The Master Code is a four-digit number that is used to access all programming functions of the digital keypad. The default factory master code is set to 9999. We suggest that you program a new master code once the system is installed. After programming the master code, write it down and keep it in a safe place. If you forget your master code, you will need to program a new one before you can access any of the programming functions of the digital keypad.
- Open the cabinet and locate the Master Code button on the circuit board.
- Press the Master Code push button once.
- Enter a four-digit code _ _ _ _ on the keypad and then press * (short beep).
- Close the cabinet.
Relay Strike Time
The relay strike time sets the amount of time that the relay in the digital keypad remains activated after a valid code is entered on the keypad. Setting the strike time to 00 will activate the relay for ½ second. The factory setting is 1 second.
- Press *3 and enter the four-digit master code (short beep).
- Enter the relay time in seconds _ _ (00 – 99) then press * (short beep).
- Press 0# together to end the programming step (long beep).
Programming Four-digit Entry Codes
- Press *2 and enter the four-digit master code (short beep).
- Press 1* (beep) to enter the first four-digit entry code.
- Enter the four-digit code _ _ _ _ then press * (beep). (If a second code is not desired, skip steps 4 and 5).
- Press 2* (beep) to enter the second four-digit entry code.
- Enter the four-digit code _ _ _ _ then press * (beep).
- Press 0# together to end the programming step (long beep).
Erasing Four-digit Entry Codes
- Press *2 and enter the four-digit master code (short beep).
- Press 1* (beep) to erase the first four-digit entry code.
- Enter # # # # then press * (beep). (If a second code is not going to be erased, skip steps 4 and 5).
- Press 2* (beep) to erase the second four-digit entry code.
- Enter # # # # then press * (beep).
- Press 0# together to end the programming step (long beep).
Programming Five-digit Entry Codes
- Press *9 and enter the four-digit master code (short beep).
- Press 1* (beep) to enter the first five-digit entry code.
- Enter the five-digit code _ _ _ _ _ then press * (beep). (If a second code is not desired, skip steps 4 and 5).
- Press 2* (beep) to enter the second five-digit entry code.
- Enter the five-digit code _ _ _ _ _ then press * (beep).
- Press 0# together to end the programming step (long beep).
Erasing Five-digit Entry Codes
- Press *9 and enter the four-digit master code (short beep).
- Press 1* (beep) to erase the first five-digit entry code.
- Enter # # # # # then press * (beep). (If a second code is not going to be erased, skip steps 4 and 5).
- Press 2* (beep) to erase the second five-digit entry code.
- Enter # # # # # then press * (beep).
- Press 0# together to end the programming step (long beep).
Programming Four-digit Hold Codes
- Press *7 and enter the four-digit master code (short beep).
- Press 1* (beep) to enter the first four-digit hold code.
- Enter the four-digit code _ _ _ _ then press * (beep). (If a second code is not desired, skip steps 4 and 5).
- Press 2* (beep) to enter the second four-digit hold code.
- Enter the four-digit code _ _ _ _ then press * (beep).
- Press 0# together to end the programming step (long beep).
Erasing Four-digit Hold Codes
- Press *7 and enter the four-digit master code (short beep).
- Press 1* (beep) to erase the first four-digit hold code.
- Enter # # # # then press * (beep). (If a second code is not going to be erased, skip steps 4 and 5).
- Press 2* (beep) to erase the second four-digit hold code.
- Enter # # # # then press * (beep).
- Press 0# together to end the programming step (long beep).
OPERATING INSTRUCTIONS
When operating the 1503 digital keypad entry device, each time a keypad button is pressed, a .2 second tone confirms the key press. This tone is not emitted during programming. When using the four-digit entry codes or four-digit hold codes, the # key must be pressed first. When using the five-digit entry codes, simply enter the five-digit code on the keypad.
Four-digit Entry Codes
To use a four-digit entry code, press the # key, and then enter the four-digit entry code. If a valid code has been entered, the relay will activate for its programmed strike time and a tone will sound during the relay activation period. If the relay is already activated by a HOLD code, entering a valid four-digit entry code will cause the relay to deactivate.
Four-digit Hold Code
To use a four-digit hold code, press the # key, and then enter the four-digit hold code. If a valid code has been entered, the relay will activate and a tone will sound for the relay strike time setting. After the relay strike time runs out, the tone will stop but the relay will remain activated. To release a relay that is being held, enter the four-digit hold code, or a valid four or five-digit entry code, or activate the key switch input. A tone will sound for the programmed strike time, then the relay will release.
Five-digit Entry Codes
To use a five-digit entry code, enter the five-digit code on the keypad. If a valid code has been entered, the relay will activate for its programmed strike time and a tone will sound during the relay activation period. If the relay is already activated by a HOLD code, entering a valid five-digit entry code will cause the relay to deactivate.
Request to Exit Input
A switch closure across terminals 4 and 5 will cause the relay to activate for the programmed strike time and emit a tone during the activation period. If the relay is already activated by a HOLD code, a switch closure across terminals 4 and 5 will cause the relay to deactivate.
| DIGITS ENTERED | |||||
| 1 | 2 | 3 | 4 | 5 | |
| Master Code | |||||
| 4-Digit Code 1 | |||||
| 4-Digit Code 2 | |||||
| 4-Digit Hold Code 1 | |||||
| 4-Digit Hold Code 2 | |||||
| 5-Digit Code 1 | |||||
| 5-Digit Code 2 | |||||
DoorKing, Inc.
120 Glasgow Avenue Inglewood, California 90301 U.S.A.
Phone: 310-645-0023
Fax: 310-641-1586
www.doorking.com


















