Spectrum -DG500 -Digital -Keypad- and -Proximity -Reader
Digital Keypad & Proximity Reader
KEY FEATURES
- Built in Proximity Reader
- Built in Keypad for Code entry
- 500 user codes
- Illuminated Keys
- Auxiliary Input & Auxiliary Output
- Individually programmable Output
- 12vDC operation
- 2 Open door Modes (code only – card only)
- 1 Secure door mode (card & pin)
- Internal & external use
- Metal case construction
Technical Specification
- Operating Voltage: 12vDC
- Current: 130mA
- Built –in Proximity reader
- Compatible Cards All 26-Bit EM Cards.
Size - 120 Long x 76 Wide x 27 High Dim in mm

DG500 KEYPAD PROGRAMMING INSTRUCTIONS





OTHER INSTRUCTIONS YOU MAY NEED
LOCK STRIKE & AUXILIART RELAY CODE ASSIGNMENT

PROGRAMMING CARD & PIN FACILITY
PLEASE NOTE CARD AND PIN WILL ONLY WORK IN SECURE MODE
TO SWITCH KEYPAD FROM NORMAL MODE TO SECURE MODE
Programme DG500 latching mode. To use latching mode you must use Auxiliary relay2 Stage1 # for 2 seconds till red light comes on 1234 7 Create user code 3 figures (001 to 500) Create pin for user 4 digit (not 1234)# till red light goes off Stage 2 # for 2 seconds till red light comes on1234 9 Enter user code 3 figure number in stage 1 2 # till red light goes off Stage 3 # till red light comes on 1234 6 2000 # till red light goes off When 4 figure number is put into key pad relay 2 opens Relay is closed by putting on 4 figure number in again.
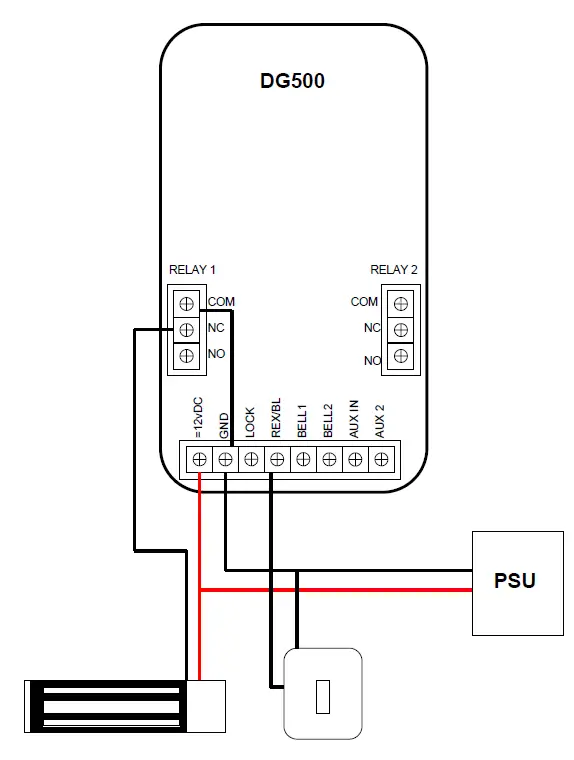
Latching Wiring
MAGNET WIRING
WIRING FAIL SECURE


































