
User Manual
uTrust TS Contact Keypad Reader 8216
Version 1.1
Confidential
| Author | Sixtus Stanly |
| Version | 1.1 |
| Date | 11-Aug-2020 |
| Document no | 821601_UM |
Document History
| Version | Date | Description of Change | Author |
| 1.0 | 14-Feb-2019 | Initial version | Sixtus Stanly |
| 1.1 | 11-Aug-2020 | Added ISED French notes | Sixtus Stanly |
Introduction
This document details the Physical Access Control Reader uTrust TS Contact Keypad Reader and its basic user instruction and installation procedures. The 8216 reader extends the features supported by the 8210 readers, by adding interfaces for accessing a Contact Smart Card and a SAM interface. The contact interface enables users to securely access their contact smart cards with or without the use of a Keypad pin. The addition of a SAM interface enables end-users to load a SAM module for enhanced/ secure card read operations and support for third-party proprietary protocols. The reader supports Wiegand and RS485 (OSDP protocol) interfaces for communications to the control panel.
Reader
2.1 Functionality
8216 is a physical access control smart card reader (accessory equipment) that can read the following credentials
Contactless HF (13.56MHz) conforming with ISO 14443 A & B, ISO15693
Contactless LF (125KHz) credentials of type FSK, ASK, PSK
Contact Smartcards conforming to ISO-7816 in the ID-1 formfactor
Keypad interface – can be used stand-alone or, for highly secure applications, it adds a second level of authentication with a user PIN.
User-feedback interfaces on the reader include RGB leds and Buzzer.
The reader can be interfaced with an access control panel equipped with a Wiegand or an RS485 half-duplex interface
2.2 Front/Top Casing
2.3 Rear View w/o backplate
uTrust TS Contact Keypad Reader
![]() | ![]() |
Product details
| Model Name | 8216 |
| Device Type | RFID reader, 13.56MHz (HF) / 125 KHz (LF), keypad with Contact smartcard Slot for ID-1 sized cards and SAM slot. Physical Access control Reader (accessory equipment) |
| Type of equipment | Potted Reader, Suitable for Indoor use |
| Interface Type | Phoenix connectors and Pigtail cable |
| Current Rating @12V | : 12V DC |
| Current Rating @12V | : Peak Current – 150 mA, Average Current – 110 mA |
| Communication protocol | : Wiegand, RS485 (2wire – Half Duplex) |
Specifications
| Model | Operating Voltage | Current | Operating temp | Operating humidity |
| 8216 uTrust TS Contact KEYPAD reader | 12 VDC | Av – 110mA Pk-150mA | 0 to +49 deg C | 85 +/-5 % RH |
Product Label
Product Certification ID’s
6.1 FCC Certification ID – MBPTSKPSC-00
6.2 IC Certification ID – 7485A-TSKPSCR0
Installation details
Wiring methods shall be in accordance with the National Electrical Code (ANSI/NFPA70), local codes, and the authorities having jurisdiction.
7.1 Parts List
- TS Contact Keypad reader -1
- Screws (A #6-18X1.5″ SS) – 4Nos Back Plate mounting screws for Wall
- Snake Eye Screw (SMF #6-32X5/16″ SS) 1 No- Top casing mounting security screw
- Screws (SMF #6-32×3/8″ SS) – 3 No’s – 1 casing to back plate mounting screw and 2 Junction
- Box mounting screws
- Nylon anchor plug -4 Nos
- 6 pin phoenix plug (Phoenix connector version only) 2 Nos
- Back Plate
7.2 Recommended Infrastructure
- All cabling and wiring shall be UL Listed and/or UL Recognized
- Cable Wiegand
– 22AWG Shielded cable or better. (Cable P No: ALPHA WIRE, P/N 1299/10C) - Cable RS485
– 24AWG STP or better shall comply with UL2556 VW-1 - Power Supply
– Class 2 Linear DC PSU – 12 V, 1A min. (for uL compliant installations)
ES1 / PS2 Linear DC PSU – 12 V, 1A min. (for IEC 62368 compliant installations)
7.3 Connector Information
7.3.1 Pinout diagram

| Pin Number | Pin Function | Wire Color |
| P1.1 | LED Green | Orange |
| P1.2 | Wiegand Data 1 | White |
| P1.3 | Wiegand Data 0 | Green |
| P1.4 | Shield Ground/ Drain | Black |
| P1.5 | Ground | Black & White |
| P1.6 | + 12 VDC (nominal) | Red |
| P2.1 | Hold | Blue |
| P2.2 | Tamper Output | Violet |
| P2.3 | RS485 – | Grey |
| P2.4 | RS485 + | Pink |
| P2.5 | Buzzer | Yellow |
| P2.6 | LED Red | Brown |
– Shield Ground/ Drain Black wire should be connected to the cable shield.
Caution:
During Wiring make sure that the +VDC lines do not make contact with any other cables, as it might affect reader functionality/ cause damage to the reader.
7.4 Mounting the Reader
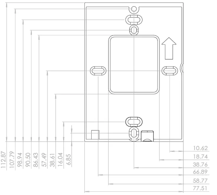
7.4.1 Reference for the location of mounting holes on the wall
Phoenix connector Reader 4 Holes and 1 Slot
7.4.2 Reader Installation Steps
a. Make the required holes on the wall as per the backplate drawing above.
b. The reader is to be mounted at a height less than 2 meters from the floor for MS1 compliance as per IEC 62368-1
c. Insert the nylon screw plugs into the wall.
d. Connect the wires as per Table 2 or Table 3.
e. Secure the backplate onto the wall using the Screws (A #6-18X1.5″ SS )
f. Hook the reader onto the backplate g. Secure the reader and backplate by the Snake Eye Screw (SMF #6-32X5/16″ SS)

Power up and Testing
- Turn the power on The LED blinks 3 times green with a long beep, then turns red
- Present a card Contactless card
– The LED blinks green and a short Beep has heard Contact card
– The LED blinks Green and a short Beep is heard - Press Key
Buzzer tone & backlight LED blinks
Certifications
9.1 FCC
This device complies with Part 15 of the FCC Rules. Operation is subject to the following two conditions: (1) This device may not cause harmful interference, and (2) This device must accept any interference received, including interference that may cause undesired operation
This equipment has been tested and found to comply with the limits for a Class B digital device, pursuant to part 15 of the FCC Rules. These limits are designed to provide reasonable protection against harmful interference in a residential installation. This equipment generates uses and can radiate radio frequency energy and, if not installed and used in accordance with the instructions, may cause harmful interference to radio communications. However, there is no guarantee that interference will not occur in a particular installation. If this equipment does cause harmful interference to radio or television reception, which can be determined by turning the equipment off and on, the user is encouraged to try to correct the interference by one or more of the following measures:
–Reorient or relocate the receiving antenna.
–Increase the separation between the equipment and receiver.
–Connect the equipment into an outlet on a circuit different from that to which the receiver is connected.
–Consult the dealer or an experienced radio/TV technician for help.
Information to user
Changes or modifications not expressly approved by Identiv could void the user’s authority to operate the equipment.
9.2 ISED
This device complies with Innovation, Science, and Economic Development Canada’s license-exempt RSS standard(s).
Operation is subject to the following two conditions.
- This device may not cause interference
- This device must accept any interference, including interference that may cause undesired operation of the device
9.3 CE
Identiv hereby declares that the uTrust TS Contact Keypad Reader Model 8216 is in compliance with the essential requirements and other relevant provisions of Directive 1999/5/EC.





















