GIANNI DG Series Access Control Proximity Readers User Manual
DG-800

- Applicable card mode:EM Card / Key Fob1 Administrator and 200 Users 200 Proximity Cards / Key fobs
- Access Modes:Use Bluetooth smartphone,
- Card / Key fob or enter passcode to access
- Built-in Tamper alarm and Buzzer (85dB)
- User Management:Add / Delete / View userdata, Grant user access for specific dates or time periods, Change user passcode
- Audit Trail logs for last 1000 events
- Alarm output to notify that Tamper alarm has been triggered
- Overhead LEDs and Backlit keys for easy use in the dark
- Wrong code lockout:If an incorrect passcode is entered 3 times in a row, the keypad will lock down for 60 seconds
DG-170

Specificaঞons
- Operating Voltage:12VDC / 24 VDC
- Bluetooth Module:BLE 4.2 Bluetooth Low Energy
- Current Draw:
- Standby current
- 56mA@12VDC ; 28mA@24VDC
- Working current (Relay active):
- 85mA@12VDC ; 43mA@24VDC
- Read Range:3.5cm
- Frequency:EM 125KHz
- Bluetooth Operating Distance:
- Up to 50 meters (164 ft) without blocking by metal or concrete wall/door frames
- Smartphone Compatibility:Android 5.0 and up, iOS 9.0 and up
- Working Temperature:-20 °C ~ +50 °C (-4 °F ~122 °F)
- Dimension:
- DG-800+:123 (L) x 79 (W) x 23 (D) mm
- DG-170+:152 (L) x 45 (W) x 23 (D) mm
- Finish:Zinc Alloy
DG Series Pre-Installaঞon
DG-800+ & DG-170+ Parts List
- Flat head phillips screws, Cone point

- Tri-point screw 3x8mm x1

- Tri-point screwdriver (special tool)

- Anchor bolts x4

- Crimp connectors x12

- Proximity EM cards x2

- Proximity key fob x1

| LED | Status |
| Blue | Power on, Standby mode |
| Green | Unlocked, Door always unlocked |
| Red | Invalid access, Door always locked |
| Audible Beeps | Status |
| 1 Short beep | Key press |
| 1 Long beep | Valid access, Reset is completed |
| 2 Short beeps | Login completed |
| 3 Short beeps | Invalid access, Forget to press # after entering passcode within 30 seconds |
| Constant beeping | Bluetooth device vandalized, Door sensor is on |
DG Series Wiring Diagram
(DG-800+ & DG-170+ have same wiring and pin seমng)
Reset Procedures
- Power off Access Control Reader.
- Move the Pin Jumper to P2 and P3, then power on.
- Hear a long beep to complete resetting procedures.
- Move the Pin Jumper back to P1 and P2 to Normal setting.
- Login as Admin and check all users, audit trail events are all cleared and everything is reset to factory default setting, except device name.
Install Crimp Connectors
Crimp connectors included:

Use a pair of crimping pliers designed to crimp insulated connectors. Place the crimp connector into the compression slot. Be sure the crimping jaws are positioned over the stripped portion of the wire. Squeeze the handles together with enough force to crush the end of the butt splice.
DG Series Keypads Installaঞon
DG-800 Installaঞon


- Open DG-800+ Keypad by loosening and removing the back case torx screw at the bottom with the torx wrench.
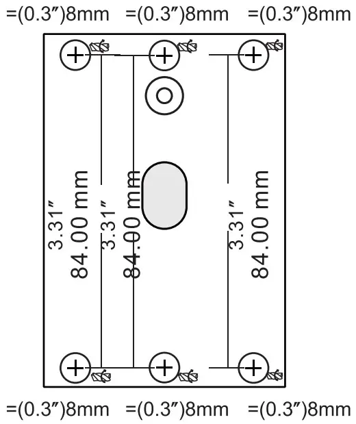
- Use the provided drilling template to accurately locate and drill the required holes.
- Use the screws provided to mount the back case on the wall. Be sure to draw the wiring through the large centre hole in back case, and keep level.
- Connect accurately the system wiring following the label enclosed on the rear.
- Put the unit back and screw it on by using the torx wrench.
DG-170 Installaঞon


- Open DG-170+ Keypad by loosening and removing the back case torx screw at the bottom with the torx wrench.
- Use the provided drilling template to accurately locate and drill the required holes.
- Use the screws provided to mount the back case on the wall. Be sure to draw the wiring through the large centre hole in backcase, and keep level.
- Connect accurately the system wiring following the label enclosed on the rear.
- Put the unit back and screw it on by using the torx wrench.
Software App Operaঞons
Download Easiprox App (for model Easiprox+ Series and DG Series
Easiprox

App Main Page Introducঞon
Login
- Administrator: Enter Admin ID and Passcode to login.
- Admin ID:ADMIN
- Default Admin Passcode:12345 (Passcode:4~8 digits)
- User: Enter User ID and User Passcode to login.
User ID and User Passcode are given by the Administrator.
[Note]
- Administrator ID “ADMIN” can not be changed. Please change Admin’s default passcode “12345” right after you login as the Admin. Go to setting page, press Admin Passcode to Edit Admin Passcode
- Login Success / Login Failure indicaঞons will be shown as following: Login Success: You Have Successfully Logged In. You May Now Unlock A Door. Login Failure: Login Failed. Please Verify Your Login Information Or Contact Your Administrator.
Device name
Choose which device you want to unlock by pulling down the Device name listing.
Device distance
The distance between you and the Bluetooth Keypad/Reader.
Seমngs
Tap “Settings” to view or change setting functions.
LOCKED / UNLOCKED
LOCKED: Door lock status is Locked. (Default)
UNLOCKEDL: Press
button or the door icon to unlock the door.
Auto
Press “Auto” to enable Auto unlock function to access.
Make sure to disable “Auto” before pressing to enter Settings page.
Auto Proximity Range
Adjust Auto Proximity Range in Settings page. The range is between 0 to maximum 20 and it may have different results under different circumstances.
Administrator ” Seমngs” Page Introducঞon
Tap “Settings” to view or change setting functions in Users “Setttings” Page.
Users: (See Figure 1 below)
a. Add / Delete / Edit user information.
b. If there are many users, you can search User ID (Enter an User ID to search user). (See Figure 2 below)
c. ID (Up to 16 characters)
d. Passcode (4~8 digits)
e. Card / Fob number: Enter or Edit 10 numbers from a card or key fob
f. Phone Access: Enable / Disable phone access for a user. (See Figure 3 below)
h. Keypad Access: Enable / Disable keypad access for a user. (See Figure 3 below
g. Card / Fob Access: Enable / Disable Card and Key Fob access for a user. (See Figure 3 below)
i. Access Type: (4 options) (See Figure 4 next page)
(A) Permanent: Permanent access is given by default.
(B) Temporary: Set specific access time period for guests and visitors.
(C) Number of Times: To set number of access granted to user. (Please enter a number between 0 to 255)
(D) Scheduled: To assign repeatedly access on specific days and hours for a certain period of time. This setting is useful for house cleaners or constructors who need temporary access on regular basis. (See Figure 4 and 5 next page)
Audit Trail: (See Figure 6 and 7 next page)
a. Audit Trail is tracking last 1000 event logs including Tamper Alarm.
b. Enter an user ID to search events for an user.
c. Tap to export all events to excel file.
d. Tap to refresh all events.
Backup Data: (See Figure 8 next page)
Backup Data is to backup Users, Admin Passcode, Admin Card/Fob, Door Sensor, Lock Action, Tamper Alarm and Door Re-lock Time to Administrator’s phone and can be restored except Device Name, Tamper Sensor Level, Auto Proximity Range, About Us and Audit Trail logs.
Step 1:Press “Backup Data”, the App will show: Backup all data now?
Step 2:Press Confirm, the App will show: Backup Status Backup Complete!
Restore Backup (See Figure 8)
Restore the last backup data by Admin’s phone to a new Access Control Keypad / Reader.
Step 1:Press “Restore Backup”, the App will show: Restore all data now?
Step 2:Press Confirm, the App will show: Restore Status Restore Complete!
Administrator ” Seমngs” Page Introducঞon Conঞnued: (See the Figure)
- Device Name:Edit Device Name (Up to 16 characters)
- Admin Passcode:Edit Admin Passcode (4~8 digits)
- Admin Card/Fob:Edit Admin Card/Fob number (10 numbers on your card or key fob)
- Door Sensor :
Enable Door Sensor when you connect to a closed-circuit magnetic sensor or a monitored door lock that has door sensor (or lock sensor) outputs to monitor the open or closed state of a door. - Lock Acঞon:(3 options)
Choose Door Re-lock Time, Door Always Unlocked, and Door Always Locked.
- If the device is vandalized, the tamper alarm will beep immediately and won’t go off until it’s switched off by Administrator.
- Tamper Sensor Level:
Level 1 (High Sensitivity)
Level 2 (Mid Sensitivity)
Level 3 (Low Sensitivity) - Door Re-lock Time:
6 seconds by default. Edit the Door Re-lock Time interval between 1 to 1800 seconds. - Auto Proximity Range:
Adjust Auto Proximity Range here. The range is between 0 to maximum 20 and it may have different results under different circumstances. - Device Time:
Make sure the Device Time is precisely synced with your current time zone to have correct and precise access data and information. - About us:View Device Models, App version, Website and E-Mail information.
- Firmware version:See Firmware version of your Bluetooth Access Control Keypads/Readers.
User’s ” Seমngs” Page Introducঞon
Tap “Settings” to view or change setting functions in User’s “Settings” Page. (See Figure 9 below)
- Device Name:User can only view the Device Name. (See Figure 10 below)
- Auto Proximity Range:User can adjust Auto proximity range between 0 to maximum 20 to access.
- May have different results under different circumstances. (See Figure 11 below)
- About Us:View Device models, App version, Website information.

Copyright © All rights reserved. P-MU-DGPlus Published 2022.10.20





























