Gantner GAT SLR 73xx Reader for Access Control

The GAT SLR 7300, 7307, 7310, and 7317 readers are used to identify people via contactless RFID (Radio Frequency Identification) data carriers and connect to an access controller through structured building cabling. The access controller, which is installed in a secured area, evaluates and grants access authorizations.
The multi-technology readers read and write the most widely used RFID technologies (LEGIC and MIFARE) and can read the unique numbers of many other identification technologies and RFID standards (e.g., ISO 14443 A and B, ISO 15693, NFC, and HID iClass).


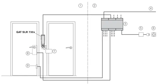
Typical Application

- Unsecured area
- Secured area
- Access controller
- Network
- Power supply
- Mains power supply
- RFID data carrier
- Electronic lock
- Door contact
Order Information
| Description | Part No. |
| GAT SLR 7300 13.56 MHz multi-technology RFID reader, slim line & wall mounted housing, RS-485 interface | 526324 |
| GAT SLR 7307 13.56 MHz multi-technology RFID reader, slim line & wall mounted housing, RS-485 interface, IP67 version with 2.9 m connection cable | 652728 |
| GAT SLR 7310 13.56 MHz multi-technology RFID reader, slim line & wall mounted housing, RS-485 interface, PIN-code keypad | 525424 |
| GAT SLR 7317 13.56 MHz multi-technology RFID reader, slim line & wall mounted housing, RS-485 interface, PIN-code keypad, IP67 version with 2.9 m connection cable | 652829 |
| GAT SLA-SLR Mounting Kit Installation hardware for wall mounting | 891182 |
Technical Data
| Nominal voltage: | DC 12 / 24 V LPS (Limited Power Source) SELV (Safety Extra Low Voltage) |
| Current consumption: | 200 mA |
| Reader type: | Multi-technology RFID reader |
| Reader frequency: | 13.56 MHz |
| Maximum sending power: | < 200 mW |
| Data carriers – Read/write: – Only unique number: | LEGIC prime / LEGIC advant / MIFARE HID iClass / ISO 14443B / ISO 15693 |
| Reading range: | 2 – 8 cm (depending on data carrier) |
| Signalling & control elements – Reader: – Bar display: – Acoustic signal: | Tricoloured, backlit RFID scan field 4 x tricoloured LED segments Beeper Numeric 10-key pad and 2 function keys |
| Interface to control unit: | RS-485 |
| Manipulation monitoring: | Digital (only with GAT DC 7200) |
| Housing: | Plastic |
| Dimensions: | 44 x 139.9 x 22.2 mm |
| Weight: | 0.5 kg |
| Permitted ambient temperature: | -20 to +50 °C |
| Permitted storage temperature: | -20 to +60 °C |
| Protection type – GAT SLR 7300 / 7310: – GAT SLR 7307 / 7317: | IP 64 IP 67 |
| Environment class based on VdS 2110: – GAT SLR 7300 / 7310: – GAT SLR 7307 / 7317: | III (conditions in outdoor areas, weatherproof installation) IV (conditions in outdoor areas, exposed to weathering) |
| Compliance: | CE, FCC, IC |
Dimensions

- LED status bar
- Illuminated scan field
- Mounting holes
Installation
Safety Instructions
– The installation and maintenance of this device must be performed by trained, qualified personnel.
– All applicable safety and accident prevention regulations must be observed.
– Safety devices must not be removed.
– Please observe the technical data of the device specified in this datasheet.
– The device must be disconnected from the power supply prior to installation, assembly, or disassemly.
The rear part of the GAT SLR 73xx is attached to a flat surface (e.g., concrete wall) using screws. Recommended mounting height: 1.3 m to middle of device.
Required measurements for installation

- LED status display
- Illuminated scan field
- Mounting holes
- Opening
- Device rear part
- Flush-mounted cable
- Connection terminals
- Connection terminal cover
- Sealing cap
Installation instructions
CAUTION! Electrical shock. The electrical connections must be made in a powerless state.
- Complete the electrical connections according to the instructions on page 5.
- Ensure that the outlet for the flush-mounted cable (6) is covered after mounting the GAT SLR 73xx.
- After completing the electrical connections, press the cover (8) securely onto the connection terminal to protect against dirt and moisture.
- Attach the device rear part to the wall using two screws (3). Use the correct type of screws and dowels according to the wall material and ensure that the GAT SLR 73xx is attached securely.
NOTE! Do not use countersunk screws. - If the GAT SLR 7307 or 7317 is installed outside, cut the sealing cap (9) off from the terminal cover and plug it into the opening (4) to protect against dirt and moisture.
Attaching the device front part
After installing the device and completing the electrical connections, attach the device front part to the rear part as shown in the diagram.

- Hook the top of the front part into the top of the rear part.
- Swing the bottom of the front part forward until it clicks into place in the rear part.
Removing the device front part
To detach the GAT SLR 73xx, e.g., for maintenance work, the device front part must be removed first.

- Use a flat tool such as a screwdriver to push the slot on the bottom of the housing in.
- Carefully swing the device front part forward.
Electrical Connections – Diagrams
CAUTION! Electrical shock. Always disconnect the power supply before altering electrical connections.
Connection of GAT SLR 7300 / GAT SLR 7310 to GAT DC 7200

- Supplied standard cable (Part No. 869834)
PIN Signal
Wire color 1 IDENT
white 2 –
brown 3 GND
green 4 A (RS-485)
yellow 5 B (RS-485)
grey 6 GND
pink 7 VOut+ (DC 12-24 V)
blue 8 VOut+ (DC 12-24 V)
red - Shielded, twisted pair data cable (CAT 5 standard wire colors as per TIA/EIA -568-B.1-2001 – T568B)
PIN
Signal Wire color
1
IDENT
white/orange
2
–
orange
3
GND
white/green
4
A (RS-485) blue 5 B (RS-485) white/blue
6
GND green 7 VOut+ (DC 12-24 V white/brown
8
VOut+ (DC 12-24 V brown
- RJ45 socket for RS-485
CAUTION! Electrical shock. Always disconnect the power supply before altering electrical connections.
Connection of GAT SR 7307 to GAT DC 7200
- Supplied, connected cable (Part No. 982839)
PIN
Signal Wire colour 1 VIn+ (DC 12-24 V) brown
2
GND white 3 A (RS 485) yellow
4
B (RS 485) green 5 IDENT grey
6
– purple 7 – black
8
– red 9 – pink
10
– blue
- Not used
- Not connected
Electrical Connections – Important Notes
Power supply
DC power (see technical data) supplied by the connected door controller or a separate LPS/SELV (Limited Power Source/Safety Extra Low Voltage) power supply.
NOTE! The GAT SLR 73xx to GAT Terminal 3000/3100 RS-485 connection must be done at the periphery interface (reader) and not at the host interface. The GAT SLR 73xx to GAT DC 7200 RS-485 connection must be done at the reader interface (reader) and not at the sub interface.
Recommended cabling
- Shielded and twisted data cable (recommended min. CAT 5).
- Power supply connected via 2 wire pairs.
- 200 m maximum cable length.
Connectable to the following control units
- GAT DC 7200
- GAT Terminal 3100 (Card.NET function and reader update only with latest version)
- GAT Terminal 3000 (Card.NET function and Reader Update is not supported)
Reader recognition
The GAT DC 7200 controller uses the “IDENT” line for the “Plug&Play PLUS” function and for recognizing what type of reader is connected. This is possible only when connected via structured cabling. A manipulation alarm is automatically generated by the GAT DC 7200 when the reader is disconnected.
NOTE! The IDENT line is not used when the reader is connected to a GAT Terminal 3000/3100.
Compliances
Only valid for the GAT SLR 7310 and GAT SLR 7317
FCC INFORMATION (U.S.A.)
This equipment has been tested and found to comply with the limits for a Class B digital device, pursuant to part 15 of the FCC Rules. These limits are designed to provide reasonable protection against harmful interference in a residential installation. This equipment generates, uses, and can radiate radio frequency energy and, if not installed and used in accordance with the instructions, may cause harmful interference to radio communications. However, there is no guarantee that interference will not occur in a particular installation. If this equipment does cause harmful interference to radio or television reception, which can be determined by turning the equipment off and on, the user is encouraged to try to correct the interference by one or more of the following measures:
– Reorient or relocate the receiving antenna.
– Increase the separation between the equipment and receiver.
– Connect the equipment into an outlet on a circuit different from that of which the receiver is connected.
– Consult the dealer or an experienced radio/TV technician for help.
FCC Warning Statement:
[Any] changes or modifications not expressly approved by the party responsible for compliance could void the user’s authority to operate the equipment.
FCC Radio Frequency Exposure:
WARNING: To comply with RF exposure limits the users must keep at least 20 cm separation distance from the device, except during the identification and operation process at the device (e.g. PIN-code input), which must be performed as described.
FCC ID: NC4-GEA2200049A
This device complies with Part 15 of the FCC Rules. Operation is subject to the following two conditions: (1) This device must not cause harmful interference, and (2) this device must accept any interference received, including interference that may cause undesired operation.
Only valid for the GAT SLR 7310 and GAT SLR 7317:
IC INFORMATION (Canada)
This device contains licence-exempt transmitter(s)/receiver(s) that comply with Innovation, Science and Economic Development Canada’s licence-exempt RSS(s). Operation is subject to the following two conditions: (1) This device may not cause interference; and (2) This device must accept any interference, including interference that may cause undesired operation of the device.
This product is in conformity with the following EC directives, including all applicable amendments: – 2014/53/EU (Radio Equipment Directive) The complete text of the CE Declaration of Conformity is available on the following internet link: http://www.gantner.com/en/products/downloads-gat-slr-73xx_uu8XQaj18p
WARNING!
This is a Class A device. This device can cause radio interference in the home. In this case, the operator may be required to take appropriate measures.
GANTNER is committed to meeting or exceeding the requirements of the RoHS directive (2011/65/EU). The RoHS directive requires that manufacturers eliminate or minimize the use of lead, mercury, hexavalent chromium, cadmium, polybrominated biphenyls and polybrominated diphenyl ethers in electrical and electronic equipment sold in the EU after July 1, 2006.
The WEEE symbol on GANTNER products and their packaging indicates that the corresponding material must not be disposed of with normal household waste. Instead, such marked waste equipment must be disposed of by a designated electronic waste recycling facility. Separating and recycling this waste equipment at the time of disposal will help to conserve natural resources and ensure that it is recycled in a manner that protects human health and the environment. For more information on recycling an item marked with the WEEE symbol, please contact your local city office or your household waste disposal operation.
GANTNER Electronic GmbH
[email protected]
www.gantner.com/locations




















