VisionNet 560597 IP65 Proximity Reader Stainless Steel Cover User Manual

1. Packing List

Please ensure that all the above contents are correct. If any are missing please notify the supplier of the unit.
2. Quick Reference Programming Guide

3. Description
The unit is single door multifunction standalone access controller or a Wiegand output keypad or card reader. It is suitable for mounting indoor. This unit supports up to 2000 users in either a Card, 4 digit PIN, or a Card + PIN option. The inbuilt card reader supports 125KHZ EM cards. The unit has many extra features including lock output current short circuit protection, Wiegand output , and a backlit keypad. These features make the unit an ideal choice for door access not only for small shops and domestic households but also for commercial and industrial applications such as factories, warehouses, laboratories, banks and prisons.
4. Features
- Waterproof IP68
- Full programming from the keypad
- 2000 uses, supports Card, PIN, Card + PIN
- Can be used as a standalone keypad
- Backlight keys
- Wiegand 26 input for connection to external reader
- Wiegand 26 output for connection to a controller
- Adjustable Door Output time, Alarm time, Door Open time
- Very low power consumption (30mA)
- Fast operating speed, <20ms with 2000 users
- Lock output current short circuit protection
- Easy to install and program
- Built in light dependent resistor (LDR) for anti tamper
- Built in buzzer
- Red, Yellow and Green LEDS display the working status
5. Specifications

6. Installation
- Remove the back cover from the keypad using the normal screw driver
- Drill 2 holes on the wall for the Self tapping screws and 1 hole for the cable
- Put the supplied rubber bungs to into the two holes
- Fix the back cover firmly on the wall with 2 Self tapping screws
- Thread the cable through the cable hole
- Attach the keypad to the back cover.

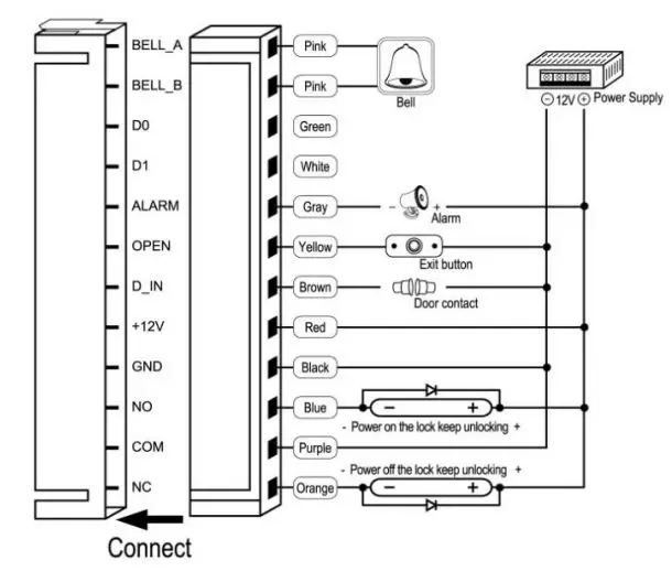
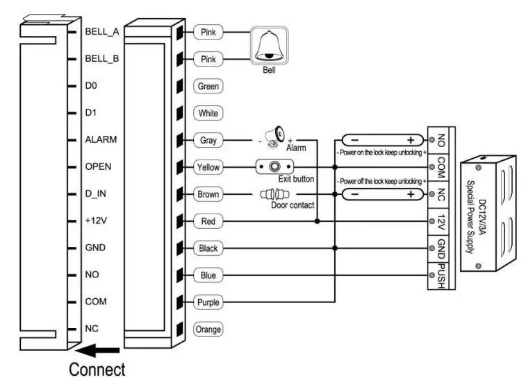
7. Wiring

common power supply diagram:

special power supply diagram:

8. To Reset to Factory Default
a. Disconnect power from the unit
b. Press and hold # key whilst powering the unit back up
c. On hearing two “Di” release # key, system is now back factory settings
Please note only installer data is restored, user data will not be affected
9. Anti Tamper Alarm
The unit uses a LDR (light dependent resistor) as an anti tamper alarm. If the keypad is removed from the cover then the tamper alarm will operate.
10. Sound and Light indication

11. Detailed Programming Guide





11.2 Door Settings


12.The unit operating as a Wiegand Output Reader
This unit supports a Wiegand 26 bit output, so the Wiegand data lines can be connected to any controller which supports a Wiegand 26 bit input.
Fax: 03-5214524
[email protected]

Phone: 03-55275110
www.telran.co.il


















