LOCKWOOD 3570 Series Electric Mortice Lock Instruction Manual

P/No. 3570-5721 30621 0506
HAND OF DOOR ACCORDING TO ENGLISH PRACTICE

HAND OF LOCK
BOLT
- Determine hand of lock required from above hand of door chart.
- Rotate bolt head to suit latching direction.
LOCK STATUS
- Ensure Snib Cam is exposed. FAIL SAFE locks ( Snib Cam is exposed ).
- For FAIL SECURE locks invert the lock so the Snib Cam screw is exposed.

SETTING LOCK HANDING
SNIB CAM
- Rotation of the Snib Cam hands the lock. Use a small flat screwdriver to rotate cam if required.
Combination Locks
(Both handles can be rotated) DOT to be in the UP position when case is upright.

- All Lockwood 3570 Series Electric Mortice Locks are mounted in accordance with these instructions. Locks may or may not have cylinders, lever handles, turn knob or emergency button. Disregard instructions referring to the features not required.
- Important : Before drilling door, ensure correct hand is being installed.
- NOTE: CASE DOES NOT need to be opened, to change HAND or FUNCTION of LOCK.
Vestibule Locks
With single action Escape feature.
: DOT to be UP on Lockable side and DOWN on the Escape side when case is upright.


SELECTING FAIL SAFE / FAIL SECURE
- The lock is factory set to FAIL SAFE.
- To set to FAIL SECURE remove screw from ‘FAIL SAFE’ position and manually screw into ‘FAIL SECURE’ position.

MONITOR SELECTION

HUB MONITOR SELECTION
- Select normally open, normally closed, Lock Side A or Lock Side B monitoring configuration.

DOOR PREPARATION

- Establish height that lockset will be mounted on door and mark centreline of door thickness on door edge.
- Place Mortice Template on door and align centreline on template with centreline on door. Secure with sticky tape.
- Mark and drill mortice to suit mortice lock depth (90mm).
- Ease out mortice cavity where necessary. Clean out mortice before inserting lock.
- Allow space for extra cable length behind lock for ease of maintenance.

- Insert lock in mortice with Cover Plate on and scribe around Cover Plate for size of recess, ensuring that no foreign matter finds it way into the lock mechanism.
- Remove lock from mortice and chisel recess 4mm deep to receive both front and cover plate. Cover plate must be flush with edge of door.
- Ensure lock is removed from mortice cavity. Fold template along backset fold line. Align EDGE A with bottom of cover plate recess. Establish holes required to suit lock function, mark hole centres accurately, drill and clean holes.
- Drill furniture holes as required.
- Fasten mortice lock into door using mounting screws provided.
FURNITURE WITH L.E.D.
- Before assembling furniture to door, connect LED cable to 3 pin socket located at TOP of lock body.

LOCKS WITH CYLINDERS
- Using a small flat screwdriver, lever out Cylinder Hole Plug where fitted.
- Connect power plug from lock to power supply socket and place lock in mortice and insert cylinder.
- Secure cylinder with retainer pin, ensuring pin is flush with front plate.
- Secure lock to door with 2 woodscrews supplied.
- Install cover plate and secure with 2 M4 screws to lock body.

LOCKS WITHOUT CYLINDERS
- Connect power plug from lock to power supply socket and place lock in mortice.
- Secure lock to door with 2 woodscrews supplied.
- Install cover plate and secure with 2 M4 screws to lock body.
LOCKS WITH SPINDLES
- All locks are supplied with spindles.
- Insert spindle(s) into lock, as required.
- Assemble furniture as required.
- Ensure furniture is not over-tightened.

MOUNTING STRIKE AND MAGNET
- Mark out door frame for strike.
- Mortice door frame for strike box and strike.
- Bolt recess to be 15mm deep in door frame.
- Screw strike and strike box to door frame with 2 screws supplied.
- Drill 19mm DIA hole x 40 Deep, 62mm above strike centreline.
- Insert magnet in hole.

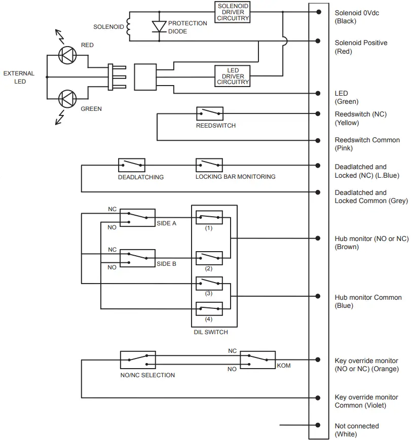
ELECTRICAL SPECIFICATIONS
Note : Diagram depicts RH opened door, with handle & key in rest state.
- Solenoid Activation
Operating Voltage:
12~30Vdc
Operating Current:
500mA Max, 80mA holding @ 12Vdc
275mA Max, 50mA holding @ 24Vdc - Led Current
Add 20mA to Total Operating Current if Led’s are fitted. - Monitoring Circuits
Microswitches: 500mA Max @ 30Vdc each circuit
Reedswitch: 100mA Max @ 30Vdc

| COLOUR | FUNCTION |
| Black | Solenoid 0Vdc |
| Red | Solenoid Positive (12~30Vdc) |
| Yellow | Door closed Reed Switch (NC) |
| Pink | Reed Switch Common |
| Light Blue | Deadlatched and Locked (NC) |
| Grey | Deadlatched and Locked Common |
| Brown | Hub monitor (NO or NC) |
| Blue | Hub monitor Common |
| Orange | Key override monitor (NO or NC) |
| Violet | Key override monitor Common |
| Green | LED (12~30Vdc) |
| White | Not connected |

ASSA ABLOY Australia Pty Limited, 50 Edward Street, Oakleigh VIC 3166, ABN 90 086 451 907 © 2006
An ASSA ABLOY Group brand
ASSA ABLOY


















