Induro 4-Point Mortice Lock
Instruction Manual
InduroTM 4-Point Mortice Lock
Palladium Furniture
Experience a safer and more open world
Application: Provides multipoint locking with secure deadlocking for aluminium hinged doors. Palladium (Xtra) Snib furniture available with daylatch snib.
Pack contents
Note: furniture, cylinders and multipoint locking rod components supplied seperately.
Screw selection:
| Screw | Stile width |
| M4 x 49mm | 38 – 43mm |
| M4 x 55mm | 43 – 49mm |
| M4 x 60mm | 46 – 55mm |
| M4 x 65mm | 55 – 58mm |
Door preparation
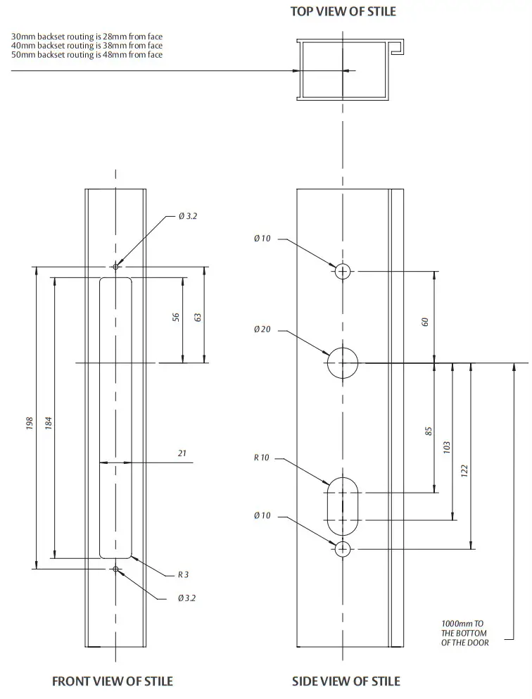
Route the door as shown in the routing diagram.
Fixing lock
- Place the lock assembly into the stile
- Fix the lock onto the stile using the two 8g x 7.5mm screws

Fixing furniture and cylinder
- Insert the drive bar (spindle) through the square drive hole in the lock
- Place the furniture onto the drive bar. For security, ensure the interior handle is on the inside of the house
- Place the cylinder through the cylinder hole
- Fix cylinder using the M5 cylinder fixing screw as supplied
- Fix together the furniture using the two M4 furniture fixing screws. See screw selection chart to determine correct screw length

Note: If fixing Palladium (Xtra) Snib Furniture with daylatch snib, refer to separate Palladium (Xtra) Snib Furniture instructions.
Assembly of shootbolt rod ends
Trim the lock rods to length allowing for:
- A throw of 20mm
- Length of ‘D’ tip Stainless steel rod tip
- Thread engagement into lock racks
a) Plastic rod ends
- Insert the steel pin into the plastic ‘D’ tip. The steel pin should be inserted from the open end rather than the smaller drainage hole
- Insert the combined part into the top of the shootbolt rod
- Crimp the shootbolt rod, by applying pressure on the shootbolt rod in line with the groove around the ‘D’ tip to ensure the two parts cannot be easily separated.
- Repeat steps 1-3 again for the bottom shootbolt rod
- Insert the rods from the top and bottom of the stile and screw into the lock
b) Stainless steel rod ends
- Assemble barb clips to rod ends
- Press or hammer rod end into rod. NO CRIMPING REQUIRED. The barb clip will prevent the rod end from coming out.
- Repeat steps 1-2 again for the bottom shootbolt rod
- Insert the rods from the top and bottom of the stile and screw into the lock
5. Latch reversal
- Undo the M4 latch screw
- Reverse the latch as desired
- Refasten the M4 latch screw to secure the latch
- Insert the latch wear pad
Note: 2mm Latch Packer is provided to allow for latch projection adjustment. An additional 2mm packer is available for purchase.
Lock operation
Deadlocking operation
- Pull the door shut. The door will self-latch.
- Lift the handle to throw the deadbolt & shoot bolt (either when the door is unlocked or locked).
- Turn the key towards the edge of the door to deadlock.
- The door is now secure from exterior and interior.
- To retract the shootbolts and deadbolt ensure door is unlocked. Push the handle down and release.
Note: Deadbolt & shootbolt can engage at any stage of operation
Opening operation
- Turn the key away from the door edge to deactivate the deadlock.
- If the deadbolt and shootbolts are engaged, push handle down and release.
- Retract the latch.
Troubleshooting
| Do I need to tap holes? | No. All screws are self tapping. |
| The furniture screws do not tighten | Ensure the screws line up with the screw boss on the exterior handle. |
| Do I have to use the supplied screws? | For best performance, it is recommended that only the supplied screws are used. |
| The key function does not operate | Ensure the motion of the latch is not restricted |
ASSA ABLOY Australia Pty Limited
235 Huntingdale Rd, Oakleigh, VIC 3166
ABN 90 086 451 907 ©2019
1300 LOCK UP
www.assaabloy.com/au
ASSA ABLOY New Zealand Limited
6 Armstrong Road, Albany, Auckland 0632
[email protected]
www.assaabloy.com/nz
Q50267_1022


















