INSTALLATION INSTRUCTIONS
Z7870/72 & Z7880/Z7882
MORTISE LOCK
A. Door Preparation:
- Measure desired height from finished floor, mark a horizontal line on door and door edge.
- Align template on edge of the door with the applicable horizontal at height line. Check the chart for drilling trim holes on the template and mark only holes for lock function is installed.

- Mortise door edge according to measurements on installation template and drill proper holes for trim.
- Recess for faceplate, the dimension is: L 8-1/32″ x W 1-5/16″ x D 7/32″.

OPTIONAL
DOOR CORE DRILLING GUIDE
#7000-DG

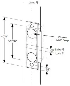
B. Strike Installation:
- Align strike template on the jamb. Be sure to keep 3/8″ distance between lock centerline and strike centerline. Recess 5/32″ for a flush fit of strike and dust box.
- Mortise jamb according to the measurement of strike template. Then fit strike and dust box into the frame and secure into place with supplied screws.

C. Install Lock case
- Make sure the lock hand matches the door hand, use the following diagram to determine the hand of the door.

Instructions for changing lock hand:
REX option Locksets are factory set per handing and can’t be changed in the field.
- Change latch bolt handing
If the hand of the latch bolt doesn’t match the door hand, remove the fixing screw and pull the latch bolt out from the lock case. Turn the latch bolt 180 ° to change the handling. Position latch bolts back, into the case and fasten it.
- Change hand of lock
For RH and RHRB, the catch screw will be on the lock case side. For LH and LHRB, the catch screw will be on the lock cover side.
- Connect wires as shown on the lock cover diagram.
- Insert lock case into mortise cut-out and fasten screws to door.

D. Install Spindles
- Insert spindles as shown

E. Install Lever trim
- Place the reversible spring cage onto the ferrules with an arrow pointing in direction of lever rotation.
- Install outside trim with mounting posts through door and position lever onto the spindle.
- Install inside spring cage onto the spindle with the arrow pointing in the direction of inside lever rotation.
- Install inside mounting plate onto the spindle. Tighten with the provided screw.
- Cap inside rose over mounting plate.

- Screw inside lever into position and tighten lever collar with a supplied spanner wrench.

F. Install Cylinder and Armor Face Plate
- Screw Mortise Cylinder into the threaded hole of the lock case.
- Tighten the Set Screw against cylinder(s) by turning clockwise as shown.
- Install Face Plate onto lock case front and fasten with supplied screws.

E. Install for 07 lever trim
- Place the spring, collar, and then reversible spring cage onto the outside lever assembly with arrows pointing in direction of lever rotation. Insert the spindle into a hub of the lock case.
- Install outside lever assembly with mounting posts through door and position lever assembly onto the spindle.
- Install inside spring cage onto the spindle with the arrows pointing in the direction of inside lever rotation.
- Install inside mounting plate over the spindle and onto the mounting posts of outside assembly. Tighten with provided screws.
- Cap inside rose over the mounting plate and insert second spring.
- Screw inside lever into position and tighten lever collar with the supplied spanner wrench.

F. Install Cylinder and Armor Face Plate
- Screw Mortise Cylinder into the threaded hole of the lock case.
- Tighten the Set Screw against cylinder(s) by turning clockwise as shown.
- Install Face Plate onto the lock case and fasten with the supplied screw.

INSTALLATION WIRE DIAGRAM
Model 7870/72 & 7880/82 Series
STANDARD WIRING
12 or 24VDC (Locks are voltage specific)
[email protected]; [email protected]

Z7880 (Failsafe) Lock Power (12VDC)
Access control does not engage the outside lever when the deadbolt is thrown. *Install MOV across the coil to protect ACS electronics, as close as possible to the lock

Z7880 (Failsafe) Lock Power (24VDC )
Access control does not engage the outside lever when the deadbolt is thrown. *Install MOV across the coil to protect ACS electronics, as close as possible to the lock

Optional Monitoring Outputs

Z7882 (Failsecure) Lock Power (12VDC)
Access control does not engage the outside lever when the deadbolt is thrown. *Install MOV across the coil to protect ACS electronics, as close as possible to the lock

Z7882 (Failsecure) Lock Power (24VDC)
Access control does not engage the outside lever when the deadbolt is thrown. *Install MOV across the coil to protect ACS electronics, as close as possible to the lock

Z7870 (Failsafe) Lock Power (12VDC)
Access control always engages outside the lever. *Install MOV across the coil to protect ACS electronics, as close as possible to the lock

Z7870 (Failsafe) Lock Power (24VDC)
Access control always engages outside the lever. *Install MOV across the coil to protect ACS electronics, as close as possible to the lock

Z7872 (Failsecure) Lock Power (12VDC)
Access control always engages outside the lever. *Install MOV across the coil to protect ACS electronics, as close as possible to the lock

Z7872 (Failsecure) Lock Power (24VDC)
Access control always engages outside the lever. *Install MOV across the coil to protect ACS electronics, as close as possible to the lock

INSTALLATION WIRE DIAGRAM
Models with optional connectors

P:\INST INSTRUCTIONS\ELECTRIFIED LOCKSETS\INST-Z7800_70_72_80_82 REV E 09-21
SECURITY DOOR CONTROLS ■ WWW.SDCSECURITY.COM
[t] 800.413.8783 ■ 805.494.0622 ■ E-mail: [email protected] ■ 801 Avenida Acaso, Camarillo, CA 93012 ■ PO Box 3670, Camarillo, CA 93011



























